TOP
|
特許
|
意匠
|
商標
特許ウォッチ
Twitter
他の特許を見る
10個以上の画像は省略されています。
公開番号
2025084168
公報種別
公開特許公報(A)
公開日
2025-06-03
出願番号
2023197837
出願日
2023-11-22
発明の名称
産業車両
出願人
株式会社豊田自動織機
代理人
主分類
B62D
1/16 20060101AFI20250527BHJP(鉄道以外の路面車両)
要約
【課題】運転時におけるオペレータの足の負担軽減を図ることが可能な産業車両の提供にある。
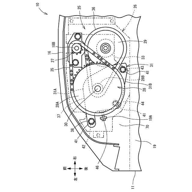
【解決手段】回転伝達機構は、運転席のフロア19に設置される複数のスプロケットと、複数のスプロケットに含まれ、フロアに対する位置を変更可能な可動スプロケット28と、複数のスプロケットに懸装される複数のチェーンと、可動スプロケット28を支持するとともに、可動スプロケット28の位置を調整可能とする調整部材と、調整部材をフロア19に固定する固定部材と、を有する産業車両において、カバー部材26は、フロア19から立ち上がる側板と、側板の上縁と接続される上板と、を有し、固定部材は、平面視において可動スプロケット28と重なるように可動スプロケット28の下方に位置し、側板は、可動スプロケットの外周縁および固定部材に沿って延在する延在部を有した。
【選択図】 図5
特許請求の範囲
【請求項1】
操舵輪を備える車体と、
前記操舵輪を操舵する操舵装置と、
前記車体に備えられる運転席と、を有し、
前記操舵装置は、
前記運転席に備えられ、ステアリングホイールと連結されたステアリングシャフトと、
前記ステアリングシャフトと接続され、前記ステアリングシャフトの回転を前記操舵輪に伝達する回転伝達機構と、
前記運転席のフロアに設置され、前記回転伝達機構を覆うカバー部材と、
を有し、
前記回転伝達機構は、
前記フロアに設置される複数のスプロケットと、
前記複数のスプロケットに含まれ、前記フロアに対する位置を変更可能な可動スプロケットと、
前記複数のスプロケットに懸装されるチェーンと、
前記可動スプロケットを支持するとともに、前記可動スプロケットの位置を調整可能とする調整部材と、
前記調整部材を前記フロアに固定する固定部材と、を有する産業車両において、
前記カバー部材は、
前記フロアから立ち上がる側板と、
前記側板の上縁と接続される上板と、を有し、
前記固定部材は、平面視において前記可動スプロケットと重なるように前記可動スプロケットの下方に位置し、
前記側板は、前記可動スプロケットの外周縁および前記固定部材に沿って延在する延在部を有することを特徴とする産業車両。
続きを表示(約 370 文字)
【請求項2】
前記上板は、後方から前方へ向けて高くなる傾斜部を有することを特徴とする請求項1記載の産業車両。
【請求項3】
前記上板は、前記回転伝達機構の上部に倣うように前後に高低差を有する段部を有し、
前記段部の後方は、前記段部の前方よりも低いことを特徴とする請求項1記載の産業車両。
【請求項4】
前記回転伝達機構は、
前記複数のスプロケットに含まれ、前記フロアに対して位置が固定される固定スプロケットと、
前記ステアリングシャフトと、
前記ステアリングシャフトに装着されたステアリングスプロケットと、を有し、
前記固定スプロケットの軸心と前記ステアリングスプロケットの軸心と、は前後に位置することを特徴とする請求項1~3のいずれか一項記載の産業車両。
発明の詳細な説明
【技術分野】
【0001】
この発明は、産業車両に関する。
続きを表示(約 2,300 文字)
【背景技術】
【0002】
産業車両として、従来から台車を牽引することができる牽引車が知られている。例えば、図10に示す牽引車100では、車体101に運転席102が備えられ、車体101には運転シート103が備えられている。車体101には前輪(図示せず)を操舵する操舵装置104が備えられている。運転席102の前部には前輪を操舵するためのステアリングホイール105が備えられている。図11に示すように、操舵装置104は、ステアリングホイール105と連結されたステアリングシャフト106と、ステアリングシャフト106の回転を前輪に伝達する回転伝達機構107と、運転席102のフロア108に設置され、回転伝達機構107を覆うカバー部材109と、を有している。
【0003】
ステアリングシャフト106は、運転席102のフロア108の前部へ向けて延在する。回転伝達機構107は、運転席102のフロアに備えられている。回転伝達機構107は、ステアリングシャフト106に設けたステアリングスプロケット110と、フロア108に備えられる可動スプロケット111と、前輪を支持する支持シャフト112に設けた操舵輪側スプロケット113と、を有している。ステアリングスプロケット110と可動スプロケット111には第1スプロケットチェーン114が掛装されている。可動スプロケット111と操舵輪側スプロケット113には第2スプロケットチェーン115が掛装されている。したがって、ステアリングシャフト106の回転は回転伝達機構107を介して前輪を支持シャフト112へ伝達される。回転伝達機構107は、カバー部材109により覆われている。カバー部材109は回転伝達機構107を覆うほか、回転伝達機構107の付近に設けたブレーキ系の配線等を覆っている。カバー部材109は、フロア108の前部において相当部分を占有している。
【0004】
一方、産業車両に関連する従来技術として、例えば、特許文献1に開示された走行車両が知られている。特許文献1の走行車両では、ステアリング機構の殆どがフロントカウルに収容されている。そして、前部座席に座る人の足元のスペースを広く取るとしている。
【先行技術文献】
【特許文献】
【0005】
特開平9-39787号公報
【発明の概要】
【発明が解決しようとする課題】
【0006】
しかしながら、図10、図11に示す従来技術では、カバー部材がフロアの前部において相当部分を占有しているので、フロアにおいてオペレータの足を置くスペースが制約される。また、フロアに踵を付けてカバー部材に足を置くことはできるものの、カバー部材の構成は、足の負担が大きくなるという問題がある。一方、特許文献1に開示された走行車両は、フロントカウルの形状によって足元のスペースを広くする技術に過ぎない。
【0007】
本発明は上記の問題点に鑑みてなされたもので、本発明の目的は、運転時におけるオペレータの足の負担軽減を図ることが可能な産業車両の提供にある。
【課題を解決するための手段】
【0008】
上記の課題を解決するために、本発明は、操舵輪を備える車体と、前記操舵輪を操舵する操舵装置と、前記車体に備えられる運転席と、を有し、前記操舵装置は、前記運転席に備えられ、ステアリングホイールと連結されたステアリングシャフトと、前記ステアリングシャフトと接続され、前記ステアリングシャフトの回転を前記操舵輪に伝達する回転伝達機構と、前記運転席のフロアに設置され、前記回転伝達機構を覆うカバー部材と、を有し、前記回転伝達機構は、前記フロアに設置される複数のスプロケットと、前記複数のスプロケットに含まれ、前記フロアに対する位置を変更可能な可動スプロケットと、前記複数のスプロケットに懸装されるチェーンと、前記可動スプロケットを支持するとともに、前記可動スプロケットの位置を調整可能とする調整部材と、前記調整部材を前記フロアに固定する固定部材と、を有する産業車両において、前記カバー部材は、前記フロアから立ち上がる側板と、前記側板の上縁と接続される上板と、を有し、前記固定部材は、平面視において前記可動スプロケットと重なるように前記可動スプロケットの下方に位置し、前記側板は、前記可動スプロケットの外周縁および前記固定部材に沿って延在する延在部を有することを特徴とする。
【0009】
本発明では、調整部材をフロアに固定する固定部材が可動スプロケットの下方に位置し、側板が有する延在部は可動スプロケットの外周縁および固定部材に沿って延在する。このため、カバー部材の延在部を可動スプロケットの外周縁に接近させることが可能となり、フロアの前部においてカバー部材が占有しないスペースが生じる。フロアの前部においてカバー部材が占有しないスペースは、オペレータの足を置くことができるスペースとなる。このスペースに足を置くことが可能となったことで、運転時におけるオペレータの足の負担軽減を図ることが可能である。
【0010】
また、上記の産業車両において、前記上板は、後方から前方へ向けて高くなる傾斜部を有する構成としてもよい。
この場合、上板は後方から前方へ向けて高くなる傾斜部を有するので、傾斜部に足を全体的に置くことができる。そして、上板に足を置いても傾斜部の面で足裏を支持するので運転中の足の負担軽減を図ることができる。
(【0011】以降は省略されています)
この特許をJ-PlatPat(特許庁公式サイト)で参照する
関連特許
株式会社豊田自動織機
荷役装置
9日前
株式会社豊田自動織機
産業車両
4日前
株式会社豊田自動織機
双方向充電器
3日前
株式会社豊田自動織機
電力供給システム
1日前
株式会社豊田自動織機
ターボチャージャ
9日前
株式会社豊田自動織機
内燃機関の制御装置
2日前
株式会社豊田自動織機
織機用異常検知装置
9日前
株式会社豊田自動織機
繊維機械の検査システム
9日前
トヨタ自動車株式会社
蓄電池
2日前
株式会社豊田自動織機
内燃機関の吸気温度制御システム
9日前
株式会社豊田自動織機
繊維構造体、及び繊維強化複合材
9日前
トヨタ自動車株式会社
蓄電モジュール
2日前
トヨタ自動車株式会社
二次電池及び二次電池の制御方法
11日前
株式会社アルテックス
ダイカスト装置及び鋳造品の製造方法
2日前
個人
カート
4か月前
個人
走行装置
4か月前
個人
三輪バイク
16日前
個人
電動走行車両
4か月前
個人
乗り物
6か月前
個人
発音装置
8か月前
個人
駐輪設備
2か月前
個人
自転車用歩数計
24日前
個人
閂式ハンドル錠
4か月前
個人
電動モビリティ
8か月前
個人
折り畳み自転車
11か月前
個人
ボギー・フレーム
2か月前
個人
三輪電動車両
24日前
個人
ルーフ付きトライク
3か月前
個人
体重掛けリフト台車
11か月前
個人
“zen-go.”
3か月前
個人
自由方向乗車自転車
8か月前
個人
ルーフ付きトライク
2か月前
井関農機株式会社
作業車両
9日前
個人
車の室内高温防止屋根
2日前
個人
パワーアシスト自転車
2か月前
個人
自転車用荷物台
11か月前
続きを見る
他の特許を見る