TOP
|
特許
|
意匠
|
商標
特許ウォッチ
Twitter
他の特許を見る
10個以上の画像は省略されています。
公開番号
2025089039
公報種別
公開特許公報(A)
公開日
2025-06-12
出願番号
2023203982
出願日
2023-12-01
発明の名称
自転車
出願人
ヤマハ発動機株式会社
代理人
個人
主分類
B62J
9/20 20200101AFI20250605BHJP(鉄道以外の路面車両)
要約
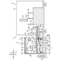
【課題】シートポストとリヤフェンダとの間のデッドスペースにバッテリを配置できるとともに荷物を良好に収容できる、自転車を提供する。
【解決手段】電動アシスト自転車10は、シートポスト18と、シートポスト18より後方に設けられる後輪36と、シートポスト18の上部から少なくとも後方に延びるシートステー20と、シートステー20より下方に設けられかつシートポスト18より少なくとも後方に延びるチェーンステー22と、シートポスト18より後方に設けられるリヤフェンダ56と、リヤフェンダ56に取り付けられる取付部材66と、シートポスト18とリヤフェンダ56との間においてシートポスト18に取り付けられるバッテリ62と、シートポスト18とリヤフェンダ56との間においてバッテリ62より後方に設けられる収容ケース64とを備える。収容ケース64は、荷物を出し入れ可能に構成されかつ取付部材66に取り付けられる。
【選択図】図2
特許請求の範囲
【請求項1】
シートポストと、
前記シートポストより後方に設けられる後輪と、
前記シートポストの上部から少なくとも後方に延びる第1ステーと、
前記第1ステーより下方に設けられかつ前記シートポストより少なくとも後方に延びる第2ステーと、
前記シートポストより後方に設けられかつ少なくとも前記後輪の一部を覆うリヤフェンダと、
前記リヤフェンダに取り付けられるまたは前記第1ステーと前記第2ステーとを連結するための取付部材と、
前記シートポストと前記リヤフェンダとの間において前記シートポストに取り付けられるバッテリと、
前記シートポストと前記リヤフェンダとの間において前記バッテリより後方に設けられる物品収容部とを備え、
前記物品収容部は、荷物を出し入れ可能に構成されかつ前記取付部材に取り付けられる、自転車。
続きを表示(約 760 文字)
【請求項2】
前記後輪は、24インチ未満の直径を有する、請求項1に記載の自転車。
【請求項3】
前記シートポストより後方かつ前記後輪の上方に設けられるチャイルドシートをさらに含む、請求項1または2に記載の自転車。
【請求項4】
車幅方向において、前記物品収容部の外端は、前記バッテリの外端より内方に位置する、請求項1から3のいずれかに記載の自転車。
【請求項5】
前記物品収容部は樹脂を含む、請求項1から4のいずれかに記載の自転車。
【請求項6】
前記物品収容部は、収容ケースを含む、請求項1から5のいずれかに記載の自転車。
【請求項7】
前記収容ケースは、ケース本体と、前記ケース本体に開閉可能に取り付けられる蓋とを含み、
前記蓋は斜め下方向に揺動することによって前記ケース本体に対して開くように、前記収容ケースが前記取付部材に取り付けられる、請求項6に記載の自転車。
【請求項8】
当該自転車をロックするための第1錠と、
前記収容ケースの前記扉を閉状態でロックするための第2錠と、
前記第1錠と前記第2錠とに共用される鍵とをさらに含む、請求項7に記載の自転車。
【請求項9】
前記バッテリの挿抜動作と前記収容ケースの前記蓋の開閉動作とが車幅方向の同じ側で行われるように、前記バッテリおよび前記収容ケースが設けられる、請求項7または8のいずれかに記載の自転車。
【請求項10】
前記収容ケースは、底部を除いて防水構造を有し、
前記底部は、水抜き用の貫通孔を有する、請求項6から9のいずれかに記載の自転車。
(【請求項11】以降は省略されています)
発明の詳細な説明
【技術分野】
【0001】
この発明は自転車に関し、より特定的にはバッテリを備える自転車に関する。
続きを表示(約 2,200 文字)
【背景技術】
【0002】
この種の従来技術として、特許文献1において内燃機関付き自転車が開示されている。この自転車は、ヘッドパイプと車体フレームとを備える。車体フレームは、ヘッドパイプから後方斜め下向きに延びるメインフレームと、メインフレームの後部に略上方に延びるように設けられるシートポストとを含んで略V字状に形成され、車体フレームの下部に内燃機関が設けられる。そして、シートポストと後輪との間に、エアクリーナが配設されるとともに、エアクリーナの下方にバッテリが配置される。
【先行技術文献】
【特許文献】
【0003】
特開2000-219186号公報
【発明の概要】
【発明が解決しようとする課題】
【0004】
このような特許文献1に開示された自転車では、バッテリおよびエアクリーナが、シートポストと後輪との間のデッドスペースを利用して左右幅方向中央位置に配設されるが、シートポストとリヤフェンダとの間のデッドスペースを、小物などの荷物を収容するために利用する点について何ら開示されていない。
【0005】
それゆえにこの発明の主たる目的は、シートポストとリヤフェンダとの間のデッドスペースにバッテリを配置できるとともに荷物を良好に収容できる、自転車を提供することである。
【課題を解決するための手段】
【0006】
上述の目的を達成するために、シートポストと、シートポストより後方に設けられる後輪と、シートポストの上部から少なくとも後方に延びる第1ステーと、第1ステーより下方に設けられかつシートポストより少なくとも後方に延びる第2ステーと、シートポストより後方に設けられかつ少なくとも後輪の一部を覆うリヤフェンダと、リヤフェンダに取り付けられるまたは第1ステーと第2ステーとを連結するための取付部材と、シートポストとリヤフェンダとの間においてシートポストに取り付けられるバッテリと、シートポストとリヤフェンダとの間においてバッテリより後方に設けられる物品収容部とを備え、物品収容部は、荷物を出し入れ可能に構成されかつ取付部材に取り付けられる、自転車が提供される。
【0007】
この発明では、シートポストとリヤフェンダとの間のデッドスペースにおいて、バッテリが前方に配置され、荷物を出し入れ可能な物品収容部が後方に配置される。バッテリはシートポストに取り付けられる。物品収容部は、リヤフェンダに取り付けられる取付部材または第1ステーと第2ステーとを連結するための取付部材に取り付けられる。ここで、リヤフェンダに取り付けられる取付部材を用いる場合、リヤフェンダは、後輪に対してリジットに固定されていないので、後輪からの振動や衝撃を吸収して緩和でき、物品収容部への振動や衝撃を抑制できる。また、第1ステーと第2ステーとを連結するための取付部材を用いる場合、取付部材が第1ステーおよび第2ステーからの振動や衝撃を吸収して緩和するので、物品収容部を、取付部材を用いることなく直接、第1ステーと第2ステーとを連結するように設ける場合に比べて、物品収容部への振動や衝撃を抑制できる。したがって、物品収容部は取付部材を介して良好に保持され、物品収容部に小物などの荷物を出し入れ可能に収容でき、利便性が向上する。また、このように構成することにより、既存部品の変更を最小限にできる。さらに、物品収容部の前方にバッテリが配置されており、前方からの障害物や飛来物は、物品収容部より先にバッテリに衝突するので、物品収容部はバッテリによって保護される。その結果、シートポストとリヤフェンダとの間のデッドスペースにバッテリを配置できるとともに荷物を良好に収容できる。
【0008】
好ましくは、後輪は、24インチ未満の直径を有する。このような小径の後輪を用いる所謂小径自転車では、後輪を覆うリヤフェンダとシートポストとの間のデッドスペースが大きくなり易い。したがって、シートポストとリヤフェンダとの間においてバッテリをシートポストに取り付けても、バッテリとリヤフェンダとの間に比較的広いスペースが残り、このスペースに物品収容部を配置することによって、当該スペースを有効利用できる。
【0009】
また好ましくは、シートポストより後方かつ後輪の上方に設けられるチャイルドシートをさらに含む。このような所謂子乗せ自転車では、運転者とチャイルドシートに座る子供との間の居住空間を広げるために、後輪が比較的後方に設けられるので、後輪を覆うリヤフェンダとシートポストとの間隔が大きくなり易い。したがって、シートポストとリヤフェンダとの間においてバッテリをシートポストに取り付けても、バッテリとリヤフェンダとの間に比較的広いスペースが残り、このスペースに物品収容部を配置することによって、当該スペースを有効利用できる。また、子乗せ自転車のユーザの特性上、小物などの荷物が多くなる傾向があるので、この発明は子乗せ自転車に好適に用いられる。
【0010】
さらに好ましくは、車幅方向において、物品収容部の外端は、バッテリの外端より内方に位置する。この場合、物品収容部はバッテリによってさらに良好に保護される。
(【0011】以降は省略されています)
この特許をJ-PlatPat(特許庁公式サイト)で参照する
関連特許
ヤマハ発動機株式会社
船舶推進機
1か月前
ヤマハ発動機株式会社
鞍乗型車両
1か月前
ヤマハ発動機株式会社
リーン車両
1か月前
ヤマハ発動機株式会社
鞍乗型車両
1か月前
ヤマハ発動機株式会社
生産システム
1か月前
ヤマハ発動機株式会社
テープフィーダ
1か月前
ヤマハ発動機株式会社
ワーク搭載装置
1か月前
ヤマハ発動機株式会社
ワーク計測装置
17日前
ヤマハ発動機株式会社
自動操船システム及び方法
1か月前
ヤマハ発動機株式会社
挿抜装置および部品実装システム
2日前
ヤマハ発動機株式会社
部品実装装置およびテープフィーダ
3日前
ヤマハ発動機株式会社
ノズル収容構造体および部品実装機
17日前
ヤマハ発動機株式会社
船舶を制御するためのシステム及び方法
17日前
ヤマハ発動機株式会社
基板の生産システム、及び画像解析装置
9日前
ヤマハ発動機株式会社
駆動ユニットおよび電動アシスト自転車
1か月前
ヤマハ発動機株式会社
船舶を制御するためのシステムおよび方法
1か月前
ヤマハ発動機株式会社
印刷機、表面実装機及び基板の反り測定方法
2日前
ヤマハ発動機株式会社
船舶を遠隔操船するためのシステム及び方法
1か月前
ヤマハ発動機株式会社
操船システム、操船システムの制御方法及び船舶
9日前
ヤマハ発動機株式会社
テープ回収装置および同装置を備えた部品実装装置
1か月前
ヤマハ発動機株式会社
駆動システム、電動車椅子、制御方法およびコンピュータプログラム
4日前
ヤマハ発動機株式会社
オペレータ検出システム
25日前
ヤマハ発動機株式会社
ワーク面取得装置、ワーク面取得方法、ワーク面取得プログラムおよび記録媒体
4日前
エンシュウコネクティッド株式会社
タップ加工装置およびタップ工具のチッピング検出用コンピュータプログラム
17日前
ヤマハ発動機株式会社
真空浸炭処理が施された歯車、真空浸炭処理が施された歯車を有するエンジンユニット、及び真空浸炭処理が施された歯車を有する鞍乗型車両
1か月前
個人
カート
5か月前
個人
走行装置
5か月前
個人
三輪バイク
1か月前
個人
台車
17日前
個人
乗り物
7か月前
個人
電動走行車両
5か月前
個人
閂式ハンドル錠
5か月前
個人
電動モビリティ
9か月前
個人
駐輪設備
3か月前
個人
自転車用歩数計
1か月前
個人
発音装置
9か月前
続きを見る
他の特許を見る