TOP
|
特許
|
意匠
|
商標
特許ウォッチ
Twitter
他の特許を見る
10個以上の画像は省略されています。
公開番号
2025167591
公報種別
公開特許公報(A)
公開日
2025-11-07
出願番号
2024072372
出願日
2024-04-26
発明の名称
鞍乗型車両
出願人
ヤマハ発動機株式会社
代理人
個人
,
個人
主分類
B62J
17/04 20060101AFI20251030BHJP(鉄道以外の路面車両)
要約
【課題】左右のレールに沿って上下に移動可能なウインドスクリーンを備えた鞍乗型車両において、ウインドスクリーンを安定して支持できるとともに、ライダーの視界をより広く確保できるようにする。
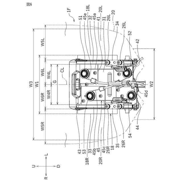
【解決手段】左レール32に摺動可能に係合する左スライダ34と、右レール33に摺動可能に係合する右スライダ35と、左スライダ34および右スライダ35に支持されたウインドスクリーン20と、左レール32および右レール33よりも後方に配置されたメータ18とを備える。左レール32および右レール33の少なくとも一部は車両正面視においてメータ18と重なっている。左レール32と右レール33との車幅方向の間隔Gは、メータ18の車幅方向の寸法W1よりも小さい。ウインドスクリーン20は、メータ18の左縁18Lよりも左方に位置するメータ左横部分20Lと、メータ18の右縁18Rよりも右方に位置するメータ右横部分20Rとを有している。
【選択図】図6
特許請求の範囲
【請求項1】
車体に支持された支持部材と、
前記支持部材に支持され、車両中心線よりも左方に配置された上下に延びる左レールと、
前記支持部材に支持され、車両中心線よりも右方に配置された上下に延びる右レールと、
前記左レールに摺動可能に係合する左スライダと、
前記右レールに摺動可能に係合する右スライダと、
前記左スライダおよび前記右スライダに支持されたウインドスクリーンと、
前記左レールおよび前記右レールよりも後方に配置されたメータと、を備え、
前記左レールの少なくとも一部および前記右レールの少なくとも一部は、車両正面視において前記メータと重なり、
前記左レールと前記右レールとの車幅方向の間隔は、前記メータの車幅方向の寸法よりも小さく、
前記ウインドスクリーンは、前記メータの上端よりも下方、前記メータの下端よりも上方、および前記メータの左縁よりも左方に位置するメータ左横部分と、前記メータの上端よりも下方、前記メータの下端よりも上方、および前記メータの右縁よりも右方に位置するメータ右横部分と、を有している、鞍乗型車両。
続きを表示(約 1,100 文字)
【請求項2】
前記メータは、表示パネルと、前記表示パネルの周囲に配置された枠体と、を有し、
前記左レールと前記右レールとの車幅方向の間隔は、前記表示パネルの車幅方向の寸法よりも小さい、請求項1に記載の鞍乗型車両。
【請求項3】
前記左レールの左端と前記右レールの右端との車幅方向の距離は、前記メータの車幅方向の寸法よりも小さい、請求項1に記載の鞍乗型車両。
【請求項4】
前記左スライダと前記右スライダと前記ウインドスクリーンとに固定され、前記ウインドスクリーンを支持するスクリーン支持部材を備えている、請求項1に記載の鞍乗型車両。
【請求項5】
前記左スライダと前記スクリーン支持部材とを固定する左ボルトと、
前記右スライダと前記スクリーン支持部材とを固定する右ボルトと、を備え、
車両正面視において、前記左ボルトは前記左レールと重なり、前記右ボルトは前記右レールと重なっている、請求項4に記載の鞍乗型車両。
【請求項6】
前記ウインドスクリーンと前記スクリーン支持部材とを固定する左上ボルト、左下ボルト、右上ボルト、および右下ボルトを備え、
前記左上ボルトは、前記左レールよりも左方に配置され、
前記左下ボルトは、前記左レールよりも左方かつ前記左上ボルトよりも下方に配置され、
前記右上ボルトは、前記右レールよりも右方に配置され、
前記右下ボルトは、前記右レールよりも右方かつ前記右上ボルトよりも下方に配置されている、請求項4に記載の鞍乗型車両。
【請求項7】
前記左レールの上端および前記右レールの上端は、前記メータの上端よりも上方に位置している、請求項1に記載の鞍乗型車両。
【請求項8】
前記左レールと前記右レールとの車幅方向の間隔は、前記ウインドスクリーンのうち前記左レールおよび前記右レールの上端以下かつ下端以上の部分の最小の車幅方向寸法よりも小さい、請求項1に記載の鞍乗型車両。
【請求項9】
前記左レールと前記右レールとの車幅方向の間隔は、前記左レールまたは前記右レールの上下方向の中間位置における前記ウインドスクリーンの車幅方向寸法の半分よりも小さい、請求項1に記載の鞍乗型車両。
【請求項10】
前記ウインドスクリーンは、車幅方向の外方に行くほど後方に向かうように湾曲しており、
車両側面視において、前記ウインドスクリーンの前端と前記左レールの前端または前記右レールの前端との車両前後方向の距離は、前記左レールまたは前記右レールの車両前後方向の寸法よりも小さい、請求項1に記載の鞍乗型車両。
(【請求項11】以降は省略されています)
発明の詳細な説明
【技術分野】
【0001】
本発明は、左右のレールに沿って上下に移動可能な可動式ウインドスクリーンを備えた鞍乗型車両に関する。
続きを表示(約 2,100 文字)
【背景技術】
【0002】
従来から、ライダーに風が直接吹き付けられないよう、ウインドスクリーンを備えた鞍乗型車両が知られている。また、ウインドスクリーンの位置を変更可能なように、ウインドスクリーンを上下に移動可能な鞍乗型車両が知られている。この種の鞍乗型車両は、ウインドスクリーンに取り付けられた左右のスライダと、左右のスライダを摺動可能に支持する左右のレールとを備えている。例えば、特開2014―28591号公報にそのような鞍乗型車両が開示されている。
【先行技術文献】
【特許文献】
【0003】
特開2014―28591号公報
【発明の概要】
【発明が解決しようとする課題】
【0004】
ライダーが風よけの効果を十分に得るためには、ウインドスクリーンの上端の位置は高い方が好ましい。ウインドスクリーンは、スライダを介してレールに支持されている。レールの位置が比較的低い場合、ウインドスクリーンを比較的低い位置から比較的高い位置にまで形成する必要がある。そのため、ウインドスクリーンの上下方向の寸法が大きくなる。しかし、ウインドスクリーンの上下方向の寸法が大きいと、ウインドスクリーンを支持する構造を強固にしなければウインドスクリーンを安定して支持することが難しい。一方、レールの位置が比較的高い場合、ウインドスクリーンを安定して支持しやすい。
【0005】
ところで、レールはライダーの前方に配置されるので、レールの位置が比較的高い場合、ライダーの視界の一部がレールによって妨げられることが懸念される。しかし、ライダーが快適に運転できるようにするため、ライダーの視界をより広く確保することが望まれる。
【0006】
本発明の目的は、左右のレールに沿って上下に移動可能なウインドスクリーンを備えた鞍乗型車両において、ウインドスクリーンを安定して支持できるとともに、ライダーの視界をより広く確保できるようにすることである。
【課題を解決するための手段】
【0007】
ここに開示される鞍乗型車両は、車体に支持された支持部材と、前記支持部材に支持され、車両中心線よりも左方に配置された上下に延びる左レールと、前記支持部材に支持され、車両中心線よりも右方に配置された上下に延びる右レールと、前記左レールに摺動可能に係合する左スライダと、前記右レールに摺動可能に係合する右スライダと、前記左スライダおよび前記右スライダに支持されたウインドスクリーンと、前記左レールおよび前記右レールよりも後方に配置されたメータと、を備える。前記左レールの少なくとも一部および前記右レールの少なくとも一部は、車両正面視において前記メータと重なっている。前記左レールと前記右レールとの車幅方向の間隔は、前記メータの車幅方向の寸法よりも小さい。前記ウインドスクリーンは、前記メータの上端よりも下方、前記メータの下端よりも上方、および前記メータの左縁よりも左方に位置するメータ左横部分と、前記メータの上端よりも下方、前記メータの下端よりも上方、および前記メータの右縁よりも右方に位置するメータ右横部分と、を有している。なお、ここで言う「支持され」は、直接的に支持される場合と間接的に支持される場合との両方を含む。
【0008】
上記鞍乗型車両によれば、左レールの少なくとも一部および右レールの少なくとも一部は、車両正面視においてメータと重なっており、メータの下端よりも上方に配置されている。左レールおよび右レールは、比較的高い位置に配置されている。よって、左レールおよび右レールによってウインドスクリーンを安定して支持することができる。また、上記鞍乗型車両によれば、左レールと右レールとの車幅方向の間隔がメータの車幅方向の寸法よりも小さい。左レールと右レールとの間隔が比較的小さい。左レールおよび右レールがメータの側方に位置しないので、左レールおよび右レールはライダーの視界を妨げにくい。更に、上記鞍乗型車両によれば、ウインドスクリーンは、メータの上端よりも下方、メータの下端よりも上方、およびメータの左縁よりも左方に位置するメータ左横部分と、メータの上端よりも下方、メータの下端よりも上方、およびメータの右縁よりも右方に位置するメータ右横部分とを有している。ライダーは、ウインドスクリーンのうちメータよりも上方の部分だけでなく、メータ左横部分およびメータ右横部分を通じて、前方を視認することができる。よって、ライダーの視界をより広く確保することができる。
【0009】
前記メータは、表示パネルと、前記表示パネルの周囲に配置された枠体と、を有していてもよい。前記左レールと前記右レールとの車幅方向の間隔は、前記表示パネルの車幅方向の寸法よりも小さくてもよい。
【0010】
前記左レールの左端と前記右レールの右端との車幅方向の距離は、前記メータの車幅方向の寸法よりも小さくてもよい。
(【0011】以降は省略されています)
この特許をJ-PlatPat(特許庁公式サイト)で参照する
関連特許
ヤマハ発動機株式会社
リーン車両
1か月前
ヤマハ発動機株式会社
鞍乗型車両
23日前
ヤマハ発動機株式会社
鞍乗型車両
23日前
ヤマハ発動機株式会社
生産システム
26日前
ヤマハ発動機株式会社
ワーク搭載装置
23日前
ヤマハ発動機株式会社
ワーク計測装置
10日前
ヤマハ発動機株式会社
テープフィーダ
26日前
ヤマハ発動機株式会社
自動操船システム及び方法
23日前
ヤマハ発動機株式会社
ノズル収容構造体および部品実装機
10日前
ヤマハ発動機株式会社
船舶を制御するためのシステム及び方法
10日前
ヤマハ発動機株式会社
駆動ユニットおよび電動アシスト自転車
1か月前
ヤマハ発動機株式会社
基板の生産システム、及び画像解析装置
2日前
ヤマハ発動機株式会社
船舶を制御するためのシステムおよび方法
23日前
ヤマハ発動機株式会社
船舶を遠隔操船するためのシステム及び方法
23日前
ヤマハ発動機株式会社
操船システム、操船システムの制御方法及び船舶
2日前
ヤマハ発動機株式会社
テープ回収装置および同装置を備えた部品実装装置
1か月前
ヤマハ発動機株式会社
オペレータ検出システム
18日前
エンシュウコネクティッド株式会社
タップ加工装置およびタップ工具のチッピング検出用コンピュータプログラム
10日前
ヤマハ発動機株式会社
真空浸炭処理が施された歯車、真空浸炭処理が施された歯車を有するエンジンユニット、及び真空浸炭処理が施された歯車を有する鞍乗型車両
1か月前
個人
カート
4か月前
個人
走行装置
5か月前
個人
台車
10日前
個人
三輪バイク
1か月前
個人
電動走行車両
5か月前
個人
乗り物
6か月前
個人
電動モビリティ
9か月前
個人
閂式ハンドル錠
5か月前
個人
発音装置
8か月前
個人
折り畳み自転車
12か月前
個人
駐輪設備
2か月前
個人
自転車用歩数計
1か月前
個人
ボギー・フレーム
3か月前
個人
ルーフ付きトライク
4か月前
個人
ルーフ付きトライク
3か月前
個人
“zen-go.”
4か月前
個人
三輪電動車両
1か月前
続きを見る
他の特許を見る