TOP
|
特許
|
意匠
|
商標
特許ウォッチ
Twitter
他の特許を見る
公開番号
2025161186
公報種別
公開特許公報(A)
公開日
2025-10-24
出願番号
2024064167
出願日
2024-04-11
発明の名称
フリッカ補償装置
出願人
株式会社TMEIC
代理人
弁理士法人iX
主分類
F27B
3/28 20060101AFI20251017BHJP(炉,キルン,窯;レトルト)
要約
【課題】低コストで大電力容量化が容易なフリッカ補償装置を提供する。
【解決手段】実施形態のフリッカ補償装置は、他励式変換器と、自励式変換器と、制御装置と、を備える。前記制御装置は、前記他励式変換器を制御する第1制御信号および前記自励式変換器を制御する第2制御信号を出力する。前記制御装置は、前記第1制御信号を生成する第1制御部と、前記第2制御信号を生成する第2制御部と、を有する。前記第1制御部は、母線の無効電力変動を演算し、前記無効電力変動をキャンセルする無効電力を生成するように前記第1制御信号を生成する。前記第2制御部は、前記母線の有効電力変動を演算し、前記有効電力変動をキャンセルする有効電力を生成するように前記第2制御信号を生成する。
【選択図】図2
特許請求の範囲
【請求項1】
製鋼用アーク炉の電圧フリッカを抑制するフリッカ補償装置であって、
サイリスタを主スイッチング素子とし、位相制御により前記サイリスタを制御する他励式変換器と、
自己消弧型スイッチング素子を主スイッチング素子とし、時間領域で連続して前記自己消弧型スイッチング素子を制御する自励式変換器と、
前記他励式変換器に第1制御信号を出力し、前記自励式変換器に第2制御信号を出力する制御装置と、
を備え、
前記制御装置は、前記第1制御信号を生成する第1制御部と、前記第2制御信号を生成する第2制御部と、を有し、
前記第1制御部は、
前記製鋼用アーク炉に電力を供給する母線の電流および電圧を検出し、
前記電流および電圧にもとづいて、前記母線の無効電力変動を演算し、
前記無効電力変動をキャンセルする無効電力を出力するように前記第1制御信号を生成し、
前記第2制御部は、
前記電流および前記電圧を検出し、
前記電流および前記電圧にもとづいて、前記母線の有効電力変動を演算し、
前記有効電力変動をキャンセルする有効電力を出力するように前記第2制御信号を生成し、
前記他励式変換器の出力電力容量は、皮相電力換算で、前記自励式変換器に出力電力容量の3倍よりも大きいフリッカ補償装置。
続きを表示(約 1,100 文字)
【請求項2】
製鋼用アーク炉の電圧フリッカを抑制するフリッカ補償装置であって、
サイリスタを主スイッチング素子とし、位相制御により前記サイリスタを制御する他励式変換器と、
自己消弧型スイッチング素子を主スイッチング素子とし、時間領域で連続して前記自己消弧型スイッチング素子を制御する自励式変換器と、
前記他励式変換器に第1制御信号を出力し、前記自励式変換器に第2制御信号を出力する制御装置と、
を備え、
前記制御装置は、前記第1制御信号を生成する第1制御部と、前記第2制御信号を生成する第2制御部と、を有し、
前記第1制御部は、
前記製鋼用アーク炉に電力を供給する母線の電流および電圧を検出し、
前記電流および電圧にもとづいて、前記母線の無効電力変動を演算し、
前記無効電力変動をキャンセルする無効電力を出力するように前記第1制御信号を生成し、
前記第2制御部は、
前記電流および前記電圧を検出し、
前記電流および前記電圧にもとづいて、前記母線の歪み電流を演算し、
前記歪み電流をキャンセルする出力電流を出力するように前記第2制御信号を生成し、
前記他励式変換器の出力電力容量は、皮相電力換算で、前記自励式変換器に出力電力容量の3倍よりも大きいフリッカ補償装置。
【請求項3】
製鋼用アーク炉の電圧フリッカを抑制するフリッカ補償装置であって、
サイリスタを主スイッチング素子とし、位相制御により前記サイリスタを制御する他励式変換器と、
自己消弧型スイッチング素子を主スイッチング素子とし、時間領域で連続して前記自己消弧型スイッチング素子を制御する自励式変換器と、
前記他励式変換器に第1制御信号を出力し、前記自励式変換器に第2制御信号を出力する制御装置と、
を備え、
前記制御装置は、前記第1制御信号を生成する第1制御部と、前記第2制御信号を生成する第2制御部と、を有し、
前記第1制御部は、
前記製鋼用アーク炉に電力を供給する母線の電流および電圧を検出し、
前記電流および電圧にもとづいて、前記母線の無効電力変動を演算し、
前記無効電力変動をキャンセルする無効電力を出力するように前記第1制御信号を生成し、
前記第2制御部は、
前記電流および前記電圧を検出し、
前記電流および前記電圧にもとづいて、前記母線の逆相電圧を演算し、
前記逆相電圧をキャンセルする出力電圧を出力するように前記第2制御信号を生成し、
前記他励式変換器の出力電力容量は、皮相電力換算で、前記自励式変換器に出力電力容量の3倍よりも大きいフリッカ補償装置。
発明の詳細な説明
【技術分野】
【0001】
製鋼用アーク炉で発生する電圧フリッカを抑制するフリッカ補償装置に関する。
続きを表示(約 1,500 文字)
【背景技術】
【0002】
製鋼用アーク炉が接続されている系統では、その急峻な負荷変動に起因し、無効電力などが変動することにより、電圧フリッカが発生する。製鋼用アーク炉を負荷とする需要家は、電力供給者が定めた規制値以内に電圧フリッカを収めることを目的に、フリッカ補償装置を系統に連系している。
【0003】
近年、化石燃料の消費を削減し、カーボンニュートラルを実現しようとする試みが多方面で行われている。鉄鋼プラントにおいても、高炉から電気炉への転換が具体化しており、これにともない、電気炉の大容量化が進められている。
【0004】
フリッカ補償装置もこれにともなって、大電力容量化が要求され、低コストで高機能なフリッカ補償装置の要求が強まっている。
【先行技術文献】
【特許文献】
【0005】
特許第6942618号公報
【発明の概要】
【発明が解決しようとする課題】
【0006】
本発明の実施形態は、低コストで大電力容量化が容易なフリッカ補償装置を提供することを目的とする。
【課題を解決するための手段】
【0007】
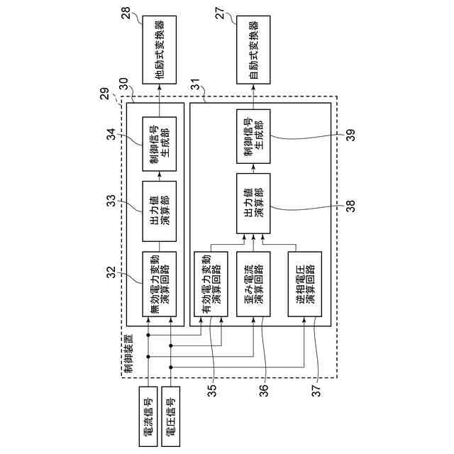
本発明の実施形態に係るフリッカ補償装置は、製鋼用アーク炉の電圧フリッカを抑制する。このフリッカ補償装置は、サイリスタを主スイッチング素子とし、位相制御により前記サイリスタを制御する他励式変換器と、自己消弧型スイッチング素子を主スイッチング素子とし、時間領域で連続して前記自己消弧型スイッチング素子を制御する自励式変換器と、前記他励式変換器に第1制御信号を出力し、前記自励式変換器に第2制御信号を出力する制御装置と、を備える。前記制御装置は、前記第1制御信号を生成する第1制御部と、前記第2制御信号を生成する第2制御部と、を有する。前記第1制御部は、前記製鋼用アーク炉に電力を供給する母線の電流および電圧を検出し、前記電流および電圧にもとづいて、前記母線の無効電力変動を演算し、前記無効電力変動をキャンセルする無効電力を出力するように前記第1制御信号を生成する。前記第2制御部は、前記電流および前記電圧を検出し、前記電流および前記電圧にもとづいて、前記母線の有効電力変動を演算し、前記有効電力変動をキャンセルする有効電力を出力するように前記第2制御信号を生成し、前記他励式変換器の出力電力容量は、皮相電力換算で、前記自励式変換器に出力電力容量の3倍よりも大きい。
【発明の効果】
【0008】
本発明の実施形態によれば、低コストで大電力容量化が容易なフリッカ補償装置を提供することができる。
【図面の簡単な説明】
【0009】
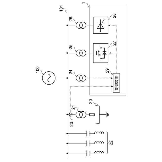
実施形態に係るフリッカ補償装置を例示する模式的なブロック図である。
実施形態に係るフリッカ補償装置の一部である制御装置を例示する模式的なブロック図である。
【発明を実施するための形態】
【0010】
以下、実施の形態について図面を参照しつつ説明する。
なお、図面は模式的または概念的なものであり、各部分の厚みと幅との関係、部分間の大きさの比率などは、必ずしも現実のものと同一とは限らない。また、同じ部分を表す場合であっても、図面により互いの寸法や比率が異なって表される場合もある。
なお、本願明細書と各図において、既出の図に関して前述したものと同様の要素には同一の符号を付して詳細な説明は適宜省略する。
(【0011】以降は省略されています)
この特許をJ-PlatPat(特許庁公式サイト)で参照する
関連特許
株式会社TMEIC
フリッカ補償装置
23日前
株式会社TMEIC
電気機器の冷却構造
9日前
株式会社TMEIC
位相推定器、電力制御装置、電力変換装置、及び位相推定方法
2日前
株式会社サンコー
浸漬ヒーター
1か月前
東京窯業株式会社
セッター
5か月前
中外炉工業株式会社
熱処理炉
1か月前
株式会社プロテリアル
スラグ除滓装置
10か月前
ノリタケ株式会社
加熱炉
1か月前
ノリタケ株式会社
冷却炉
1か月前
株式会社クマガワ
加熱炉システム
25日前
中外炉工業株式会社
処理炉
4か月前
ノリタケ株式会社
連続加熱炉
7か月前
ノリタケ株式会社
連続加熱炉
7か月前
ノリタケ株式会社
連続加熱炉
7か月前
ファーネス重工株式会社
熱風循環炉
7か月前
株式会社不二越
搬送システム
6か月前
中外炉工業株式会社
ダスト処理設備
17日前
ノリタケ株式会社
熱処理装置
6か月前
有限会社ヨコタテクニカ
リフロー炉
3か月前
ノリタケ株式会社
サヤ
5か月前
ノリタケ株式会社
熱処理装置
3か月前
ノリタケ株式会社
熱処理装置
2か月前
ノリタケ株式会社
熱処理装置
3か月前
ノリタケ株式会社
熱処理装置
3か月前
ノリタケ株式会社
熱処理装置
3か月前
中外炉工業株式会社
連続処理炉
6か月前
DiV株式会社
赤外線加熱装置
6か月前
特殊電極株式会社
インゴット予熱装置
6か月前
成都大学
合金粉末酸化防止熱処理装置
7か月前
大同特殊鋼株式会社
溶解炉
12か月前
三菱重工業株式会社
炉設備
8か月前
株式会社豊田中央研究所
加熱装置
2か月前
株式会社不二越
圧力制御システム
6か月前
大同特殊鋼株式会社
回転炉の異物検出装置
6か月前
ノリタケ株式会社
熱処理設備
2か月前
三建産業株式会社
非鉄金属溶解方法
5か月前
続きを見る
他の特許を見る