TOP
|
特許
|
意匠
|
商標
特許ウォッチ
Twitter
他の特許を見る
公開番号
2025160896
公報種別
公開特許公報(A)
公開日
2025-10-23
出願番号
2025062787
出願日
2025-04-04
発明の名称
保持磁石の直線的な相対運動を非接触で磁気的に捕らえるためのセンサ及び保持磁石の直線的な相対運動を非接触で磁気的に捕らえるための方法
出願人
ジック アーゲー
代理人
弁理士法人京都国際特許事務所
主分類
G01B
7/00 20060101AFI20251016BHJP(測定;試験)
要約
【課題】「把持機作動」と「把持機非作動」という把持機の2つの状態を確実に認識する方法を提供する。
【解決手段】少なくとも2つの同一のセンサ素子(4)が、保持磁石(2)の磁場の少なくとも2つの成分を捕らえ、センサ素子(4)が測定区間(3)に沿って一定の間隔(A)をあけて配置されており、センサ素子(4)が測定区間(3)よりも短く、センサ素子(4)がそれぞれ、保持磁石(2)の測定区間(3)に沿った各位置に対して一定の値範囲の1つの値をそれぞれ持つ単調な位置信号を生成し、位置信号の特性曲線がそれぞれ対称性を示しており、センサが制御及び評価ユニット(6)を備えており、該制御及び評価ユニット(6)が、センサ素子(4)の位置信号に基づいて、該センサ素子(4)により捕らえられる保持磁石(2)の第1の終端位置(7)と保持磁石(2)の第2の終端位置(7)とを評価するように構成されいる。
【選択図】図1
特許請求の範囲
【請求項1】
少なくとも2つの同一のセンサ素子(4)を用いて測定区間(3)に沿った保持磁石(2)の直線的な相対運動を非接触で磁気的に捕らえるためのセンサ(1)であって、各センサ素子が(4)前記保持磁石(2)の磁場(12)の少なくとも2つの成分を捕らえ、
前記センサ素子(4)が前記測定区間(3)に沿って一定の間隔(A)をあけて配置されており、
前記センサ素子(4)が前記測定区間(3)よりも短く、
前記センサ素子(4)がそれぞれ、前記保持磁石(2)の前記測定区間(3)に沿った各位置に対して一定の値範囲の1つの値をそれぞれ持つ単調な位置信号を生成し、
前記位置信号の特性曲線がそれぞれ対称性を示しており、
前記センサが制御及び評価ユニット(6)を備えている
センサ(1)において、
該制御及び評価ユニット(6)が、
前記センサ素子(4)の位置信号に基づいて、
該センサ素子(4)により捕らえられる前記保持磁石(2)の第1の終端位置(7)と前記保持磁石(2)の第2の終端位置(7)とを評価するように構成されており、
前記保持磁石(2)の第1の終端位置(7)と前記保持磁石(2)の第2の終端位置(8)が、前記位置信号が静的な状態にあることを通じて前記制御及び評価ユニット(6)により確定され、
また、前記第1の終端位置(7)と前記第2の終端位置(8)にそれぞれスイッチ点を割り当てるように構成されており、前記制御及び評価ユニット(6)が前記スイッチ点をスイッチ信号としてスイッチ出力(9)又はインターフェースに出力するように構成されている
ことを特徴とするセンサ(1)。
続きを表示(約 2,000 文字)
【請求項2】
前記制御及び評価ユニット(6)が、
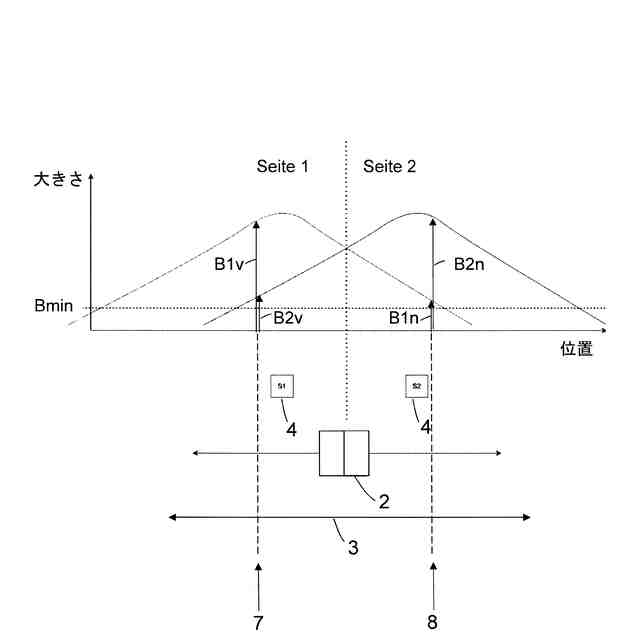
両方のセンサ素子(4)の磁場(12)がいずれも変化しておらず、前記磁場信号の大きさ(B1v、B2v)の少なくとも一方が所定の最小磁場強度(Bmin)を超えているときに、各センサ素子(4)の磁場信号の第1の大きさ(B1v、B2v)を記憶し、
両方のセンサ素子(4)の磁場信号が変化したときに前記保持磁石(2)の移動開始を認識し、
両方のセンサ素子(4)の磁場信号がいずれも変化していないときに前記保持磁石(2)の移動停止を認識し、
両方のセンサ素子(4)の磁場がいずれも変化しておらず、前記磁場信号の大きさ(B1v、B2v)の少なくとも一方が所定の最小磁場強度(Bmin)を超えているときに、各センサ素子(4)の磁場信号の第2の大きさ(B1n、B2n)を記憶し、
移動の前と後の各大きさの差が最小閾値を超えているときに前記第1の終端位置(7)及び前記第2の終端位置(8)にそれぞれ前記スイッチ点を割り当てる、
ように構成されている
ことを特徴とする請求項1に記載のセンサ(1)。
【請求項3】
前記制御及び評価ユニット(6)が前記保持磁石(2)の中間位置から出発して一方の側(Seite1、Seite2)を算定して評価するように構成されていることを特徴とする請求項1に記載のセンサ(1)。
【請求項4】
前記制御及び評価ユニット(6)が前記保持磁石(2)の移動方向を算定して評価するように構成されていることを特徴とする請求項1に記載のセンサ(1)。
【請求項5】
少なくとも2つの同一のセンサ素子(4)を有するセンサ(1)を用いて測定区間(3)に沿った保持磁石(2)の直線的な相対運動を非接触で磁気的に捕らえるための方法であって、各センサ素子(4)が前記保持磁石(2)の磁場(12)の少なくとも2つの成分を捕らえ、
前記センサ素子(4)が前記測定区間(3)に沿って一定の間隔(A)をあけて配置されており、
前記センサ素子(4)が前記測定区間(3)よりも短く、
前記センサ素子(4)がそれぞれ、前記保持磁石(2)の前記測定区間(3)に沿った各位置に対して一定の値範囲の1つの値をそれぞれ持つ単調な位置信号を生成し、
前記位置信号の特性曲線がそれぞれ対称性を示しており、
前記センサが制御及び評価ユニット(6)を備えている
方法において、
制御及び評価ユニット(6)を用いて、
前記センサ素子(4)の位置信号に基づいて、
該センサ素子(4)により捕らえられる前記保持磁石(2)の第1の終端位置(7)と前記保持磁石(2)の第2の終端位置(8)とが評価され、
前記保持磁石(2)の第1の終端位置(7)と前記保持磁石(2)の第2の終端位置(8)が、前記位置信号が静的な状態にあることを通じて前記制御及び評価ユニット(6)により確定され、
前記第1の終端位置(7)と前記第2の終端位置(8)にそれぞれスイッチ点が割り当てられ、前記制御及び評価ユニット(6)が前記スイッチ点をスイッチ信号としてスイッチ出力(9)又はインターフェースに出力するように構成されている
ことを特徴とする方法。
【請求項6】
前記制御及び評価ユニット(6)を用いて、
両方のセンサ素子(4)の磁場(12)がいずれも変化しておらず、前記磁場信号の大きさ(B1v、B2v)の少なくとも一方が所定の最小磁場強度(Bmin)を超えているときに、各センサ素子(4)の磁場信号の第1の大きさ(B1v、B2v)が記憶され、
両方のセンサ素子(4)の磁場信号が変化したときに前記保持磁石(2)の移動開始が認識され、
両方のセンサ素子(4)の磁場信号がいずれも変化していないときに前記保持磁石(2)の移動停止が認識され、
両方のセンサ素子(4)の磁場がいずれも変化しておらず、前記磁場信号の大きさ(B1v、B2v)の少なくとも一方が所定の最小磁場強度(Bmin)を超えているときに、各センサ素子(4)の磁場信号の第2の大きさ(B1n、B2n)が記憶され、
移動の前と後の各大きさの差が最小閾値を超えているときに前記第1の終端位置(7)及び前記第2の終端位置(8)にそれぞれ前記スイッチ点を割り当てる、
ことを特徴とする請求項5に記載の方法。
【請求項7】
前記制御及び評価ユニット(6)を用いて、前記保持磁石(2)の中間位置から出発して一方の側(第1の側、第2の側)が算定されて評価されることを特徴とする請求項5に記載の方法。
【請求項8】
前記制御及び評価ユニット(6)を用いて、前記保持磁石(2)の移動方向が算定されて評価されることを特徴とする請求項5に記載の方法。
発明の詳細な説明
【技術分野】
【0001】
本発明は請求項1のプレアンブルに記載の保持磁石の直線的な相対運動を非接触で磁気的に捕らえるためのセンサ及び請求項5のプレアンブルに記載の保持磁石の直線的な相対運動を非接触で磁気的に捕らえるための方法に関する。
続きを表示(約 2,800 文字)
【背景技術】
【0002】
前記センサの用途として空気式把持機、特に磁石式把持機がある。この磁石式把持機は該磁石式把持機の内部で移動する保持磁石を利用している。保持磁石が工作物を保持するための作用面の近くにあれば工作物を保持することができる。保持磁石を作用面から遠ざけると工作物が再び解放される。この把持機は数多くの様々な応用若しくは用途で用いられており、とりわけ溶接にも応用されている。「把持機作動」(保持磁石が作用面にある)及び「把持機非作動」(保持磁石が作用面にない)という2つの位置はいずれも保持磁石の磁場を解析する磁気センサで捕らえることができる。
【0003】
現在、少なくとも2通りの実装があるが、それらは上述の要求課題の一部の側面しか解決しない。
例えば第1の実装では溶接場に対して強い2つの個別センサが用いられる。この実装では前記2つのスイッチ点を検出するために2つのセンサを異なる位置に取り付けなければならない。
【0004】
前記個別センサの配置は把持機によって難しいこともあれば不可能なことまである。なぜなら、溝の中で利用できる場所がセンサ2個分には足りなかったり、磁場が非常に特徴的であるためそれらのセンサにより磁石位置の1つが検出できなかったりするからである。しかも取り付けや配線のコストが高い。両方の磁石位置を検出できるようにする上で全ての所与条件が好都合であったとしても、良好なスイッチング結果を得るにはセンサを注意深く配置しなければならない。それにはユーザ若しくは組立工に一定の経験があることが前提となる。
【0005】
公知の第2の実装では2つのスイッチ出力を持つ1つのセンサが用いられる。このようなセンサの例として例えばSICK社のセンサMZ2Qがある。このセンサでは、保持磁石を第1の位置に持って来てからそのときの磁場を「スイッチ点1」として学習させる。その後、保持磁石を第2の位置に持って来て同様に「スイッチ点2」を学習させる。こうして1つのセンサで両方の磁石位置を認識することができる。
【0006】
この第2の実装での第1の問題はスイッチ点を学習させなければならないことにある。このプロセスは大抵は直感的でなく、しかもセンサ側での改ざんの可能性をもたらし、それを容認できないユーザもいる。加えて、学習させたスイッチ点はほとんどの用途にとって大抵精密すぎるため、磁場環境が僅かに変化しただけでもスイッチ点を見失うおそれがある。
【発明の概要】
【発明が解決しようとする課題】
【0007】
本発明の課題は、「把持機作動」と「把持機非作動」という把持機の2つの状態が確実に認識されることにある。把持機の2つの状態はできるだけ単一のセンサ、例えば2つのスイッチ出力を備えるセンサで認識されるべきである。しかも該センサは教え込みプロセスなしで各スイッチ位置を認識できるべきであり、しかも様々な把持機の型でそうあるべきである。更に各スイッチ点は、例えば強磁性体の堆積物若しくは付属部品又は被把持物そのものにより把持機で生じるドリフト等の変化に対してできるだけ頑強であるべきである。最後に該センサは、例えば溶接プロセスにより生じ得る一時的で動的な外部磁場を除外できるべきである。
【課題を解決するための手段】
【0008】
この課題は請求項1に記載の、少なくとも2つの同一のセンサ素子を用いて測定区間に沿った保持磁石の直線的な相対運動を非接触で磁気的に捕らえるためのセンサを用いて解決される。ここで、各センサ素子は前記保持磁石の磁場の少なくとも2つの成分を捕らえ、前記センサ素子は前記測定区間に沿って一定の間隔をあけて配置されており、前記センサ素子は前記測定区間よりも短く、前記センサ素子はそれぞれ、前記保持磁石の前記測定区間に沿った各位置に対して一定の値範囲の1つの値をそれぞれ持つ単調な位置信号を生成し、前記位置信号の特性曲線がそれぞれ対称性を示しており、前記センサは制御及び評価ユニットを備えており、該制御及び評価ユニットは、前記センサ素子の位置信号に基づいて、該センサ素子により捕らえられる前記保持磁石の第1の終端位置と前記保持磁石の第2の終端位置とを評価するように構成されており、前記保持磁石の第1の終端位置と前記保持磁石の第2の終端位置は、前記位置信号が静的な状態にあることを通じて前記制御及び評価ユニットにより確定され、また、前記第1の終端位置と前記第2の終端位置にそれぞれスイッチ点を割り当てるように構成されており、該制御及び評価ユニットは前記スイッチ点をスイッチ信号として少なくとも1つのスイッチ出力又はインターフェースに出力するように構成されている。
【0009】
前記課題は更に請求項1に記載の、少なくとも2つの同一のセンサ素子を有するセンサを用いて測定区間に沿った保持磁石の直線的な相対運動を非接触で磁気的に捕らえるための方法により解決される。ここで、各センサ素子は前記保持磁石の磁場の少なくとも2つの成分を捕らえ、前記センサ素子は前記測定区間に沿って一定の間隔をあけて配置されており、前記センサ素子は前記測定区間よりも短く、前記センサ素子はそれぞれ、前記保持磁石の前記測定区間に沿った各位置に対して一定の値範囲の1つの値をそれぞれ持つ単調な位置信号を生成し、前記位置信号の特性曲線がそれぞれ対称性を示しており、前記センサは制御及び評価ユニットを備えており、制御及び評価ユニットを用いて、前記センサ素子の位置信号に基づいて、該センサ素子により捕らえられる前記保持磁石の第1の終端位置と前記保持磁石の第2の終端位置とが評価され、前記保持磁石の第1の終端位置と前記保持磁石の第2の終端位置は、前記位置信号が静的な状態にあることを通じて前記制御及び評価ユニットにより確定され、前記第1の終端位置と前記第2の終端位置にそれぞれスイッチ点が割り当てられ、前記制御及び評価ユニットが前記スイッチ点をスイッチ信号としてスイッチ出力又はインターフェースに出力するように構成されている。
【0010】
本発明は、絶対的な磁場若しくは磁場閾値を通じてではなく磁石が移動する際に磁場が変化すること若しくは静的な状態にあることを通じてスイッチ情報を生成するという考え方を基礎としている。そのために、少なくとも2つの磁場成分の測定を通じて磁場の大きさを算定することに適した2つのセンサ素子が用いられる。前記大きさの推移は、保持磁石までの距離が最小となる位置にある極大を中心として対称である。
(【0011】以降は省略されています)
この特許をJ-PlatPat(特許庁公式サイト)で参照する
関連特許
個人
採尿及び採便具
21日前
日本精機株式会社
検出装置
15日前
個人
計量機能付き容器
10日前
株式会社カクマル
境界杭
今日
甲神電機株式会社
電流検出装置
15日前
大成建設株式会社
風洞実験装置
10日前
日本信号株式会社
距離画像センサ
13日前
個人
非接触による電磁パルスの測定方法
13日前
個人
計量具及び計量機能付き容器
10日前
日本特殊陶業株式会社
ガスセンサ
8日前
双庸電子株式会社
誤配線検査装置
16日前
キーコム株式会社
画像作成システム
今日
日東精工株式会社
振動波形検査装置
16日前
個人
液位検視及び品質監視システム
8日前
株式会社不二越
X線測定装置
13日前
株式会社電巧社
試験装置及び試験方法
16日前
株式会社エルメックス
希釈液収容容器
10日前
株式会社マグネア
磁界検出素子
13日前
理研計器株式会社
ガス検知装置
今日
合同会社画像技術研究所
カラーチャート
6日前
株式会社川島製作所
海苔の異物検査装置
6日前
日本特殊陶業株式会社
化学センサ
15日前
住友化学株式会社
電気化学センサ
21日前
株式会社アイシン
回転角検出装置
今日
IMV株式会社
振動試験システム
13日前
三菱電機株式会社
検査治具および検査装置
13日前
株式会社イシダ
計量装置
今日
シチズンファインデバイス株式会社
外形検査装置
9日前
個人
試料霧化導入装置
14日前
キヤノン株式会社
測距装置
15日前
レーザーテック株式会社
光学装置及び計測方法
今日
株式会社鷺宮製作所
材料試験装置
14日前
三菱電機株式会社
移動体監視装置
13日前
浜松ホトニクス株式会社
分光装置
13日前
株式会社トーキン
電流センサ装置
21日前
株式会社アイシン
静電容量センサシステム
14日前
続きを見る
他の特許を見る