TOP
|
特許
|
意匠
|
商標
特許ウォッチ
Twitter
他の特許を見る
10個以上の画像は省略されています。
公開番号
2025159514
公報種別
公開特許公報(A)
公開日
2025-10-21
出願番号
2024062137
出願日
2024-04-08
発明の名称
バッテリマネジメントシステム
出願人
株式会社デンソー
代理人
弁理士法人サトー
主分類
H04L
7/02 20060101AFI20251014BHJP(電気通信技術)
要約
【課題】複数のデバイスにおける電池の測定タイミングの同期を極力正確に実行できるようにしたバッテリマネジメントシステムを提供する。
【解決手段】デバイス10…1Nは、周波数を制御可能な第2クロックを生成する発振器29を備え、時刻情報生成部30が発振器29により生成された第2クロックから第2時刻情報を生成する。デバイス10…1Nは第2時刻情報から電池の計測タイミングを生成する。デバイス10…1Nは、コントローラ52から同期コマンドを受信すると、受信した第1時刻情報と前記2時刻情報とを比較し、当該比較した差分から時刻差を無くすように発振器29の周波数を制御する。デバイス10…1Nは、発振器29の第2クロックの周波数をコントローラ52の第1クロックの周波数に近づけるように制御する。
【選択図】図1
特許請求の範囲
【請求項1】
コントローラと前記コントローラからコマンドを受信して電池を監視する複数のデバイスとを備えたバッテリマネジメントシステムであって、
前記コントローラ及び前記複数のデバイスは、リング接続、デイジーチェーン接続、スター接続の何れかの接続形態により接続された状態で非同期通信を行い、
前記コントローラは、
高精度発振器の第1クロックにより動作すると共に、前記第1クロックから各デバイスが参照する基準となる第1時刻情報を生成し、前記第1時刻情報を含むデータを他のコマンドと兼用可能な同期コマンドとして前記デバイスに送信し、
前記デバイスは、
周波数を制御可能な第2クロックを生成する発振器を備え、前記発振器により生成された前記第2クロックから第2時刻情報を生成し、前記第2時刻情報から前記電池の計測タイミングを生成し、
前記コントローラから前記同期コマンドを受信すると、受信した前記第1時刻情報と前記第2時刻情報とを比較し、当該比較した差分から時刻差が一定の値となるように前記発振器の周波数を制御するバッテリマネジメントシステム。
続きを表示(約 1,400 文字)
【請求項2】
それぞれの前記デバイス間の通信線が、パルストランス、キャパシタ、リレーなどの絶縁部によりDC的に絶縁されている請求項1記載のバッテリマネジメントシステム。
【請求項3】
前記コントローラから、前記接続形態によりパルス信号を後段の前記デバイスへ順次送信して前記同期コマンドを送信する場合、
前記デバイスは、
当該デバイスの内部の遅延を最小化するため受信した前記同期コマンドを次の前記デバイスへ通過させるパススルー機能を備え、前記パススルー機能を有効化してから前記コントローラから前記同期コマンドを受信して実行する請求項1記載のバッテリマネジメントシステム。
【請求項4】
前記パススルー機能が有効化されている場合、
前記コントローラは、出力するパルス信号を、全ての前記デバイスに届くように所定幅よりも長いパルス信号とする請求項3記載のバッテリマネジメントシステム。
【請求項5】
前記コントローラは誤り検出符号を前記同期コマンドに付して送信すると、前記デバイスが誤り検出するように構成され、
各デバイスは、前記コントローラから受け付けたコマンドに誤りが検出され、一定の所定期間中に前記同期コマンドを実行完了できなかった場合には、タイムアウト処理を実行する請求項1記載のバッテリマネジメントシステム。
【請求項6】
システム本体は、起動時又はインピーダンスの測定前や、前回の前記同期コマンドの送信時から一定時間以上の間隔が空いた場合に、各デバイスの前記第2クロックの周波数を特定の範囲内に収まるようにキャリブレーションを実施するように構成されており、
前記コントローラは、前記第1クロックを予め定められた期間又は予め定められたパルス数分送信するか、又は前記第1クロックに基づく前記第1時刻情報のデータを送信し、
前記デバイスは、受信した前記第1クロック又は前記第1時刻情報のデータに基づいて周波数差を検出し前記第2クロックの周波数を強制的に調整する請求項1記載のバッテリマネジメントシステム。
【請求項7】
各デバイスは、通信のパススルー設定を受信してから一定期間、前記同期コマンドを受信しない場合、又は、前記同期コマンドを実行完了できない場合にタイムアウト処理を実施し、想定した前記同期コマンドの受信間隔を記憶し、前記受信間隔があるしきい値を超えて外れた場合に前記第2クロックの周波数を狙い値に戻すようにした請求項1記載のバッテリマネジメントシステム。
【請求項8】
各デバイスは、通信パススルー又は通常の通信状態において、各デバイスを通過する遅延時間を事前に計測しておき、その遅延時間を時刻情報の調整時に加味する請求項1記載のバッテリマネジメントシステム。
【請求項9】
前記デバイスは、前記同期コマンドの受信間隔と前記第1時刻情報と前記第2時刻情報との間の時刻差分に応じて、前記第2時刻情報の変化量を変更する請求項1記載のバッテリマネジメントシステム。
【請求項10】
前記コントローラは、各デバイスに記憶される前記同期コマンドの更新間隔又は前記第2時刻情報の変化量を調整するための情報を前記同期コマンドに含めて前記デバイスに送信する請求項1記載のバッテリマネジメントシステム。
(【請求項11】以降は省略されています)
発明の詳細な説明
【技術分野】
【0001】
本発明は、バッテリマネジメントシステムに関する。
続きを表示(約 2,700 文字)
【背景技術】
【0002】
近年、バッテリマネジメントシステム(BMS)では、電池状態のモニタや異常検出をするため、電池の電圧や充放電電流だけではなく、インピーダンスを測定することが求められている。特に、数~数kHzのインピーダンスを測定し、電池の温度特性を精度良く得るため、電池電圧と電池に流れる電流を数十ミリ秒~数分程度の期間、同時に測定しつづけることがある。
【0003】
他方、ネットワークの技術分野では、高精度なクロックにより動作するマスタ(本願のコントローラ相当)がその自身の時刻情報をスレーブ(本願のデバイス相当)に配信し、スレーブがその差分を直接又は発振器の周波数により間接的に補正することで時刻同期を行うという技術が古くから提案されている。ただし、これらの技術は送受信の遅延を補正するため定期的に時刻情報を送信可能であったり、又は、事前に精度よく同期している状態が持続していることを前提にしている技術である。本願が提唱するバッテリマネジメントシステムでは、事前に精度よく同期できず時刻情報が不連続に補正されるという問題もあり、採用困難な技術となっている。
【0004】
バッテリマネジメントシステムの技術分野では、特許文献1に例示されているように、通信ICのクロックを直接受信することで監視ICのクロックを補正することが提案されている。しかし、精度よく同期させるには長い期間クロックを送り続ける必要があり、電池電圧の測定動作を阻害してしまう。また、周波数補正はできるものの電池のインピーダンス値を正確に測定できるようなタイミングの高精度な同期はできない。
【先行技術文献】
【特許文献】
【0005】
特開2023-062989号公報
【発明の概要】
【発明が解決しようとする課題】
【0006】
本開示の目的は、複数のデバイスにおける電池の測定タイミングの同期を極力正確に実行できるようにしたバッテリマネジメントシステムを提供することにある。
【課題を解決するための手段】
【0007】
請求項1記載の発明は、コントローラと前記コントローラからコマンドを受信して電池を監視する複数のデバイスとを備えたバッテリマネジメントシステムを対象としている。コントローラ及び複数のデバイスは、リング接続、デイジーチェーン接続、スター接続の何れかの接続形態により接続された状態で非同期通信を行う。コントローラは、高精度発振器の第1クロックにより動作すると共に、第1クロックから各デバイスが参照する基準となる第1時刻情報を生成し、第1時刻情報を含むデータを他のコマンドと兼用可能な同期コマンドとしてデバイスに送信する。
【0008】
デバイスは、周波数を制御可能な第2クロックを生成する発振器を備え、発振器により生成された第2クロックから第2時刻情報を生成し、第2時刻情報から電池の計測タイミングを生成する。デバイスは、コントローラから同期コマンドを受信すると、受信した第1時刻情報と第2時刻情報とを比較し、当該比較した差分から時刻差が一定の値となるように発振器の周波数を制御する。この結果、複数のデバイスにおける電池の測定タイミングの同期を極力正確に実行できる。
【図面の簡単な説明】
【0009】
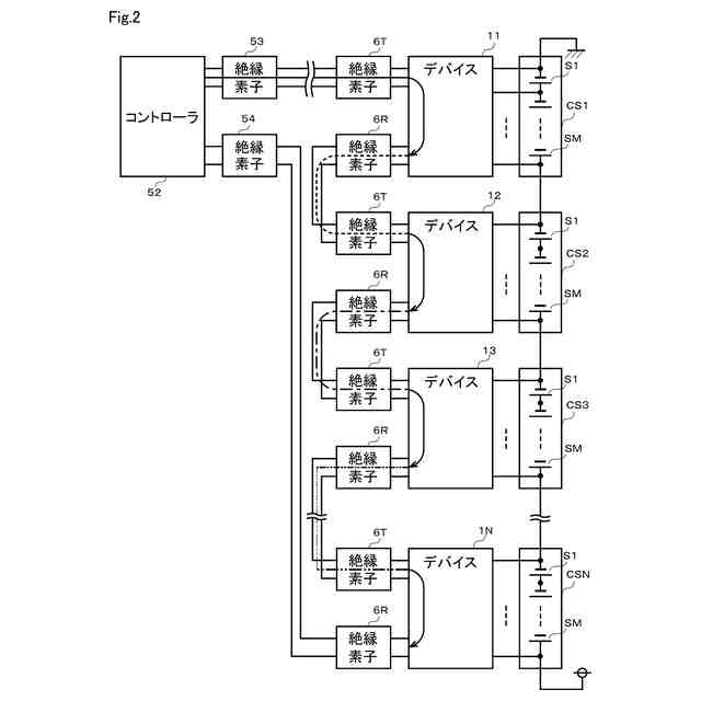
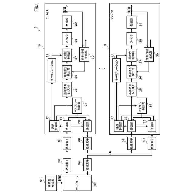
一実施形態におけるバッテリマネジメントシステムのブロック構成図
同期コマンドの伝送態様の説明図
バッテリマネジメントシステムの電気的構成図
励起電流と測定電圧の位相誤差の関係性を示す説明図
同期コマンドの内容説明図
同期コマンドの受信タイミングの説明図
システムの動作の流れを概略的に説明するフローチャート
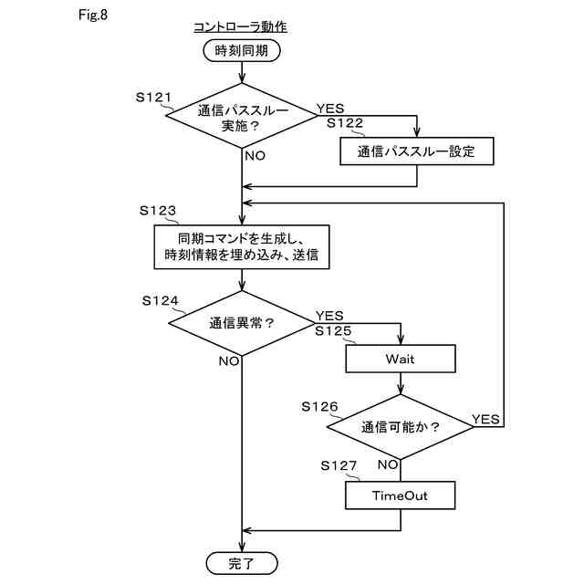
コントローラ側の時刻同期の処理内容を概略的に説明するフローチャート
デバイス側の時刻同期の処理内容を概略的に説明するフローチャートその1
真の時刻差と検出可能な時刻差の説明図
コントローラ側の第1クロック及び第1時刻情報並びにデバイス側の第2クロック及び第2時刻情報の時間的変化を表すタイムチャート
各デバイスの測定タイミングの変化を模式的に示す説明図
通信パススルー機能の処理動作を概略的に説明するフローチャート
通信パススルー機能に係るハードウェア構成を概略的に示す回路図
各デバイスのコマンドの伝播遅延時間の説明図
パルス信号の伝播遅延の影響の説明図その1
パルス信号の伝播遅延の影響の説明図その2
パルス信号を予め所定幅より長くしたときの動作説明図
伝播遅延の合計遅延時間の説明図その1
伝播遅延の合計遅延時間の説明図その2
デバイス側の時刻同期の処理内容を概略的に説明するフローチャートその2
デバイス側の時刻差分と第2クロックの周波数の変化を模式的に説明するタイムチャート
フィードバック制御期間の間にフリーラン期間を設けた場合の時刻差分と第2クロックの周波数の変化を模式的に説明するタイムチャート
フィードバック制御期間の間にフリーラン期間を設けた場合の時刻差分と第2クロックの周波数の変化を模式的に説明するタイムチャート
タイムアウト処理の動作内容を概略的に説明するタイムチャート
キャリブレーション処理の動作内容を概略的に説明するタイムチャート
キャリブレーション処理について周波数の調整用の電気的構成を示す図
【発明を実施するための形態】
【0010】
以下、バッテリマネジメントシステムについての一実施形態について図面を参照しながら説明する。
図1及び図2に示すように、バッテリマネジメントシステム1は、コントローラ52と、N+1個(但しNは1以上の整数)のデバイス10…1Nと、を備える。各段のデバイス11…1Nは、図2及び図3に示すように、各段の組電池CS1…CSNの電池S1…SMの状態を監視する。電池S1…SMは例えば二次電池を示す。本実施形態では、各段のデバイス11…1Nが監視対象とする組電池CS1…CSNの中には、それぞれ電池S1…SMが組み込まれている。各組電池CS1…CSNの中に組み込まれた電池S1…SMの数は所定の個数であるが、各段の電池S1…SMの個数は互いに同一でも異なっていても良い。
(【0011】以降は省略されています)
この特許をJ-PlatPat(特許庁公式サイト)で参照する
関連特許
株式会社デンソーウェーブ
筐体
16日前
株式会社デンソー
回転機
16日前
株式会社デンソー
検出装置
15日前
株式会社デンソー
電子装置
23日前
株式会社デンソー
反力装置
23日前
株式会社デンソー
電子装置
5日前
株式会社デンソートリム
鞍乗り車両
3日前
株式会社デンソーテン
インバータ
23日前
株式会社デンソー
レーダ装置
22日前
株式会社デンソー
電流センサ
16日前
株式会社デンソー
半導体装置
11日前
株式会社デンソー
熱交換装置
9日前
株式会社デンソー
半導体装置
4日前
株式会社デンソー
センサ装置
2日前
株式会社デンソー
ヒータ装置
3日前
株式会社デンソー
センサ装置
2日前
株式会社デンソー
車載システム
23日前
株式会社デンソー
画像処理装置
16日前
株式会社デンソー
電圧検出回路
9日前
株式会社デンソー
車両制御装置
23日前
株式会社デンソー
電力変換装置
9日前
株式会社デンソー
車載システム
23日前
株式会社デンソー
圧電デバイス
2日前
株式会社デンソー
運航管理装置
22日前
株式会社デンソー
電力変換装置
17日前
株式会社デンソー
部品の当接構造
10日前
株式会社デンソー
巻線界磁ロータ
17日前
株式会社デンソー
非接触受電装置
11日前
株式会社デンソー
スパークプラグ
11日前
株式会社デンソー
巻線界磁ロータ
2日前
株式会社デンソー
巻線界磁ロータ
8日前
株式会社デンソー
巻線界磁ロータ
8日前
株式会社デンソー
はんだ付け装置
17日前
株式会社デンソー
ガスセンサ装置
3日前
株式会社デンソー
ブラシレスモータ
15日前
株式会社デンソーウェーブ
レーザレーダ装置
15日前
続きを見る
他の特許を見る