TOP
|
特許
|
意匠
|
商標
特許ウォッチ
Twitter
他の特許を見る
10個以上の画像は省略されています。
公開番号
2025163843
公報種別
公開特許公報(A)
公開日
2025-10-30
出願番号
2024067411
出願日
2024-04-18
発明の名称
巻線界磁ロータ
出願人
株式会社デンソー
代理人
個人
,
個人
,
個人
,
個人
,
個人
主分類
H02K
3/52 20060101AFI20251023BHJP(電力の発電,変換,配電)
要約
【課題】円環部材の組み付けにより界磁巻線を適正に保持し、且つ回転電機の性能を確保することができる巻線界磁ロータを提供する。
【解決手段】ロータは、周方向に並ぶ複数の主極部を有するロータコアと、各主極部に周回させた状態で設けられている界磁巻線と、各主極部と界磁巻線とを径方向外側から包囲するように設けられた金属製の円環部材とを備える。ロータの円環部材は、円環部材の引張強度をTs[MPa]、磁化力が5000A/mのときの磁束密度をB50[T]とした場合に、
B50<0.9において、Ts≧920*B50^2-2520*B50+2000
の関係を満足し、
B50≧0.9において、Ts≧230*B50^2-680*B50+900
の関係を満足する。
【選択図】 図12
特許請求の範囲
【請求項1】
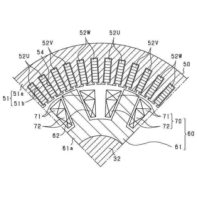
周方向に並ぶ磁極ごとに設けられた複数の主極部(62)を有するロータコア(61)と、
前記各主極部に周回させた状態で設けられている界磁巻線(70)と、
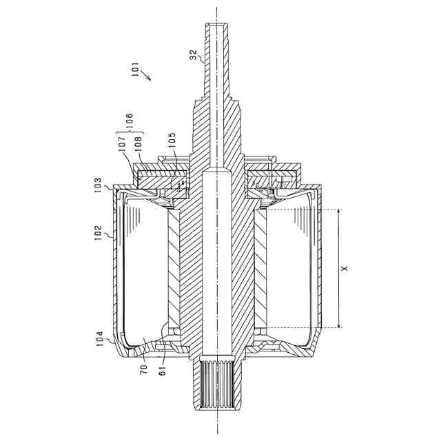
前記各主極部と前記界磁巻線とを径方向外側から包囲するように設けられた金属製の円環部材(102)と、
を備える巻線界磁ロータ(60)であって、
前記円環部材の引張強度をTs[MPa]、磁化力が5000A/mのときの磁束密度をB50[T]とした場合に、
B50<0.9において、Ts≧920*B50^2-2520*B50+2000
の関係を満足し、
B50≧0.9において、Ts≧230*B50^2-680*B50+900
の関係を満足する、巻線界磁ロータ。
続きを表示(約 500 文字)
【請求項2】
周方向に並ぶ磁極ごとに設けられた複数の主極部(62)を有するロータコア(61)と、
前記各主極部に周回させた状態で設けられている界磁巻線(70)と、
前記各主極部と前記界磁巻線とを径方向外側から包囲するように設けられた金属製の円環部材(102)と、
を備える巻線界磁ロータ(60)であって、
前記円環部材の引張強度をTs[MPa]、磁化力が5000A/mのときの磁束密度をB50[T]とした場合に、
B50<0.75において、Ts≧-1540*B50+2000
の関係を満足し、
B50≧0.75において、Ts≧150*B50^2-500*B50+1140
の関係を満足する、巻線界磁ロータ。
【請求項3】
前記ロータコアにおいて、前記各主極部は、ロータ軸心から放射状に延び、且つ径方向外側の端部には周方向に突出する突出部分を具備しておらず、
前記円環部材は、前記主極部とは別部材であり、且つ当該主極部の径方向外側の外周面に当接する状態で設けられている、請求項1又は2に記載の巻線界磁ロータ。
発明の詳細な説明
【技術分野】
【0001】
この明細書における開示は、巻線界磁ロータに関する。
続きを表示(約 2,000 文字)
【背景技術】
【0002】
巻線界磁型回転電機は、ステータ巻線を有するステータと、界磁巻線を有するロータとを有する。ロータは、複数の主極部(磁気突極部)を有するロータコアを備え、主極部に巻回された状態で界磁巻線が設けられている。また、特許文献1には、ロータにおいて、ロータコア及び界磁巻線の外周側に金属製の線材を螺旋状に巻き付けてなる円環部材が設けられたロータ構造が開示されている。このロータ構造によれば、ロータの回転時に界磁巻線に遠心力が作用しても、界磁巻線に対して巻き付けられた線材により界磁巻線の位置ずれ等が抑制されるようになっている。
【先行技術文献】
【特許文献】
【0003】
特開2013-9553号公報
【発明の概要】
【発明が解決しようとする課題】
【0004】
ところで、ロータコア及び界磁巻線の外周側に組み付けられる円環部材は、如何なる材質のものを用いるかによって引張強度や磁束密度が相違する。例えば、円環部材の引張強度が低い場合、ロータにおける界磁巻線の保持強度を確保するには、円環部材を厚めにする必要があり、その分、ロータとステータとの間のギャップ(径方向の隙間寸法)が大きくなる。そのため、所望のモータ性能を確保するには、磁束密度の高い材料を選択する必要がある。また、界磁巻線の保持強度が足りているのに円環部材を余剰に厚くすると、モータ性能が無用に低下することが考えられる。この点、円環部材の組み付けにより界磁巻線を適正に保持し、且つ回転電機の性能を確保するには、円環部材において引張強度と磁束密度とが適正に規定されることが望ましい。
【0005】
本開示は、上記事情に鑑みてなされたものであり、円環部材の組み付けにより界磁巻線を適正に保持し、且つ回転電機の性能を確保することができる巻線界磁ロータを提供することを目的とする。
【課題を解決するための手段】
【0006】
本開示の巻線界磁ロータは、
周方向に並ぶ磁極ごとに設けられた複数の主極部を有するロータコアと、
前記各主極部に周回させた状態で設けられている界磁巻線と、
前記各主極部と前記界磁巻線とを径方向外側から包囲するように設けられた金属製の円環部材と、を備える。
【0007】
そして、ロータの円環部材が、円環部材の引張強度をTs[MPa]、磁化力が5000A/mのときの磁束密度をB50[T]とした場合に、
B50<0.9において、Ts≧920*B50^2-2520*B50+2000
の関係を満足し、
B50≧0.9において、Ts≧230*B50^2-680*B50+900
の関係を満足するものとしている。なお、「B50^2」は、磁束密度B50の二乗を意味している。
【0008】
巻線界磁ロータでは、回転時に界磁巻線に遠心力がかかるため、界磁巻線を包囲する円環部材は、遠心力に耐えうる強度を有する必要がある。一方、回転電機の性能の観点からすると、ロータとステータとの間のギャップにおける磁束密度を高めることが望ましく、円環部材を磁性材料により構成することが望ましい。この点を鑑み、界磁巻線の強度要求と回転電機の性能要求とを満たすべく、円環部材の引張強度をTsと磁束密度B50とが上記関係を満足するものとした。
【0009】
この関係は、例えば図12の関係を規定したものである。すなわち、磁束密度B50が比較的小さい材料を用いる場合には、円環部材の厚み寸法の制約が大きくなるが、円環部材の厚み寸法が小さくても十分な強度を実現できるように、引張強度Tsの大きい材料を用いることを具体的に規定したものである。一方、磁束密度B50が比較的大きい材料を用いる場合には、円環部材の厚み寸法を大きくすることが許容されるため、引張強度Tsの小さい材料を使用可能であることを具体的に規定したものである。これにより、円環部材において強度に関する要求と磁束密度に関する要求とを共に満たすことが可能となる。その結果、円環部材の組み付けにより界磁巻線を適正に保持し、且つ回転電機の性能を確保することができる。
【0010】
又は、ロータの円環部材が、円環部材の引張強度をTs[MPa]、磁化力が5000A/mのときの磁束密度をB50[T]とした場合に、
B50<0.75において、Ts≧-1540*B50+2000
の関係を満足し、
B50≧0.75において、Ts≧150*B50^2-500*B50+1140
の関係を満足するものとしている。
(【0011】以降は省略されています)
この特許をJ-PlatPat(特許庁公式サイト)で参照する
関連特許
個人
電気を重力で発電装置
1か月前
個人
高圧電気機器の開閉器
18日前
キヤノン電子株式会社
モータ
1か月前
キヤノン電子株式会社
モータ
1か月前
株式会社アイドゥス企画
減反モータ
18日前
トヨタ自動車株式会社
モータ
1か月前
株式会社デンソー
端子台
11日前
株式会社デンソー
回転電機
2日前
株式会社ダイヘン
送配電装置
2日前
富士電機株式会社
電力変換装置
2日前
ローム株式会社
半導体集積回路
9日前
本田技研工業株式会社
回転電機
4日前
株式会社不二越
空冷式油圧装置
2日前
富士電機株式会社
電力変換装置
2日前
矢崎総業株式会社
電源回路
17日前
株式会社日立製作所
回転電機
9日前
矢崎総業株式会社
給電装置
10日前
株式会社TMEIC
制御装置
10日前
ローム株式会社
モータドライバ回路
25日前
個人
非対称鏡像力を有する4層PWB電荷搬送体
25日前
日産自動車株式会社
ロータシャフト
25日前
日産自動車株式会社
ロータシャフト
25日前
株式会社イノコンバンク
無線給電システム
2日前
トヨタ自動車株式会社
ステータの製造装置
1か月前
大和ハウス工業株式会社
敷設用機器
10日前
株式会社TMEIC
電力変換装置
10日前
株式会社土井製作所
ケーブル保護管路
9日前
サンデン株式会社
モータ
3日前
サンデン株式会社
モータ
3日前
株式会社マキタ
電動作業機
1か月前
株式会社アイシン
電力変換装置
1か月前
トヨタ自動車株式会社
可変界磁ロータ
1か月前
個人
電線盗難防止方法及び電線盗難防止装置
1か月前
京商株式会社
模型用非接触電力供給システム
18日前
矢崎総業株式会社
電気接続箱
4日前
ルネサスエレクトロニクス株式会社
半導体装置
1か月前
続きを見る
他の特許を見る