TOP
|
特許
|
意匠
|
商標
特許ウォッチ
Twitter
他の特許を見る
公開番号
2025159426
公報種別
公開特許公報(A)
公開日
2025-10-21
出願番号
2024061957
出願日
2024-04-08
発明の名称
エンジン
出願人
カワサキモータース株式会社
代理人
個人
,
個人
,
個人
,
個人
,
個人
主分類
F02B
63/06 20060101AFI20251014BHJP(燃焼機関;熱ガスまたは燃焼生成物を利用する機関設備)
要約
【課題】コンパクト化を実現することができるエンジンを提供する。
【解決手段】本開示のエンジンEは、クランクシャフト2を回転支持するクランクケース4と、クランクケース4内の被供給部位に循環液OLを循環圧送するための循環ポンプ30と、クランクシャフト2の回転力により駆動されて、循環ポンプ30で圧送される循環液OLを調整して流体駆動アクチュエータ42を制御する調整装置40とを備えている。調整装置40は、クランクケース4における直交方向PDを向く接続面44に接続されている。
【選択図】図2
特許請求の範囲
【請求項1】
クランクシャフトを回転支持するクランクケースと、
前記クランクケース内の被供給部位に循環液を循環圧送するための循環ポンプと、
前記クランクシャフトの回転力により駆動されて、前記循環ポンプで圧送される循環液の圧力を調整して作動液を生成し、前記作動液によって流体駆動アクチュエータを制御する調整装置とを備えたエンジンであって、
前記調整装置は、前記クランクケースのうちで、前記クランクシャフトの軸心方向とピストンの往復方向との両方に直交する直交方向一方側の壁面に形成された接続面に接続されているエンジン。
続きを表示(約 1,200 文字)
【請求項2】
請求項1に記載のエンジンにおいて、前記クランクケースに、前記循環液が前記クランクシャフトの軸心方向に流れる軸方向通路が形成され、
前記調整装置は、前記壁面に形成される開口を介して前記軸方向通路から循環液が供給されているエンジン。
【請求項3】
請求項1または2記載のエンジンにおいて、前記直交方向を向く壁面のうち、メインギャラリが形成される側の壁面に前記接続面が形成されているエンジン。
【請求項4】
請求項1または2に記載のエンジンにおいて、さらに、前記クランクシャフトの回転動力を出力する出力軸を備え、
前記調整装置は、前記出力軸に形成されて前記作動液を導く通路に圧送し、前記クランクケースのうちで、前記出力軸寄りに取り付けられているエンジン。
【請求項5】
請求項4に記載のエンジンにおいて、前記出力軸は、その軸方向一端部が前記クランクケース内に位置し、
前記出力軸の軸方向一端部に、前記出力軸内に前記作動液を導入する開口が形成され、
前記調整装置は、前記出力軸の軸方向一端部寄りに配置されているエンジン。
【請求項6】
請求項1または2に記載のエンジンにおいて、前記クランクケースに、燃焼室を開閉するバルブに向けて前記クランクシャフトの動力を前記往復方向に伝達する往復方向伝達部材が収納される伝達部材収納空間が形成され、
前記調整装置は、前記伝達部材収容空間から離間した位置に配置されているエンジン。
【請求項7】
請求項1または2に記載のエンジンにおいて、さらに、前記クランクシャフトの回転動力を出力する出力軸と、
前記出力軸から回転動力を前記調整装置に伝達する動力伝達部材と、を備え、
前記調整装置は、前記クランクケースにおける前記出力軸寄りに配置されているエンジン。
【請求項8】
請求項1または2に記載のエンジンにおいて、さらに、前記クランクシャフトの回転を減速する減速機構を備え、
前記調整装置は、前記出力軸の回転力が直接または間接的に伝達されて駆動されるエンジン。
【請求項9】
請求項1または2に記載のエンジンにおいて、前記クランクシャフトの回転が、無端帯状の動力伝達部材を介して前記調整装置に伝達されているエンジン。
【請求項10】
請求項1または2に記載のエンジンにおいて、前記クランクシャフトの回転が、動力伝達部材を介して前記調整装置に伝達され、
前記クランクケースの少なくとも一部を覆うカバー部材を備え、
前記動力伝達部材を支持する軸体の両端が、前記カバー部材および前記クランクケースでそれぞれ支持されているエンジン。
(【請求項11】以降は省略されています)
発明の詳細な説明
【技術分野】
【0001】
本開示は、流体駆動アクチュエータを制御する調整装置を備えたエンジンに関するものである。
続きを表示(約 1,700 文字)
【背景技術】
【0002】
特許文献1には、航空機のプロペラ回転のための駆動源として搭載されるエンジンが開示されている。このエンジンを含む駆動装置には、プロペラのピッチ角を変化させるための調整装置として流量制御弁が設けられている。
【先行技術文献】
【特許文献】
【0003】
特開平03-204395号公報
【発明の概要】
【発明が解決しようとする課題】
【0004】
エンジンと出力軸を含む駆動装置として、収容スペースの制約などから、小型化が求められる。上述した調整装置は、カバーに接続されることで、カバーが大型化してしまい、駆動装置全体として大型化してしまう。
【0005】
本出願の開示は、コンパクト化を実現することができるエンジンを提供する。
【課題を解決するための手段】
【0006】
本開示のエンジンは、クランクシャフトを回転支持するクランクケースと、前記クランクケース内の被供給部位に循環液を循環圧送するための循環ポンプと、前記クランクシャフトの回転力により駆動されて、前記循環ポンプで圧送される循環液を調整して作動液を生成し、前記作動液によって流体圧力駆動アクチュエータを制御する調整装置とを備えている。前記調整装置は、前記クランクケースのうちで、クランクシャフトの軸心方向とピストンの往復方向との両方に直交する直交方向を向く壁面に形成された接続面に接続されている。
【発明の効果】
【0007】
本開示のエンジンによれば、クランクケースの接続面に調整装置が接続される。接続面は、クランクシャフトの軸心方向とピストンの往復方向との両方に直交することで、エンジンと出力軸とを含む駆動装置として大型化することが防がれ、コンパクト化を実現することができる。
【図面の簡単な説明】
【0008】
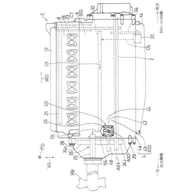
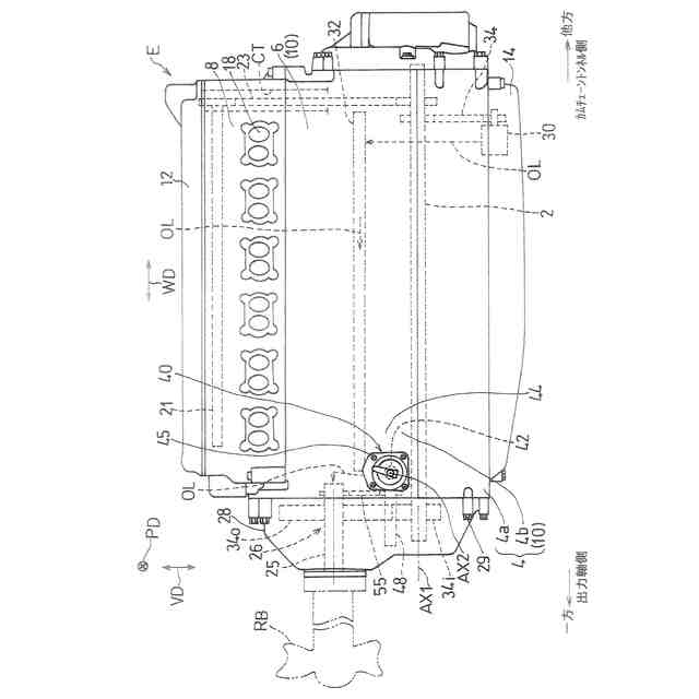
本開示の第1実施形態に係るエンジンを示す側面図である。
同エンジンを示す正面図である。
同エンジンを図1とは反対側から見た側面図である。
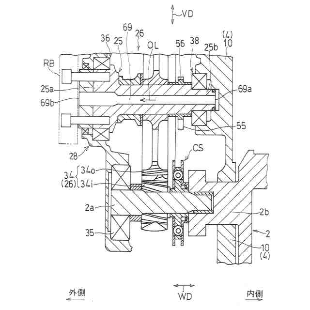
同エンジンのクランクシャフトと出力軸の連結構造を示す縦断面図である。
同エンジンのガバナの動力伝達経路を示す水平断面図である。
同ガバナのオイルの出入通路を示す縦断面図である。
【発明を実施するための形態】
【0009】
以下、本開示の好ましい実施形態について図1~6を参照しながら説明する。本実施形態のエンジンEは、レシプロエンジンである。例えば、本実施形態のエンジンは、例えば、胴体の先端にプロペラが配置される飛行機に用いられる。この場合、胴体内にエンジンEが収容されて、エンジン動力がプロペラに伝達される。エンジンEの用途は、これに限定されず、例えば、翼にプロペラが配置される飛行機や、プロペラを備える船舶の駆動源としても適用可能である。本実施形態では、プロペラは、ピッチを可変とする可変ピッチ機構を備える。可変ピッチ機構は、導かれる作動液の圧力、言い換えると流体エネルギーによってプロペラピッチを可変とする流体駆動アクチュエータとなる。
【0010】
以下の説明において、「幅方向WD」とは、エンジンEのクランクシャフト2の延びる方向、すなわち、クランクシャフト2の軸心AX1方向をいう。幅方向WDにおいて、幅方向中心に向かう方向を「幅方向内方」といい、幅方向中心から離れる方向を「幅方向外方」という。「往復方向VD」とは、エンジンEのピストンの往復動方向をいう。「幅方向WD」と「往復方向VD」の両方に直交する方向を「直交方向PD」という。本実施形態では、飛行機に搭載された状態で、飛行機の胴体が延びる長尺方向に沿って幅方向WDが配置される。飛行機の長尺方向が水平に向く飛行状態においては、往復方向VDが鉛直方向、すなわち上下方向を向いた状態で、エンジンEが搭載されている。
(【0011】以降は省略されています)
この特許をJ-PlatPat(特許庁公式サイト)で参照する
関連特許
個人
擬似オイル発電装置
11日前
ダイハツ工業株式会社
発電装置
6日前
スズキ株式会社
車両の制御装置
1か月前
株式会社クボタ
作業車
1か月前
株式会社クボタ
作業車両
1か月前
トヨタ自動車株式会社
車両制御装置
1か月前
トヨタ自動車株式会社
制御装置
5日前
トヨタ自動車株式会社
エンジン制御装置
27日前
Astemo株式会社
内燃機関の制御装置
5日前
川崎重工業株式会社
ガスタービンエンジン
28日前
トヨタ自動車株式会社
フレックス燃料車両
18日前
トヨタ自動車株式会社
内燃機関の制御装置
18日前
トヨタ自動車株式会社
内燃機関の制御装置
5日前
富士電機株式会社
駆動回路
26日前
三菱重工業株式会社
燃焼筒の取付方法
1か月前
トヨタ自動車株式会社
水素エンジンの制御装置
26日前
スズキ株式会社
多気筒エンジンの制御装置
20日前
三菱重工業株式会社
動力装置
1か月前
三菱重工業株式会社
ガスタービン起動方法
28日前
株式会社豊田自動織機
内燃機関
5日前
株式会社デンソー
部品の当接構造
1か月前
株式会社豊田自動織機
車両制御装置
1か月前
トヨタ自動車株式会社
車両駆動装置
13日前
株式会社豊田自動織機
ターボチャージャ
13日前
株式会社豊田自動織機
ターボチャージャ
26日前
スズキ株式会社
内燃機関の吸気装置
5日前
カワサキモータース株式会社
エンジン
1か月前
カワサキモータース株式会社
エンジン
1か月前
トヨタ自動車株式会社
内燃機関の制御装置
1か月前
トヨタ自動車株式会社
車両制御装置
1か月前
スズキ株式会社
エンジンの排気浄化装置
13日前
株式会社SUBARU
車両用高圧燃料配管構造
5日前
トヨタ自動車株式会社
内燃機関の制御装置
26日前
愛三工業株式会社
ガス燃料用レギュレータ
5日前
株式会社ミクニ
エンジンのスロットル装置
18日前
三菱重工エンジン&ターボチャージャ株式会社
エンジン
18日前
続きを見る
他の特許を見る