TOP
|
特許
|
意匠
|
商標
特許ウォッチ
Twitter
他の特許を見る
10個以上の画像は省略されています。
公開番号
2025151960
公報種別
公開特許公報(A)
公開日
2025-10-09
出願番号
2024053608
出願日
2024-03-28
発明の名称
暗号化装置
出願人
ローム株式会社
代理人
弁理士法人太陽国際特許事務所
主分類
G09C
1/00 20060101AFI20251002BHJP(教育;暗号方法;表示;広告;シール)
要約
【課題】従来に比べてDPA等のサイドチャネル攻撃に対する安全性を向上させる暗号化装置を提供する。
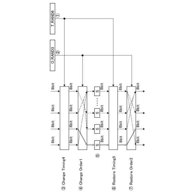
【解決手段】非線形変換を行う第2の演算の演算において、所定のブロック単位で暗号データに鍵情報の要素を入れる第1の演算の出力の複数のブロックの演算タイミングをランダムに変更し、前記複数のブロックの順番をランダムに組み替え、演算タイミングをランダムに変更し、順番をランダムに組み替えた後の前記複数のブロックのそれぞれに対して所定の演算を行い、前記所定の演算を行った後の前記複数のブロックの演算タイミング及び前記複数のブロックの順番を元に戻す、暗号化装置が提供される。
【選択図】図1
特許請求の範囲
【請求項1】
鍵情報を用いてデータを演算するラウンドにおいて、最初のラウンドから最後の1つ前までのラウンドまで、所定のブロック単位で暗号データに前記鍵情報の要素を入れる第1の演算、非線形変換を行う第2の演算、前記ブロックの行をシフトする第3の演算、前記ブロックの列を転置する第4の演算の順で実行することを含む演算を行い、最後のラウンドで、前記第1の演算を含む演算を行う演算部を備え、
前記演算部は、前記第2の演算において、
前記第1の演算の出力の複数のブロックの演算タイミングをランダムに変更し、前記複数のブロックの順番をランダムに組み替え、
演算タイミングをランダムに変更し、順番をランダムに組み替えた後の前記複数のブロックのそれぞれに対して所定の演算を行い、
前記所定の演算を行った後の前記複数のブロックの演算タイミング及び前記複数のブロックの順番を元に戻す、暗号化装置。
続きを表示(約 570 文字)
【請求項2】
前記演算部は、前記第2の演算において、前記第1の演算の出力の前記複数のブロックの演算タイミングをランダムに変更した後に、前記複数のブロックの順番をランダムに組み替える、請求項1に記載の暗号化装置。
【請求項3】
前記演算部は、前記第2の演算において、前記第1の演算の出力の前記複数のブロックの演算タイミングをランダムに変更する前に、前記複数のブロックの順番をランダムに組み替える、請求項1に記載の暗号化装置。
【請求項4】
前記演算部は、前記第2の演算において、前記所定の演算を行った後の前記複数のブロックの演算タイミングを元に戻した後に、前記複数のブロックの順番を元に戻す、請求項1~3のいずれか1項に記載の暗号化装置。
【請求項5】
前記演算部は、SubBytesの演算において、前記所定の演算を行った後の前記複数のブロックの演算タイミングを元に戻す前に、前記複数のブロックの順番を元に戻す、請求項1~3のいずれか1項に記載の暗号化装置。
【請求項6】
前記第1の演算はAddRoundKeyであり、前記第2の演算はSubBytesであり、前記第3の演算はShiftRowsであり、前記第4の演算はMixColumnsである、請求項1に記載の暗号化装置。
発明の詳細な説明
【技術分野】
【0001】
本開示は、暗号化装置に関する。
続きを表示(約 1,600 文字)
【背景技術】
【0002】
CMOS(Complementary Metal Oxide Semiconductor)で構成されるLSI(Large Scale Integration)等の半導体装置の動作は、一般的に内部のデータに依存して変化する。CMOSはデータが0から1へ、また1から0へ変化した時に電流が流れる。この変化を利用してLSIの動作を直接読み取る技術に、単純電力解析(SPA:Simple Power Analysis)、差分電力解析(Differential Power Analysis、DPA)等が知られている。
【0003】
サイドチャネル攻撃に対して安全な暗号化装置を提供する技術として、例えば特許文献1がある。特許文献1では、鍵情報を用いてデータを演算するラウンドのうち、最初のラウンドで、AddRoundKeyと、SubBytesと、MixColumnsとをこの順序で含む演算を行い、最後の1つ前のラウンドで、MixColumnsと、AddRoundKeyと、SubBytesとをこの順序で含む演算、または、AddRoundKeyと、MixColumnsと、SubBytesとをこの順序で含む演算を行い、最後のラウンドで、AddRoundKeyを含む演算を行う技術が開示されている。
【先行技術文献】
【特許文献】
【0004】
特開2011-175039号公報
【発明の概要】
【発明が解決しようとする課題】
【0005】
AES(Advanced Encryption Standard)などの差分電力解析(DPA)に対する対策として、S-Boxの8ビットブロックをランダムに組み替える方法があるが、DPAの対策にはまだ改善の余地がある。
【0006】
本開示は、上記の点に鑑みてなされたものであり、従来に比べてDPA等のサイドチャネル攻撃に対する安全性を向上させる暗号化装置を提供することを目的とする。
【課題を解決するための手段】
【0007】
本開示のある観点によれば、鍵情報を用いてデータを演算するラウンドにおいて、最初のラウンドから最後の1つ前までのラウンドまで、所定のブロック単位で暗号データに前記鍵情報の要素を入れる第1の演算、非線形変換を行う第2の演算、前記ブロックの行をシフトする第3の演算、前記ブロックの列を転置する第4の演算の順で実行することを含む演算を行い、最後のラウンドで、前記第1の演算を含む演算を行う演算部を備え、前記演算部は、前記第2の演算において、前記第1の演算の出力の複数のブロックの演算タイミングをランダムに変更し、前記複数のブロックの順番をランダムに組み替え、演算タイミングをランダムに変更し、順番をランダムに組み替えた後の前記複数のブロックのそれぞれに対して所定の演算を行い、前記所定の演算を行った後の前記複数のブロックの演算タイミング及び前記複数のブロックの順番を元に戻す、暗号化装置が提供される。
【0008】
前記演算部は、前記第2の演算において、前記第1の演算の出力の前記複数のブロックの演算タイミングをランダムに変更した後に、前記複数のブロックの順番をランダムに組み替えてもよい。
【0009】
前記演算部は、前記第2の演算において、前記第1の演算の出力の前記複数のブロックの演算タイミングをランダムに変更する前に、前記複数のブロックの順番をランダムに組み替えてもよい。
【0010】
前記演算部は、前記第2の演算において、前記所定の演算を行った後の前記複数のブロックの演算タイミングを元に戻した後に、前記複数のブロックの順番を元に戻してもよい。
(【0011】以降は省略されています)
この特許をJ-PlatPat(特許庁公式サイト)で参照する
関連特許
ローム株式会社
半導体装置
7日前
ローム株式会社
半導体装置
20日前
ローム株式会社
半導体装置
20日前
ローム株式会社
半導体装置
20日前
ローム株式会社
半導体装置
15日前
ローム株式会社
半導体装置
15日前
ローム株式会社
電源制御装置
15日前
ローム株式会社
信号伝達装置
15日前
ローム株式会社
半導体集積回路
29日前
ローム株式会社
半導体集積回路
今日
ローム株式会社
半導体モジュール
8日前
ローム株式会社
半導体メモリ装置
22日前
ローム株式会社
モータドライバ回路
15日前
ローム株式会社
逐次比較型AD変換回路
7日前
ローム株式会社
半導体装置およびシステム
7日前
ローム株式会社
半導体装置、電子機器、車両
29日前
ローム株式会社
半導体装置、電子機器、車両
29日前
ローム株式会社
昇圧型スイッチングレギュレータ
1日前
ローム株式会社
信号受信装置、IC及び電気機器
13日前
ローム株式会社
モータドライバ回路および駆動方法
今日
ローム株式会社
電圧調整装置及び電荷蓄積システム
1日前
ローム株式会社
半導体装置および半導体装置の製造方法
今日
ローム株式会社
パルス幅変調回路およびモータ駆動装置
29日前
ローム株式会社
半導体装置および半導体装置の製造方法
20日前
ローム株式会社
電圧電流変換回路および半導体集積回路
29日前
ローム株式会社
力率改善回路、制御装置、および電子機器
20日前
ローム株式会社
半導体装置、および半導体装置の製造方法
20日前
ローム株式会社
半導体装置、および半導体装置の製造方法
13日前
ローム株式会社
電源回路、電子コントロールユニット、自動車
7日前
ローム株式会社
雨検出装置、雨検出システム、および、雨検出方法
1日前
ローム株式会社
電源制御装置、DC/DCコンバータ、および車両
1か月前
ローム株式会社
三相ブラシレスモータのドライバ回路および駆動方法
22日前
ローム株式会社
信号伝達装置、電子機器、車両、絶縁ゲートドライバIC
7日前
ローム株式会社
半導体装置
1か月前
ローム株式会社
半導体装置
28日前
ローム株式会社
制御装置、力率改善回路、電子機器、およびオフセット設定方法
7日前
続きを見る
他の特許を見る