TOP
|
特許
|
意匠
|
商標
特許ウォッチ
Twitter
他の特許を見る
10個以上の画像は省略されています。
公開番号
2025150957
公報種別
公開特許公報(A)
公開日
2025-10-09
出願番号
2024052131
出願日
2024-03-27
発明の名称
水処理装置
出願人
パナソニックIPマネジメント株式会社
代理人
個人
,
個人
,
個人
主分類
C02F
1/461 20230101AFI20251002BHJP(水,廃水,下水または汚泥の処理)
要約
【課題】処理水に残存する金属イオンによる分極の影響を軽減し、適切な導電率を測定することが可能な導電率センサーを備える水処理装置を提供する。
【解決手段】水処理装置1は、陽極室15と、陰極室16と、陽極室15と陰極室16とを仕切り、イオンを透過可能な膜とを備え、電気分解により被処理水から酸性水とアルカリ性水とを生成する電解槽10を備える。また、水処理装置1は、第1の導電率測定部70と、第2の導電率測定部80と、導電率に基づいて陽極及び陰極に印加する電圧を制御する制御部100と、を備える。第1の導電率測定部70及び/又は第2の導電率測定部80は、第1電極及び第2電極と、電圧測定用の電圧測定端子と、を備える導電率センサー200を有する。また、制御部100は、電圧測定端子で測定された電圧に基づいて第1電極及び第2電極の間に存在する水の抵抗を測定し、測定された水の抵抗に基づいて、導電率を算出する。
【選択図】図1
特許請求の範囲
【請求項1】
被処理水から金属イオンを除去して、処理水を生成する水処理装置であって、
陽極を備える陽極室と、陰極を備える陰極室と、前記陽極室と前記陰極室とを仕切り、イオンを透過可能な膜とを備え、電気分解により前記被処理水から酸性水とアルカリ性水とを生成する電解槽と、
前記陽極室に流通する水の導電率を測定する第1の導電率測定部と、
前記陰極室に流通する水の導電率を測定する第2の導電率測定部と、
前記導電率に基づいて前記陽極及び前記陰極に印加する電圧を制御する制御部と、を備え、
前記第1の導電率測定部及び/又は前記第2の導電率測定部は、第1電極及び第2電極と、電圧測定用の電圧測定端子と、を備える導電率センサーを有し、
前記制御部は、前記電圧測定端子で測定された電圧に基づいて前記第1電極及び前記第2電極の間に存在する水の抵抗を測定し、測定された水の抵抗に基づいて、前記導電率を算出する、水処理装置。
続きを表示(約 1,100 文字)
【請求項2】
前記制御部は、前記第1電極及び前記第2電極に流れる電流の方向を所定の周期で切り替え、前記電圧測定端子で測定された電圧に基づいて、前記導電率を算出する、請求項1に記載の水処理装置。
【請求項3】
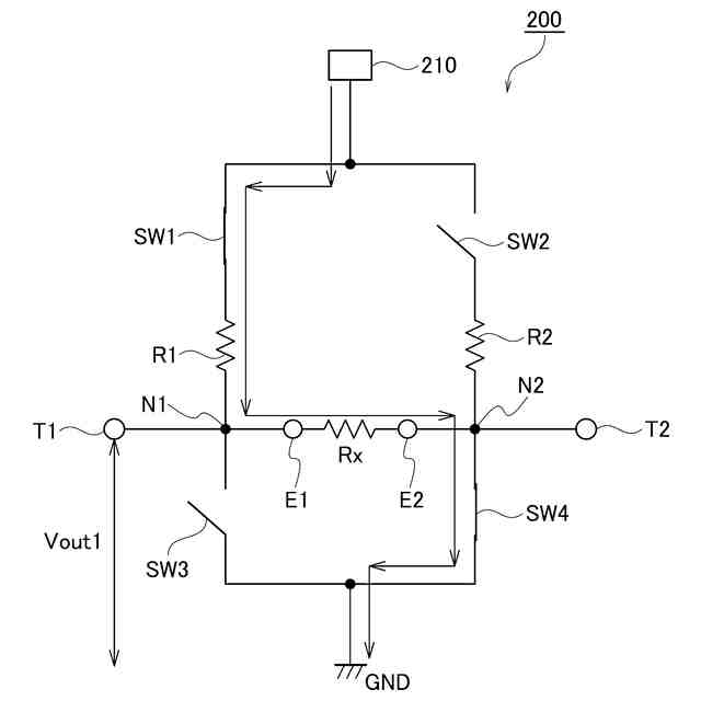
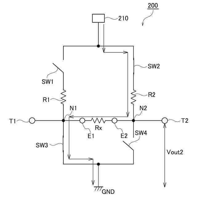
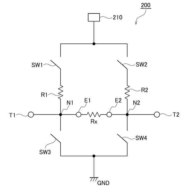
前記導電率センサーは、
電源と、
前記電源と接続された第1スイッチと、
一端が前記第1スイッチと接続され、他端が第1ノードと接続された第1抵抗と、
前記電源と接続された第2スイッチと、
一端が前記第2スイッチと接続され、他端が第2ノードと接続された第2抵抗と、
一端が前記第1ノードと接続され、他端がGNDと接続された第3スイッチと、
一端が前記第2ノードと接続され、他端が前記GNDと接続された第4スイッチと、
前記第1ノードと接続された前記第1電極と、前記第2ノードと接続された前記第2電極を有する水抵抗測定部と、
前記電圧測定端子であって、前記第1ノードに接続された第1端子、及び前記第2ノードに接続された第2端子と、を備える、請求項1又は2に記載の水処理装置。
【請求項4】
前記制御部は、前記第1端子又は前記第2端子のいずれか一方の電圧を測定することで、前記導電率を測定する、請求項3に記載の水処理装置。
【請求項5】
前記導電率センサーは、前記電解槽の上流に設置される請求項1に記載の水処理装置。
【請求項6】
前記導電率センサーは、前記電解槽の下流に設置される請求項1に記載の水処理装置。
【請求項7】
前記導電率センサーは、前記電解槽の内部に設置される請求項1に記載の水処理装置。
【請求項8】
前記制御部からの制御により、前記電解槽の前記陽極及び前記陰極に前記電圧を印加する電解用電源と、
前記電解用電源と、前記第1の導電率測定部及び前記第2の導電率測定部と、を絶縁させるための絶縁部と、をさらに備える請求項1に記載の水処理装置。
【請求項9】
前記絶縁部は、前記制御部と、前記電解用電源との間であって、前記制御部と、前記電解用電源とに接続された電源用信号線及び電源用GND線を絶縁させる位置に設けられた請求項8に記載の水処理装置。
【請求項10】
前記絶縁部は、前記制御部と、前記第1の導電率測定部及び前記第2の導電率測定部と、との間であって、前記制御部と、前記第1の導電率測定部及び前記第2の導電率測定部と、と接続された導電率センサー用信号線及び導電率センサー用GND線を絶縁させる位置に設けられた請求項8に記載の水処理装置。
(【請求項11】以降は省略されています)
発明の詳細な説明
【技術分野】
【0001】
本発明は、水処理装置に関する。
続きを表示(約 2,100 文字)
【背景技術】
【0002】
従来、被処理水から脱イオン水を生成する装置が提案されている。特許文献1には、脱陽イオン水の導電率を測定する導電率計と、電気式脱陽イオン装置と制御部とを備える導電率の測定システムが開示されている。特許文献1に開示された測定システムは、制御部が電気式脱陽イオン装置の電源を制御することで、陽イオンを除去し、導電率計で導電率を測定する。
【先行技術文献】
【特許文献】
【0003】
特開2019-60631号公報
【発明の概要】
【発明が解決しようとする課題】
【0004】
しかしながら、被処理水からイオンを除去した水を生成する過程において、導電率計でイオンが残存する水の導電率を測定する場合、残存するイオンの影響で電極が分極する場合がある。そのため、例えば、硬水中の金属イオンを除去する水処理装置において、分極の影響を軽減させた導電率の測定装置が必要とされている。
【0005】
本発明は、このような従来技術が有する課題に鑑みてなされたものである。そして、本発明の目的は、処理水に残存する金属イオンによる分極の影響を軽減し、適切な導電率を測定することが可能な導電率センサーを備える水処理装置を提供することにある。
【課題を解決するための手段】
【0006】
上記課題を解決するために、本発明の態様に係る水処理装置は、被処理水から金属イオンを除去して、処理水を生成する水処理装置であって、陽極を備える陽極室と、陰極を備える陰極室と、陽極室と陰極室とを仕切り、イオンを透過可能な膜とを備え、電気分解により被処理水から酸性水とアルカリ性水とを生成する電解槽と、陽極室に流通する水の導電率を測定する第1の導電率測定部と、陰極室に流通する水の導電率を測定する第2の導電率測定部と、導電率に基づいて陽極及び陰極に印加する電圧を制御する制御部と、を備え、第1の導電率測定部及び/又は第2の導電率測定部は、第1電極及び第2電極と、電圧測定用の電圧測定端子と、を備える導電率センサーを有し、制御部は、電圧測定端子で測定された電圧に基づいて第1電極及び第2電極の間に存在する水の抵抗を測定し、測定された水の抵抗に基づいて、導電率を算出する。
【発明の効果】
【0007】
本開示によれば、処理水に残存する金属イオンによる分極の影響を軽減し、適切な導電率を測定することが可能な導電率センサーを備える水処理装置を提供することができる。
【図面の簡単な説明】
【0008】
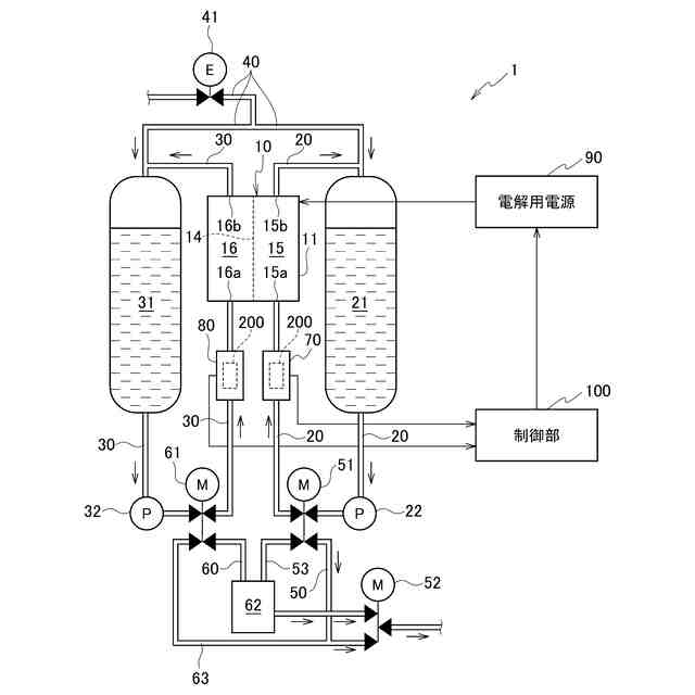
本実施形態に係る水処理装置の構成の一例を示す概略図である。
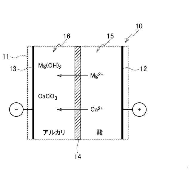
本実施形態に係る水処理装置の電解槽において、金属イオンの移動及び不溶化の状態を示す概略図である。
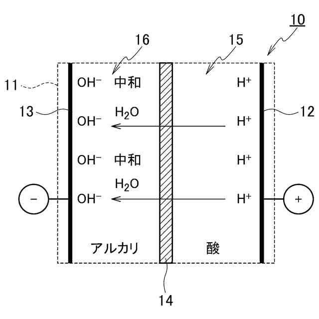
本実施形態に係る水処理装置の電解槽において、水素イオンの移動及び中和の状態を示す概略図である。
水に炭酸イオンが溶解している場合における、炭酸(H
2
CO
3
)、炭酸水素イオン(HCO
3
-
)及び炭酸イオン(CO
3
2-
)の存在比と、pHとの関係を示すグラフである。
本実施形態に係る水処理装置における電解制御を説明するための表である。
定電流制御のみを行った場合、定電圧制御のみを行った場合、電解制御を行った場合における、被処理水の導電率と、金属イオンのイオン移動率及び不溶化率並びに軟水化率との関係を概略的に示すグラフである。
本実施形態に係る導電率センサーの構成を示す図である。
本実施形態に係る導電率センサーにおける電流の流れについて説明するための図である。
本実施形態に係る導電率センサーにおける電流の流れについて説明するための図である。
本実施形態に係る導電率センサーの構成の一例を示す回路図である。
他の実施形態に係る水処理装置の構成の一例を示す概略図である。
水処理装置に係る電源系統について説明するための比較図である。
他の実施形態に係る水処理装置の電源系統について説明するための図である。
【発明を実施するための形態】
【0009】
以下、図面を用いて本実施形態に係る水処理装置1について詳細に説明する。なお、図面の寸法比率は説明の都合上誇張されており、実際の比率と異なる場合がある。
【0010】
本実施形態の水処理装置1は、被処理水中から金属イオンを除去して分離することにより、被処理水中における金属イオンの濃度(硬度)を所定濃度以下まで低下させて、処理水を製造する装置である。金属イオンは、カルシウムイオン(Ca
2+
)及びマグネシウムイオン(Mg
2+
)を含む。なお、硬水及び軟水の定義としては、例えば、WHOの定義を用いてもよい。すなわち、硬度120mg/L未満を軟水と定義し、硬度120mg/L以上を硬水と定義してもよい。
(【0011】以降は省略されています)
この特許をJ-PlatPat(特許庁公式サイト)で参照する
関連特許
株式会社ウィズアクア
水質浄化装置
4日前
栗田工業株式会社
超純水製造装置の制御方法
4日前
株式会社神鋼環境ソリューション
貯留槽
8日前
栗田工業株式会社
水質予測方法及び水質制御方法
15日前
水ing株式会社
廃溶液の処理方法
9日前
パナソニックIPマネジメント株式会社
軟水化装置
9日前
パナソニックIPマネジメント株式会社
軟水化装置
9日前
株式会社クボタ
電解水生成装置
9日前
株式会社クボタ
電解水生成装置
9日前
株式会社クボタ
電解水生成装置
9日前
株式会社クボタ
電解水生成装置
9日前
パナソニックIPマネジメント株式会社
電解水生成装置
8日前
三浦工業株式会社
汚泥減容システム
8日前
パナソニックIPマネジメント株式会社
水処理装置
9日前
パナソニックIPマネジメント株式会社
水処理装置
9日前
パナソニックIPマネジメント株式会社
水処理装置
9日前
パナソニックIPマネジメント株式会社
水処理装置
9日前
パナソニックIPマネジメント株式会社
水処理装置
9日前
パナソニックIPマネジメント株式会社
水処理装置
9日前
有限会社エコルネサンス・エンテック
環境負荷の低減化を図る方法
3日前
水ing株式会社
排水処理装置及び排水処理方法
10日前
株式会社海洋開発技術研究所
水質改善装置および水質改善方法
10日前
Daigasエナジー株式会社
廃液処理装置および運転方法
8日前
株式会社クボタ
電解水生成装置および運転方法
9日前
オルガノ株式会社
水処理装置および水処理方法
9日前
オルガノ株式会社
水処理設備、制御装置、運転方法およびプログラム
10日前
オルガノ株式会社
水処理装置および水処理方法
9日前
水ing株式会社
メタンガスの抑制方法及び装置、ならびにメタンガス抑制剤
9日前
公立大学法人 富山県立大学
アンモニア含有水の処理装置
2日前
国立大学法人北海道国立大学機構
液状物の処理方法
8日前
株式会社クボタ
電解水生成設備および原水タンク浄化方法
9日前
ベーシック株式会社
浄水提供システム
11日前
横河電機株式会社
支援システム、支援方法および支援プログラム
10日前
株式会社NSS-TOKYO
プラズマ微細気泡発生装置、及びこれを用いた水処理装置、並びに水処理方法
15日前
公立大学法人公立諏訪東京理科大学
微酸性次亜塩素酸水の製造方法及び製造装置
1日前
三菱ケミカル・クリンスイ株式会社
自重型カートリッジ、浄水器、自重型カートリッジの前処理方法
8日前
続きを見る
他の特許を見る