TOP
|
特許
|
意匠
|
商標
特許ウォッチ
Twitter
他の特許を見る
公開番号
2025145070
公報種別
公開特許公報(A)
公開日
2025-10-03
出願番号
2024045053
出願日
2024-03-21
発明の名称
中蓋付きキャップ
出願人
株式会社吉野工業所
代理人
個人
主分類
B65D
47/08 20060101AFI20250926BHJP(運搬;包装;貯蔵;薄板状または線条材料の取扱い)
要約
【課題】開蓋操作により容易にキャップ本体側から蓋部材側へ移行できる中蓋付きのキャップを提供する。
【解決手段】頂壁8上に吐出口23を配備したキャップ本体2と、このキャップ本体2の上側を覆う蓋部材30と、を具備する。前記キャップ本体2に装着した吐出口閉塞用の中蓋24が、前記蓋部材30の開蓋操作により前記蓋部材30側へ移るように形成されている。前記吐出口23は、頂壁8に設けた開孔16と連通させて、当該頂壁8の上に剥離不能に組み付けた主膜部22に形成されている。前記中蓋24は、主膜部22の上面に剥離可能に貼着した副膜部25を含む。前記蓋部材30の裏側から垂設した連結部38に、前記副膜部25を、前記開蓋操作により前記主膜部22からの剥離可能に接着させている。前記副膜部25に膜状の摘み部28を連設させてもよい。
【選択図】図1
特許請求の範囲
【請求項1】
頂壁(8)上に吐出口(23)を配備したキャップ本体(2)と、
このキャップ本体(2)の上側を覆う蓋部材(30)と、を具備し、
前記キャップ本体(2)に装着した吐出口閉塞用の中蓋(24)が、前記蓋部材(30)の開蓋操作により前記蓋部材(30)側へ移るように形成された中蓋付きキャップにおいて、
前記吐出口(23)は、前記頂壁(8)に設けた開孔(16)と連通させて、当該頂壁(8)の上に剥離不能に組み付けた主膜部(22)に形成されており、
前記中蓋(24)は、前記主膜部(22)の上面に剥離可能に貼着した副膜部(25)を含み、
前記蓋部材(30)の裏側から垂設した連結部(38)に、前記副膜部(25)を、前記開蓋操作により前記主膜部(22)からの剥離可能に接着させていることを特徴とする、中蓋付きキャップ。
続きを表示(約 780 文字)
【請求項2】
前記中蓋(24)は、前記副膜部(25)と、この副膜部(25)に連設させた膜状の摘み部(28)とからなる膜状蓋であることを特徴とする、請求項1に記載の中蓋付きキャップ。
【請求項3】
前記摘み部(28)は、前記副膜部(25)から連接端部(27)を介して突設されたタブ状の膜片であり、前記主膜部(22)と前記副膜部(25)と前記摘み部(28)とを積層状態で前記キャップ本体(2)に組み込んだことを特徴とする、請求項2に記載の中蓋付きキャップ。
【請求項4】
前記摘み部(28)は、前記副膜部(25)の周端(26)の一部に形成された前記連接端部(27)を折り目として前記副膜部(25)の上側へ折り返されていることを特徴とする、請求項3に記載の中蓋付きキャップ。
【請求項5】
前記蓋部材(30)の裏側から複数の前記連結部(38)が突設されており、これら連結部(38)の先端部(39)に前記副膜部(25)を接着することにより、前記中蓋(24)が前記蓋部材(30)に対して散点状に連結されたことを特徴とする、請求項1から請求項4のいずれかに記載の中蓋付きキャップ。
【請求項6】
前記蓋部材(30)は前記キャップ本体(2)にヒンジ部(7)を介して連結されており、
前記摘み部(28)は、前記ヒンジ部(7)の近傍に位置させた前記連接端部(27)より、当該ヒンジ部(7)より離れる方向へ突出しており、
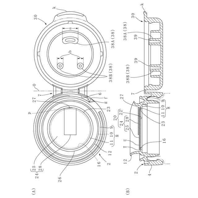
前記連結部(38)として、前記ヒンジ部(7)から遠い遠位連結部(38A)を、前記摘み部(28)の突出方向の先方に、前記ヒンジ部(7)から近い一対の近位連結部(38B)を、前記摘み部(28)の幅方向の両側にそれぞれ配置したことを特徴とする、請求項5に記載の中蓋付きキャップ。
発明の詳細な説明
【技術分野】
【0001】
本発明は、中蓋付きキャップに関する。
続きを表示(約 1,600 文字)
【背景技術】
【0002】
キャップ本体の吐出口を覆う中蓋が開蓋操作によりキャップ本体側から蓋部材側に移行するキャップが知られている。例えば引用文献1のキャップは、キャップ本体の頂壁に設けた吐出口の縁部に、吐出口閉栓用の閉塞板部が破断線を介して連設され、キャップ本体にヒンジ連結した蓋体の裏側から垂設した連結筒の先端部を閉塞板部に連結させてなる。
【先行技術文献】
【特許文献】
【0003】
特開2005-289389
【発明の概要】
【発明が解決しようとする課題】
【0004】
特許文献1のものは、蓋体を開蓋すると、連結筒を介して閉塞板部が引き上げられ、吐出口が開放されるが、閉塞板部を抜栓するときに開封が硬いと利用者が感じたり、内容液が外へ跳ねるという不満があり、使用感が悪い。また、連結強度の不足により閉塞板部が連結筒から分離してキャップ本体側に残る不具合が起こり得る。
【0005】
本発明の第1の目的は、開蓋操作により容易にキャップ本体側から蓋部材側へ移行できる中蓋付きのキャップを提供すること、第2の目的は、当該操作により中蓋を除去できなかった場合に別の操作で中蓋を強制的に除去することを可能とすることである。
【課題を解決するための手段】
【0006】
第1の手段は、頂壁8上に吐出口23を配備したキャップ本体2と、
このキャップ本体2の上側を覆う蓋部材30と、を具備し、
前記キャップ本体2に装着した吐出口閉塞用の中蓋24が、前記蓋部材30の開蓋操作により前記蓋部材30側へ移るように形成された中蓋付きキャップにおいて、
前記吐出口23は、前記頂壁8に設けた開孔16と連通させて、当該頂壁8の上に剥離不能に組み付けた主膜部22に形成されており、
前記中蓋24は、前記主膜部22の上面に剥離可能に貼着した副膜部25を含み、
前記蓋部材30の裏側から垂設した連結部38に、前記副膜部25を、前記開蓋操作により前記主膜部22からの剥離可能に接着させている。
【0007】
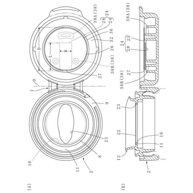
本手段では、キャップ本体2の吐出口23を閉塞する中蓋24が、蓋部材30の開蓋操作により蓋部材30側へ移行するタイプのキャップに関して、図1(A)に示す如く、キャップ本体2の頂壁8に設けた開孔16を、吐出口23付きの主膜部22で覆うとともに、この主膜部22の上に中蓋24を配備したものである。
中蓋24は、前記主膜部22の上面に剥離可能に貼着した副膜部25を含み、この副膜部25に、前記蓋部材30の裏側から垂設した連結部38を接着させている。
この構造によれば、蓋部材30の開蓋操作をした際に、容易に副膜部25を蓋部材30側へ移行させることができる。
【0008】
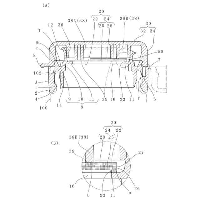
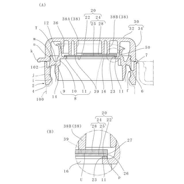
第2の手段は、第1の手段を有し、かつ前記中蓋24は、前記副膜部25と、この副膜部25に連設させた膜状の摘み部28とからなる膜状蓋であり、副膜部25に、前記蓋部材30の裏側から垂設した連結部38を接着させている。
【0009】
本手段では、図1(A)に示す如く、前記中蓋24は、前記副膜部25と、この副膜部25に連設させた膜状の摘み部28とからなる膜状蓋である。そして、副膜部25に、前記蓋部材30の裏側から垂設した連結部38を接着させている。
この構造によれば、蓋部材30の開蓋操作により副膜部25を剥離できなかった場合でも、摘み部28の引張操作により副膜部25を強制的に除去し、吐出口23を開放できる。
【0010】
第3の手段は、第2の手段を有し、かつ前記摘み部28は、前記副膜部25から連接端部27を介して突設されたタブ状の膜片であり、前記主膜部22と前記副膜部25と前記摘み部28とを積層状態で前記キャップ本体2に組み込んでいる。
(【0011】以降は省略されています)
この特許をJ-PlatPat(特許庁公式サイト)で参照する
関連特許
株式会社吉野工業所
吐出器
2日前
株式会社吉野工業所
中蓋付きキャップ
今日
株式会社吉野工業所
ヒンジキャップ
14日前
個人
箱
11か月前
個人
ゴミ箱
11か月前
個人
収容箱
2か月前
個人
コンベア
4か月前
個人
ゴミ収集器
6か月前
個人
段ボール箱
6か月前
個人
容器
8か月前
個人
段ボール箱
6か月前
個人
土嚢運搬器具
7か月前
個人
楽ちんハンド
4か月前
個人
パウチ補助具
11か月前
個人
バンド
1か月前
個人
宅配システム
6か月前
個人
角筒状構造体
4か月前
個人
閉塞装置
9か月前
個人
廃棄物収容容器
1か月前
個人
包装容器
14日前
個人
お薬の締結装置
5か月前
個人
コード類収納具
7か月前
株式会社コロナ
梱包材
4か月前
個人
ゴミ処理機
8か月前
個人
貯蔵サイロ
6か月前
個人
蓋閉止構造
3か月前
株式会社和気
包装用箱
8か月前
個人
蓋閉止構造
3か月前
個人
積み重ね用補助具
1か月前
個人
把手付米袋
3か月前
三甲株式会社
蓋体
7か月前
株式会社KY7
封止装置
2か月前
三甲株式会社
容器
5か月前
三甲株式会社
容器
5か月前
個人
包装箱
9か月前
株式会社新弘
容器
2か月前
続きを見る
他の特許を見る