TOP
|
特許
|
意匠
|
商標
特許ウォッチ
Twitter
他の特許を見る
公開番号
2025141715
公報種別
公開特許公報(A)
公開日
2025-09-29
出願番号
2024041778
出願日
2024-03-16
発明の名称
イカ釣り用ヤエン
出願人
個人
代理人
主分類
A01K
91/06 20060101AFI20250919BHJP(農業;林業;畜産;狩猟;捕獲;漁業)
要約
【課題】ヤエンはイカの下に入り込みイカと掛け針との間に距離が出来るので掛かりにくい欠点がある。また海中に投下した際に掛け針とハリスが絡むことが多い。そこで、掛け針がイカに接近した状態にして掛けやすくすることと、掛け針がハリスに絡まないことを両立しなければならない。
【解決手段】 本発明のヤエン101は、浮力のある部材a6を軸1の一端の側4に有するので空気中のヤエンの左下がり姿勢を水中では水平にできる。また水を受ける部材b10を他端の側5に備えるのでヤエン101の前進時にはヤエン101を左下がりに出来、後進時には左上がりにできる。よって海中にヤエン101を投下する際に掛け針7とハリス16が絡むことはなく、且つイカを寄せる時にヤエン101を左上がりにしてイカを掛けやすくしているので課題が解決する。そして、バネや駆動部が無いシンプルな構造でもある。
【選択図】図1
特許請求の範囲
【請求項1】
イカを釣るためのヤエンであって、軸の一端の側に複数の掛け針と浮力のある部材aを有し、他端の側には水を受ける為の部材bとハリスへ吊り下がる為の複数のガイドを備え、前記他端に最も近い前記ガイドのハリス挿通孔の縦方向の長さが20~80mmであることを特徴とするヤエン
続きを表示(約 52 文字)
【請求項2】
前記部材aは前記軸を挿通された状態であることを特徴とする請求項1のヤエン
発明の詳細な説明
【技術分野】
【0001】
イカを釣る釣り具であるヤエンに関するものである。
続きを表示(約 1,900 文字)
【背景技術】
【0002】
生き餌の魚を泳がせてイカが抱きついた後に、ヤエンをハリスに吊り下げて海中に投下しイカを掛けるものであるが、掛け針がイカに掛からないことが多い。
【先行技術文献】
【特許文献】
【0003】
特開2007-44019
特開2005-110578
特開2003-245028
特開2002-320433多くのヤエン文献が出されている。
【非特許文献】
【0004】
2024.3.16インターネット検索<URL:https://www.aorinetshop.jp/product/3 >餌のアジに衝突し閉じる構造である。
【発明の概要】
【発明が解決しようとする課題】
【0005】
釣り人は堤防上から釣っており、ハリスはイカまで傾斜しているのでヤエンはイカに対し斜め上方から近寄ることになる。そのときイカは水平状態であり掛け針はイカの下側に入ることになるためにイカと掛け針との間に距離が生じる。その距離を小さくしようとヤエンの軸を曲げて掛け針をハリスに極力接近させることは可能だが海中に投下した際に掛け針とハリスが絡むことが多い。また、複雑な構造でヤエンを動かす文献もあるが動作不良やハリス絡みトラブルが多い。
そこで、動作不良を起こさないシンプルな構造であり、掛け針がイカに接近した状態にして掛けやすくすることと、掛け針がハリスに絡まないことを達成しなければならないという課題がある。
【課題を解決するための手段】
【0006】
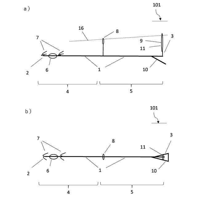
本発明は、イカを釣るためのヤエンであって、軸の一端の側に複数の掛け針と浮力のある部材aを有し、他端の側には水を受ける為の部材bとハリスへ吊り下がる為の複数のガイドを備え、前記他端に最も近い前記ガイドのハリス挿通孔の縦方向の長さが20~80mmであることを特徴とするヤエンである。
【0007】
本発明は、前記部材aは前記軸を挿通された状態であることを特徴とする請求項1のヤエンである。
【発明の効果】
【0008】
本発明は、イカを釣るためのヤエンであって、軸の一端の側に複数の掛け針と浮力のある部材aを有し、他端の側には水を受ける為の部材bとハリスへ吊り下がる為の複数のガイドを備え、前記他端に最も近い前記ガイドのハリス挿通孔の縦方向の長さが20~80mmであることを特徴とするヤエンなので、一端側の部材aに浮力があることで水中においてヤエン重心位置を他端側に寄せることができる。つまり空気中での静止状態は一端側を下げた状態で、水中での静止状態は水平状態に出来ることになる。
また他端側に部材bを備えているので、ヤエンが水中を前進する際には部材bが水を受けることで他端側を持ち上げて一端側を下げることができ、釣り人がイカを引き寄せる際には、ヤエンは後進することになり他端側は下がり一端側は持ち上げられるヤエンにすることが出来る。
よって、ヤエンは海中投下からイカまでに到達する時は一端側が下がっているので掛け針とハリスとは絡まない。イカを引き寄せる時は一端側を持ち上げて掛け針をイカに接触させるので確率高くイカが釣れる。
さらには、他端に最も近いガイドのハリス挿通孔の縦方向の長さを20~80mmとすることで一端側の下がり量/持ち上がり量を適切な範囲に制御できる。(一端側が下がり過ぎて水中抵抗が増大し進みにくくなることを防ぐことができ、一端側が持ち上がり過ぎてイカを通り過ぎてしまう事を防ぐ)
本発明はバネや駆動部がなくシンプルな構造であり動作不良が起きない。また僅かな水流で動くので釣り人は竿で激しく竿で合わせる必要もないのでイカが驚いて逃げることも無いという多くのメリットがある。(シンプルな構造なので重量も7g程度であり従来ヤエンよりも軽くなっている)
【0009】
本発明は、前記部材aは前記軸を挿通された状態であることを特徴とする請求項1のヤエンなので、ヤエン製造時に浮体の装着が簡単となるうえ、浮体の軸上の位置調整も容易となる。
【図面の簡単な説明】
【0010】
図1は本発明の実施例1を説明する図である。 a)側面から見た図 b)上方から見た図
図2は本発明の実施例1のハリス挿通孔をハリス挿通方向から見た説明図である。
【発明を実施するための形態】
(【0011】以降は省略されています)
この特許をJ-PlatPat(特許庁公式サイト)で参照する
関連特許
個人
産卵床
9日前
個人
平板植栽
10日前
個人
果実袋
9日前
個人
移動体草刈り機
9日前
個人
養殖器具
9日前
個人
水田排水量調整器具
9日前
井関農機株式会社
圃場作業機
2日前
積水樹脂株式会社
シート止め具
9日前
有限会社信英精密
括り罠
17日前
株式会社サワエ
害虫捕獲器
2日前
個人
網口高さのベクトル底引き網
9日前
個人
粘着板で挟むネズミ捕り装置
9日前
井関農機株式会社
苗移植機
17日前
三恵技研工業株式会社
ルアー
9日前
株式会社アテックス
芝草の刈取装置
16日前
株式会社中村工務店
潅水装置
10日前
個人
自閉式「洗濯バサミ型」虫捕獲器
17日前
個人
つる状多肉植物の製造方法
6日前
個人
ルアーに可動式の顎を設けた疑似餌。
2日前
株式会社エヌエスシー
鳥害防止装置
17日前
新・産業洗浄株式会社
陸上養殖装置
9日前
星和電機株式会社
防爆形捕虫器
9日前
大王製紙株式会社
ペット用吸収性物品
2日前
株式会社クボタ
農業機械
9日前
株式会社信日康
昆虫忌避剤を含有するポリマー
2日前
大和ハウス工業株式会社
栽培器具
9日前
株式会社信日康
昆虫忌避剤を含有するポリマー
2日前
株式会社シマノ
エサ箱
9日前
株式会社FieldWorks
無人移動体
10日前
伊東電機株式会社
作業車両用アタッチメント
3日前
グローブライド株式会社
リールシート
9日前
個人
長ネギ栽培装置
2日前
株式会社和田電業社
間伐システム及び間伐方法
3日前
株式会社クボタ
作業支援システム
10日前
株式会社LAINGS
愛玩動物用ケージのカバー
10日前
CKD株式会社
栽培装置、及び栽培システム
2日前
続きを見る
他の特許を見る