TOP
|
特許
|
意匠
|
商標
特許ウォッチ
Twitter
他の特許を見る
公開番号
2025133716
公報種別
公開特許公報(A)
公開日
2025-09-11
出願番号
2025029861
出願日
2025-02-27
発明の名称
X線検査装置
出願人
株式会社イシダ
代理人
個人
,
個人
,
個人
主分類
G01N
23/18 20180101AFI20250904BHJP(測定;試験)
要約
【課題】物品の生産中に検査の確からしさを点検する場合であっても、作業者の作業負担を軽減しつつ、物品サンプルが流出するリスクを低減できる、X線検査装置を提供する。
【解決手段】X線検査装置1は、物品を搬送する搬送部5と、搬送部5により搬送される物品にX線を照射する照射部6と、X線を検出するセンサ部7と、センサ部7におけるX線の検出結果から物品Gを含む検査画像を生成し、検査画像に基づいて物品に異常が含まれるか否かを検査する制御部10と、を備え、制御部は、物品の検査時に生成される検査画像を構成する画素の一部の画素値を変更することによって仮想的な異常が含まれる疑似不良画像を生成し、疑似不良画像に基づいて検査の確からしさを点検する。
【選択図】図3
特許請求の範囲
【請求項1】
物品を搬送する搬送部と、
前記搬送部により搬送される前記物品にX線を照射する照射部と、
前記X線を検出するセンサ部と、
前記センサ部における前記X線の検出結果から前記物品を含む検査画像を生成し、前記検査画像に基づいて前記物品に異常が含まれるか否かを検査する制御部と、を備え、
前記制御部は、前記物品の検査時に生成される前記検査画像を構成する画素の一部の画素値を変更することによって仮想的な異常が含まれる疑似不良画像を生成し、前記疑似不良画像に基づいて前記検査の確からしさを点検する、X線検査装置。
続きを表示(約 960 文字)
【請求項2】
前記制御部は、予め設定された時間が経過したとき、又は、予め設定された数の前記物品を検査したときに前記疑似不良画像を生成し、自動的に前記点検を実行する、請求項1記載のX線検査装置。
【請求項3】
前記制御部は、前記検査画像に含まれる前記物品の外形を抽出し、抽出された前記外形の内側の前記画素の一部の画素値を変更することによって前記疑似不良画像を生成する、請求項1記載のX線検査装置。
【請求項4】
前記制御部は、
前記物品に異物が含まれる前記疑似不良画像を生成し、
前記疑似不良画像に基づく前記検査によって前記異物が含まれないとの検査結果を得た場合、前記検査の確からしさに問題があると判定する、請求項1~3の何れか一項記載のX線検査装置。
【請求項5】
前記制御部は、
前記物品に異物が含まれる前記疑似不良画像を生成し、
前記検査画像に基づく前記検査によって前記異物が含まれるとの検査結果を得た場合、前記異物が含まれない正常な前記物品が前記搬送部において搬送される方向とは異なる方向に振分けるように振分部を制御し、
前記疑似不良画像に基づく前記検査によって前記異物が含まれないとの検査結果を得た場合、前記搬送部による前記物品の搬送を停止させる、請求項1~3の何れか一項記載のX線検査装置。
【請求項6】
前記制御部は、
前記物品の形状に異常が含まれる前記疑似不良画像を生成し、
前記制御部は、前記疑似不良画像に基づく前記検査によって前記物品の形状に異常が含まれないとの検査結果を得た場合、前記検査の確からしさに問題があると判定する、請求項1~3の何れか一項記載のX線検査装置。
【請求項7】
前記物品は、複数の構成物を含み、
前記制御部は、
前記複数の構成物のうち少なくとも一の前記構成物の形状に異常が含まれる疑似不良画像を生成し、
前記疑似不良画像に基づく前記検査によって前記構成物の前記物品の形状に異常が含まれないとの検査結果を得た場合、前記検査の確からしさに問題があると判定する、請求項1~3のいずれか一項に記載のX線検査装置。
発明の詳細な説明
【技術分野】
【0001】
本発明の一側面は、X線検査装置に関する。
続きを表示(約 1,700 文字)
【背景技術】
【0002】
物品を搬送する搬送部と、搬送部によって搬送される物品にX線を照射する照射部と、物品を透過したX線を検出するセンサと、センサにより検出されるX線から検査画像(X線透過画像)を生成し、検査画像に基づいて物品の検査を行う制御部と、を備えるX線検査装置が知られている。このようなX線検査装置が用いられる生産現場では、生産ラインでの通常運転時に、抜き打ちでテストピースを当該生産ラインに流し、X線検査装置において目的の異物が正常に検出できているか否かを確認する等、検査の確からしさが点検されることがある。
【先行技術文献】
【特許文献】
【0003】
特開2005-3481号公報
【発明の概要】
【発明が解決しようとする課題】
【0004】
しかしながら、テストピースを貼り付けた物品サンプルを準備し、当該物品サンプルを生産ラインに流すことによって検査の確からしさを点検することは、作業者にとって大きな作業負担になる。また、物品の生産中に実施される点検であるため、物品サンプルが流出するリスクもある。また、形状異常、個数等のその他の検査を生産中に実施する場合も同様のリスクがある。
【0005】
そこで、本発明の一側面の目的は、物品の生産中に検査の確からしさを点検する場合であっても、作業者の作業負担を軽減しつつ、物品サンプルが流出するリスクを低減できる、X線検査装置を提供することにある。
【課題を解決するための手段】
【0006】
(1)本発明の一側面に係るX線検査装置は、物品を搬送する搬送部と、搬送部により搬送される物品にX線を照射する照射部と、X線を検出するセンサ部と、センサ部におけるX線の検出結果から物品を含む検査画像を生成し、検査画像に基づいて物品に異常が含まれるか否かを検査する制御部と、を備え、制御部は、物品の検査時に生成される検査画像を構成する画素の一部の画素値を変更することによって仮想的な異常が含まれる疑似不良画像を生成し、疑似不良画像に基づいて検査の確からしさを点検する。
【0007】
この構成では、物品サンプルを利用することなく、検査時の検査画像から生成される疑似不良画像を用いて検査の確からしさが点検される。これにより、物品の生産中に検査の確からしさを点検する場合であっても、作業者の作業負担を軽減しつつ、物品サンプルが流出するリスクを低減できる。
【0008】
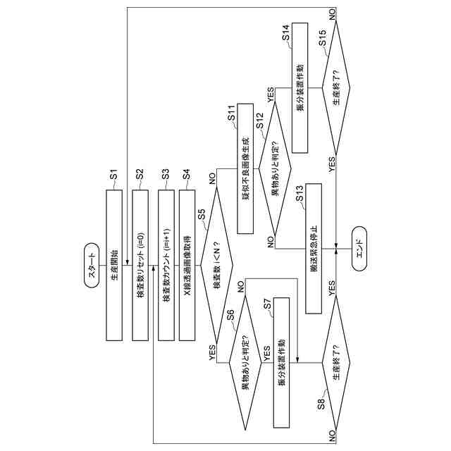
(2)上記(1)に記載のX線検査装置では、制御部は、予め設定された時間が経過したとき、又は、予め設定された数の物品を検査したときに疑似不良画像を生成し、自動的に点検を実行してもよい。この構成では、予め設定されたルールに従って、検査の確からしさの点検が自動的に実行されるようになる。これにより、作業者の負担を軽減させることができる。
【0009】
(3)上記(1)に記載のX線検査装置では、制御部は、検査画像に含まれる物品の外形を抽出し、抽出された外形の内側の画素の一部の画素値を変更することによって疑似不良画像を生成してもよい。この構成では、制御部によって生成される疑似不良画像が、生産ラインで生産されている物品に異常が生じたときに取得される検査画像に近い画像となる。これにより、生産ラインで生産されている物品に異常が生じたときに実際に取得されるような検査画像に基づいて検査の確からしさが点検されるので、その点検精度を高めることができる。
【0010】
(4)上記(1)~(3)の何れか一つに記載のX線検査装置では、制御部は、物品に異物が含まれる前記疑似不良画像を生成し、疑似不良画像に基づく検査によって異物が含まれないとの検査結果を得た場合、検査の確からしさに問題があると判定してもよい。この構成では、本来であれば異物が含まれると判定されなければならないところ、異物が含まれないと判定されてしまう異常を検出することができる。
(【0011】以降は省略されています)
この特許をJ-PlatPat(特許庁公式サイト)で参照する
関連特許
個人
メジャー文具
8日前
個人
アクセサリー型テスター
1日前
個人
高精度同時多点測定装置
今日
ユニパルス株式会社
ロードセル
7日前
アズビル株式会社
圧力センサ
13日前
株式会社ヨコオ
ソケット
6日前
株式会社チノー
放射光測温装置
7日前
株式会社ヨコオ
ソケット
7日前
ダイキン工業株式会社
監視装置
5日前
エイブリック株式会社
磁気センサ回路
13日前
トヨタ自動車株式会社
監視装置
6日前
株式会社東芝
重量測定装置
12日前
TDK株式会社
磁気センサ
6日前
長崎県
形状計測方法
1日前
TDK株式会社
ガスセンサ
13日前
TDK株式会社
ガスセンサ
12日前
TDK株式会社
ガスセンサ
7日前
ダイハツ工業株式会社
移動支援装置
6日前
中国電力株式会社
電柱管理システム
5日前
日本特殊陶業株式会社
センサ
5日前
多摩川精機株式会社
冗長エンコーダ
6日前
三恵技研工業株式会社
融雪レドーム
6日前
日本特殊陶業株式会社
センサ
5日前
富士電機株式会社
エンコーダ
13日前
日本特殊陶業株式会社
センサ
5日前
日本特殊陶業株式会社
センサ
5日前
日本特殊陶業株式会社
センサ
5日前
三菱マテリアル株式会社
温度センサ
8日前
TDK株式会社
電磁波センサ
7日前
株式会社精工技研
光電界センサヘッド
13日前
住友電気工業株式会社
分析方法
8日前
コイト電工株式会社
座席濡れ検知装置
5日前
日鉄テックスエンジ株式会社
聴音装置
7日前
株式会社不二越
X線測定システム
今日
ミツミ電機株式会社
超音波風速計
5日前
株式会社トプコン
測定装置
5日前
続きを見る
他の特許を見る