TOP
|
特許
|
意匠
|
商標
特許ウォッチ
Twitter
他の特許を見る
公開番号
2025179372
公報種別
公開特許公報(A)
公開日
2025-12-10
出願番号
2024086081
出願日
2024-05-28
発明の名称
端子台
出願人
矢崎総業株式会社
代理人
弁理士法人虎ノ門知的財産事務所
主分類
H01R
9/22 20060101AFI20251203BHJP(基本的電気素子)
要約
【課題】第1接続端子と第2接続端子との間の公差を吸収することができる端子台を提供することを目的とする。
【解決手段】端子台1は、バスバ10と、バスバ10の第2接続部12が軸線方向Xに沿って挿入される挿入空間部21が設けられたハウジング20と、第2接続部12と共に挿入空間部21に挿入され、第2接続部12の外面と挿入空間部21の内面との間の環状の空間をシールするパッキン30と、第2接続部12が軸線方向Xに沿って挿通されるバスバ挿通部41を有し、当該バスバ挿通部41に第2接続部12が挿通されかつパッキン30を軸線方向Xに支持した状態で、挿入空間部21に挿入されるパッキンホルダ40と、を備え、バスバ挿通部41は、第2接続部12の板厚方向Zへの変形を許容するための第1隙間S1を含んで構成される。
【選択図】図6
特許請求の範囲
【請求項1】
軸線方向に沿って延在し第1接続端子と接続される第1接続部と、前記軸線方向に沿って延在すると共に前記第1接続部に対して前記軸線方向および当該軸線方向と交差する板厚方向にずれて位置され第2接続端子と接続される第2接続部と、前記第1接続部と前記第2接続部との間に接続され前記板厚方向に沿って延在する中間部と、を有したバスバと、
前記バスバの前記第2接続部が前記軸線方向に沿って挿入される挿入空間部が設けられたハウジングと、
前記第2接続部と共に前記挿入空間部に挿入され、前記第2接続部の外面と前記挿入空間部の内面との間の環状の空間をシールするパッキンと、
前記第2接続部が前記軸線方向に沿って挿通されるバスバ挿通部を有し、当該バスバ挿通部に前記第2接続部が挿通されかつ前記パッキンを前記軸線方向に支持した状態で、前記挿入空間部に挿入されるパッキンホルダと、を備え、
前記バスバ挿通部は、前記第2接続部の前記板厚方向への変形を許容するための第1隙間を含んで構成される、
端子台。
続きを表示(約 220 文字)
【請求項2】
前記第1隙間の前記板厚方向に沿った開口幅は、前記第2接続部の前記板厚方向に沿った厚さよりも大きい、
請求項1に記載の端子台。
【請求項3】
前記ハウジングは、前記挿入空間部の周縁部において前記中間部と前記軸線方向に対向する一端面を有し、
前記一端面と前記中間部との間には、当該中間部の前記軸線方向への変形を許容するための第2隙間が設けられる、
請求項1または2に記載の端子台。
発明の詳細な説明
【技術分野】
【0001】
本発明は、端子台に関する。
続きを表示(約 2,000 文字)
【背景技術】
【0002】
従来の端子台に関する技術として、例えば、特許文献1には、第1接続端子と接続される第1接続部と、第2接続端子と接続される第2接続部と、第1接続部と第2接続部との間に接続される中間部と、を有したバスバと、バスバの第2接続部が挿入される挿入空間部が設けられたハウジングと、を備えた端子台が開示されている。
【先行技術文献】
【特許文献】
【0003】
特開2022-024667号公報
【発明の概要】
【発明が解決しようとする課題】
【0004】
ところで、上述した特許文献1に記載の端子台では、例えば、第1接続端子と第2接続端子との間の公差を吸収する点で更なる改善の余地がある。
【0005】
本発明は、上記の事情に鑑みてなされたものであって、第1接続端子と第2接続端子との間の公差を吸収することができる端子台を提供することを目的とする。
【課題を解決するための手段】
【0006】
上記目的を達成するために、本発明に係る端子台は、軸線方向に沿って延在し第1接続端子と接続される第1接続部と、前記軸線方向に沿って延在すると共に前記第1接続部に対して前記軸線方向および当該軸線方向と交差する板厚方向にずれて位置され第2接続端子と接続される第2接続部と、前記第1接続部と前記第2接続部との間に接続され前記板厚方向に沿って延在する中間部と、を有したバスバと、前記バスバの前記第2接続部が前記軸線方向に沿って挿入される挿入空間部が設けられたハウジングと、前記第2接続部と共に前記挿入空間部に挿入され、前記第2接続部の外面と前記挿入空間部の内面との間の環状の空間をシールするパッキンと、前記第2接続部が前記軸線方向に沿って挿通されるバスバ挿通部を有し、当該バスバ挿通部に前記第2接続部が挿通されかつ前記パッキンを前記軸線方向に支持した状態で、前記挿入空間部に挿入されるパッキンホルダと、を備え、前記バスバ挿通部は、前記第2接続部の前記板厚方向への変形を許容するための第1隙間を含んで構成される。
【発明の効果】
【0007】
本発明に係る端子台では、バスバ挿通部は、第2接続部の板厚方向への変形を許容するための第1隙間を含んで構成される。この構成により、端子台は、例えば、第1接続端子および第2接続端子に対する組付時に第1隙間によって第2接続部の板厚方向への変形を許容することができる。この結果、端子台は、第1接続端子と第2接続端子との間の公差を吸収することができる、という効果を奏する。
【図面の簡単な説明】
【0008】
図1は、実施形態に係る端子台の例示的な斜視図である。
図2は、実施形態に係る端子台の例示的な分解斜視図である。
図3は、実施形態に係る端子台のパッキンの例示的な斜視図である。
図4は、実施形態に係る端子台のパッキンホルダの例示的な斜視図である。
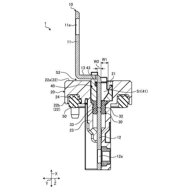
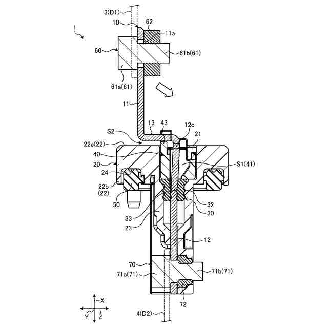
図5は、実施形態に係る端子台の例示的な断面図である。
図6は、実施形態に係る端子台の例示的な断面図であって、バスバが変形した状態の図である。
【発明を実施するための形態】
【0009】
以下、本発明に係る実施形態を図面に基づいて詳細に説明する。なお、下記実施形態によりこの発明が限定されるものではない。また、下記実施形態における構成要素には、当業者が置換可能かつ容易なもの、あるいは実質的に同一のものが含まれる。なお、本明細書では、序数は、部品や、部材、部位、位置、方向等を区別するためだけに用いられており、順番や優先度を示すものではない。
【0010】
[実施形態]
図1は、実施形態に係る端子台1の斜視図である。図1に示される本実施形態の端子台1は、例えば、電気自動車やハイブリッド自動車等の車両に搭載され、第1機器D1と第2機器D2との電気的接続を中継するものである。本実施形態の端子台1は、複数のバスバ10を含んで構成され、当該複数のバスバ10の一端部に設けられた第1接続部11に対して第1機器D1の第1接続端子3(図6参照)が電気的に接続される。また、本実施形態の端子台1は、複数のバスバ10の他端部に設けられた第2接続部12に対して第2機器D2の第2接続端子4が電気的に接続される。第1機器D1は、例えば、モータおよびインバータのうちの一方であり、第2機器D2は、例えば、モータおよびインバータのうちの他方である。なお、端子台1は、この例には限定されず、例えば、第1機器D1または第2機器D2と配索材との中継や、配索材と配索材との中継等に用いられてもよい。
(【0011】以降は省略されています)
この特許をJ-PlatPat(特許庁公式サイト)で参照する
関連特許
矢崎総業株式会社
端子
12日前
矢崎総業株式会社
端子
1か月前
矢崎総業株式会社
端子台
今日
矢崎総業株式会社
端子台
7日前
矢崎総業株式会社
箱状体
2か月前
矢崎総業株式会社
箱状体
2か月前
矢崎総業株式会社
箱状体
1か月前
矢崎総業株式会社
箱状体
1か月前
矢崎総業株式会社
箱状体
1か月前
矢崎総業株式会社
端子台
7日前
矢崎総業株式会社
端子台
7日前
矢崎総業株式会社
端子台
7日前
矢崎総業株式会社
照明灯
3か月前
矢崎総業株式会社
端子台
今日
矢崎総業株式会社
端子台
今日
矢崎総業株式会社
端子台
今日
矢崎総業株式会社
コネクタ
2か月前
矢崎総業株式会社
コネクタ
21日前
矢崎総業株式会社
コネクタ
20日前
矢崎総業株式会社
照明装置
1か月前
矢崎総業株式会社
コネクタ
2か月前
矢崎総業株式会社
コネクタ
20日前
矢崎総業株式会社
電源回路
20日前
矢崎総業株式会社
報知装置
1か月前
矢崎総業株式会社
コネクタ
2か月前
矢崎総業株式会社
コネクタ
2か月前
矢崎総業株式会社
照明装置
1か月前
矢崎総業株式会社
照明装置
1か月前
矢崎総業株式会社
照明装置
1か月前
矢崎総業株式会社
コネクタ
12日前
矢崎総業株式会社
コネクタ
12日前
矢崎総業株式会社
コネクタ
2か月前
矢崎総業株式会社
コネクタ
2か月前
矢崎総業株式会社
コネクタ
13日前
矢崎総業株式会社
コネクタ
2か月前
矢崎総業株式会社
バスバー
1日前
続きを見る
他の特許を見る