TOP
|
特許
|
意匠
|
商標
特許ウォッチ
Twitter
他の特許を見る
公開番号
2025159512
公報種別
公開特許公報(A)
公開日
2025-10-21
出願番号
2024062134
出願日
2024-04-08
発明の名称
報知装置
出願人
矢崎総業株式会社
代理人
個人
,
個人
,
個人
主分類
B60Q
5/00 20060101AFI20251014BHJP(車両一般)
要約
【課題】車両に搭載される報知装置であって、歩行者を追い越すような速度域でのみ音を発する簡素な構成の報知装置を提供する。
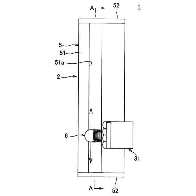
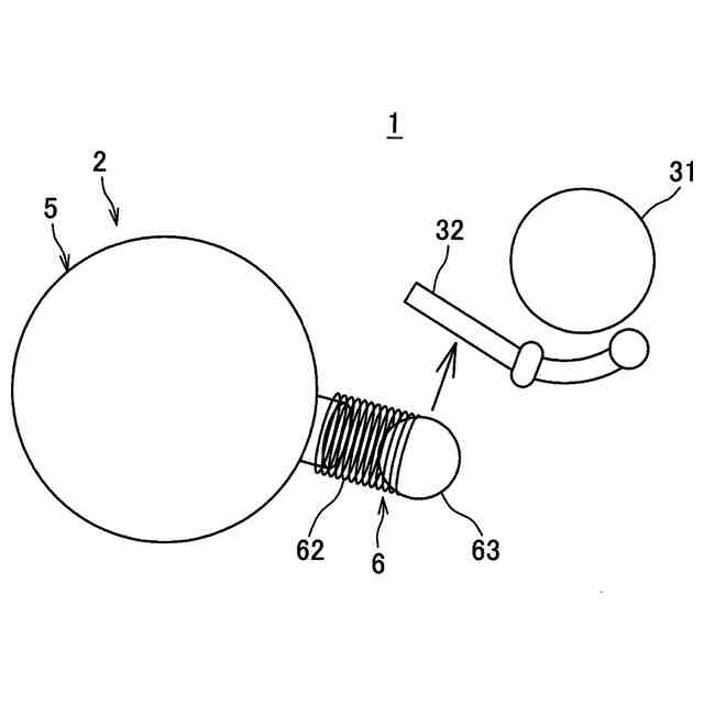
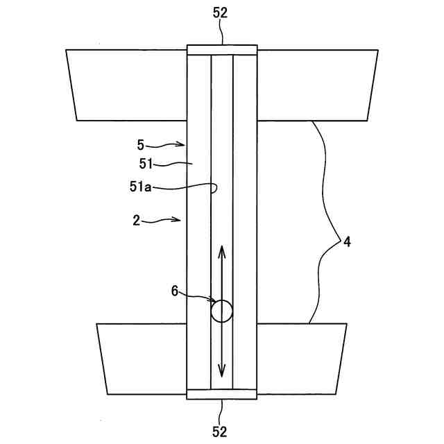
【解決手段】自転車10に搭載された報知装置1は、フロントフォーク11に固定された鐘31と、鐘31を鳴らすための打ち棒6と、打ち棒6を車輪12の径方向に移動可能かつ弾性的に支持した支持部2と、を備えている。支持部2は、筒5と、筒5内に収容されたコイルばねと、を有している。打ち棒6は、筒5に形成されたスリットを通されている。鐘31は、打ち棒6の可動範囲の中間に固定されている。このように簡素な構成の報知装置1は、歩行者を追い越すような速度域(6~10km/h)でのみ歩行者への報知音が自動的に鳴り、それ以外の時は報知音が鳴らないので、不必要な騒音を生じさせることなく交通安全に貢献することができる。
【選択図】図1
特許請求の範囲
【請求項1】
打撃体と、
車両の車輪に固定されて、前記打撃体を前記車輪の径方向に移動可能かつ弾性的に支持する支持部と、
前記車両の固定部に固定され、前記打撃体に直接又は間接的に打撃される発音体と、を備え、
前記発音体は、前記打撃体の可動範囲の中間に固定される
ことを特徴とする報知装置。
続きを表示(約 350 文字)
【請求項2】
前記車両が自転車であり、
前記固定部がフロントフォークである
ことを特徴とする請求項1に記載の報知装置。
【請求項3】
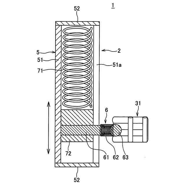
前記支持部が、コイルばねを有している
ことを特徴とする請求項1に記載の報知装置。
【請求項4】
前記支持部が、筒と、該筒内に収容されたコイルばねと、を有し、
前記筒に、当該筒の軸方向に延びたスリットが形成されており、
前記打撃体は、前記スリットを通されている
ことを特徴とする請求項1に記載の報知装置。
【請求項5】
前記車両の速度が中速域の範囲である際に、前記打撃体が直接又は間接的に前記発音体を打撃する
ことを特徴とする請求項1に記載の報知装置。
発明の詳細な説明
【技術分野】
【0001】
本発明は、車両に搭載される報知装置に関するものである。
続きを表示(約 1,100 文字)
【背景技術】
【0002】
車両に搭載され、走行時に音を発生させることで歩行者に車両の接近を知らせる報知装置が公知である。
【0003】
例えば特許文献1には、自転車の車輪にピンを取り付け、ホークに発音体を取り付けて、車輪が回転するとピンが発音体に当たって音を発するようにした装置が開示されている。この装置は、自転車の走行中は周期的に音が鳴り続けるものである。
【0004】
また、特許文献2には、低騒音自動車のホイールに固定される筒と、該筒内に収納された重りと、を備え、自動車の低速走行時には重りがスライド移動することで音を出し、高速走行時には遠心力により重りが移動せず音を出さない装置が開示されている。
【先行技術文献】
【特許文献】
【0005】
実全昭52-164967号公報
特開2011-20665号公報
【発明の概要】
【発明が解決しようとする課題】
【0006】
上記特許文献1の装置は、自転車の走行速度に関わらず走行中は周期的に音が鳴り続けるものであった。よって、歩行者がいない車道を例えば20km/hで走行している時にも音が出てしまい、不必要な騒音になってしまうという問題があった。
【0007】
上記特許文献2の装置は、遠心力が働く高速走行時には音を出さないが、遠心力が働かない低速走行時には、かなりゆっくりと走行している時でも音が出る構造であった。よって、この装置を例えば自転車に適用した場合、当該自転車を押して歩いているような時にも音が出てしまい、運転者に煩わしさを与えてしまうという問題があった。
【0008】
そこで、本発明は、車両に搭載される報知装置であって、歩行者を追い越すような速度域でのみ音を発する簡素な構成の報知装置を提供することを目的とする。
【課題を解決するための手段】
【0009】
本発明は、打撃体と、車両の車輪に固定されて、前記打撃体を前記車輪の径方向に移動可能かつ弾性的に支持する支持部と、前記車両の固定部に固定され、前記打撃体に直接又は間接的に打撃される発音体と、を備え、前記発音体は、前記打撃体の可動範囲の中間に固定されることを特徴とする報知装置である。
【発明の効果】
【0010】
本発明によれば、歩行者を追い越すような速度域でのみ音を発する簡素な構成の報知装置を提供することができる。
【図面の簡単な説明】
(【0011】以降は省略されています)
この特許をJ-PlatPat(特許庁公式サイト)で参照する
関連特許
矢崎総業株式会社
端子
21日前
矢崎総業株式会社
箱状体
1か月前
矢崎総業株式会社
箱状体
1か月前
矢崎総業株式会社
箱状体
14日前
矢崎総業株式会社
箱状体
14日前
矢崎総業株式会社
箱状体
14日前
矢崎総業株式会社
コネクタ
1か月前
矢崎総業株式会社
止水部材
1か月前
矢崎総業株式会社
接続構造
14日前
矢崎総業株式会社
照明装置
21日前
矢崎総業株式会社
コネクタ
1か月前
矢崎総業株式会社
コネクタ
1か月前
矢崎総業株式会社
コネクタ
1か月前
矢崎総業株式会社
コネクタ
1か月前
矢崎総業株式会社
コネクタ
1か月前
矢崎総業株式会社
照明装置
27日前
矢崎総業株式会社
バスバー
1か月前
矢崎総業株式会社
コネクタ
1か月前
矢崎総業株式会社
コネクタ
13日前
矢崎総業株式会社
コネクタ
1か月前
矢崎総業株式会社
コネクタ
1か月前
矢崎総業株式会社
コネクタ
1か月前
矢崎総業株式会社
照明装置
22日前
矢崎総業株式会社
照明装置
22日前
矢崎総業株式会社
報知装置
28日前
矢崎総業株式会社
コネクタ
1か月前
矢崎総業株式会社
コネクタ
1か月前
矢崎総業株式会社
コネクタ
1か月前
矢崎総業株式会社
照明構造
1か月前
矢崎総業株式会社
コネクタ
13日前
矢崎総業株式会社
カバー構造
19日前
矢崎総業株式会社
電気接続箱
1か月前
矢崎総業株式会社
電気接続箱
1か月前
矢崎総業株式会社
プロテクタ
1か月前
矢崎総業株式会社
電気接続箱
1か月前
矢崎総業株式会社
ゴムブーツ
1か月前
続きを見る
他の特許を見る