TOP
|
特許
|
意匠
|
商標
特許ウォッチ
Twitter
他の特許を見る
10個以上の画像は省略されています。
公開番号
2025178283
公報種別
公開特許公報(A)
公開日
2025-12-05
出願番号
2025151300,2023530313
出願日
2025-09-11,2020-11-18
発明の名称
電気化学装置およびそれを含む電子装置
出願人
寧徳新能源科技有限公司
,
Ningde Amperex Technology Limited
代理人
弁理士法人太陽国際特許事務所
主分類
H01M
50/193 20210101AFI20251128BHJP(基本的電気素子)
要約
【課題】改良されたホットボックス性能および高温保存特性を有する電気化学装置を提供する。
【解決手段】本発明は、電気化学装置およびそれを含む電子装置に関する。本発明は、電極と電解液とを含む電気化学装置であって、前記電極は、集電体と、前記集電体の少なくとも一方の表面上に位置する活物質層と、前記集電体上に位置するタブと、前記タブ上に位置するタブ保護層とを含み、前記タブ保護層は、第1ポリマー層を含み、前記第1ポリマー層の融点T
A
℃は、110≦T
A
≦136.5を満たし、前記電解液は、エチレンカーボネートとプロピレンカーボネートとを含み、前記電解液の重量に基づいて、前記エチレンカーボネートの重量分率と前記プロピレンカーボネートの重量分率との合計は、Y%であり、Yは20~80であり、そして、YとT
A
は、0.147<Y/T
A
<0.7を満たす、電気化学装置を提供する。
【選択図】図1
特許請求の範囲
【請求項1】
電気化学装置であって、電極と電解液とを含み、
前記電極は、集電体と、前記集電体の少なくとも一方の表面上に位置する活物質層と、前記集電体上に位置するタブと、前記タブ上に位置するタブ保護層とを含み、
前記タブ保護層は、第1ポリマー層を含み、
前記第1ポリマー層の融点T
A
℃は、110≦T
A
≦136.5を満たし、
前記電解液は、エチレンカーボネートとプロピレンカーボネートとを含み、
前記電解液の重量に基づいて、前記エチレンカーボネートの重量分率と前記プロピレンカーボネートの重量分率との合計をY%とするとき、Yは20~80であり、そして、
YとT
A
は、0.147<Y/T
A
<0.7を満たし、
前記電解液は、ジニトリル化合物およびトリニトリル化合物をさらに含み、
前記ジニトリル化合物は、スクシノニトリル、グルタロニトリル、アジポニトリル、1,5-ジシアノペンタン、1,6-ジシアノヘキサン、1,7-ジシアノヘプタン、1,8-ジシアノオクタン、1,9-ジシアノノナン、1,10-ジシアノデカン、1,12-ジシアノドデカン、テトラメチルスクシノニトリル、2-メチルグルタロニトリル、2,4-ジメチルグルタロニトリル、2,2,4,4-テトラメチルグルタロニトリル、およびエチレングリコールビス(プロピオニトリル)エーテルのうちの少なくとも1種を含み、
前記トリニトリル化合物は、1,3,5-ペンタントリカルボニトリル、1,2,3-プロパントリカルボニトリル、1,2,6-ヘキサントリカルボニトリル、1,3,6-ヘキサントリカルボニトリル、1,2,3-トリ(2-シアノエトキシ)プロパン、1,2,4-トリス(2-シアノエトキシ)ブタン、および1,2,5-トリス(シアノエトキシ)ペンタンのうちの少なくとも1種を含む、電気化学装置。
続きを表示(約 1,100 文字)
【請求項2】
前記タブ保護層は第2ポリマー層をさらに含み、
前記第2ポリマー層の融点T
B
℃は、T
B
≦160を満たし、そして、
T
A
とT
B
は、0<T
B
-T
A
≦50を満たす、請求項1に記載の電気化学装置。
【請求項3】
前記第1ポリマー層は、無水マレイン酸グラフト変性ポリプロピレン、カルボキシル基含有ポリオレフィン樹脂、およびポリエチレンのうちの少なくとも1種を含む、請求項1に記載の電気化学装置。
【請求項4】
前記第2ポリマー層は、ポリプロピレン樹脂を含む、請求項2に記載の電気化学装置。
【請求項5】
前記電解液は、プロピオン酸エステルをさらに含み、
前記プロピオン酸エステルの重量分率は、前記電解液の重量に基づいて、10%~60%である、請求項1に記載の電気化学装置。
【請求項6】
前記プロピオン酸エステルは、プロピオン酸メチル、プロピオン酸エチル、プロピオン酸プロピル、プロピオン酸ブチル、プロピオン酸ペンチル、フルオロプロピオン酸メチル、フルオロプロピオン酸エチル、フルオロプロピオン酸プロピル、フルオロプロピオン酸ブチル、およびフルオロプロピオン酸ペンチルのうちの少なくとも1種を含み、
フルオロとは、少なくとも1つの水素原子がフッ素原子で置換されることである、請求項5に記載の電気化学装置。
【請求項7】
前記電解液は、トリメチルアセテート化合物をさらに含む、請求項1に記載の電気化学装置。
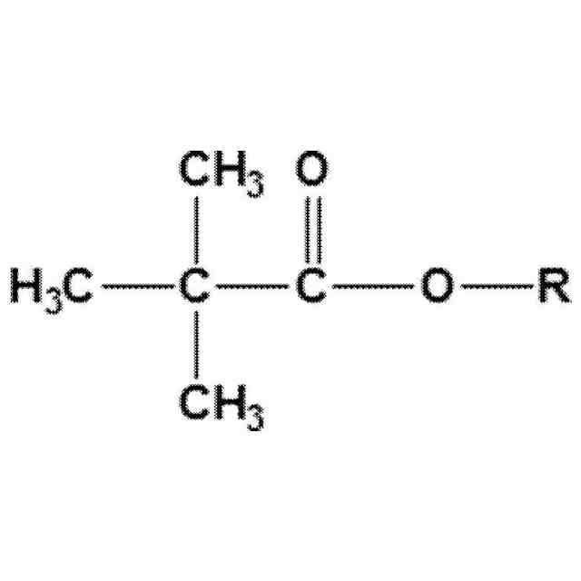
【請求項8】
前記トリメチルアセテート化合物の構造式は、
JPEG
2025178283000011.jpg
48
95
であり、
ここで、RはC
1
~C
10
アルキル、C
2
~C
10
アルケニル、C
1
~C
10
ハロアルキル、C
2
~C
10
ハロアルケニル、ハロゲン、アリール、またはアミドである、請求項7に記載の電気化学装置。
【請求項9】
前記トリメチルアセテート化合物は、トリメチル酢酸メチルおよびトリメチル酢酸エチルのうちの少なくとも1種を含む、請求項7に記載の電気化学装置。
【請求項10】
請求項1~9のいずれか1項に記載の電気化学装置を含む、電子装置。
発明の詳細な説明
【技術分野】
【0001】
本発明は、エネルギー貯蔵分野に関し、具体的には電気化学装置およびそれを含む電子装置、特にリチウムイオン電池に関する。
続きを表示(約 1,300 文字)
【背景技術】
【0002】
スマート製品の普及と応用に伴い、携帯電話、ノートパソコン、カメラなどの電子製品に対する需要は年々増加している。リチウムイオン電池のような電気化学装置は、電子製品の動作電源として、エネルギー密度が高く、メモリー効果がなく、動作電圧が高いなどの特徴があり、次第に伝統的なNi-Cd、MH-Ni電池に取って代わっている。しかし、電子製品の軽量化や薄形化と携帯化の発展に伴い、リチウムイオン電池に対する要求は高まっており、サイクル安定性が良く、インピーダンスが小さく、自己放電が少なく、安全なリチウムイオン電池の開発は、市場の主要な需要の一つになっている。
【発明の概要】
【0003】
本発明の実施例は、関連分野に存在する問題の少なくとも1つを、少なくともある程度解決しようとする電気化学装置を提供する。本発明の実施例は、当該電気化学装置を含む電子装置をさらに提供する。
【0004】
一つの実施例において、本発明は、電極と電解液とを含む電気化学装置を提供する。
【0005】
一つの実施例において、前記電極は、集電体と、前記集電体の少なくとも一方の表面上に位置する活物質層と、前記集電体上に位置するタブと、前記タブ上に位置するタブ保護層とを含む。前記タブ保護層は、第1ポリマー層を含み、当該第1ポリマー層の融点T
A
℃は、110≦T
A
≦136.5を満たす。
【0006】
一つの実施例において、前記電解液は、エチレンカーボネートとプロピレンカーボネートとを含み、ここで、前記電解液の重量に基づいて、前記エチレンカーボネートの重量分率と前記プロピレンカーボネートの重量分率との合計は、Y%であり、Yは20~80であり、そして、YとT
A
は、0.147<Y/T
A
<0.7を満たす。
【0007】
いくつかの実施例において、前記タブ保護層は第2ポリマー層をさらに含み、前記第2ポリマー層の融点T
B
℃は、T
B
≦160を満たし、そして、T
A
とT
B
は、0<T
B
-T
A
≦50を満たす。
【0008】
いくつかの実施例において、前記第1ポリマー層は、無水マレイン酸グラフト変性ポリプロピレン、カルボキシル基含有ポリオレフィン樹脂、およびポリエチレンのうちの少なくとも1種を含む。
【0009】
いくつかの実施例において、前記第2ポリマー層は、ポリプロピレンおよびポリプロピレン変性樹脂のうちの少なくとも1種を含む。
【0010】
いくつかの実施例において、前記電解液は、プロピオン酸エステルをさらに含み、ここで、前記電解液の重量に基づいて、前記プロピオン酸エステルの重量分率は、10%~60%である。
(【0011】以降は省略されています)
この特許をJ-PlatPat(特許庁公式サイト)で参照する
関連特許
APB株式会社
蓄電セル
1か月前
東ソー株式会社
絶縁電線
1か月前
日機装株式会社
加圧装置
4日前
マクセル株式会社
電源装置
1か月前
株式会社東芝
端子台
1か月前
ローム株式会社
半導体装置
1か月前
日新イオン機器株式会社
イオン源
4日前
三菱電機株式会社
回路遮断器
27日前
株式会社GSユアサ
蓄電装置
19日前
富士電機株式会社
電磁接触器
19日前
株式会社ホロン
冷陰極電子源
1か月前
株式会社GSユアサ
蓄電装置
1か月前
株式会社GSユアサ
蓄電装置
1か月前
株式会社GSユアサ
蓄電装置
1か月前
トヨタ自動車株式会社
バッテリ
1か月前
株式会社東芝
電子源
4日前
日新イオン機器株式会社
基板処理装置
1か月前
株式会社トクミ
ケーブル
5日前
トヨタ自動車株式会社
蓄電装置
1か月前
個人
電源ボックス及び電子機器
4日前
ホシデン株式会社
複合コネクタ
13日前
トヨタ自動車株式会社
蓄電装置
11日前
トヨタ自動車株式会社
冷却構造
1か月前
大電株式会社
電線又はケーブル
11日前
日本特殊陶業株式会社
保持装置
1か月前
日本特殊陶業株式会社
保持装置
1か月前
北道電設株式会社
配電具カバー
1か月前
日本無線株式会社
レーダアンテナ
1か月前
ローム株式会社
半導体装置
1か月前
住友電装株式会社
コネクタ
19日前
トヨタ自動車株式会社
密閉型電池
1か月前
日亜化学工業株式会社
半導体レーザ素子
1か月前
株式会社レゾナック
冷却器
27日前
トヨタ自動車株式会社
電池パック
1か月前
住友電装株式会社
コネクタ
1か月前
株式会社デンソー
電子装置
1か月前
続きを見る
他の特許を見る