TOP
|
特許
|
意匠
|
商標
特許ウォッチ
Twitter
他の特許を見る
10個以上の画像は省略されています。
公開番号
2025174188
公報種別
公開特許公報(A)
公開日
2025-11-28
出願番号
2024080316
出願日
2024-05-16
発明の名称
冷却装置
出願人
富士電機株式会社
代理人
個人
,
個人
主分類
F25D
23/00 20060101AFI20251120BHJP(冷凍または冷却;加熱と冷凍との組み合わせシステム;ヒートポンプシステム;氷の製造または貯蔵;気体の液化または固体化)
要約
【課題】実際の設置場所の環境において目詰まりの判定を適切に行うことが可能な冷却装置を提供する。
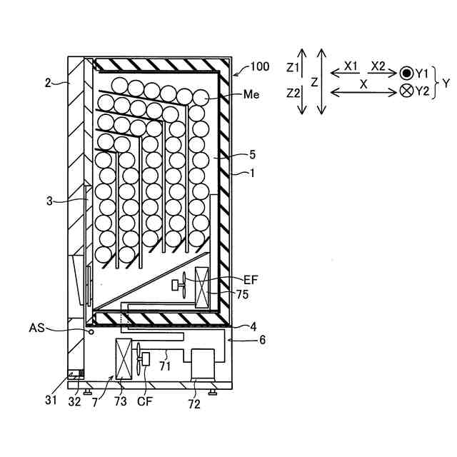
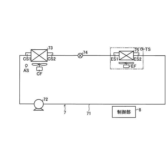
【解決手段】この自動販売機100は、蒸発器75と、圧縮機72と、凝縮器73と、膨張部74とを含む冷却装置本体と、冷却装置本体の周囲の温度を計測するための温度センサASとを備える。自動販売機100は、冷却装置本体の設置後において、温度センサASにより計測された冷却装置本体の周囲の周囲温度と、凝縮器73の冷媒の温度に基づいて取得される凝縮器冷媒温度、および、圧縮機72の圧縮に関する値のうち少なくとも1つを含む取得情報とに基づいて、凝縮器73を冷却する空気が流れる経路において異物に起因する目詰まりが発生したか否かを判定するための目詰まり判定指標Afiを取得する制御部8を備える。
【選択図】図5
特許請求の範囲
【請求項1】
膨張させた冷媒を蒸発させて空気を冷却する蒸発器と、前記蒸発器において蒸発した冷媒を圧縮する圧縮機と、前記圧縮機から吐出された冷媒を凝縮する凝縮器と、前記凝縮器により凝縮された冷媒を膨張させる膨張部とを含む冷却装置本体と、
前記冷却装置本体の周囲の温度を計測するための温度センサと、
前記冷却装置本体の設置後において、前記温度センサにより計測された前記冷却装置本体の周囲の周囲温度と、前記凝縮器の冷媒の温度に基づいて取得される凝縮器冷媒温度、および、前記圧縮機の圧縮に関する値のうち少なくとも1つを含む取得情報とに基づいて、前記凝縮器を冷却する空気が流れる経路において異物に起因する目詰まりが発生したか否かを判定するための目詰まり判定指標を取得する制御部とを備える、冷却装置。
続きを表示(約 1,700 文字)
【請求項2】
前記制御部は、前記冷却装置本体の設置後において、計測された前記周囲温度と、前記凝縮器冷媒温度および前記圧縮機の圧縮に関する値のうち少なくとも1つを含む前記取得情報とに基づいて、前記目詰まり判定指標を順次更新する制御を行うように構成されている、請求項1に記載の冷却装置。
【請求項3】
前記制御部は、前記蒸発器に供給される冷媒の蒸発器冷媒温度と、前記周囲温度と、前記凝縮器冷媒温度および前記圧縮機の圧縮に関する値のうち少なくとも1つを含む前記取得情報とに基づいて、前記蒸発器冷媒温度ごとの前記目詰まり判定指標を取得する制御を行うように構成されている、請求項1に記載の冷却装置。
【請求項4】
前記制御部は、冷却対象に対して通常の冷却を行うための設定温度に基づいて行われる通常の冷却運転時における、前記周囲温度と、前記凝縮器冷媒温度および前記圧縮機の圧縮に関する値のうち少なくとも1つを含む前記取得情報とに基づいて、前記目詰まり判定指標を取得する制御を行うように構成されている、請求項1に記載の冷却装置。
【請求項5】
前記目詰まり判定指標は、前記周囲温度の変化に対して、前記凝縮器冷媒温度および前記圧縮機の圧縮に関する値のうち少なくとも1つを含む前記取得情報の数値が変化するような、前記周囲温度と前記取得情報の数値との相関関係に基づく指標である、請求項1に記載の冷却装置。
【請求項6】
前記制御部は、前記相関関係に基づく前記目詰まり判定指標に基づいて、目詰まり許容範囲を設定し、前記凝縮器冷媒温度および前記圧縮機の圧縮に関する値のうち少なくとも1つを含む前記取得情報の数値と、設定した前記目詰まり許容範囲とに基づいて、目詰まりに関する情報を表示部に表示する制御を行うように構成されている、請求項5に記載の冷却装置。
【請求項7】
前記制御部は、前記凝縮器冷媒温度および前記圧縮機の圧縮に関する値のうち少なくとも1つを含む前記取得情報の数値が前記目詰まり許容範囲外である場合に、目詰まりの発生を前記目詰まりに関する情報として前記表示部に表示する制御を行うように構成されている、請求項6に記載の冷却装置。
【請求項8】
前記制御部は、前記凝縮器冷媒温度および前記圧縮機の圧縮に関する値のうち少なくとも1つを含む前記取得情報の数値が前記目詰まり許容範囲内である場合に、前記凝縮器冷媒温度および前記圧縮機の圧縮に関する値のうち少なくとも1つを含む前記取得情報の数値と、前記目詰まり許容範囲とに基づいて、目詰まり度合いを算出し、算出した前記目詰まり度合いを前記目詰まりに関する情報として前記表示部に表示する制御を行うように構成されている、請求項6に記載の冷却装置。
【請求項9】
前記制御部は、前記冷却装置本体の設置前に取得された設置前目詰まり判定指標に基づいて、前記異物に起因する目詰まりが発生したか否かを判定しつつ、前記冷却装置本体の設置後において、計測された前記周囲温度と、前記凝縮器冷媒温度および前記圧縮機の圧縮に関する値のうち少なくとも1つを含む前記取得情報とに基づいて、前記設置前目詰まり判定指標を前記目詰まり判定指標に更新する制御を行うように構成されている、請求項1に記載の冷却装置。
【請求項10】
前記冷却装置本体を構成し、前記圧縮機、前記凝縮器および前記温度センサが内部に収容された筐体部をさらに備え、
前記温度センサは、前記筐体部内において、前記圧縮機および前記凝縮器よりも前記凝縮器に向かって流れる空気の空気流れ方向の上流側の離れた位置に配置されており、
前記制御部は、前記温度センサにより計測された前記周囲温度と、前記凝縮器冷媒温度および前記圧縮機の圧縮に関する値のうち少なくとも1つを含む前記取得情報とに基づいて、前記目詰まり判定指標を取得する制御を行うように構成されている、請求項1に記載の冷却装置。
(【請求項11】以降は省略されています)
発明の詳細な説明
【技術分野】
【0001】
この発明は、冷却装置に関する。
続きを表示(約 2,200 文字)
【背景技術】
【0002】
従来、冷却装置が知られている(たとえば、特許文献1参照)。
【0003】
上記特許文献1には、ショーケース(冷却装置)が開示されている。このショーケースは、圧縮機と、凝縮器と、減圧器(膨張部)と、蒸発器と、塵埃除去用フィルタと、外気温度センサと、凝縮器冷媒出口温度センサと、制御部とを備えている。塵埃除去用フィルタは、凝縮器に送られる空気から塵および埃を除去するように構成されている。外気温度センサは、ショーケース外の空気の温度を測定するように構成されている。凝縮器冷媒出口温度センサは、凝縮器から流出する冷媒の温度を測定するように構成されている。制御部は、塵埃除去用フィルタにおいて目詰まりが発生したか否かを判定する制御を行う。
【0004】
上記特許文献1の制御部は、塵埃除去用フィルタの目詰まりの限界を示すしきい値である警報予知ラインに基づいて、塵埃除去用フィルタにおいて目詰まりが発生したか否かを判定する制御を行う。警報予知ラインは、外気温度センサにより計測されるショーケース外の空気の温度と、凝縮器冷媒出口温度センサにより計測される冷媒の温度との相関曲線である。警報予知ラインは、ショーケースを設置場所に設置する前に、実験結果に基づいて、予め算出される。
【先行技術文献】
【特許文献】
【0005】
特開平5-10657号公報
【発明の概要】
【発明が解決しようとする課題】
【0006】
しかしながら、上記特許文献1のショーケースでは、塵埃除去用フィルタの目詰まりの判定を行うための警報予知ラインは、実験結果に基づいて、ショーケースを設置場所に設置する前に予め算出されたしきい値である。ここで、実験において想定された環境(たとえば、設置場所の通気性の良さ、温湿度の変化など)と、実際の設置場所の環境とが、異なる場合も多く、そのような場合、塵埃除去用フィルタの目詰まりの判定を適切に行えないことが考えられる。このため、実際の設置場所の環境において目詰まりの判定を適切に行うことが望まれている。
【0007】
この発明は、上記のような課題を解決するためになされたものであり、この発明の1つの目的は、実際の設置場所の環境において目詰まりの判定を適切に行うことが可能な冷却装置を提供することである。
【課題を解決するための手段】
【0008】
この発明の一の局面による冷却装置は、膨張させた冷媒を蒸発させて空気を冷却する蒸発器と、蒸発器において蒸発した冷媒を圧縮する圧縮機と、圧縮機から吐出された冷媒を凝縮する凝縮器と、凝縮器により凝縮された冷媒を膨張させる膨張部とを含む冷却装置本体と、冷却装置本体の周囲の温度を計測するための温度センサと、冷却装置本体の設置後において、温度センサにより計測された冷却装置本体の周囲の周囲温度と、凝縮器の冷媒の温度に基づいて取得される凝縮器冷媒温度、および、圧縮機の圧縮に関する値のうち少なくとも1つを含む取得情報とに基づいて、凝縮器を冷却する空気が流れる経路において異物に起因する目詰まりが発生したか否かを判定するための目詰まり判定指標を取得する制御部とを備える。
【0009】
この発明の一の局面による冷却装置では、上記のように、冷却装置本体の設置後において、温度センサにより計測された冷却装置本体の周囲の周囲温度と、凝縮器の冷媒の温度に基づいて取得される凝縮器冷媒温度、および、圧縮機の圧縮に関する値のうち少なくとも1つを含む取得情報とに基づいて、凝縮器を冷却する空気が流れる経路において異物に起因する目詰まりが発生したか否かを判定するための目詰まり判定指標を取得する制御部を設ける。これにより、冷却装置を実際の設置箇所に設置した後に取得された、周囲温度と、取得情報とに基づいて目詰まり判定指標を取得することにより、取得した目詰まり判定指標は、実際の設置箇所の環境に適した指標になるので、実際の設置箇所の環境において目詰まりを適切に判定することができる。また、凝縮器に向かって流れる空気の凝縮器前後の風圧の差を計測するための差圧センサを用いて目詰まりが発生したか否かを判定することなく、周囲温度と凝縮器出口冷媒温度とに基づく目詰まり判定指標を用いて目詰まりが発生したか否かを判定することができる。これにより、専用の差圧センサを設けて目詰まりが発生したか否かを判定する場合と比較して、冷却装置の構成要素の増加を抑制することができる。
【0010】
上記一の局面による冷却装置において、好ましくは、制御部は、冷却装置本体の設置後において、計測された周囲温度と、凝縮器冷媒温度および圧縮機の圧縮に関する値のうち少なくとも1つを含む取得情報とに基づいて、目詰まり判定指標を順次更新する制御を行うように構成されている。このように構成すれば、目詰まり判定指標を順次更新することにより、実際の設置箇所の環境の変化に合わせて目詰まり判定指標を更新することができるので、実際の設置箇所の環境において目詰まりをより適切に判定することができる。
(【0011】以降は省略されています)
この特許をJ-PlatPat(特許庁公式サイト)で参照する
関連特許
富士電機株式会社
集積回路
今日
富士電機株式会社
搬送機構
2か月前
富士電機株式会社
駆動回路
29日前
富士電機株式会社
溶接装置
2か月前
富士電機株式会社
冷却装置
2か月前
富士電機株式会社
冷却装置
今日
富士電機株式会社
電磁接触器
1か月前
富士電機株式会社
電磁接触器
1か月前
富士電機株式会社
半導体装置
2か月前
富士電機株式会社
パネル構造
今日
富士電機株式会社
半導体装置
1か月前
富士電機株式会社
半導体装置
1か月前
富士電機株式会社
電磁接触器
1か月前
富士電機株式会社
自動販売機
1か月前
富士電機株式会社
電磁接触器
1か月前
富士電機株式会社
エンコーダ
1か月前
富士電機株式会社
回路遮断器
1か月前
富士電機株式会社
電磁接触器
1か月前
富士電機株式会社
半導体装置
14日前
富士電機株式会社
パネル構造
今日
富士電機株式会社
自動販売機
1日前
富士電機株式会社
半導体装置
2か月前
富士電機株式会社
半導体装置
1日前
富士電機株式会社
半導体装置
2か月前
富士電機株式会社
電磁接触器
8日前
富士電機株式会社
硬貨処理装置
29日前
富士電機株式会社
自動販売装置
1か月前
富士電機株式会社
飲料抽出装置
1か月前
富士電機株式会社
ショーケース
1か月前
富士電機株式会社
冷却システム
2か月前
富士電機株式会社
飲料供給装置
今日
富士電機株式会社
硬貨処理装置
29日前
富士電機株式会社
金銭処理装置
1か月前
富士電機株式会社
学習システム
1か月前
富士電機株式会社
商品収納装置
1か月前
富士電機株式会社
半導体モジュール
1か月前
続きを見る
他の特許を見る