TOP
|
特許
|
意匠
|
商標
特許ウォッチ
Twitter
他の特許を見る
公開番号
2025170615
公報種別
公開特許公報(A)
公開日
2025-11-19
出願番号
2024075346
出願日
2024-05-07
発明の名称
成形品の製造現場の管理システム
出願人
株式会社菊水製作所
代理人
個人
,
個人
主分類
G06Q
50/04 20120101AFI20251112BHJP(計算;計数)
要約
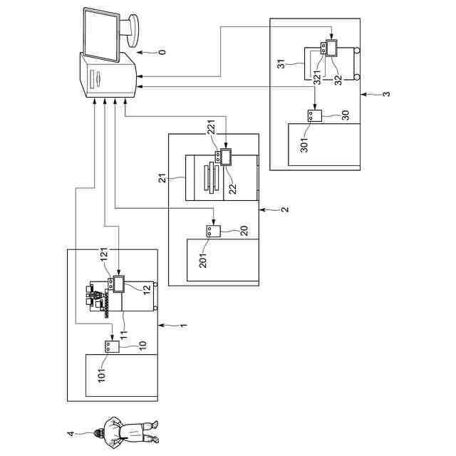
【課題】成形品の製造現場にて機械を操作し又は部屋に入室する操作者の認証を簡便に行い得るシステムを提供する。
【解決手段】複数台の機械11、21、31の何れかを操作し又は機械11、21、31が配される複数の部屋1、2、3の何れかに入室し得る各操作者4について、その操作者4固有の情報と照合されアクセスコントロールに用いられる認証情報を記憶する共通のサーバ0と、機械11、21、31又は部屋1、2、3の出入口に付設され操作者4からその操作者4固有の情報の入力を受け付ける入力受付装置121、221、321、101、201、301と、受け付けたその操作者4固有の情報をサーバ0に登録した認証情報と照合して判断される判定結果に応じて、その操作者4が機械11、21、31を操作し又は部屋1、2、3に入室することを許諾し又は禁止する制御装置12、22、32、10、20、30とを具備するシステムを構成した。
【選択図】図1
特許請求の範囲
【請求項1】
粉体から成形品を製造するために使用される複数台の機械、又は粉体から成形品を製造するために使用される機械が配される複数の部屋に対するアクセスコントロールを実現するシステムであって、
前記機械を操作し又は前記部屋に入室し得る複数の操作者のそれぞれについて、その操作者固有の情報と照合され、複数台の機械又は複数の部屋に対するアクセスコントロールに用いられる認証情報を登録して記憶する共通の認証情報登録サーバと、
前記機械又は前記部屋の出入口に付設され、当該機械を操作しようとする操作者又は当該部屋に入室しようとする操作者からその操作者固有の情報の入力を受け付ける入力受付装置と、
前記機械又は前記部屋の出入口に付設され、前記入力受付装置を介して受け付けたその操作者固有の情報を前記共通の認証情報登録サーバに登録した認証情報と照合して判断される、その操作者に当該機械を操作する権限又は当該部屋に入室する権限があるか否かの判定結果に応じて、その操作者が当該機械を操作し又は当該部屋に入室することを許諾し又は禁止する制御装置と
を具備する、成形品の製造現場の管理システム。
続きを表示(約 850 文字)
【請求項2】
前記共通の認証情報登録サーバは、前記機械を操作し又は前記部屋に入室し得る複数の操作者のそれぞれについて、その操作者固有の情報であるバイオメトリクス情報と照合され、複数台の機械又は複数の部屋に対するアクセスコントロールに用いられる認証情報を登録して記憶し、
前記機械又は前記部屋の出入口に付設された入力受付装置は、当該機械を操作しようとする操作者又は当該部屋に入室しようとする操作者からその操作者のバイオメトリクス情報の入力を受け付け、
前記機械又は前記部屋の出入口に付設された制御装置は、前記入力受付装置を介して受け付けたその操作者のバイオメトリクス情報を前記共通の認証情報登録サーバに登録した認証情報と照合して判断される、その操作者に当該機械を操作する権限又は当該部屋に入室する権限があるか否かの判定結果に応じて、その操作者が当該機械を操作し又は当該部屋に入室することを許諾し又は禁止する、請求項1記載の管理システム。
【請求項3】
前記バイオメトリクス情報は、その操作者の虹彩、網膜、又は目を含む顔の一部を光学的なセンサで読み取って得られるものである請求項2記載の管理システム。
【請求項4】
前記共通の認証情報登録サーバに記憶する認証情報は、その操作者固有の情報と照合されて対象人がその操作者が否かであるかを判別するための情報と共に、その操作者が操作することを許可される機械の指定、その操作者が操作可能な機械についてその許可される操作の内容、又はその操作者が入室することを許可される部屋の指定のうち少なくとも一を含み、
前記機械又は前記部屋の出入口に付設された制御装置は、当該機械を操作しようとする操作者又は当該部屋に入室しようとする操作者が、当該機械を操作することの許可/不許可、当該機械について許可される操作の内容、又は当該部屋に入室することの許可/不許可のうち少なくとも一を制御する請求項1記載の管理システム。
発明の詳細な説明
【技術分野】
【0001】
本発明は、粉体から成形品を製造する現場における複数台の機械、又は機械が配備される複数の部屋に対するアクセスコントロールを実現するシステムに関する。
続きを表示(約 2,900 文字)
【背景技術】
【0002】
粉体を所望の形状に成形し、医薬品の錠剤(固形製剤)、食品、電子部品等を量産することが広汎に行われている。成形品を製造する目的で使用される機械の具体例としては、粉体を圧縮して成形品を成形する成形機(又は、打錠機)の他、成形品の材料となる複数種類の粉体を混合する混合機、材料を所望の粒径に解砕整粒する造粒機又は整粒機、成形した成形品の表面に付着している粉体を除去する粉体除去機、成形品に金属片、人毛その他の異物が誤って混入した場合にこれを検出する検知機、成形品の表面に印刷又は刻印する印刷機又は刻印機、成形機の重量、厚み寸法、密度、硬度、外観、組成等といった特性のうち少なくとも一つを検査する測定機、成形品を包装する包装機、等が挙げられる(下記特許文献を参照)。
【0003】
上掲の通り、成形品の製造現場にあっては、複数種、複数台の機械が使用されている。それら機械のうちの幾つかは直結されていることもあるが、別個の部屋に配置されて独立していることも多い。
【0004】
各機械にはそれぞれ制御装置が付随しており、一般的なパーソナルコンピュータ等と同様、それを操作しようとする操作者に正当な権限が与えられているかを確認する認証を実施する。並びに、機械が配された部屋へ通じる出入口の扉を施錠しておき、正当な権限を与えられている操作者のみがそれを解錠して入室できるよう入退室管理することもある。認証の方法としては、権限を与えられた操作者のみが知得しているその操作者個人のID(IDentifier)及びパスワードを手入力させたり、権限を与えられた操作者のみが所持しているIDカードからその操作者固有の情報を読み取ったりすることが通例である。
【0005】
認証処理の機能を実現するためには、複数台設置された機械のそれぞれの制御装置に、又は複数の部屋のそれぞれの施解錠の制御装置に、手入力されるID及びパスワードの組やIDカード内の情報と照合するべき認証情報(いわゆるパスワードファイル)を予め登録しておく必要がある。だが、複数台の機械、又は複数の部屋の各々に、逐一認証情報を登録する手間は実際に面倒である。
【0006】
また、成形品の製造現場では、作業に従事する操作者を保護(例えば、抗癌剤の主薬成分は人に対し有害である)し、又は成形品に異物が混入することを防止する目的で、操作者が防護服、グローブ、マスク、ゴーグル、キャップ等の防護用又は衛生・清浄性維持用の装備品を着用していることが多い。そのような状態で、各機械又は各部屋の前でID及びパスワードを手入力する操作は煩わしいものとなる。操作者が携行する物品も必要最小限度に制限されることが望ましく、IDカードもできることならば排したい。
【先行技術文献】
【特許文献】
【0007】
特開2023-101294号公報
特開2023-129019号公報
特開2024-015861号公報
【発明の概要】
【発明が解決しようとする課題】
【0008】
本発明は、複数台の機械が配備され、又は複数の部屋が存在する成形品の製造現場にあって、機械を操作し又は部屋に入室する操作者の認証を簡便に行い得る管理システムを提供せんとするものである。
【課題を解決するための手段】
【0009】
本発明では、粉体(微小個体の集合体であり、いわゆる顆粒などの粒体の集合体と、粒体より小なる形状の粉末の集合体とを含む。複数種の粉体を混合したものも粉体である)から成形品を製造するために使用される複数台の機械、又は粉体から成形品を製造するために使用される機械が配される複数の部屋に対するアクセスコントロールを実現するシステムであって、前記機械を操作し又は前記部屋に入室し得る複数の操作者のそれぞれについて、その操作者固有の情報と照合され、複数台の機械又は複数の部屋に対するアクセスコントロールに用いられる認証情報を登録して記憶する共通の認証情報登録サーバと、前記機械又は前記部屋の出入口に付設され、当該機械を操作しようとする操作者又は当該部屋に入室しようとする操作者からその操作者固有の情報の入力を受け付ける入力受付装置と、前記機械又は前記部屋の出入口に付設され、前記入力受付装置を介して受け付けたその操作者固有の情報を前記共通の認証情報登録サーバに登録した認証情報と照合して判断される、その操作者に当該機械を操作する権限又は当該部屋に入室する権限があるか否かの判定結果に応じて、その操作者が当該機械を操作し又は当該部屋に入室することを許諾し又は禁止する制御装置とを具備する、成形品の製造現場の管理システムを構成した。このようなものであれば、成形品の製造現場で作業に従事する操作者に関する認証情報を共通の認証情報登録サーバに登録することで、製造現場における複数台の機械又は複数の部屋に対するアクセス権限を設定することができ、当該操作者が自己に与えられた権限に基づき対象の機械を操作したり対象の部屋に入室したりすることが可能となる。一台一台の機械の制御装置や、一つ一つの部屋の出入口の施解錠の制御装置に個別に認証情報を登録する手間から解放される。
【0010】
成形品の製造現場で作業に従事する操作者は、防護用又は衛生・清浄性維持用の装備品を着用していることが多い。そのような状態で、各機械又は各部屋の前でID及びパスワードを手入力する操作は煩わしい。当該操作者にIDカードを常時携行させることも、できるならば避けたい。そこで、前記共通の認証情報登録サーバが、前記機械を操作し又は前記部屋に入室し得る複数の操作者のそれぞれについて、その操作者固有の情報であるバイオメトリクス情報(虹彩や網膜、顔の容貌、指紋や掌紋、静脈のパターン、肉声や声紋等の、人の身体の一部やそれに準ずる要素の情報)と照合され、複数台の機械又は複数の部屋に対するアクセスコントロールに用いられる認証情報を登録して記憶し、前記機械又は前記部屋の出入口に付設された入力受付装置が、当該機械を操作しようとする操作者又は当該部屋に入室しようとする操作者からその操作者のバイオメトリクス情報の入力を受け付け、前記機械又は前記部屋の出入口に付設された制御装置が、前記入力受付装置を介して受け付けたその操作者のバイオメトリクス情報を前記共通の認証情報登録サーバに登録した認証情報と照合して判断される、その操作者に当該機械を操作する権限又は当該部屋に入室する権限があるか否かの判定結果に応じて、その操作者が当該機械を操作し又は当該部屋に入室することを許諾し又は禁止する管理システムとする。さすれば、操作者によるID及びパスワードの手入力操作が不要となり、操作者に常時IDカードを携行させる必要もなくなる。
(【0011】以降は省略されています)
この特許をJ-PlatPat(特許庁公式サイト)で参照する
関連特許
株式会社菊水製作所
成形品の製造現場の管理システム
2日前
株式会社菊水製作所
成形品製造用機械の監視システム
2日前
個人
詐欺保険
1か月前
個人
縁伊達ポイン
1か月前
個人
職業自動販売機
7日前
個人
5掛けポイント
14日前
個人
RFタグシート
25日前
個人
地球保全システム
1か月前
個人
ペルソナ認証方式
22日前
個人
QRコードの彩色
1か月前
個人
自動調理装置
24日前
個人
情報処理装置
17日前
個人
農作物用途分配システム
1か月前
個人
残土処理システム
1か月前
個人
インターネットの利用構造
21日前
個人
タッチパネル操作指代替具
1か月前
個人
知的財産出願支援システム
1か月前
個人
サービス情報提供システム
9日前
個人
スケジュール調整プログラム
1か月前
個人
携帯端末障害問合せシステム
1か月前
株式会社キーエンス
受発注システム
1か月前
株式会社キーエンス
受発注システム
1か月前
個人
食品レシピ生成システム
1か月前
個人
エリアガイドナビAIシステム
22日前
株式会社キーエンス
受発注システム
1か月前
キヤノン株式会社
情報処理装置
1日前
キヤノン株式会社
画像認識装置
1日前
キヤノン株式会社
情報処理装置
15日前
キヤノン株式会社
表示システム
1か月前
個人
音声・通知・再配達UX制御構造
1か月前
株式会社ワコム
電子ペン
16日前
トヨタ自動車株式会社
通知装置
28日前
株式会社ケアコム
項目選択装置
17日前
個人
帳票自動生成型SaaSシステム
1か月前
キヤノン株式会社
情報処理装置
1日前
エッグス株式会社
情報処理装置
1か月前
続きを見る
他の特許を見る