TOP
|
特許
|
意匠
|
商標
特許ウォッチ
Twitter
他の特許を見る
10個以上の画像は省略されています。
公開番号
2025169296
公報種別
公開特許公報(A)
公開日
2025-11-12
出願番号
2025130660,2022527234
出願日
2025-08-05,2020-11-18
発明の名称
ゼオライト合成
出願人
ビーエーエスエフ モバイル エミッションズ カタリスツ エルエルシー
,
BASF Mobile Emissions Catalysts LLC
代理人
個人
,
個人
,
個人
,
個人
,
個人
主分類
C01B
39/48 20060101AFI20251105BHJP(無機化学)
要約
【課題】10以上のシリカ対アルミナ比(SAR)を有するゼオライトを合成する方法を提供する。
【解決手段】少なくとも1つのアルミナ源、少なくとも1つのシリカ源、および少なくとも1つの有機構造指向剤を含む反応混合物を形成することであって、反応混合物が、約10%以上の固形分含量を有する、形成することと、反応混合物を、大気圧で、100℃以下の温度で結晶化させてゼオライトを形成することと、を含む。
【選択図】図1B
特許請求の範囲
【請求項1】
10以上のシリカ対アルミナモル比(SAR)を有するアルミノケイ酸塩ゼオライトを合成する方法であって、
少なくとも1つのアルミナ源、少なくとも1つのシリカ源、および少なくとも1つの有機構造指向剤を含む反応混合物を形成することであって、前記反応混合物が、約10%以上の固形分含量を有する、形成することと、及び前記反応混合物のH
2
O/SiO
2
モル比がおよそ15以下であり;及び
大気圧下で大気に開放された開放容器内で、約100℃以下の温度で前記反応混合物を結晶化させて、前記アルミノケイ酸塩ゼオライトを形成することと、を含み、
前記少なくとも1つのアルミナ源が、FAU、LTL、LTA、またはMOR結晶性フレームワークを有するゼオライトを含む、
方法。
続きを表示(約 660 文字)
【請求項2】
前記アルミノケイ酸塩ゼオライトが、8環細孔径を有するゼオライトを含む、請求項1に記載の方法。
【請求項3】
前記アルミノケイ酸塩ゼオライトが、二重6環(D6r)サブユニットを含むフレームワークを有するゼオライトを含む、請求項1に記載の方法。
【請求項4】
前記アルミノケイ酸塩ゼオライトが、AEI、AFX、CHA、LEV、AFT、EAB、KFI、SAT、TSC、SAV、ERI、LTA、および前述のうちのいずれかの組み合わせから選択されるフレームワークを有するゼオライトを含む、請求項1に記載の方法。
【請求項5】
前記アルミノケイ酸塩ゼオライトが、CHA結晶性フレームワークを有するゼオライトを含む、請求項1に記載の方法。
【請求項6】
前記アルミノケイ酸塩ゼオライトが、15以上のSARを有する、請求項1に記載の方法。
【請求項7】
前記アルミノケイ酸塩ゼオライトが、20以上のSARを有する、請求項1に記載の方法。
【請求項8】
前記アルミノケイ酸塩ゼオライトが、10~30のSARを有する、請求項1に記載の方法。
【請求項9】
前記反応混合物の前記固形分含量が、約15%以上である、請求項1に記載の方法。
【請求項10】
前記FAU結晶性フレームワークを有する前記ゼオライトが、ゼオライトYである、請求項1に記載の方法。
(【請求項11】以降は省略されています)
発明の詳細な説明
【背景技術】
【0001】
本出願は、2019年11月19日に出願された米国仮出願第62/937,572号に対する優先権の利益を主張し、その内容は参照によりその全体が本明細書に組み込まれる。
続きを表示(約 2,400 文字)
【0002】
本開示は、一般に、選択的接触還元(SCR)触媒の分野、ならびにそのような触媒を調製および使用して、窒素酸化物を選択的に還元する方法に関する。
【0003】
ディーゼルエンジンの排出物には、微粒子状物質(PM)、窒素酸化物(NO
x
)、未燃炭化水素(HC)、および一酸化炭素(CO)が含まれる。NO
x
は、とりわけ一酸化窒素(NO)および二酸化窒素(NO
2
)を含む、様々な化学種の窒素酸化物を説明するために使用される用語である。排気微粒子状物質の2つの主要な構成成分は、可溶性有機画分(SOF)および煤画分である。SOFは、煤の上に層状に凝縮し、一般に未燃ディーゼル燃料および潤滑油に由来する。SOFは、排気ガスの温度に応じて、蒸気またはエアロゾル(すなわち、液体凝縮物の細かい液滴)としてディーゼル排気中に存在し得る。煤は、主に炭素の粒子で構成されている。排気のHC含量は、エンジンタイプおよび動作パラメーターに応じて異なり得るが、典型的には、メタン、エテン、エチン、プロペンなどの様々な短鎖炭化水素が含まれる。
【0004】
NO
x
含有ガス混合物を処理して大気汚染を減少させるために、様々な方法が使用されている。1つの処理タイプは、窒素酸化物の触媒還元を伴う。2つのプロセスがある:(1)一酸化炭素、水素、または炭化水素が還元剤として使用される非選択的還元プロセス、および(2)アンモニアまたはアンモニア前駆体が還元剤として使用される選択的還元プロセス。選択的還元プロセスでは、少量の還元剤で高度の窒素酸化物除去が達成され得る。
【0005】
SCRプロセスで用いられる触媒は、理想的には、水熱条件下で、広い温度範囲、例えば、200℃~600℃以上などで、良好な触媒活性を維持することができる必要がある。SCR触媒は、一般的に、粒子の除去に使用される排気ガス処理システムの構成要素である煤フィルターの再生中などに、高温水熱条件に曝露される。
【0006】
ゼオライトなどのモレキュラーシーブが、酸素の存在下でアンモニア、尿素、または炭化水素などの還元剤とともに窒素酸化物のSCRで使用されてきた。ゼオライトは、ゼオライトのタイプ、ならびにゼオライトに含まれるカチオンのタイプおよび量に応じて、直径が約3~約10オングストロームの範囲の、かなり均一な細孔径を有する結晶性材料である。例えば、ケージのような構造を有するものなどの8員環細孔開口部および二重6環の二次構築単位を有するゼオライトは、SCR触媒としての使用に十分に好適である。これらの特性を有する特定の種類のゼオライトは、チャバザイト(CHA)であり、これは、三次元の多孔度からアクセスできる8員環の細孔開口部(約3.8オングストローム)を有する小さな細孔ゼオライトである。ケージのような構造は、二重6環の構造単位を4環によって接続することから生じる。CHAフレームワーク構造を有するモレキュラーシーブは、例えば、米国特許第4,503,024号、第4,544,538号、および第6,709,644号、ならびに“Verified Synthesis of Zeolites Second Edition,” Elsevier 2001 p.123に開示されている方法に従って調製され得、それらの各々は、参照により本明細書に組み込まれる。
【0007】
ある特定のCHAゼオライト(例えば、10以上のSAR値を有するゼオライトなど)を調製する典型的な方法は、比較的過酷な条件下での水熱合成を伴う。例えば、上記で参照された’538特許では、ゼオライトは、典型的には、オートクレーブ内で、圧力下での水熱結晶化によって調製される。同様に、上記で参照された’644特許は、100℃~200℃の温度で、例えば、約3日~約20日の過程にわたって自生圧力下でCHA(SSZ-64)結晶を調製する水熱結晶化のプロセスを説明する。ある特定のゼオライトの調製についてはそれほど過酷でない条件が知られているが、これらの方法は一般に、より低いシリカ対アルミナ比(SAR)値を有するゼオライトの調製に限定されている。
【0008】
したがって、以前に記載される過酷な条件なしに、様々なSARのCHA(および他のゼオライト)の製造のための代替方法が必要である。
【図面の簡単な説明】
【0009】
本開示のある特定の実施形態についての理解を提供するために、必ずしも縮尺通りに描かれてはいない添付図面が参照され、図内の参照番号は、本開示の例示的な実施形態の構成要素を指す。図面は単なる例として提供されており、本開示の範囲を限定するものとして解釈されるべきではない。
【0010】
本開示の触媒組成物を含み得るハニカムタイプ基材の斜視図を示す。
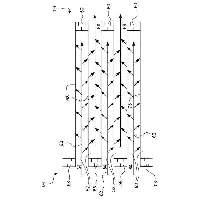
図1Aに対して拡大され、かつ図1Aの担体の端面に平行な平面に沿って切り取られた部分断面図を示し、図1Aに示される複数のガス流路の拡大図を示す。
壁流フィルター基材の一部の断面図を示す。
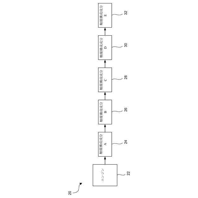
本開示の触媒が利用される排出物処理システムの実施形態の概略図を示す。
150rpm(図4A)および350rpm(図4B)の撹拌還流容器内で、97℃で結晶化中に採取された試料のX線回折(XRD)パターンを提供する。
(図5A(スケールバー:5 μm)および図5B(スケールバー:500 nm))350rpmの撹拌還流容器内で、97℃で結晶化したCHAの顕微鏡写真を提供する。
以下の実験セクションから選択した試料のSCR性能を例示する。
(【0011】以降は省略されています)
この特許をJ-PlatPat(特許庁公式サイト)で参照する
関連特許
個人
一酸化炭素の製造方法
20日前
株式会社タクマ
固体炭素化設備
1か月前
東洋アルミニウム株式会社
水素発生材料
6日前
東洋アルミニウム株式会社
水素発生材料
6日前
三菱重工業株式会社
加熱装置
1か月前
東ソー株式会社
CHA型ゼオライトの製造方法
1か月前
東ソー株式会社
CHA型ゼオライトの製造方法
1か月前
株式会社トクヤマ
酸性次亜塩素酸水の製造方法
28日前
日揮触媒化成株式会社
珪酸液およびその製造方法
1か月前
デンカ株式会社
窒化ケイ素粉末
1か月前
デンカ株式会社
窒化ケイ素粉末
1か月前
住友化学株式会社
無機アルミニウム化合物粉末
27日前
三菱ケミカル株式会社
槽の洗浄方法及びシリカ粒子の製造方法
1か月前
デンカ株式会社
窒化ケイ素粉末の製造方法
1か月前
デンカ株式会社
アルミナ粉末、無機粉末および樹脂組成物
14日前
デンカ株式会社
アルミナ粉末、無機粉末および樹脂組成物
14日前
デンカ株式会社
アルミナ粉末、無機粉末および樹脂組成物
14日前
大阪瓦斯株式会社
酸化物複合体
1か月前
デンカ株式会社
セラミックス粉末の製造方法
1か月前
浅田化学工業株式会社
アルミナ水分散液の製造方法
19日前
JFEエンジニアリング株式会社
ドライアイス製造システム
28日前
トヨタ自動車株式会社
光触媒を用いた水素ガス製造装置
1か月前
アサヒプリテック株式会社
濃縮方法
1か月前
アサヒプリテック株式会社
濃縮方法
1か月前
トヨタ自動車株式会社
光触媒を用いた水素ガス製造装置
1か月前
デンカ株式会社
窒化ホウ素粉末の製造方法
1か月前
トヨタ自動車株式会社
光触媒を用いた水素ガス製造装置
1か月前
トヨタ自動車株式会社
光触媒を用いた水素ガス製造装置
1か月前
大阪瓦斯株式会社
水素製造装置及びその運転方法
1か月前
株式会社レゾナック
球状アルミナ粉末
1か月前
日揮触媒化成株式会社
粉体及びその製造方法、並びに樹脂組成物
1か月前
マイクロ波化学株式会社
水素の製造方法
12日前
日本電気株式会社
繊維状カーボンナノホーン集合体の接着分離方法
1か月前
東ソー株式会社
アルカリ金属の除去方法
1か月前
エヌ・イーケムキャット株式会社
ゼオライトの製造方法
1か月前
デンカ株式会社
窒化ホウ素粉末、及び樹脂成形体
1か月前
続きを見る
他の特許を見る