TOP
|
特許
|
意匠
|
商標
特許ウォッチ
Twitter
他の特許を見る
10個以上の画像は省略されています。
公開番号
2025159930
公報種別
公開特許公報(A)
公開日
2025-10-22
出願番号
2024062809
出願日
2024-04-09
発明の名称
樹脂組成物微粒子の製造方法、前記方法で得られる樹脂組成物微粒子、および無機微粒子の製造方法、前記方法で得られる無機微粒子
出願人
DIC株式会社
代理人
個人
,
個人
主分類
C01B
33/02 20060101AFI20251015BHJP(無機化学)
要約
【課題】樹脂組成物微粒子の粒径を容易にコントロールすることができ、樹脂組成物微粒子の回収効率に優れる樹脂組成物微粒子の製造方法を提供すること。
【解決手段】樹脂を含有する樹脂組成物と溶剤とを含む液状流体を噴霧し、前記樹脂組成物を乾燥する樹脂組成物微粒子の製造方法および樹脂を含有する微粒子を不活性ガス雰囲気下、浮遊状態で200℃以上1500℃以下の温度で加熱処理し、無機微粒子を製造する無機微粒子の製造方法。
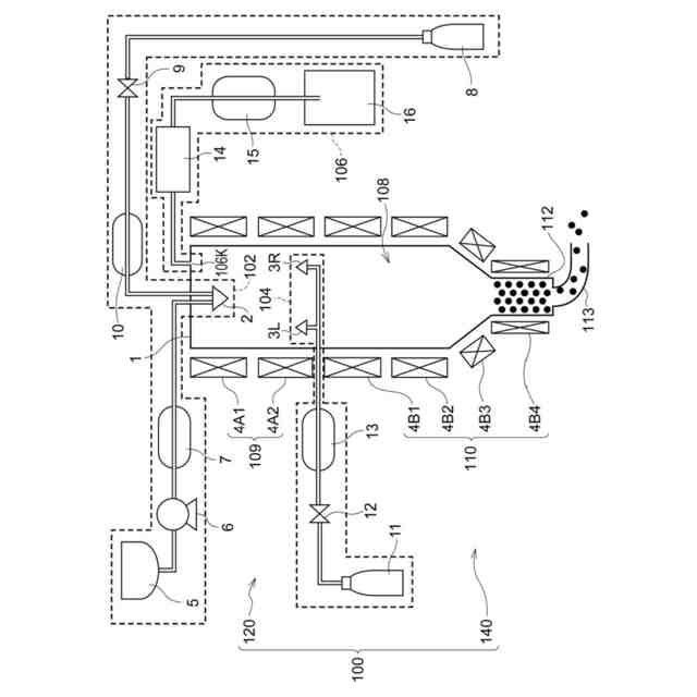
【選択図】図1
特許請求の範囲
【請求項1】
樹脂を含有する樹脂組成物と溶剤とを含む液状流体を噴霧し、前記樹脂組成物を乾燥する樹脂組成物微粒子の製造方法。
続きを表示(約 810 文字)
【請求項2】
前記樹脂組成物が無機物を含有する請求項1に記載の樹脂組成物微粒子の製造方法。
【請求項3】
前記樹脂組成物の形状が、乾燥時に融着することなく粒子各々が独立して形状を保持する請求項1または2に記載の樹脂組成物微粒子の製造方法。
【請求項4】
前記乾燥は、熱風と前記樹脂組成物とを、前記液状流体の噴霧方向と前記熱風の送風方向が対向するようにして熱風と前記樹脂組成物とを接触させ、前記樹脂組成物を乾燥する請求項1または2に記載の樹脂組成物微粒子の製造方法。
【請求項5】
前記液状流体中の前記樹脂組成物の量が液状流体の質量を100質量%として10質量%以上90質量%以下である請求項1または2に記載の樹脂組成物微粒子の製造方法。
【請求項6】
前記溶剤が40℃以上180℃以下の沸点を有する有機溶剤である請求項1または2に記載の樹脂組成物微粒子の製造方法。
【請求項7】
前記樹脂の熱分解質量損失が大気中、1000℃までに60質量%以下である請求項1または2に記載の樹脂組成物微粒子の製造方法。
【請求項8】
前記有機溶剤を前記熱風とともに回収し、噴霧された液状流体中の有機溶剤の時間当たりの含有量を100質量%として、時間当たりに回収された有機溶剤の量が60質量%以上である請求項6に記載の樹脂組成物微粒子の製造方法。
【請求項9】
前記噴霧された液状流体が前記乾燥中に平均粒径でD50が0.1μm以上100μm以下の粒子状となる請求項1または2に記載の樹脂組成物微粒子の製造方法。
【請求項10】
樹脂を含有する微粒子を不活性ガス雰囲気下、浮遊状態で200℃以上1500℃以下の温度で加熱処理し、無機微粒子を製造する無機微粒子の製造方法。
(【請求項11】以降は省略されています)
発明の詳細な説明
【技術分野】
【0001】
本発明は、樹脂組成物微粒子の製造方法、および前記方法で得られる樹脂組成物微粒子に関する。また本発明は無機微粒子の製造方法、および前記方法で得られる無機微粒子に関する。
続きを表示(約 2,800 文字)
【背景技術】
【0002】
樹脂または樹脂組成物を溶剤に溶解または分散し、溶剤を乾燥等により除去して得られる樹脂組成物微粒子は、得られた粉体粒子の粒径等の形状が均一であることから、様々な用途やその前駆体に用いられている。
例えば絶縁性の樹脂または樹脂組成物を用いて得られる樹脂組成物微粒子は絶縁性被膜に用いられる。また樹脂または樹脂組成物と導電性の金属等を用いて得られる樹脂組成物微粒子を導電性被膜として用いられる。
【0003】
樹脂と遷移金属等の金属を用いて得られる樹脂組成物微粒子は各化学反応や分解反応の触媒として用いることもできる。また得られた樹脂組成物微粒子をさらに他の粉体や組成物等の他の材料と混合して用いることもできる。樹脂組成物微粒子が均一に他の材料中に分散することで、得られる物性等を改良する役割を担う改質剤等としての用途にも用いられている。
【0004】
さらに得られた樹脂組成物微粒子を焼成等により樹脂組成物微粒子中の樹脂を炭素化し、無機粒子とすることも可能である。このようにして得られた無機粒子は触媒、電子材料、複合繊維への用途に展開されている。例えば電子材料であるリチウム二次電池等の二次電池の活物質として前記無機粒子も用いることも検討されている。
また粒径がナノオーダーの無機粒子はナノ粒子として広い用途展開の検討がなされている。
【0005】
このような樹脂組成物微粒子の製造方法として、樹脂または樹脂組成物を含む溶液または分散液をディスク乾燥と呼ばれる乾燥方法が採用される場合が多い(例えば特許文献1)。
ディスク乾燥は円板状に樹脂または樹脂組成物を含む溶液または分散液等の液状物を塗布し、円板を加熱することで液状物から溶剤を除去する方法である。溶剤除去後、円板に付着した樹脂組成物微粒子を掻き取ることで樹脂組成物微粒子が回収される。回収された樹脂組成物微粒子は目的の用途により、そのまま使用してもよいし、更に焼成等の工程を経て無機粒子等にして用いてもよい。
【先行技術文献】
【特許文献】
【0006】
特開2008-241235号公報
【発明の概要】
【発明が解決しようとする課題】
【0007】
ディスク乾燥は、高温に熱せられた円板上に塗布することで溶液中の有機溶剤を効率的に除去、乾燥できることから、広く樹脂組成物微粒子の製造に採用されている。
しかしながら、ディスク乾燥の場合、樹脂の量が多いと、円板上で乾燥した後の樹脂組成物の粘着性が高くなり、円板からの掻き取り性が悪くなり、樹脂組成物の回収効率が低下する場合がある。加えて、回収速度低下とともに塊状化により溶剤が残留しやすくなる。
また円板上で乾燥した樹脂組成物を掻き落とした時、樹脂組成物が融合して塊状となる場合がある。このような塊状の樹脂組成物をそのまま焼成しても硬質の塊状の無機粒子となるため、解砕等の工程が生じて煩雑となったり、粒度分布がばらつき、二峰性を示すなど、粒径の制御ができない場合があった。
さらに樹脂組成物を焼成して無機微粒子を製造する方法において、従来の焼成では横長の焼成炉を用い、その中を被焼成物が容器に充填された形で移動しながら焼成が行われるため、焼成中に容器内で凝固、焼結等の発生をすることで塊化が進行する場合がある。そのため所望の平均粒径を有する無機微粒子とするために、粉砕の工程が発生すると共に、粉砕により微粉が増加する場合があった。
【0008】
したがって樹脂組成物微粒子の粒径を容易にコントロールすることができ、粉体の回収効率に優れる樹脂または樹脂組成物を含有する溶液または分散液からの粉体の製造方法の開発が望まれていた。
また焼成中の凝固、焼結の発生による塊状化を抑制し、過粉砕により生じる微粉の少ない無機微粒子の製造方法の開発が望まれていた。
【0009】
本発明者らは上記課題を解決するために鋭意、検討し、本発明を完成した。
即ち本発明は、樹脂組成物微粒子の粒径を容易にコントロールすることができ、樹脂組成物微粒子の回収効率に優れる樹脂または樹脂組成物を含有する溶液または分散液からの樹脂組成物微粒子の製造方法を提供することを目的とする。
また本発明は、焼成中の凝固、焼結の発生を抑制し、微粉の少ない無機微粒子の製造方法を提供することを目的とする。
本発明はさらに、前記樹脂組成物微粒子の製造方法と無機微粒子の製造方法を組み合わせ、製造工程が簡略化され、微粉の少ない無機微粒子およびその製造方法を提供することを目的とする。
【課題を解決するための手段】
【0010】
本発明は、下記の態様を有する。
[1]
樹脂を含有する樹脂組成物と溶剤とを含む液状流体を噴霧し、前記樹脂組成物を乾燥する樹脂組成物微粒子の製造方法。
[2]
前記樹脂組成物が無機物を含有する前記[1]に記載の樹脂組成物微粒子の製造方法。
[3]
前記樹脂組成物の形状が、乾燥時に融着することなく粒子各々が独立して形状を保持する前記[1]または[2]に記載の樹脂組成物微粒子の製造方法。
[4]
前記乾燥は熱風と前記樹脂組成物とを接触させ、前記液状流体の噴霧方向と前記熱風の送風方向が対向するようにして熱風と前記樹脂組成物とを接触させ、前記樹脂組成物を乾燥する前記[1]から[3]に記載の樹脂組成物微粒子の製造方法。
[5]
前記液状流体中の前記樹脂組成物の量が液状流体の質量を100質量%として10質量%以上90質量%以下である前記[1]から[4]のいずれかに記載の樹脂組成物微粒子の製造方法。
[6]
前記溶剤が40℃以上180℃以下の沸点を有する有機溶剤である前記[1]から[5]のいずれかに記載の樹脂組成物微粒子の製造方法。
[7]
前記樹脂の熱分解質量損失が大気中、1000℃までに5質量%以上60質量%以下である前記[1]から[6]のいずれかに記載の樹脂組成物微粒子の製造方法。
[8]
前記有機溶剤を前記熱風とともに回収し、噴霧された液状流体中の有機溶剤の時間当たりの含有量を100質量%として、時間当たりに回収された有機溶剤の量が60質量%以上である前記[1]から[7]のいずれかに記載の樹脂組成物微粒子の製造方法。
[9]
前記噴霧された液状流体が前記乾燥中に平均粒径でD50が0.1μm以上100μm以下の粒子状となる前記[1]から[8]のいずれかに記載の樹脂組成物微粒子の製造方法。
(【0011】以降は省略されています)
この特許をJ-PlatPat(特許庁公式サイト)で参照する
関連特許
DIC株式会社
吸音材及び吸音部品
25日前
DIC株式会社
ネガ型感光性樹脂組成物
14日前
DIC株式会社
色補正システム及び情報処理装置
1か月前
DIC株式会社
細胞賦活剤及び細胞賦活用組成物
1か月前
DIC株式会社
ポリアスパラギン酸誘導体の製造方法
14日前
DIC株式会社
皮膚機能改善剤及び皮膚機能改善用組成物
1か月前
DIC株式会社
水性ウレタン樹脂組成物、コーティング剤及び物品
1か月前
大日精化工業株式会社
熱伝導性樹脂組成物及び成形体
29日前
DIC株式会社
活性エネルギー線硬化性組成物、硬化塗膜及びフィルム
22日前
DIC株式会社
樹脂粒子、樹脂粒子の製造方法、インク及びインクの製造方法
1か月前
DIC株式会社
分離装置、炭化組成物製造装置、及び炭化組成物製造システム
1か月前
DIC株式会社
ポジ型感光性樹脂組成物、レジスト膜、レジスト下層膜及びレジスト永久膜
29日前
DIC株式会社
ポジ型感光性樹脂組成物、レジスト膜、レジスト下層膜及びレジスト永久膜
28日前
DIC株式会社
負極活物質、負極活物質前駆体及びその製造方法、並びにかかる負極活物質を有する二次電池
14日前
DIC株式会社
セルロースエステル樹脂用改質剤、セルロースエステル樹脂組成物、成形体、光学フィルムおよび表示装置
14日前
DIC株式会社
水生生物付着抑制用防汚剤、水生生物付着抑制用防汚剤組成物、水生生物付着抑制用防汚剤硬化物及び防汚塗膜
1か月前
DIC株式会社
硬化性樹脂、硬化性樹脂組成物、硬化物、プリプレグ、回路基板、ビルドアップフィルム、半導体封止材及び半導体装置
9日前
DIC株式会社
アントラセン樹脂、硬化性樹脂組成物、硬化物、プリプレグ、回路基板、ビルドアップフィルム、半導体封止材および半導体装置
1か月前
DIC株式会社
樹脂組成物微粒子の製造方法、前記方法で得られる樹脂組成物微粒子、および無機微粒子の製造方法、前記方法で得られる無機微粒子
1か月前
DIC株式会社
金属錯体及びその製造方法、該金属錯体を含有する負極活物質前駆体及びその製造方法、負極活物質、並びに該負極活物質を有する二次電池
14日前
DIC株式会社
金属錯体を含有する負極活物質前駆体及びその製造方法、負極活物質、該負極活物質を有する二次電池、並びに該金属錯体を含有する組成物
14日前
個人
一酸化炭素の製造方法
15日前
株式会社タクマ
固体炭素化設備
1か月前
東洋アルミニウム株式会社
水素発生材料
1日前
東洋アルミニウム株式会社
水素発生材料
1日前
三菱重工業株式会社
加熱装置
1か月前
株式会社トクヤマ
酸性次亜塩素酸水の製造方法
23日前
日揮触媒化成株式会社
珪酸液およびその製造方法
1か月前
デンカ株式会社
窒化ケイ素粉末
1か月前
デンカ株式会社
窒化ケイ素粉末
1か月前
住友化学株式会社
無機アルミニウム化合物粉末
22日前
デンカ株式会社
窒化ケイ素粉末の製造方法
1か月前
三菱ケミカル株式会社
槽の洗浄方法及びシリカ粒子の製造方法
1か月前
デンカ株式会社
アルミナ粉末、無機粉末および樹脂組成物
9日前
浅田化学工業株式会社
アルミナ水分散液の製造方法
14日前
デンカ株式会社
アルミナ粉末、無機粉末および樹脂組成物
9日前
続きを見る
他の特許を見る