TOP
|
特許
|
意匠
|
商標
特許ウォッチ
Twitter
他の特許を見る
10個以上の画像は省略されています。
公開番号
2025158990
公報種別
公開特許公報(A)
公開日
2025-10-17
出願番号
2025124011,2024093882
出願日
2025-07-24,2016-10-27
発明の名称
半導体装置
出願人
株式会社半導体エネルギー研究所
代理人
主分類
G11C
19/28 20060101AFI20251009BHJP(情報記憶)
要約
【課題】信頼性の良好な半導体装置を提供する。
【解決手段】同じ導電型のトランジスタで構成されたパルス出力回路を含むシフトレジス
タなどを有する半導体装置において、パルス出力回路の非選択期間中にソースドレイン間
に電位差が無くゲートに正のストレスが印加されるトランジスタに、バックゲートを有す
るトランジスタを用いる。非選択期間中、ゲートとバックゲートの電位を互いに入れ換え
ることで、トランジスタに加えられるストレスを緩和する。
【選択図】図1
特許請求の範囲
【請求項1】
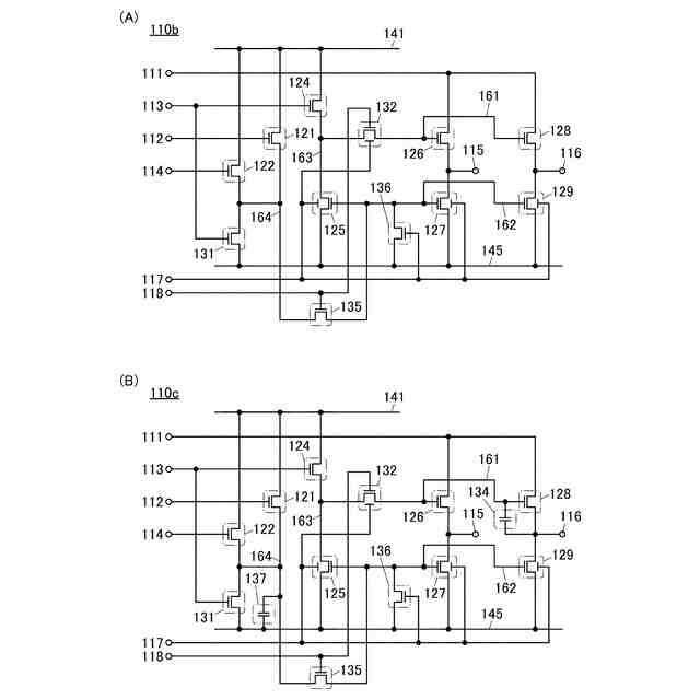
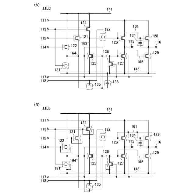
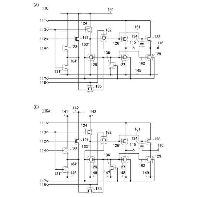
第1乃至第12のトランジスタを有する半導体装置であって、
前記第9乃至前記第12のトランジスタは、それぞれが、第1のゲートおよび第2のゲートを有し、
前記第1のトランジスタのソースまたはドレインの一方は第1の配線と電気的に接続され、
前記第1のトランジスタのソースまたはドレインの他方は前記第2のトランジスタのソースまたはドレインの一方と電気的に接続され、
前記第2のトランジスタのソースまたはドレインの他方は第2の配線と電気的に接続され、
前記第3のトランジスタのソースまたはドレインの一方は前記第1の配線と電気的に接続され、
前記第3のトランジスタのソースまたはドレインの他方は前記第1のトランジスタのソースまたはドレインの他方と電気的に接続され、
前記第4のトランジスタのソースまたはドレインの一方は前記第1の配線と電気的に接続され、
前記第4のトランジスタのソースまたはドレインの他方は前記第9のトランジスタのソースまたはドレインの一方と電気的に接続され、
前記第4のトランジスタのゲートは前記第2のトランジスタのゲートと電気的に接続され、
前記第9のトランジスタのソースまたはドレインの他方は前記第2の配線と電気的に接続され、
前記第9のトランジスタの前記第1のゲートは前記第10のトランジスタの前記第1のゲートと電気的に接続され、
前記第9のトランジスタの前記第2のゲートは第3の配線と電気的に接続され、
前記第11のトランジスタのソースまたはドレインの一方は前記第4のトランジスタのソースまたはドレインの他方と電気的に接続され、
前記第11のトランジスタのソースまたはドレインの他方は前記第5のトランジスタのゲートと電気的に接続され、
前記第11のトランジスタの前記第1のゲートは第4の配線と電気的に接続され、
前記第11のトランジスタの前記第2のゲートは前記第9のトランジスタの前記第2のゲートと電気的に接続され、
前記第5のトランジスタのソースまたはドレインの一方は前記第6のトランジスタのソースまたはドレインの一方と電気的に接続され、
前記第5のトランジスタのソースまたはドレインの他方は前記第10のトランジスタのソースまたはドレインの一方と電気的に接続され、
前記第10のトランジスタの前記第2のゲートは前記第3の配線と電気的に接続され、
前記第6のトランジスタのソースまたはドレインの他方は前記第12のトランジスタのソースまたはドレインの一方と電気的に接続され、
前記第6のトランジスタのゲートは前記第5のトランジスタのゲートと電気的に接続され、
前記第12のトランジスタのソースまたはドレインの他方は前記第2の配線と電気的に接続され、
前記第12のトランジスタの前記第1のゲートは前記第10のトランジスタの前記第1のゲートと電気的に接続され、
前記第12のトランジスタの前記第2のゲートは前記第3の配線と電気的に接続され、
前記第7のトランジスタのソースまたはドレインの一方は前記第10のトランジスタの前記第1のゲートと電気的に接続され、
前記第7のトランジスタのソースまたはドレインの他方は前記第2の配線と電気的に接続され、
前記第7のトランジスタのゲートは前記第3の配線と電気的に接続され、
前記第8のトランジスタのソースまたはドレインの一方は前記第3のトランジスタのソースまたはドレインの他方と電気的に接続され、
前記第8のトランジスタのソースまたはドレインの他方は前記第10のトランジスタの前記第1のゲートと電気的に接続され、
前記第8のトランジスタのゲートは前記第4の配線と電気的に接続されていることを特徴とする半導体装置。
発明の詳細な説明
【技術分野】
【0001】
本明細書等で開示する発明の一態様は、物、方法、または、製造方法に関する。または、
本明細書等で開示する発明の一態様は、プロセス、マシン、マニュファクチャ、または、
組成物(コンポジション・オブ・マター)に関する。
続きを表示(約 3,100 文字)
【0002】
特に、本明細書等で開示する発明の一態様は、半導体装置、および半導体装置を有する電
子機器に関する。
【0003】
なお、本明細書等において半導体装置とは、半導体特性を利用することで機能しうる装置
全般を指す。表示装置(液晶表示装置、発光表示装置など)、照明装置、電気光学装置、
蓄電装置、記憶装置、半導体回路、撮像装置および電子機器などは、半導体装置を有する
場合がある。
【背景技術】
【0004】
表示装置は、液晶テレビなどの大型表示装置の普及に伴い、より付加価値の高い製品が求
められており、開発が進められている。特に、チャネル領域が非晶質半導体によって構成
される薄膜トランジスタ(TFT)を用いて、画素部と同じ基板に走査線駆動回路などの
駆動回路を構成する技術は、コストの低減、信頼性の向上に大きく貢献するため、活発に
開発が進められている。
【0005】
チャネル領域が非晶質半導体によって構成される薄膜トランジスタは、閾値電圧の上昇、
又は電界効果移動度の低下などの劣化を生じる。この薄膜トランジスタの劣化が進むと、
駆動回路が動作しづらくなくなり、画像を表示できなくなるといった問題がある。そこで
、特許文献1には、薄膜トランジスタの劣化を抑制することができるシフトレジスタにつ
いて開示がある。特許文献1では、薄膜トランジスタの特性劣化を抑制するために、二つ
の薄膜トランジスタを設け、当該薄膜トランジスタをフリップフロップの出力端子と、V
SS(以下負電源)が供給される配線との間に接続する。そして、一方の薄膜トランジス
タと、他方の薄膜トランジスタとが交互にオンになる。こうすることによって、薄膜トラ
ンジスタがオンになる時間を1フレーム期間の半分程度に短くすることができるので、あ
る程度、薄膜トランジスタの特性劣化を抑制することができる。
【先行技術文献】
【特許文献】
【0006】
特開2005-050502号公報
【発明の概要】
【発明が解決しようとする課題】
【0007】
本発明の一態様は、信頼性の良好な半導体装置などを提供することを課題の一とする。ま
たは、生産性の良い半導体装置などを提供することを課題の一とする。または、消費電力
の少ない半導体装置などを提供することを課題の一とする。または、新規な半導体装置な
どを提供することを課題の一とする。
【0008】
なお、これらの課題の記載は、他の課題の存在を妨げるものではない。なお、本発明の一
態様は、これらの課題の全てを解決する必要はない。なお、これら以外の課題は、明細書
、図面、請求項などの記載から、自ずと明らかとなるものであり、明細書、図面、請求項
などの記載から、これら以外の課題を抽出することが可能である。
【課題を解決するための手段】
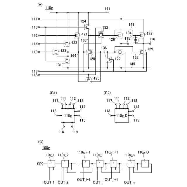
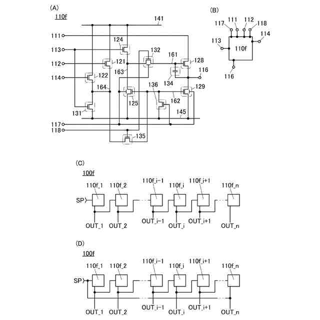
【0009】
本発明の一態様は、同じ導電型のトランジスタで構成されたパルス出力回路を含むシフト
レジスタなどを有する半導体装置において、パルス出力回路の非選択期間中にソースドレ
イン間に電位差が無くゲートに正のストレスが印加されるトランジスタに、バックゲート
を有するトランジスタを用いることを特徴とするパルス出力回路である。非選択期間中、
ゲートとバックゲートの電位を互いに入れ換えることで、トランジスタに加えられるスト
レスを緩和できる。
【0010】
本発明の一態様は、第1乃至第12のトランジスタを有する半導体装置であって、第9乃
至第12のトランジスタは、それぞれが、第1のゲートおよび第2のゲートを有し、第1
のトランジスタのソースまたはドレインの一方は第1の配線と電気的に接続され、第1の
トランジスタのソースまたはドレインの他方は第2のトランジスタのソースまたはドレイ
ンの一方と電気的に接続され、第2のトランジスタのソースまたはドレインの他方は第2
の配線と電気的に接続され、第3のトランジスタのソースまたはドレインの一方は第1の
配線と電気的に接続され、第3のトランジスタのソースまたはドレインの他方は第1のト
ランジスタのソースまたはドレインの他方と電気的に接続され、第4のトランジスタのソ
ースまたはドレインの一方は第1の配線と電気的に接続され、第4のトランジスタのソー
スまたはドレインの他方は第9のトランジスタのソースまたはドレインの一方と電気的に
接続され、第4のトランジスタのゲートは第2のトランジスタのゲートと電気的に接続さ
れ、第9のトランジスタのソースまたはドレインの他方は第2の配線と電気的に接続され
、第9のトランジスタの第1のゲートは第10のトランジスタの第1のゲートと電気的に
接続され、第9のトランジスタの第2のゲートは第3の配線と電気的に接続され、第11
のトランジスタのソースまたはドレインの一方は第4のトランジスタのソースまたはドレ
インの他方と電気的に接続され、第11のトランジスタのソースまたはドレインの他方は
第5のトランジスタのゲートと電気的に接続され、第11のトランジスタの第1のゲート
は第4の配線と電気的に接続され、第11のトランジスタの第2のゲートは第9のトラン
ジスタの第2のゲートと電気的に接続され、第5のトランジスタのソースまたはドレイン
の一方は第6のトランジスタのソースまたはドレインの一方と電気的に接続され、第5の
トランジスタのソースまたはドレインの他方は第10のトランジスタのソースまたはドレ
インの一方と電気的に接続され、第10のトランジスタの第2のゲートは第3の配線と電
気的に接続され、第6のトランジスタのソースまたはドレインの他方は第12のトランジ
スタのソースまたはドレインの一方と電気的に接続され、第6のトランジスタのゲートは
第5のトランジスタのゲートと電気的に接続され、第12のトランジスタのソースまたは
ドレインの他方は第2の配線と電気的に接続され、第12のトランジスタの第1のゲート
は第10のトランジスタの第1のゲートと電気的に接続され、第12のトランジスタの第
2のゲートは第3の配線と電気的に接続され、第7のトランジスタのソースまたはドレイ
ンの一方は第10のトランジスタの第1のゲートと電気的に接続され、第7のトランジス
タのソースまたはドレインの他方は第2の配線と電気的に接続され、第7のトランジスタ
のゲートは第3の配線と電気的に接続され、第8のトランジスタのソースまたはドレイン
の一方は第3のトランジスタのソースまたはドレインの他方と電気的に接続され、第8の
トランジスタのソースまたはドレインの他方は第10のトランジスタの第1のゲートと電
気的に接続され、第8のトランジスタのゲートは第4の配線と電気的に接続されているこ
とを特徴とする半導体装置である。
(【0011】以降は省略されています)
この特許をJ-PlatPat(特許庁公式サイト)で参照する
関連特許
日本発條株式会社
記録装置
1か月前
RAMXEED株式会社
記憶装置
15日前
株式会社ナノバブル研究所
データ消去装置
1か月前
ローム株式会社
RAM
1か月前
キオクシア株式会社
半導体記憶装置
1か月前
キオクシア株式会社
記憶装置
1か月前
キオクシア株式会社
半導体記憶装置
1か月前
キオクシア株式会社
記憶装置
1か月前
株式会社東芝
磁気ヘッド、及び、磁気記録装置
1か月前
ローム株式会社
半導体メモリ装置
15日前
ローム株式会社
不揮発性メモリ装置
1か月前
ローム株式会社
不揮発性メモリ装置
1か月前
ローム株式会社
不揮発性メモリ装置
1か月前
キオクシア株式会社
メモリデバイス
1か月前
キオクシア株式会社
メモリデバイス
1か月前
株式会社JVCケンウッド
車載装置
6日前
キオクシア株式会社
メモリシステム
1か月前
キオクシア株式会社
半導体記憶装置
1か月前
キオクシア株式会社
半導体記憶装置、メモリシステム
1か月前
日本発條株式会社
記録装置、カバー、及びカバーの製造方法
1か月前
ローム株式会社
不揮発性半導体記憶装置
1か月前
キオクシア株式会社
半導体記憶装置
1か月前
キオクシア株式会社
半導体装置及び記憶媒体
1か月前
ルネサスエレクトロニクス株式会社
半導体装置
23日前
ミネベアミツミ株式会社
ハードディスク駆動装置
1か月前
キオクシア株式会社
メモリデバイス及びメモリシステム
1か月前
京セラドキュメントソリューションズ株式会社
情報処理装置及び画像処理装置
1か月前
株式会社東芝
情報処理装置、磁気記録再生装置及び磁気記録再生システム
1か月前
株式会社半導体エネルギー研究所
半導体装置
1か月前
株式会社半導体エネルギー研究所
半導体装置
1か月前
株式会社半導体エネルギー研究所
半導体装置
今日
株式会社半導体エネルギー研究所
半導体装置
1か月前
株式会社半導体エネルギー研究所
半導体装置
15日前
株式会社東芝
ディスク装置
13日前
キオクシア株式会社
半導体記憶装置及び半導体記憶装置の制御方法
1か月前
ルネサスエレクトロニクス株式会社
半導体装置および書き込み方法
21日前
続きを見る
他の特許を見る