TOP
|
特許
|
意匠
|
商標
特許ウォッチ
Twitter
他の特許を見る
公開番号
2025155277
公報種別
公開特許公報(A)
公開日
2025-10-14
出願番号
2024059011
出願日
2024-04-01
発明の名称
半導体記憶装置及びその制御方法
出願人
華邦電子股ふん有限公司
,
Winbond Electronics Corp.
代理人
個人
,
個人
主分類
G11C
11/4091 20060101AFI20251006BHJP(情報記憶)
要約
【課題】オーバードライブ電圧が複数のバンク間で共有される場合であっても、各バンクのセンスアンプを高速に動作させることの可能な半導体記憶装置及びその制御方法を提供する。
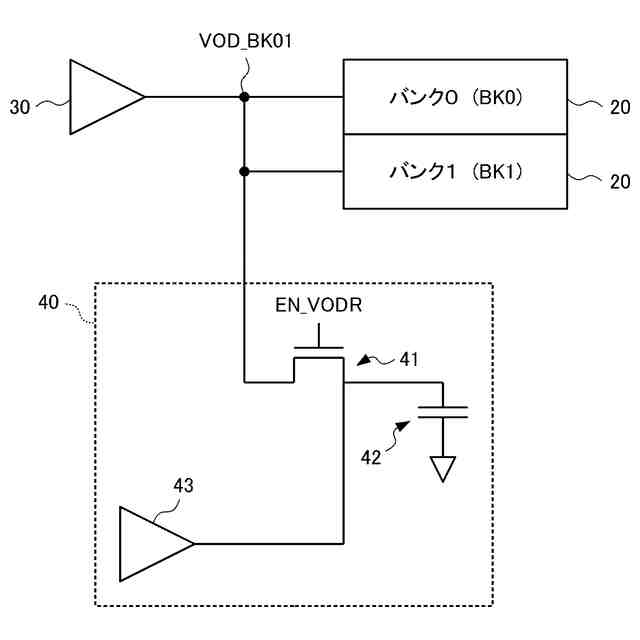
【解決手段】半導体記憶装置は、少なくとも1つのセンスアンプ10をそれぞれ備える複数のバンク20と、複数のバンク10の各々のセンスアンプ10に接続されたビット線BLT,TLCの電圧の増幅動作が行われる場合に、センスアンプ10の動作電圧VBLHよりも高いオーバードライブ電圧VODを複数のバンク20の各々のセンスアンプ10に供給する第1電圧供給部30と、複数のバンク20のうち何れかのバンク20において増幅動作が行われる場合にオーバードライブ電圧VODが電圧降下されていない状態で何れかのバンク20のセンスアンプ10に供給されるように、オーバードライブ電圧VODを充電するための充電用電圧の供給を制御する制御部40と、を備える。
【選択図】図2
特許請求の範囲
【請求項1】
少なくとも1つのセンスアンプをそれぞれ備える複数のバンクと、
前記複数のバンクの各々の前記センスアンプに接続されたビット線の電圧の増幅動作が行われる場合に、前記センスアンプの動作電圧よりも高いオーバードライブ電圧を前記複数のバンクの各々の前記センスアンプに供給する第1電圧供給部と、
前記複数のバンクのうち何れかのバンクにおいて前記増幅動作が行われる場合に前記オーバードライブ電圧が電圧降下されていない状態で前記何れかのバンクの前記センスアンプに供給されるように、前記オーバードライブ電圧を充電するための充電用電圧の供給を制御する制御部と、を備える、
半導体記憶装置。
続きを表示(約 970 文字)
【請求項2】
前記制御部は、前記複数のバンクのうち何れかのバンクにおいて前記増幅動作が開始された場合に、前記充電用電圧の供給を停止するように構成されている、
請求項1に記載の半導体記憶装置。
【請求項3】
前記制御部は、前記増幅動作において前記ビット線の電圧が前記センスアンプの動作電圧とほぼ同じ電圧に達した場合に、前記充電用電圧の供給を開始するように構成されている、
請求項1に記載の半導体記憶装置。
【請求項4】
前記制御部は、前記何れかのバンクにおいて前記増幅動作が行われた後に前記何れかのバンク以外の他のバンクにおいて前記増幅動作が行われる場合に、前記他のバンクにおいて前記増幅動作が開始されるまでの間に前記オーバードライブ電圧がほぼ電圧降下されていない状態に回復するように、前記充電用電圧を供給するように構成されている、
請求項1に記載の半導体記憶装置。
【請求項5】
前記制御部は、前記複数のバンクのうち少なくとも2つのバンクにおいて前記増幅動作を同時に行う場合に、前記充電用電圧を常に供給するように構成されている、
請求項1に記載の半導体記憶装置。
【請求項6】
前記制御部は、前記オーバードライブ電圧を充電するための回路を備える、
請求項1に記載の半導体記憶装置。
【請求項7】
前記回路は、前記オーバードライブ電圧を充電するためのキャパシタを含む、
請求項6に記載の半導体記憶装置。
【請求項8】
前記制御部は、前記充電用電圧の供給を制御するためのスイッチを備える、
請求項1に記載の半導体記憶装置。
【請求項9】
前記スイッチは、MOSトランジスタを含む、
請求項8に記載の半導体記憶装置。
【請求項10】
前記複数のバンク毎に異なる前記充電用電圧が対応付けられており、
前記制御部は、前記複数のバンクのうち何れかのバンクにおいて前記増幅動作が行われた場合に、前記何れかのバンクに対応する前記充電用電圧を供給するように構成されている、
請求項1に記載の半導体記憶装置。
(【請求項11】以降は省略されています)
発明の詳細な説明
【技術分野】
【0001】
本発明は、半導体記憶装置及びその制御方法に関する。
続きを表示(約 2,500 文字)
【背景技術】
【0002】
例えばDRAM(Dynamic Random Access Memory)等の半導体記憶装置は、メモリセルに保持されたデータに基づいて一対の相補ビット線(以下、「一対のビット線」と称する)に微弱な電位差を生じさせ、この電位差をセンスアンプによって増幅することによりデータの読み出しを行うように構成されている。また、ビット線の電圧の増幅動作を高速化することによってセンスアンプのデータ読み出し動作の高速化を実現するために、当該増幅動作の開始時に、センスアンプの動作電圧よりも高いオーバードライブ電圧をセンスアンプに供給するように構成された半導体記憶装置が知られている(例えば、特許文献1)。
【先行技術文献】
【特許文献】
【0003】
特開平11-273346号公報
【発明の概要】
【発明が解決しようとする課題】
【0004】
ところで、従来の半導体記憶装置では、チップサイズの縮小化や設計の効率化等の要請に応じるために、図1(a)に示すように、オーバードライブ電圧(VOD)を供給するVOD供給部が、複数のメモリセル及び複数のセンスアンプをそれぞれ含む複数(図の例では、2つ)のバンク(バンク0、バンク1)間で共有可能に設けられている。このような構成では、複数のバンク(バンク0、バンク1)の各々のセンスアンプに接続されたビット線の電圧の増幅動作が行われる場合に、VOD供給部が、オーバードライブ電圧を各バンクのセンスアンプに供給するようになっている。
【0005】
図1(b)に、複数のバンク(バンク0、バンク1)の各々のセンスアンプを動作させる場合の各信号の電圧の変化の一例を示す。図1(b)に示す例では、時刻t1において、バンク0(BK0)内の何れかのメモリセルに記憶されたデータがビット線BLT(BK0)に送られることにより、ビット線BLT(BK0)の電圧レベルが僅かに変化する。次に、時刻t2においてビット線の電圧の増幅動作が開始されると、一対のビット線BLT(BK0),BLC(BK0)の電圧レベルが、当該一対のビット線BLT(BK0),BLC(BK0)に接続されたセンスアンプによって増幅される。このとき、VOD供給部からバンク0(BK0)のセンスアンプにオーバードライブ電圧が供給されることによって、VOD供給部と各バンク(バンク0,バンク1)との間のノードVOD_BK01の電圧が降下する。
【0006】
次いで、時刻t3において、バンク0(BK0)の一対のビット線BLT(BK0),BLC(BK0)の電圧レベルが動作電圧VBLH及び接地電圧VSSとほぼ同じ電圧に増幅されると、VOD供給部は、バンク0(BK0)のセンスアンプに対するオーバードライブ電圧の供給を停止する。このとき、ノードVOD_BK01の電圧は、初期の状態(電圧降下していない状態)に回復するように上昇を開始する。
【0007】
しかしながら、時刻t4において、ノードVOD_BK01の電圧が初期の状態に回復していない状態で他のバンク1(BK1)の一対のビット線BLT(BK1),BLC(BK1)の電圧の増幅動作が開始されると、VOD供給部からバンク1(BK1)のセンスアンプにオーバードライブ電圧が供給されることによって、ノードVOD_BK01の電圧(つまり、オーバードライブ電圧)が時刻t2での電圧よりもさらに降下する。これにより、さらに降下したオーバードライブ電圧を用いてビット線BLT(BK1)の電圧が増幅されることになる。この場合、ビット線BLT(BK1)の電圧が動作電圧VBLHに到達するまでの時間が長くなる(つまり、増幅動作が長くなる)ことによって、バンク1のセンスアンプのデータ読み出し動作が遅くなる。よって、従来技術では、オーバードライブ電圧が複数のバンク(バンク0,バンク1)間で共有される場合に、各バンク(ここでは、バンク1)のセンスアンプを高速に動作させることが困難になる虞がある。
【0008】
本発明は上記課題に鑑みてなされたものであり、オーバードライブ電圧が複数のバンク間で共有される場合であっても、各バンクのセンスアンプを高速に動作させることの可能な半導体記憶装置及びその制御方法を提供することを目的とする。
【課題を解決するための手段】
【0009】
上記課題を解決するために、本発明は、少なくとも1つのセンスアンプをそれぞれ備える複数のバンクと、前記複数のバンクの各々の前記センスアンプに接続されたビット線の電圧の増幅動作が行われる場合に、前記センスアンプの動作電圧よりも高いオーバードライブ電圧を前記複数のバンクの各々の前記センスアンプに供給する第1電圧供給部と、前記複数のバンクのうち何れかのバンクにおいて前記増幅動作が行われる場合に前記オーバードライブ電圧が電圧降下されていない状態で前記何れかのバンクの前記センスアンプに供給されるように、前記オーバードライブ電圧を充電するための充電用電圧の供給を制御する制御部と、を備える、半導体記憶装置を提供する。
【0010】
かかる発明によれば、何れかのバンクにおいて増幅動作が行われる場合に、電圧降下されていないオーバードライブ電圧を当該何れかのバンクのセンスアンプに供給することができるので、例えば電圧降下された状態のオーバードライブ電圧を当該何れかのバンクのセンスアンプに供給する場合と比較して、当該何れかのバンクにおける増幅動作を高速化することができ、ひいては、当該何れかのバンクのセンスアンプの動作を高速化することが可能になる。これにより、オーバードライブ電圧が複数のバンク間で共有される場合であっても、各バンクのセンスアンプを高速に動作させることができる。
(【0011】以降は省略されています)
この特許をJ-PlatPat(特許庁公式サイト)で参照する
関連特許
華邦電子股ふん有限公司
半導体積層ウェハ
3日前
華邦電子股ふん有限公司
受信回路及びその制御方法
1か月前
華邦電子股ふん有限公司
半導体装置及びその製造方法
20日前
華邦電子股ふん有限公司
半導体記憶装置及びその制御方法
1か月前
華邦電子股ふん有限公司
半導体記憶装置及びその制御方法
1か月前
華邦電子股ふん有限公司
3Dキャパシタンス構造およびその製造方法
2か月前
華邦電子股ふん有限公司
不良アドレスキャッシュを有するメモリデバイスおよびその方法
3日前
日本発條株式会社
記録装置
1か月前
RAMXEED株式会社
記憶装置
26日前
株式会社ナノバブル研究所
データ消去装置
1か月前
ローム株式会社
RAM
1か月前
キオクシア株式会社
半導体記憶装置
2か月前
ローム株式会社
メモリ装置
2か月前
キオクシア株式会社
記憶装置
2か月前
キオクシア株式会社
記憶装置
2か月前
キオクシア株式会社
半導体記憶装置
1か月前
ローム株式会社
半導体記憶装置
2か月前
株式会社東芝
磁気ヘッド、及び、磁気記録装置
1か月前
ローム株式会社
半導体記憶装置
2か月前
株式会社東芝
磁気ヘッド、及び、磁気記録装置
2か月前
キオクシア株式会社
記憶装置
2か月前
ローム株式会社
半導体メモリ装置
26日前
ローム株式会社
不揮発性メモリ装置
1か月前
ローム株式会社
不揮発性メモリ装置
1か月前
ローム株式会社
不揮発性メモリ装置
1か月前
キオクシア株式会社
磁気記憶装置
2か月前
キオクシア株式会社
メモリシステム
2か月前
キオクシア株式会社
メモリデバイス
1か月前
キオクシア株式会社
メモリデバイス
1か月前
キオクシア株式会社
半導体記憶装置
2か月前
株式会社JVCケンウッド
車載装置
17日前
キオクシア株式会社
半導体記憶装置
1か月前
日本発條株式会社
記録装置、カバー、及びカバーの製造方法
1か月前
ローム株式会社
不揮発性半導体記憶装置
1か月前
キオクシア株式会社
半導体記憶装置、メモリシステム
2か月前
キオクシア株式会社
半導体記憶装置
1か月前
続きを見る
他の特許を見る