TOP
|
特許
|
意匠
|
商標
特許ウォッチ
Twitter
他の特許を見る
10個以上の画像は省略されています。
公開番号
2025155118
公報種別
公開特許公報(A)
公開日
2025-10-14
出願番号
2024058583
出願日
2024-04-01
発明の名称
車体構造部材の結合構造
出願人
株式会社SUBARU
代理人
弁理士法人太田特許事務所
主分類
B62D
27/02 20060101AFI20251006BHJP(鉄道以外の路面車両)
要約
【課題】繊維強化樹脂複合材を用いた車体構造に適用可能な改良された車体構造部材の結合構造を提供する。
【解決手段】少なくとも一方が繊維強化樹脂複合材からなり第1の方向に沿って延びる第1部材及び前記第1の方向に交差する第2の方向に沿って延びる第2部材を結合する車体構造部材の結合構造であって、第1部材は、所定の剛性を有する中実の第1嵌合部を有し、第2部材は、所定の剛性を有する中実の第2嵌合部を有し、第1嵌合部及び第2嵌合部が相互に嵌まり合うことで第1部材及び第2部材が結合され、第1嵌合部及び第2嵌合部のうちのいずれか一方は第2の方向に沿った軸を有する円筒状又は半円筒状の筒部を有し、第1嵌合部及び第2嵌合部のうちの他方は筒部の外周面に接する円筒状又は半円筒状の内周面を有する。
【選択図】図2
特許請求の範囲
【請求項1】
少なくとも一方が繊維強化樹脂複合材からなり第1の方向に沿って延びる第1部材及び前記第1の方向に交差する第2の方向に沿って延びる第2部材を結合する車体構造部材の結合構造であって、
前記第1部材は、所定の剛性を有する中実の第1嵌合部を有し、
前記第2部材は、所定の剛性を有する中実の第2嵌合部を有し、
前記第1嵌合部及び前記第2嵌合部が相互に嵌まり合うことで前記第1部材及び前記第2部材が結合され、
前記第1嵌合部及び前記第2嵌合部のうちのいずれか一方は前記第2の方向に沿った軸を有する円筒状又は半円筒状の筒部を有し、
前記第1嵌合部及び前記第2嵌合部のうちの他方は前記筒部の外周面に接する円筒状又は半円筒状の内周面を有する、車体構造部材の結合構造。
続きを表示(約 360 文字)
【請求項2】
前記第1部材と前記第2部材とが前記第1の方向に脱離することを防ぐ第1の抜け止め構造を有する、請求項1に記載の車体構造部材の結合構造。
【請求項3】
さらに前記第1部材と前記第2部材とが前記第1の方向に交差する方向に脱離することを防ぐ第2の抜け止め構造を有する、請求項2に記載の車体構造部材の結合構造。
【請求項4】
前記第1嵌合部と前記第2嵌合部との嵌合部分に、車体骨格の低次の振動モードの振動応答を低減するための摩擦力増大部、接着剤層及び隙間のうちの少なくとも一つを有する、請求項1に記載の車体構造部材の結合構造。
【請求項5】
前記第2の方向が車体前後方向であり、前記第2部材がサイドシル又はルーフレールである、請求項1に記載の車体構造部材の結合構造。
発明の詳細な説明
【技術分野】
【0001】
本開示の技術は、繊維強化樹脂複合材を用いた車体構造部材の結合構造に関する。
続きを表示(約 2,200 文字)
【背景技術】
【0002】
車両の車体の軽量化を目的として、炭素繊維強化樹脂に代表される繊維強化樹脂を用いた複合材(以下、「繊維強化樹脂複合材」ともいう)からなる車体構造の開発が進められている。繊維強化樹脂複合材は、高い剛性を有し、特に繊維の配向方向に沿って作用する引張応力に対して高い強度を発揮する。繊維強化樹脂複合材を用いて車体構造を構成する場合、モノコック構造が一般的である。
【0003】
繊維強化樹脂複合材を用いた車体構造として、例えば特許文献1には、第1管部と、接続部を介して第1管部に接続された第2管部と、を備える移動体用管状フレームであって、接続部は、管状に形成され、第1スリットを有する第1接続部であって、第1スリットの第1開口部が第1接続部の軸線方向と交差するように側面に配置される第1接続部と、第1接続部と横断面形状が略同一の管状に形成され、第2スリットを有する第2接続部であって、第2スリットの第2開口部が第2接続部の軸線方向と交差するように側面に配置される第2スリットを有する第2接続部と、を備え、第1管部と第2管部とは、第1接続部と第2接続部とが、第1スリットおよび第2スリットを介して係合することにより接続された移動体用管状フレームが開示されている。
【先行技術文献】
【特許文献】
【0004】
特開2021-75066号公報
【発明の概要】
【発明が解決しようとする課題】
【0005】
しかしながら、特許文献1には、複数の管部が繊維強化樹脂により形成されてよいことが記載されているものの、繊維強化樹脂製の管部のスリット同士を係合して接続する場合の強度をどのように担保するのかが具体的に示されていない。繊維強化樹脂製の部材同士を結合する場合、互いの部材の繊維の配向方向の違いにより強度や変形モードが異なるために量産に適していない。これに対して、部材同士を結合する部分に、例えばソリッド金属等の中実の部材を削り出した結合部材により部材同士を結合する構成が考えられる。しかしながら、当該結合部材を用いた構成では、中実の部材と繊維強化樹脂製の部材との継目の変形モードのコントロールが難しく、結合部分の強度が安定しないおそれがある。
【0006】
そこで、本開示の技術は、上記問題に鑑みてなされたものであり、本開示の目的とするところは、繊維強化樹脂複合材を用いた車体構造に適用可能な改良された車体構造部材の結合構造を提供することにある。
【課題を解決するための手段】
【0007】
上記課題を解決するために、少なくとも一方が繊維強化樹脂複合材からなり第1の方向に沿って延びる第1部材及び上記第1の方向に交差する第2の方向に沿って延びる第2部材を結合する車体構造部材の結合構造であって、上記第1部材は、所定の剛性を有する中実の第1嵌合部を有し、上記第2部材は、所定の剛性を有する中実の第2嵌合部を有し、上記第1嵌合部及び上記第2嵌合部が相互に嵌まり合うことで上記第1部材及び上記第2部材が結合され、上記第1嵌合部及び上記第2嵌合部のうちのいずれか一方は上記第2の方向に沿った軸を有する円筒状又は半円筒状の筒部を有し、上記第1嵌合部及び上記第2嵌合部のうちの他方は上記筒部の外周面に接する円筒状又は半円筒状の内周面を有する車体構造部材の結合構造が提供される。
【発明の効果】
【0008】
以上説明したように本開示の技術によれば、繊維強化樹脂複合材を用いた車体構造に適用可能な改良された車体構造部材の結合構造を提供することができる。
【図面の簡単な説明】
【0009】
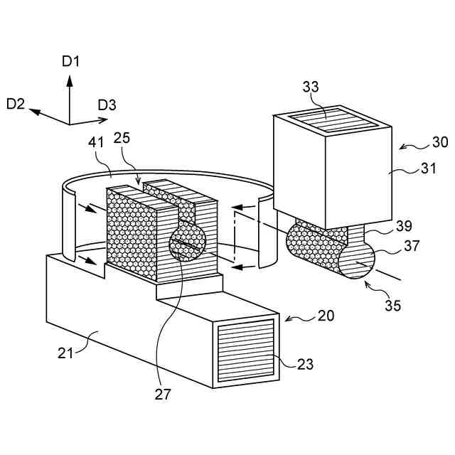
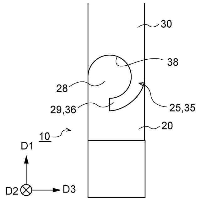
本開示の実施の形態に係る車体構造部材の結合構造を示す斜視図である。
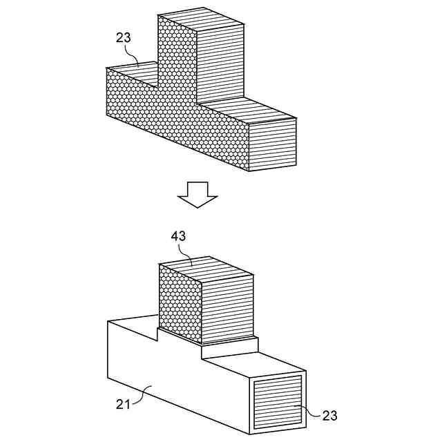
同実施形態に係る車体構造部材の結合構造を分解して示した斜視図である。である。
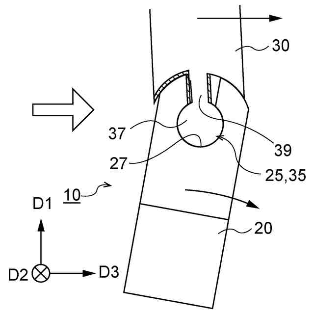
図1に示した車体構造部材の結合構造を第2の方向に沿って見た模式図である。
図1に示した車体構造部材の結合構造が折れる様子を示す模式図である。
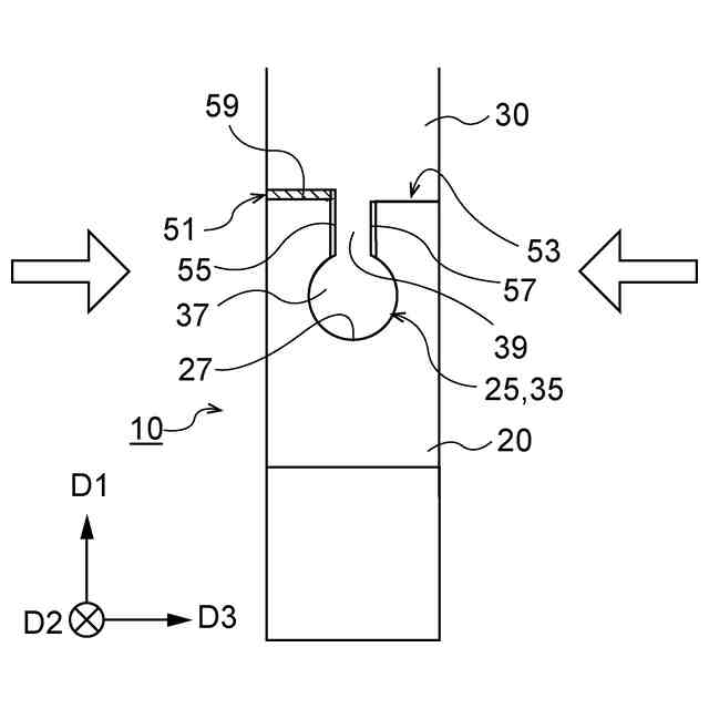
変形例の車体構造部材の結合構造を第2の方向に沿って見た模式図である。
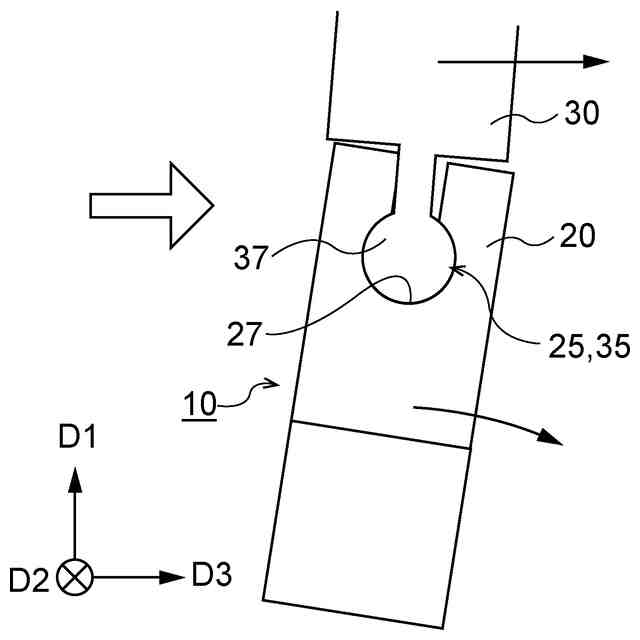
図5に示した車体構造部材の結合構造が折れる様子を示す模式図である。
他の変形例の車体構造部材の結合構造を第2の方向に沿って見た模式図である。
図7に示した車体構造部材の結合構造が折れる様子を示す模式図である。
同実施形態に係る車体構造部材の結合構造に用いられる第2部材の製造方法の一例を示す説明図である。
同実施形態に係る第1部材と第2部材とを結合する方法を示す説明図である。である。
同実施形態に係る第1部材と第2部材とを結合する方法を示す説明図である。である。
【発明を実施するための形態】
【0010】
以下に添付図面を参照しながら、本開示の技術の好適な実施の形態について詳細に説明する。なお、本明細書及び図面において、実質的に同一の機能構成を有する構成要素については、同一の符号を付することにより重複説明を省略する。
(【0011】以降は省略されています)
この特許をJ-PlatPat(特許庁公式サイト)で参照する
関連特許
株式会社SUBARU
車両
13日前
株式会社SUBARU
車両
12日前
株式会社SUBARU
車両
12日前
株式会社SUBARU
弁装置
5日前
株式会社SUBARU
排気浄化装置
12日前
株式会社SUBARU
加湿システム
12日前
株式会社SUBARU
車体前部構造
1か月前
株式会社SUBARU
操舵支援装置
13日前
株式会社SUBARU
車両用シート
20日前
株式会社SUBARU
車両用シート
20日前
株式会社SUBARU
車両用シート
20日前
株式会社SUBARU
操作システム
1か月前
株式会社SUBARU
車両前部構造
1か月前
株式会社SUBARU
車両前部構造
1か月前
株式会社SUBARU
車両前部構造
1か月前
株式会社SUBARU
車両前部構造
5日前
株式会社SUBARU
車両前部構造
5日前
株式会社SUBARU
情報処理装置
5日前
株式会社SUBARU
車両前部構造
1か月前
株式会社SUBARU
車体前部構造
1か月前
株式会社SUBARU
シフト制御装置
20日前
株式会社SUBARU
インシュレータ
5日前
株式会社SUBARU
車両用電池パック
20日前
株式会社SUBARU
エンジン制御装置
1か月前
株式会社SUBARU
エンジン制御装置
1日前
株式会社SUBARU
ドアロック制御装置
1か月前
株式会社SUBARU
ドアロックシステム
12日前
株式会社SUBARU
液体封入式マウント
6日前
株式会社SUBARU
車両用空力制御装置
13日前
株式会社SUBARU
電極チップ導入用治具
12日前
株式会社SUBARU
電波吸収体の製造方法
26日前
株式会社SUBARU
車両用エアバッグ装置
12日前
株式会社SUBARU
スタビライザブッシュ
6日前
株式会社SUBARU
カーテンエアバッグ装置
1か月前
株式会社SUBARU
運転補助装置および車両
1か月前
株式会社SUBARU
インフレータブル構造体
20日前
続きを見る
他の特許を見る