TOP
|
特許
|
意匠
|
商標
特許ウォッチ
Twitter
他の特許を見る
公開番号
2025154010
公報種別
公開特許公報(A)
公開日
2025-10-10
出願番号
2024056772
出願日
2024-03-29
発明の名称
DC-DCコンバータおよび電源回路
出願人
TDK株式会社
代理人
個人
,
個人
,
個人
主分類
H02M
3/155 20060101AFI20251002BHJP(電力の発電,変換,配電)
要約
【課題】特性向上および小型化が図られたDC-DCコンバータおよび電源回路を提供する。
【解決手段】電源回路100のDC-DCコンバータ200においては、インダクタL1、L2として、クラックが実質的に生じていない磁性薄帯22で構成された磁性ブロック2をコアとして含むインダクタンス素子1のコイル導体3A、3Bが用いられることで損失低減の点で特性を向上することができる。
【選択図】図1
特許請求の範囲
【請求項1】
第1の入力端子および第2の入力端子と、
第1の出力端子および第2の出力端子と、
前記第1の入力端子に接続された第1スイッチング素子と、
前記第1スイッチング素子と前記第1の出力端子との間において、第1キャパシタおよび第1インダクタがこの順に直列に接続され、前記第1キャパシタと前記第1インダクタとの間に接続された第2スイッチング素子を含む第1回路と、
前記第1スイッチング素子と前記第1の出力端子との間において前記第1回路に並列に接続され、第3スイッチング素子および第2インダクタがこの順に直列に接続されるとともに前記第3スイッチング素子と前記第2インダクタとの間に接続された第4スイッチング素子を含む第2回路と、
前記第1の出力端子と前記第2の出力端子との間に接続された第2キャパシタと
を備え、
前記第1インダクタおよび前記第2インダクタの少なくとも一方は、第1コイル導体と、該第1コイル導体に並設された磁性体と、前記第1コイル導体および前記磁性体を内部に含む磁性樹脂とを備えるインダクタンス素子であり、
前記磁性体が、複数の磁性薄帯が積層された積層構造を有するとともに、前記各磁性薄帯はクラックにより複数の小片に分割されていない、DC-DCコンバータ。
続きを表示(約 700 文字)
【請求項2】
前記インダクタンス素子が、前記第1インダクタおよび前記第2インダクタの一方を構成する前記第1コイル導体に加えて、前記第1インダクタおよび前記第2インダクタの他方を構成する第2コイル導体をさらに備え、
前記第2コイル導体が、前記磁性樹脂の内部に含まれるとともに前記磁性体に並設される、請求項1に記載のDC-DCコンバータ。
【請求項3】
前記インダクタンス素子の磁性体が、前記第1コイル導体と前記第2コイル導体との間に介在する、請求項2に記載のDC-DCコンバータ。
【請求項4】
前記インダクタンス素子の磁性体が、第1磁性ブロック、第2磁性ブロックおよび第3磁性ブロックを含み、
前記第1磁性ブロックは、前記第1コイル導体と前記第2コイル導体との間に介在し、前記第2磁性ブロックは、前記第1コイル導体に関して、前記第1磁性ブロック側とは反対側に配置され、前記第3磁性ブロックは、前記第2コイル導体に関して、前記第1磁性ブロック側とは反対側に配置される、請求項2に記載のDC-DCコンバータ。
【請求項5】
降圧比が0.1以下である、請求項1に記載のDC-DCコンバータ。
【請求項6】
スイッチング周波数が100kHz以上である、請求項1に記載のDC-DCコンバータ。
【請求項7】
請求項1~6のいずれか一項に記載のDC-DCコンバータと、該DC-DCコンバータの前記第1の入力端子と前記第2の入力端子との間に10V以上の直流電圧を入力する入力電源とを備える、電源回路。
発明の詳細な説明
【技術分野】
【0001】
本開示は、DC-DCコンバータおよび電源回路に関する。
続きを表示(約 1,400 文字)
【背景技術】
【0002】
引用文献1には、コイル導体と磁性コアとを備えるインダクタが開示されている。本文献に開示された磁性コアは、アモルファス合金またはナノ結晶合金からなる磁性薄帯が積層された積層構造を有する。
【先行技術文献】
【特許文献】
【0003】
特開2022-26401号公報
【発明の概要】
【発明が解決しようとする課題】
【0004】
発明者らは、磁性薄帯が積層された磁性コアを備えるインダクタの2フェーズDC-DCコンバータへの適用について研究を重ね、その結果、損失やインダクタンス値、直流重畳特性といった特性の向上および小型化を実現することができる技術を新たに見出した。
【0005】
本開示の一側面は、特性向上および小型化が図られたDC-DCコンバータおよび電源回路を提供することを目的とする。
【課題を解決するための手段】
【0006】
本開示の一側面に係るDC-DCコンバータは、第1の入力端子および第2の入力端子と、第1の出力端子および第2の出力端子と、第1の入力端子に接続された第1スイッチング素子と、第1スイッチング素子と第1の出力端子との間において、第1キャパシタおよび第1インダクタがこの順に直列に接続され、第1キャパシタと第1インダクタとの間に接続された第2スイッチング素子を含む第1回路と、第1スイッチング素子と第1の出力端子との間において第1回路に並列に接続され、第3スイッチング素子および第2インダクタがこの順に直列に接続されるとともに第3スイッチング素子と第2インダクタとの間に接続された第4スイッチング素子を含む第2回路と、第1の出力端子と第2の出力端子との間に接続された第2キャパシタとを備え、第1インダクタおよび第2インダクタの少なくとも一方は、第1コイル導体と、該第1コイル導体に並設された磁性体と、第1コイル導体および磁性体を内部に含む磁性樹脂とを備えるインダクタンス素子であり、磁性体が、複数の磁性薄帯が積層された積層構造を有するとともに、各磁性薄帯はクラックにより複数の小片に分割されていない。
【0007】
本開示の一側面に係る電源回路は、上記のDC-DCコンバータと、該DC-DCコンバータの第1の入力端子と第2の入力端子との間に10V以上の直流電圧を入力する入力電源とを備える。
【発明の効果】
【0008】
本開示の一側面によれば、特性向上および小型化が図られたDC-DCコンバータおよび電源回路が提供される。
【図面の簡単な説明】
【0009】
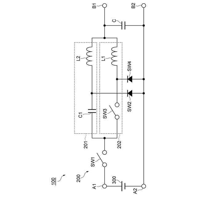
一実施形態に係る電源回路を示した回路図である。
図1に示したDC-DCコンバータに用いられるインダクタンス素子を示した斜視図である。
図2に示したインダクタンス素子を示した分解図である。
図2に示した磁性ブロックの積層構造を示した図である。
キャパシタ分圧されていないDC-DCコンバータを示した回路図である。
【発明を実施するための形態】
【0010】
以下、添付図面を参照して、本開示の好適な実施形態について詳細に説明する。なお、図面の説明において同一又は相当要素には同一符号を付し、重複する説明は省略する。
(【0011】以降は省略されています)
この特許をJ-PlatPat(特許庁公式サイト)で参照する
関連特許
TDK株式会社
電子部品
5日前
TDK株式会社
電子部品
18日前
TDK株式会社
接合構造
10日前
TDK株式会社
熱処理容器
1か月前
TDK株式会社
電力変換装置
18日前
TDK株式会社
アンテナモジュール
1か月前
TDK株式会社
コモンモードフィルタ
11日前
TDK株式会社
磁気センサおよびその製造方法
18日前
TDK株式会社
入力装置及び入力装置の制御方法
24日前
TDK株式会社
入力装置及び入力装置の制御方法
1か月前
TDK株式会社
物理レザバー素子及び物理レザバー
1か月前
TDK株式会社
非可逆回路素子及び量子コンピュータ
1か月前
TDK株式会社
磁気センサおよび磁気センサの製造方法
10日前
TDK株式会社
軟磁性粉末、磁性体コア、および磁性部品
1か月前
TDK株式会社
磁性シート及びこれを備えるコイルモジュール
1か月前
TDK株式会社
軟磁性合金粒子、軟磁性粉末、圧粉磁芯および電子部品
1か月前
TDK株式会社
固体電解コンデンサ及び固体電解コンデンサの製造方法
1か月前
TDK株式会社
接合構造
3日前
TDK株式会社
コイル部品
24日前
TDK株式会社
磁気センサ、磁場検出装置、位置検出装置、レンズモジュール、および撮像装置
1か月前
TDK株式会社
物理レザバー素子及び物理レザバー
1か月前
TDK株式会社
磁気センサ、磁場検出装置、位置検出装置、レンズモジュール、撮像装置、および磁気センサの製造方法
1か月前
TDK株式会社
光合波器、光合波部材、光変調機能付き光合波部材、可視光光源モジュール、光学エンジン及びXRグラス
1か月前
TDK株式会社
光変調器、光源モジュール、光学エンジン、XRグラス、光通信用送信装置で、光通信システム、光変調器の制御方法
1か月前
TDK株式会社
光変調器、光源モジュール、光学エンジン、画像表示装置、XRグラス、光通信用送信装置、光通信システム、光変調器の制御方法
1か月前
株式会社プロテリアル
フェライト磁心、並びにそれを用いたコイル部品及び電子部品
1か月前
個人
電気を重力で発電装置
1か月前
個人
高圧電気機器の開閉器
19日前
キヤノン電子株式会社
モータ
1か月前
キヤノン電子株式会社
モータ
1か月前
コーセル株式会社
電源装置
1か月前
株式会社アイドゥス企画
減反モータ
19日前
トヨタ自動車株式会社
モータ
1か月前
株式会社デンソー
端子台
12日前
株式会社デンソー
回転電機
3日前
株式会社ダイヘン
送配電装置
3日前
続きを見る
他の特許を見る