TOP
|
特許
|
意匠
|
商標
特許ウォッチ
Twitter
他の特許を見る
公開番号
2025151470
公報種別
公開特許公報(A)
公開日
2025-10-09
出願番号
2024052915
出願日
2024-03-28
発明の名称
鋼管矢板の継手構造
出願人
JFEスチール株式会社
代理人
個人
主分類
E02D
5/08 20060101AFI20251002BHJP(水工;基礎;土砂の移送)
要約
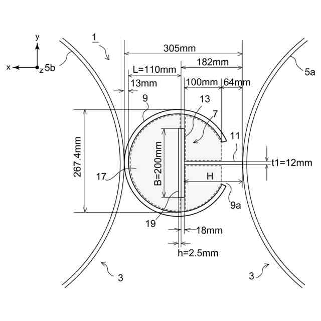
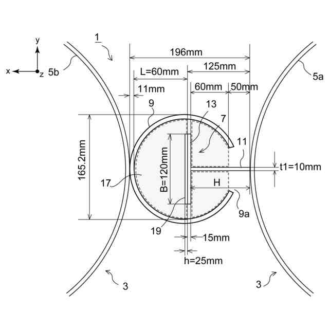
【課題】継手嵌合部内の排土作業や洗浄作業、及び固化材の注入作業を確実に行うことができ、継手部材と固化材の一体性を高めて継手強度を向上させる鋼管矢板の継手構造を提供する。
【解決手段】本発明に係る鋼管矢板の継手構造1は、隣接する一方の本管5aの外面に取り付けられた雄継手部材7と、隣接する他方の本管5bの外面に設けられて雄継手部材7に嵌合する雌継手部材9と、雄継手部材7と雌継手部材9の嵌合部に充填された固化材17と、を備えたものであって、雄継手部材7は、ウェブ部11とフランジ部13を備え、フランジ部13の前面に突起19を有する断面略T字形の部材からなり、雌継手部材9は、スリット9aを設けた鋼管部材からなり、継手嵌合状態において、雌継手部材9で囲まれた領域が雄継手部材7によって3つの区画領域に仕切られ、該3つの区画領域の上面視における大きさが、それぞれφ30mmの円以上であることを特徴とする。
【選択図】 図1
特許請求の範囲
【請求項1】
隣接する一方の本管の外面に軸方向に沿って取り付けられた雄継手部材と、隣接する他方の本管の外面に軸方向に沿って設けられて前記雄継手部材に嵌合する雌継手部材と、前記雄継手部材と前記雌継手部材の嵌合部に充填された固化材と、を備えた鋼管矢板の継手構造であって、
前記雄継手部材は、ウェブ部とフランジ部を備え、該フランジ部の前面に突起を有する断面略T字形の部材からなり、
前記雌継手部材は、スリットを設けた鋼管部材からなり、
継手嵌合状態において、前記雌継手部材で囲まれた領域が前記雄継手部材によって3つの区画領域に仕切られ、
該3つの区画領域の上面視における大きさが、それぞれφ30mmの円以上であることを特徴とする鋼管矢板の継手構造。
続きを表示(約 610 文字)
【請求項2】
前記フランジ部の前面から、該前面に対向する雌継手部材の最奥部までの距離が、前記突起の突起高さの20倍以上であることを特徴とする請求項1記載の鋼管矢板の継手構造。
【請求項3】
前記雄継手部材は、前記ウェブ部のウェブ長さHが60mm以上であり、かつ、下記の式(1)及び式(2)を満足することを特徴とする請求項1又は2記載の鋼管矢板の継手構造。
Fs×t1≧Fc×B ・・・(1)
H/t1≦15.5 ・・・(2)
ここで、
Fc:固化材が固化した固化体の長期許容圧縮応力度
Fs:ウェブ部(鋼材)の長期許容応力度
B:フランジ部のフランジ幅
H:ウェブ部のウェブ長さ
t1:ウェブ部の板厚
【請求項4】
前記雄継手部材は、前記ウェブ部のウェブ長さHが60mm以上であり、かつ、下記の式(1)及び式(3)を満足することを特徴とする請求項1又は2記載の鋼管矢板の継手構造。
Fs×t1≧Fc×B ・・・(1)
H/t1≦8.7 ・・・(3)
ここで、
Fc:固化材が固化した固化体の長期許容圧縮応力度
Fs:ウェブ部(鋼材)の長期許容応力度
B:フランジ部のフランジ幅
H:ウェブ部のウェブ長さ
t1:ウェブ部の板厚
発明の詳細な説明
【技術分野】
【0001】
本発明は、鋼管矢板の継手構造に関する。
続きを表示(約 1,500 文字)
【背景技術】
【0002】
従来の地下構造物の基礎の一つに、鋼管矢板式基礎がある。鋼管矢板式基礎は、特許文献1の図6に示されるように、鋼管矢板を円形に複数本並べて地中に建て込み、鋼管矢板の壁によって一定面積の地盤を囲んで基礎とするものである。各鋼管矢板には鋼管矢板を連結するための継手部材が設けられており、隣接する鋼管矢板の継手部材を嵌合させて鋼管矢板壁を構築している。
鋼管矢板の継手構造としては様々なタイプのものがあるが、その一つが例えば特許文献2の図5に示されている。
【0003】
特許文献2の図5は、所謂L-T型の継手構造であり、突起付L型鋼13に突起付T型鋼12を嵌合させることで、隣り合う鋼管矢板61を連結する。また、突起付T型鋼12と突起付L型鋼13の嵌合部内には、固化材であるコンクリート40が打設されている。
【0004】
上記のような継手構造を用いて構築された鋼管矢板式基礎に、地震等によって水平方向の外力が作用すると、上述した継手部材(突起付T型鋼12、突起付L型鋼13)には、両者を長手方向上下にずれさせる力が作用する。その結果、嵌合部内に打設されたモルタルやコンクリート等のセメント系固化材は、継手部材長手方向のせん断力を受ける。
【0005】
鋼管矢板式基礎の強度を十分に得るためは、連結された複数の鋼管矢板が、外力に対して一体的に抵抗するのが望ましい。しかし、固化材に継手部材長手方向のせん断力が作用して継手部材同士が長手方向上下にずれると、複数の鋼管矢板が一体となって機能せず、基礎としての強度が低下する恐れがある。
【0006】
これに対し、上述した特許文献1、2では、継手部材の表面に突起を設けて継手部材と固化材の付着力を向上させており、継手部材長手方向のせん断力に対する強度を向上させている。
【先行技術文献】
【特許文献】
【0007】
特開平11-140863号公報
特許第3368398号公報
【発明の概要】
【発明が解決しようとする課題】
【0008】
上述したように、鋼管矢板式基礎の強度を向上させるためには、嵌合する継手部材が継手長手方向にずれるのを防止する必要がある。そこで従来では、雄継手部材のフランジ部に突起を設け、嵌合部に充填される固化材と雄継手部材の付着力を向上させていた。
上記突起による付着力向上効果を十分に発揮するためは、嵌合部内に固化材が空隙なく充填されているのが望ましい。
【0009】
固化材を空隙なく充填するためには、充填前に嵌合部内の土砂を完全に除去する必要がある。前述したL-T型継手構造では、雌継手部材に雄継手部材を嵌合させると、雌継手部材の内側の領域が雄継手部材によって3つの区画領域に仕切られるので、各区画領域毎に排土及び洗浄を行い、土砂を除去する必要がある。
【0010】
しかし、雄継手部材によって仕切られた区画領域はとても狭いため、領域内の排土や洗浄の作業性が悪く、土砂を完全に除去できない場合があった。土砂の除去が不十分な状態で固化材を充填すると、継手部材と固化材とが十分に付着せず、期待する継手強度が得られないという問題がある。また、雄継手部材のウェブ部の両側に形成される領域に関しては特に小さいので、固化材を注入するための注入管を挿入できず、固化材の打設自体が困難な場合もあった。
上記の課題は、上述した所謂L-T型の継手構造に限られず、断面略T字形の雄継手部材と鋼管にスリットを形成した雌継手部材からなる所謂P-T型の継手構造にも当てはまる。
(【0011】以降は省略されています)
この特許をJ-PlatPat(特許庁公式サイト)で参照する
関連特許
JFEスチール株式会社
炭材内装鉱の製造方法
3日前
JFEスチール株式会社
高炉の操業状態評価方法及び操業方法
3日前
JFEスチール株式会社
スラブ抽出制御方法およびスラブ抽出装置
3日前
JFEスチール株式会社
磁区細分化方向性電磁鋼板の製造方法および製造設備
3日前
JFEスチール株式会社
操業支援装置、操業支援方法、及び操業支援プログラム
3日前
JFEスチール株式会社
溶融金属めっき鋼帯の製造方法及びガスワイピング装置
3日前
JFEスチール株式会社
搬送計画作成装置、搬送計画作成方法、及び搬送計画作成プログラム
4日前
JFEスチール株式会社
作業支援システム及び作業支援方法
3日前
JFEスチール株式会社
鋼板の製造方法、磁区細分化方向性電磁鋼板の製造方法、鋼板の製造設備および磁区細分化方向性電磁鋼板の製造設備
3日前
個人
バケット
1か月前
個人
建物の不同沈下の修正方法
1か月前
鹿島建設株式会社
接続方法
19日前
株式会社富田製作所
継手部構造
1か月前
株式会社大林組
操縦装置
1か月前
ウエダ産業株式会社
アタッチメント
10日前
株式会社郷土開発
傾斜地の切土工法
18日前
日立建機株式会社
建設機械
5日前
ヤンマーホールディングス株式会社
作業機械
1か月前
株式会社クボタ
作業機
18日前
エポコラム機工株式会社
地盤改良装置
3日前
日立建機株式会社
建設機械
1か月前
日本車輌製造株式会社
建設機械
3日前
日立建機株式会社
作業機械
1か月前
FKS株式会社
擁壁及び擁壁の築造方法
1か月前
株式会社次世代一次産業実践所
登山道の施工装置
1か月前
株式会社三誠
建物の免震構造
1か月前
日本車輌製造株式会社
杭打機の表示システム
1か月前
ナブテスコ株式会社
ドーザブレード駆動機構
1か月前
日本車輌製造株式会社
杭打機の制御システム
1か月前
株式会社大林組
評価支援装置及び評価支援方法
1か月前
株式会社大林組
施工支援装置及び施工支援方法
1か月前
株式会社大林組
掘削支援装置及び掘削支援方法
12日前
株式会社大林組
施工支援装置及び施工支援方法
1か月前
株式会社大林組
施工支援装置及び施工支援方法
1か月前
日本車輌製造株式会社
建設機械の電源システム
1か月前
株式会社大林組
免震構造及び免震構造の施工方法
1か月前
続きを見る
他の特許を見る