TOP
|
特許
|
意匠
|
商標
特許ウォッチ
Twitter
他の特許を見る
公開番号
2025150105
公報種別
公開特許公報(A)
公開日
2025-10-09
出願番号
2024050813
出願日
2024-03-27
発明の名称
搬送装置
出願人
東レエンジニアリング株式会社
代理人
主分類
B65H
23/038 20060101AFI20251002BHJP(運搬;包装;貯蔵;薄板状または線条材料の取扱い)
要約
【課題】基材の位置ずれを防止することができ、基材を安定して搬送することができる搬送装置を提供することを目的としている。
【解決手段】基材を搬送する搬送部と、前記搬送部により搬送される基材の所定面をベルト部材に形成された吸着部に吸着させた状態で前記ベルト部材を走行させることによって、前記搬送部による基材の搬送を補助するコンベアユニットと、前記コンベアユニットに吸引力を付与する吸引部と、を備えた搬送装置であって、前記コンベアユニットは、基材の面内方向において基材の搬送方向と直交する幅方向に並んで設けられており、前記コンベアユニットと前記吸引部の間には、前記コンベアユニットそれぞれに接続される専用配管と、前記専用配管それぞれを合流させる集合部と、前記集合部と前記吸引部を接続する一本の共通配管と、が設けられ、前記専用配管は、それぞれの圧力損失が等しくなるように設定されている構成とする。
【選択図】図3
特許請求の範囲
【請求項1】
基材を搬送する搬送部と、
前記搬送部により搬送される基材の所定面をベルト部材に形成された吸着部に吸着させた状態で前記ベルト部材を走行させることによって、前記搬送部による基材の搬送を補助するコンベアユニットと、
前記コンベアユニットに吸引力を付与する吸引部と、を備えた搬送装置であって、
前記コンベアユニットは、基材の面内方向において基材の搬送方向と直交する幅方向に並んで設けられており、
前記コンベアユニットと前記吸引部の間には、前記コンベアユニットそれぞれに接続される専用配管と、前記専用配管それぞれを合流させる集合部と、前記集合部と前記吸引部を接続する一本の共通配管と、が設けられ、
前記専用配管は、それぞれの圧力損失が等しくなるように設定されていることを特徴とする搬送装置。
続きを表示(約 320 文字)
【請求項2】
前記集合部は、前記幅方向に長く形成されたマニホールド部を有しており、
前記専用配管は、前記幅方向に並んで前記マニホールド部に接続されていることを特徴とする請求項1に記載の搬送装置。
【請求項3】
前記専用配管は、それぞれ等しい径と長さに設定されていることを特徴とする請求項1又は請求項2に記載の搬送装置。
【請求項4】
基材には、前記幅方向においてストライプ状に塗膜が形成されており、
前記コンベアユニットは、塗膜が形成されていない部分である不塗布部において基材の所定面を前記吸着部に吸着させるように配置されていることを特徴とする請求項1又は請求項2に記載の搬送装置。
発明の詳細な説明
【技術分野】
【0001】
本発明は、帯状の基材を搬送する搬送装置に関するものである。
続きを表示(約 1,900 文字)
【背景技術】
【0002】
リチウムイオン電池の正極、負極を形成する塗布装置では、アルミ箔や銅箔などの帯状の基材に対して、電極材料のスラリーを塗布して塗膜を形成し、形成した塗膜を乾燥させることにより、正極、負極を形成している。
【0003】
このような塗布装置では、基材を搬送するための搬送装置が設けられており、この搬送装置によって搬送される基材に塗膜が形成されるようになっている。搬送装置は、基材に所定の張力を付与しながら搬送する複数のロールと、基材を吸引して保持することによって基材の搬送を補助するコンベアユニットと、を有している。コンベアユニットは、基材の幅方向に並んで設けられており、それぞれのコンベアユニットによって基材を吸引して保持させることにより、塗膜の重さによる基材の懸垂や、幅方向における基材の位置ずれを防止している(たとえば、下記特許文献1)。
【0004】
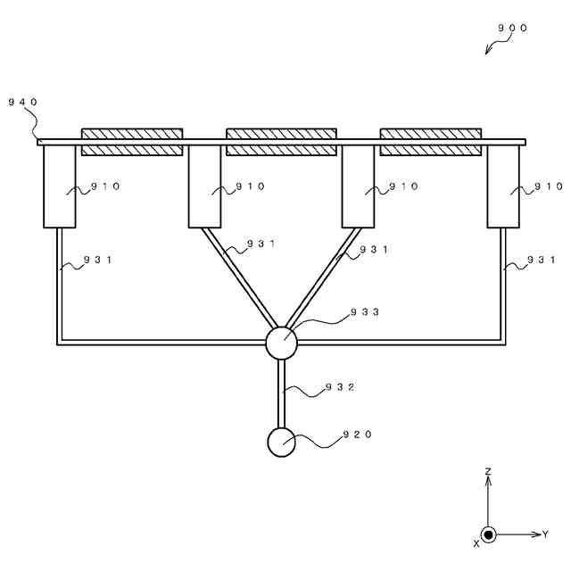
一般的に、このような搬送装置には、図4に示すように、コンベアユニット910に吸引力を付与する吸引部920が設けられており、この吸引部920によってコンベアユニット910それぞれに吸引力が付与されるようになっている。具体的には、それぞれのコンベアユニット910には、コンベアユニット910に吸引力を付与させるための専用配管931が接続されており、専用配管931が吸引部920に接続される一本の共通配管932と集合部933で接続されている。すなわち、吸引部920から吸引力が、共通配管932、集合部933、および専用配管931を通じて吸引コンベア910それぞれに付与されるようになっている。これにより、それぞれのコンベアユニット910によって基材940を吸引して保持させている。
【先行技術文献】
【特許文献】
【0005】
特開2012-040467号公報
【発明の概要】
【発明が解決しようとする課題】
【0006】
しかし、上記搬送装置900では、基材940を安定した状態で搬送することができない場合があった。具体的には、上記搬送装置900では、コンベアユニット910が基材940の幅方向に並んで設けられているため、それぞれのコンベアユニット910の位置が異なっている。これにより、それぞれのコンベアユニット910から集合部933までの距離が変わるため、専用配管931それぞれの圧力損失が異なり、コンベアユニット910それぞれに付与される吸引力にばらつきが生じやすくなっている。このような状態で基材940の搬送を行うと、付与された吸引力が強いコンベアユニット910に向かって基材940が横滑りし、基材940の位置がずれてしまう場合があった。
【0007】
本発明は、上記の問題点を鑑みてなされたものであり、基材の位置ずれを防止することができ、基材を安定して搬送することができる搬送装置を提供することを目的としている。
【課題を解決するための手段】
【0008】
上記課題を解決する本発明の搬送装置は、基材を搬送する搬送部と、前記搬送部により搬送される基材の所定面をベルト部材に形成された吸着部に吸着させた状態で前記ベルト部材を走行させることによって、前記搬送部による基材の搬送を補助するコンベアユニットと、前記コンベアユニットに吸引力を付与する吸引部と、を備えた搬送装置であって、前記コンベアユニットは、基材の面内方向において基材の搬送方向と直交する幅方向に並んで設けられており、前記コンベアユニットと前記吸引部の間には、前記コンベアユニットそれぞれに接続される専用配管と、前記専用配管それぞれを合流させる集合部と、前記集合部と前記吸引部を接続する一本の共通配管と、が設けられ、前記専用配管は、それぞれの圧力損失が等しくなるように設定されていることを特徴としている。
【0009】
上記搬送装置によれば、専用配管それぞれの圧力損失が等しくなるように設定されるため、吸引部からコンベアユニットそれぞれに付与される吸引力を均一にすることができる。したがって、基材の位置ずれを防止することができ、基材を安定して搬送することができる。
【0010】
また、前記集合部は、前記幅方向に長く形成されたマニホールド部を有しており、
前記専用配管は、前記幅方向に並んで前記マニホールド部に接続されている構成としてもよい。
(【0011】以降は省略されています)
この特許をJ-PlatPat(特許庁公式サイト)で参照する
関連特許
個人
収容箱
3か月前
個人
コンベア
5か月前
個人
段ボール箱
7か月前
個人
段ボール箱
6か月前
個人
容器
9か月前
個人
ゴミ収集器
6か月前
個人
宅配システム
6か月前
個人
角筒状構造体
5か月前
個人
バンド
2か月前
個人
楽ちんハンド
4か月前
個人
土嚢運搬器具
8か月前
個人
廃棄物収容容器
2か月前
個人
包装容器
1か月前
個人
お薬の締結装置
5か月前
個人
閉塞装置
10か月前
個人
コード類収納具
8か月前
株式会社バンダイ
物品
16日前
個人
蓋閉止構造
3か月前
個人
貯蔵サイロ
7か月前
株式会社和気
包装用箱
8か月前
個人
積み重ね用補助具
2か月前
個人
把手付米袋
4か月前
個人
蓋閉止構造
3か月前
株式会社コロナ
梱包材
5か月前
個人
ゴミ処理機
9か月前
三甲株式会社
容器
5か月前
個人
コード折り畳み器具
4か月前
個人
輸送積荷用動吸振器
6か月前
三甲株式会社
蓋体
7か月前
株式会社新弘
容器
2か月前
三甲株式会社
容器
5か月前
個人
搬送システム
6か月前
三甲株式会社
蓋体
9か月前
株式会社イシダ
搬送装置
6か月前
積水樹脂株式会社
接着剤
12か月前
個人
袋入り即席麺
7か月前
続きを見る
他の特許を見る