TOP
|
特許
|
意匠
|
商標
特許ウォッチ
Twitter
他の特許を見る
10個以上の画像は省略されています。
公開番号
2025142232
公報種別
公開特許公報(A)
公開日
2025-09-30
出願番号
2025122144,2024060345
出願日
2025-07-22,2022-02-22
発明の名称
エアロゾル生成装置の電源ユニット
出願人
日本たばこ産業株式会社
代理人
弁理士法人航栄事務所
主分類
A24F
40/40 20200101AFI20250919BHJP(たばこ;葉巻たばこ;紙巻たばこ;喫煙具)
要約
【課題】高性能なエアロゾル生成装置を提供する。
【解決手段】吸引器100は、電源BATから供給される電力を消費してロッド500を加熱するヒータHTRが接続されるヒータコネクタCnと、正極側のヒータコネクタCnに接続されたスイッチS4と抵抗器Rsとを含む第1プラス側回路と、正極側のヒータコネクタCnに接続されたスイッチS3を含み且つ第1プラス側回路へ並列接続される第2プラス側回路と、負極側のヒータコネクタCnに接続されたスイッチS6と、スイッチS4とスイッチS6がONの時にヒータコネクタCnに印加される電圧に基づき所定の制御を実行するように構成されるMCU1と、を備え、スイッチS3とスイッチS4とスイッチS6がそれぞれ異なる。
【選択図】図20
特許請求の範囲
【請求項1】
電源と、
前記電源から供給される電力を消費してエアロゾル源を加熱するヒータが接続される+極と-極とを含むヒータコネクタと、
一端が前記ヒータコネクタの+極へ接続される第1固定抵抗器と、
前記ヒータコネクタの+極側へ接続される正電源端子と、負電源端子と、前記第1固定抵抗器の一端と前記ヒータコネクタの+極の間へ接続される非反転入力端子と、前記ヒータコネクタの-極へ接続される反転入力端子と、出力端子と、を含むオペアンプと、
前記オペアンプの出力端子へ接続される入力端子と、電源端子と、グランドへ接続されるグランド端子と、を含むコントローラと、
前記オペアンプの出力端子へ接続され、前記オペアンプの出力端子から出力されて前記コントローラの前記入力端子に入力される電圧の値が所定値を越えないようにするクランプ回路と、を備え、
前記電源から前記第1固定抵抗器と前記ヒータの順に電流が供給される放電状態において、前記オペアンプの正電源端子と負電源端子の間へ印加される電圧は、前記コントローラの前記電源端子と前記グランド端子の間へ印加される電圧より高く、
前記コントローラは、前記入力端子への入力に基づき、前記電源から前記ヒータへの電力の供給を制御するように構成される、
エアロゾル生成装置の電源ユニット。
続きを表示(約 1,700 文字)
【請求項2】
請求項1に記載のエアロゾル生成装置の電源ユニットであって、
前記クランプ回路は、開閉を制御するための制御端子を含むクランプ用スイッチを含み、
前記クランプ用スイッチの制御端子は、前記第1固定抵抗器の一端と前記ヒータコネクタの+極の間へ接続される、
エアロゾル生成装置の電源ユニット。
【請求項3】
請求項1に記載のエアロゾル生成装置の電源ユニットであって、
一端が前記オペアンプの出力端子へ接続され、他端が前記コントローラの入力端子へ接続される第2固定抵抗器を備え、
前記クランプ回路は、Nチャネル型MOSFETを含み、
前記Nチャネル型MOSFETのゲート端子は、前記第1固定抵抗器の一端と前記ヒータコネクタの+極の間へ接続され、
前記Nチャネル型MOSFETのソース端子は、グランドへ接続され、
前記Nチャネル型MOSFETのドレイン端子は、前記第2固定抵抗器の他端と前記コントローラの前記入力端子の間へ接続される、
エアロゾル生成装置の電源ユニット。
【請求項4】
請求項3に記載のエアロゾル生成装置の電源ユニットであって、
前記第2固定抵抗器の抵抗値は、前記Nチャネル型MOSFETのON抵抗値より高い、
エアロゾル生成装置の電源ユニット。
【請求項5】
請求項4に記載のエアロゾル生成装置の電源ユニットであって、
前記クランプ回路は、前記Nチャネル型MOSFETのソース端子へ接続されるアノードと、前記Nチャネル型MOSFETのドレイン端子へ接続されるカソードと、を有する寄生ダイオードを含む、
エアロゾル生成装置の電源ユニット。
【請求項6】
請求項2から5のいずれか1項に記載のエアロゾル生成装置の電源ユニットであって、
開閉を制御するための制御端子を含み、且つ、前記第1固定抵抗器の他端と前記電源の間へ接続される第1プラス側スイッチと、
前記第1固定抵抗器の一端と前記電源の間へ接続される第2プラス側スイッチと、
ユーザのエアロゾル生成要求を出力するセンサと、を備え、
前記コントローラは、前記エアロゾル生成要求に基づき、前記第2プラス側スイッチを閉じるように構成される、
エアロゾル生成装置の電源ユニット。
【請求項7】
請求項6に記載のエアロゾル生成装置の電源ユニットであって、
前記第2プラス側スイッチがONの時に前記オペアンプの正電源端子と負電源端子の間へ印加される電圧は、前記第1プラス側スイッチが閉じられている時に前記オペアンプの正電源端子と負電源端子の間へ印加される電圧より低く、
前記第1プラス側スイッチが閉じられている時に前記オペアンプの正電源端子と負電源端子の間へ印加される電圧は、前記コントローラの前記電源端子と前記グランド端子の間へ印加される電圧より高い、
エアロゾル生成装置の電源ユニット。
【請求項8】
請求項7に記載のエアロゾル生成装置の電源ユニットであって、
前記クランプ回路は、前記第2プラス側スイッチが閉じられている時にのみ機能する、
エアロゾル生成装置の電源ユニット。
【請求項9】
請求項6から8のいずれか1項に記載のエアロゾル生成装置の電源ユニットであって、
前記コントローラは、前記第1プラス側スイッチと前記第2プラス側スイッチを交互にONするように構成される、
エアロゾル生成装置の電源ユニット。
【請求項10】
請求項6から8のいずれか1項に記載のエアロゾル生成装置の電源ユニットであって、
前記コントローラは、前記第1プラス側スイッチと前記第2プラス側スイッチの一方がONの状態で、前記第1プラス側スイッチと前記第2プラス側スイッチの他方の制御端子へ、前記第1プラス側スイッチと前記第2プラス側スイッチの他方をONするための信号を出力するように構成される、
エアロゾル生成装置の電源ユニット。
発明の詳細な説明
【技術分野】
【0001】
本発明は、エアロゾル生成装置の電源ユニットに関する。
続きを表示(約 2,800 文字)
【背景技術】
【0002】
特許文献1には、エアロゾル源を加熱し且つ温度と電気抵抗値が相関を持つ負荷に印加される電圧に応じた出力を行うオペアンプと、上記出力に応じた電圧に基づく処理を行うように構成された制御部と、電源と上記負荷との間に並列に電気的に接続された第1回路及び第2回路と、を含み、第1回路及び第2回路は第1開閉器及び第2開閉器をそれぞれ含む、エアロゾル吸引器用の制御装置が記載されている。この制御装置は、第2開閉器がオン状態である間に、オペアンプの出力に応じた電圧を取得するように構成されている。
【0003】
特許文献2には、所定の抵抗値を有する加熱要素と、前記加熱要素に電力を供給する電源と、前記加熱要素と並列に接続される複数の抵抗と、制御部と、前記加熱要素のオン/オフを制御する第1スイッチと、前記電源と前記複数の抵抗との間に接続される第2スイッチと、前記複数の抵抗の間の配線と前記制御部との間に接続される第3スイッチとを備え、前記加熱要素の抵抗値を測定する際に、前記制御部は、前記第2スイッチと前記第3スイッチとをオンし、前記第1スイッチをオフするスイッチ制御を実行するように構成された非燃焼式吸引器が記載されている。
【先行技術文献】
【特許文献】
【0004】
日本国特許第6613008号公報
国際公開第2020/217949号
【発明の概要】
【発明が解決しようとする課題】
【0005】
高性能なエアロゾル生成装置を提供する観点で検討の余地があった。
【0006】
本発明の目的は、高性能なエアロゾル生成装置を提供することにある。
【課題を解決するための手段】
【0007】
本発明の一態様のエアロゾル生成装置の電源ユニットは、電源と、前記電源から供給される電力を消費してエアロゾル源を加熱するヒータが接続される+極と-極とを含むヒータコネクタと、一端が前記ヒータコネクタの+極へ接続される第1固定抵抗器と、前記ヒータコネクタの+極側へ接続される正電源端子と、負電源端子と、前記第1固定抵抗器の一端と前記ヒータコネクタの+極の間へ接続される非反転入力端子と、前記ヒータコネクタの-極へ接続される反転入力端子と、出力端子と、を含むオペアンプと、前記オペアンプの出力端子へ接続される入力端子と、電源端子と、グランドへ接続されるグランド端子と、を含むコントローラと、前記オペアンプの出力端子へ接続され、前記オペアンプの出力端子から出力されて前記コントローラの前記入力端子に入力される電圧の値が所定値を越えないようにするクランプ回路と、を備え、前記電源から前記第1固定抵抗器と前記ヒータの順に電流が供給される放電状態において、前記オペアンプの正電源端子と負電源端子の間へ印加される電圧は、前記コントローラの前記電源端子と前記グランド端子の間へ印加される電圧より高く、前記コントローラは、前記入力端子への入力に基づき、前記電源から前記ヒータへの電力の供給を制御するように構成される、ものである。
【発明の効果】
【0008】
本発明によれば、高性能なエアロゾル生成装置を提供することができる。
【図面の簡単な説明】
【0009】
非燃焼式吸引器の斜視図である。
ロッドを装着した状態を示す非燃焼式吸引器の斜視図である。
非燃焼式吸引器の他の斜視図である。
非燃焼式吸引器の分解斜視図である。
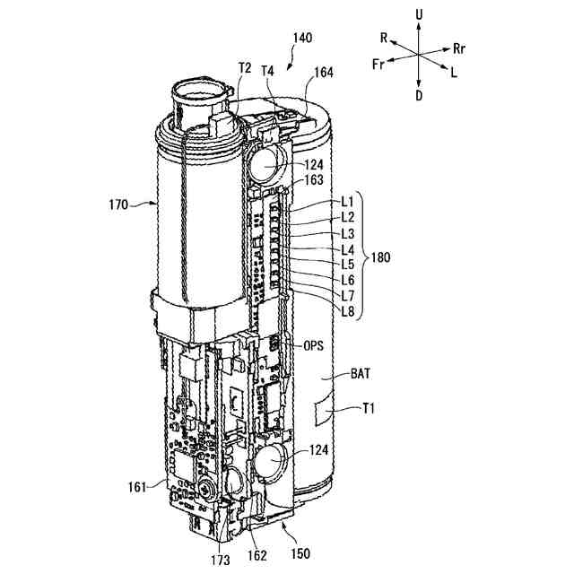
非燃焼式吸引器の内部ユニットの斜視図である。
図5の内部ユニットの分解斜視図である。
電源及びシャーシを取り除いた内部ユニットの斜視図である。
電源及びシャーシを取り除いた内部ユニットの他の斜視図である。
吸引器の動作モードを説明するための模式図である。
内部ユニットの電気回路の概略構成を示す図である。
内部ユニットの電気回路の概略構成を示す図である。
内部ユニットの電気回路の概略構成を示す図である。
スリープモードにおける電気回路の動作を説明するための図である。
アクティブモードにおける電気回路の動作を説明するための図である。
加熱初期設定モードにおける電気回路の動作を説明するための図である。
加熱モードにおけるヒータの加熱時の電気回路の動作を説明するための図である。
加熱モードにおけるヒータの温度検出時の電気回路の動作を説明するための図である。
充電モードにおける電気回路の動作を説明するための図である。
MCUのリセット(再起動)時の電気回路の動作を説明するための図である。
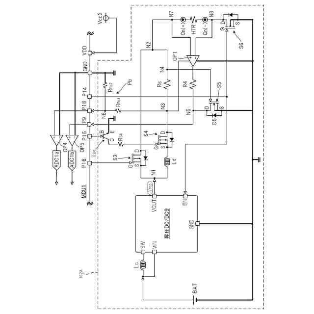
図10に示す電気回路のうち、ヒータの加熱と温度検出に用いられる主要な電子部品を抜き出して示した要部回路図である。
加熱モードにおけるスイッチS3及びスイッチS4のゲート端子に入力される電圧変化の一例を示す図である。
加熱モードの加熱制御時における電流の流れを示した図である。
加熱モードの温度検出制御時における電流の流れを示した図である。
図21の駆動例EX2におけるスイッチS3とスイッチS4が共にオンしているときの電流の流れを示した図である。
レセプタクル搭載基板を主面側から見た平面図である。
レセプタクル搭載基板を副面側から見た平面図である。
図25に示す範囲Hの拡大図である。
【発明を実施するための形態】
【0010】
以下、本発明におけるエアロゾル生成装置の一実施形態である吸引システムについて図面を参照しながら説明する。この吸引システムは、本発明の電源ユニットの一実施形態である非燃焼式吸引器100(以下、単に、「吸引器100」ともいう)と、吸引器100によって加熱されるロッド500と、を備える。以下の説明では、吸引器100が、加熱部を着脱不能に収容した構成を例に説明する。しかし、吸引器100に対し加熱部が着脱自在に構成されていてもよい。例えば、ロッド500と加熱部が一体化されたものを、吸引器100に着脱自在に構成したものであってもよい。つまり、エアロゾル生成装置の電源ユニットは、構成要素として加熱部を含まない構成であってもよい。なお、着脱不能とは、想定される用途の限りにおいて、取外しが行えないような態様を指すものとする。または、吸引器100に設けられる誘導加熱用コイルと、ロッド500に内蔵されるサセプタが協働して加熱部を構成してもよい。
(【0011】以降は省略されています)
この特許をJ-PlatPat(特許庁公式サイト)で参照する
関連特許
日本たばこ産業株式会社
重症喘息の治療又は予防剤
9日前
日本たばこ産業株式会社
吸引装置、制御方法、及びプログラム
15日前
個人
ヒートスティック除去具
4か月前
日本たばこ産業株式会社
香味吸引物品
1か月前
個人
電子タバコの加熱素子
4か月前
日本たばこ産業株式会社
喫煙システム
2か月前
個人
フレーバ用ブースター器具およびシーシャ装置
4か月前
日本たばこ産業株式会社
口腔用組成物
2か月前
日本たばこ産業株式会社
香味発生物品
1か月前
東莞市佳かい精密金属制品有限公司
充電可能な電子タバコケース
3か月前
日本たばこ産業株式会社
香味吸引システム
2か月前
日本たばこ産業株式会社
香味吸引システム
2か月前
Future Technology株式会社
エアロゾル吸引カートリッジ
1か月前
日本たばこ産業株式会社
低香味原料を含むたばこセグメント
1か月前
Future Technology株式会社
たばこ用組成物、E-リキッド、たばこ製品
9日前
日本たばこ産業株式会社
香味発生物品および香味吸引システム
2か月前
日本たばこ産業株式会社
粒状再生セルロースを含有する口腔用組成物
2か月前
日本たばこ産業株式会社
電子装置
3か月前
Future Technology株式会社
喫煙器具
1か月前
日本たばこ産業株式会社
吸引器
3か月前
Future Technology株式会社
芳香基材
3か月前
日本たばこ産業株式会社
たばこ材料、その製造方法、および非燃焼加熱型喫煙物品
2か月前
Future Technology株式会社
芳香カートリッジ
4か月前
Future Technology株式会社
芳香カートリッジ
24日前
Future Technology株式会社
タバコ充填物集積体
2か月前
Future Technology株式会社
喫煙具用カートリッジ
3か月前
Future Technology株式会社
喫煙具用カートリッジ
2か月前
Future Technology株式会社
喫煙具用カートリッジ
4か月前
Future Technology株式会社
喫煙具用カートリッジ
2か月前
Future Technology株式会社
喫煙具用カートリッジ
3か月前
Future Technology株式会社
喫煙具用カートリッジ
1か月前
Future Technology株式会社
喫煙具用カートリッジ
4か月前
Future Technology株式会社
喫煙具用カートリッジ
3か月前
Future Technology株式会社
喫煙具用カートリッジ
3か月前
Future Technology株式会社
電子タバコカートリッジ
15日前
Future Technology株式会社
電子タバコカートリッジ
2か月前
続きを見る
他の特許を見る