TOP
|
特許
|
意匠
|
商標
特許ウォッチ
Twitter
他の特許を見る
公開番号
2025141203
公報種別
公開特許公報(A)
公開日
2025-09-29
出願番号
2024041040
出願日
2024-03-15
発明の名称
積層体
出願人
日本発條株式会社
代理人
個人
主分類
B32B
7/027 20190101AFI20250919BHJP(積層体)
要約
【課題】ベイパーチャンバーと発熱体との大きさ及び位置の関係性を特定することによって、十分な放熱性を得ることができる積層体を提案する。
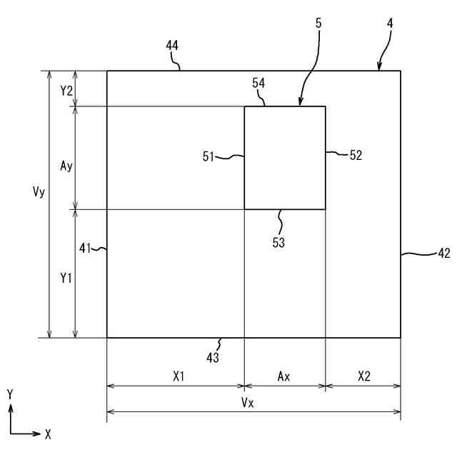
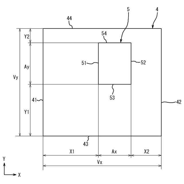
【解決手段】積層体1は、平面視で矩形状をなすベイパーチャンバー4と、ベイパーチャンバー4の表側に積層され平面視で矩形状をなす発熱体5とを備え、以下の式(1)~(4)を満たす。
Vx×Vy-(Ax×Ay+20×Ax+20×Ay+400)≧0・・・(1)
Vx+Vy-(X1+Y1+Ax+Ay+20)≧0・・・(2)
X1≧X2・・・(3)
Y1≧Y2・・・(4)
【選択図】図2
特許請求の範囲
【請求項1】
平面視で矩形状をなすベイパーチャンバーと、前記ベイパーチャンバーの表側に積層され平面視で矩形状をなす発熱体とを備える積層体であって、
対向する前記ベイパーチャンバーのX方向第一端縁と前記ベイパーチャンバーのX方向第二端縁、及び対向する前記発熱体のX方向第一端縁と前記発熱体のX方向第二端縁がXY直交座標におけるY方向に沿う向きに延在し、対向する前記ベイパーチャンバーのY方向第一端縁と前記ベイパーチャンバーのY方向第二端縁、及び対向する前記発熱体のY方向第一端縁と前記発熱体のY方向第二端縁がXY直交座標におけるX方向に沿う向きに延在し、前記ベイパーチャンバーのX方向第一端縁と前記発熱体のX方向第一端縁が対向し、前記ベイパーチャンバーのY方向第一端縁と前記発熱体のY方向第一端縁が対向する状態において、以下の式(1)~(4)を満たす積層体。
Vx×Vy-(Ax×Ay+20×Ax+20×Ay+400)≧0・・・(1)
Vx+Vy-(X1+Y1+Ax+Ay+20)≧0・・・(2)
X1≧X2・・・(3)
Y1≧Y2・・・(4)
但し、
Vx:前記ベイパーチャンバーのX方向第一端縁から前記ベイパーチャンバーのX方向第二端縁に至る距離[mm]
Vy:前記ベイパーチャンバーのY方向第一端縁から前記ベイパーチャンバーのY方向第二端縁に至る距離[mm]
Ax:前記発熱体のX方向第一端縁から前記発熱体のX方向第二端縁に至る距離[mm]
Ay:前記発熱体のY方向第一端縁から前記発熱体のY方向第二端縁に至る距離[mm]
X1:前記ベイパーチャンバーのX方向第一端縁から前記発熱体のX方向第一端縁に至る距離[mm]
X2:前記発熱体のX方向第二端縁から前記ベイパーチャンバーのX方向第二端縁に至る距離[mm]
Y1:前記ベイパーチャンバーのY方向第一端縁から前記発熱体のY方向第一端縁に至る距離[mm]
Y2:前記発熱体のY方向第二端縁から前記ベイパーチャンバーのY方向第二端縁に至る距離[mm]
続きを表示(約 69 文字)
【請求項2】
ベース基板と、絶縁層と、前記ベイパーチャンバーと、前記発熱体とがこの順で積層された請求項1に記載の積層体。
発明の詳細な説明
【技術分野】
【0001】
本発明は、積層体に関する。
続きを表示(約 2,400 文字)
【背景技術】
【0002】
近年、高輝度LEDやパワー半導体のような大電流が流れる電子部品を使用する機会が増えている。大電流を流した際、この種の電子部品は高い温度で発熱する。このためこの種の電子部品を使用するにあたっては、十分な放熱性を確保することが重要である。
【0003】
従来、電子部品からの熱を放熱させるものとして、ベース基板と、絶縁層と、回路パターンと、この回路パターンに実装される電子部品とを備える積層体が知られている(例えば特許文献1参照)。このような積層体によれば、電子部品で発生した熱を、回路パターンから絶縁層を経てベース基板に伝導させ、ベース基板から空気中(水冷機能を持つベース基板については更に水中)に放熱することができる。
【0004】
また放熱性を向上させるべく、電子部品で発生した熱を絶縁層に効率的に伝導させるために熱を拡散させる機能を有するベイパーチャンバーを用いた技術も知られている。特許文献2には、電子部品の回路として機能するベイパーチャンバーが絶縁層と電子部品との間に設けられている積層体が示されている。この積層体によれば、電子部品からの熱がベイパーチャンバーによって面方向に広範囲に拡散されて伝熱面積が広がるため、絶縁層に対して熱が効率的に伝導されることになり放熱性を向上させることができる。
【先行技術文献】
【特許文献】
【0005】
特開2002-012653号公報
特開2021-197534号公報
【発明の概要】
【発明が解決しようとする課題】
【0006】
ところでベイパーチャンバーは、加熱されて蒸発し且つ放熱して凝縮する作動液と、この作動液を浸透させて毛細管力を生じさせるウイックとを内部に備えていて、発熱体からの熱によって蒸発した作動液が気体となってベイパーチャンバーの内部を移動し、温度の低いところに移動した気体が凝縮して液体に戻るときに放熱するという仕組みによって発熱体からの熱を拡散させている。すなわち、気体となった作動液の温度を下げるためには発熱体から離れたエリアを設ける必要があるため、ベイパーチャンバーは発熱体の大きさよりも大きくなる。また上記のような積層体にベイパーチャンバーを用いる場合、上述したように伝熱面積を広げるにはベイパーチャンバーをある程度大きくする必要がある。しかし、このような積層体の製品開発において、発熱体である電子部品の大きさに対してベイパーチャンバーをどの程度大きくすれば十分な放熱性が得られるのか明確ではなく、良好な結果が得られるまで試行錯誤を繰り返して検討が行われている。
【0007】
またこのような積層体において、発熱体である電子部品はベイパーチャンバーの中央部に設けることが一般的であるが、今後、ベイパーチャンバーの中央部からずれたところに発熱体を設けることも想定される。一方、ベイパーチャンバーに対して発熱体を片寄って配置した場合の放熱性との関係については十分な知見が得られていない。
【0008】
このような点に鑑み、本発明は、積層体におけるベイパーチャンバーと発熱体との大きさ及び位置の関係性を特定することによって、十分な放熱性を得ることができる積層体を提供することを目的とする。
【課題を解決するための手段】
【0009】
本発明は、平面視で矩形状をなすベイパーチャンバーと、前記ベイパーチャンバーの表側に積層され平面視で矩形状をなす発熱体とを備える積層体であって、対向する前記ベイパーチャンバーのX方向第一端縁と前記ベイパーチャンバーのX方向第二端縁、及び対向する前記発熱体のX方向第一端縁と前記発熱体のX方向第二端縁がXY直交座標におけるY方向に沿う向きに延在し、対向する前記ベイパーチャンバーのY方向第一端縁と前記ベイパーチャンバーのY方向第二端縁、及び対向する前記発熱体のY方向第一端縁と前記発熱体のY方向第二端縁がXY直交座標におけるX方向に沿う向きに延在し、前記ベイパーチャンバーのX方向第一端縁と前記発熱体のX方向第一端縁が対向し、前記ベイパーチャンバーのY方向第一端縁と前記発熱体のY方向第一端縁が対向する状態において、以下の式(1)~(4)を満たす積層体である。
Vx×Vy-(Ax×Ay+20×Ax+20×Ay+400)≧0・・・(1)
Vx+Vy-(X1+Y1+Ax+Ay+20)≧0・・・(2)
X1≧X2・・・(3)
Y1≧Y2・・・(4)
但し、
Vx:前記ベイパーチャンバーのX方向第一端縁から前記ベイパーチャンバーのX方向第二端縁に至る距離[mm]
Vy:前記ベイパーチャンバーのY方向第一端縁から前記ベイパーチャンバーのY方向第二端縁に至る距離[mm]
Ax:前記発熱体のX方向第一端縁から前記発熱体のX方向第二端縁に至る距離[mm]
Ay:前記発熱体のY方向第一端縁から前記発熱体のY方向第二端縁に至る距離[mm]
X1:前記ベイパーチャンバーのX方向第一端縁から前記発熱体のX方向第一端縁に至る距離[mm]
X2:前記発熱体のX方向第二端縁から前記ベイパーチャンバーのX方向第二端縁に至る距離[mm]
Y1:前記ベイパーチャンバーのY方向第一端縁から前記発熱体のY方向第一端縁に至る距離[mm]
Y2:前記発熱体のY方向第二端縁から前記ベイパーチャンバーのY方向第二端縁に至る距離[mm]とする。
【0010】
上述した積層体は、ベース基板と、絶縁層と、前記ベイパーチャンバーと、前記発熱体とがこの順で積層されることが好ましい。
【発明の効果】
(【0011】以降は省略されています)
この特許をJ-PlatPat(特許庁公式サイト)で参照する
関連特許
日本発條株式会社
記録装置
29日前
日本発條株式会社
支持構造物
28日前
日本発條株式会社
支持構造物
28日前
日本発條株式会社
車両用シート
28日前
日本発條株式会社
車両用シート
29日前
日本発條株式会社
車両用シート
28日前
日本発條株式会社
車両用シート
28日前
日本発條株式会社
車両用立寝装置
28日前
日本発條株式会社
車両用シート装置
28日前
日本発條株式会社
車両用シート装置
28日前
日本発條株式会社
コンタクトプローブ
28日前
日本発條株式会社
コンタクトプローブ
28日前
日本発條株式会社
シートカバーの固定方法
28日前
日本発條株式会社
ハーネス固定位置の識別構造
23日前
日本発條株式会社
車両用シートの操作アシスト構造
28日前
日本発條株式会社
介在物評価方法及び試験片の製造方法
27日前
日本発條株式会社
制御装置、制御方法、及び、プログラム
28日前
日本発條株式会社
記録装置、カバー、及びカバーの製造方法
28日前
日本発條株式会社
駐車用パレット及びこれを有する駐車装置
28日前
日本発條株式会社
チェーン、チェーン収容装置、及び、駐車装置
27日前
日本発條株式会社
面状ヒータの製造方法、面状ヒータ及び加熱装置
28日前
日本発條株式会社
設計探査方法、設計探査プログラムおよび設計探査装置
28日前
日本発條株式会社
サスペンション装置のロック機構及びサスペンション装置
29日前
日本発條株式会社
設計探査方法、設計探査プログラム、設計探査装置および学習済みモデルの生成方法
28日前
日本発條株式会社
モータの製造装置及びモータの製造方法
23日前
日本発條株式会社
研磨装置及び研磨方法、並びに機械部品
1か月前
東レ株式会社
積層体
9か月前
東レ株式会社
積層体
5か月前
ユニチカ株式会社
積層体
8か月前
東レ株式会社
積層構造体
9か月前
ユニチカ株式会社
積層体
2か月前
個人
箔転写シート
5か月前
東レ株式会社
積層フィルム
8か月前
東レ株式会社
強化繊維基材
5か月前
東レ株式会社
積層フィルム
7か月前
個人
鋼材の塗膜構造
3か月前
続きを見る
他の特許を見る