TOP
|
特許
|
意匠
|
商標
特許ウォッチ
Twitter
他の特許を見る
公開番号
2025138176
公報種別
公開特許公報(A)
公開日
2025-09-25
出願番号
2024037102
出願日
2024-03-11
発明の名称
タイマ
出願人
ローム株式会社
代理人
弁理士法人太陽国際特許事務所
主分類
H10D
89/00 20250101AFI20250917BHJP()
要約
【課題】ロック周波数を増やすことなくビットカウンタのカウントアップ及びカウントダウンに要する時間をより短縮するタイマを提供する。
【解決手段】タイマは、複数のビットを含み、クロックに同期して複数のビットのカウント値をカウントアップ又はカウントダウンするビットカウンタと、少なくとも、複数のビットをM(Mは1以上の自然数)個のグループに分割することを許可する分割許可信号と、複数のビットの内、M個のグループに分割する位置に対応するビットを設定する分割位置設定信号と、M個のグループ間の境界部分におけるカウント値のカウントアップ又はカウントダウンを検証する境界検証信号とに基づき、複数のビットをM個のグループに分割する分割回路と、を備え、M個のグループは、互いに同じ数のビットを含み、ビットカウンタは、M個のグループのビットのカウント値を並行して、クロックに同期してカウントアップ又はカウントダウンする。
【選択図】図1
特許請求の範囲
【請求項1】
複数のビットを含み、クロックに同期して複数の前記ビットのカウント値をカウントアップ又はカウントダウンするビットカウンタと、
少なくとも、複数の前記ビットをM(Mは1以上の自然数)個のグループに分割することを許可する分割許可信号と、複数の前記ビットの内、前記M個のグループに分割する位置に対応するビットを設定する分割位置設定信号と、前記M個のグループ間の境界部分における前記カウント値のカウントアップ又はカウントダウンを検証する境界検証信号とに基づき、複数の前記ビットを前記M個のグループに分割する分割回路と、
を備え、
前記M個のグループは、互いに同じ数のビットを含み、
前記ビットカウンタは、M個のグループのビットのカウント値を並行して、前記クロックに同期してカウントアップ又はカウントダウンするタイマ。
続きを表示(約 340 文字)
【請求項2】
前記分割回路は、
前記分割許可信号と、前記分割位置設定信号と、前記境界検証信号と、前記ビットカウンタを診断するモードに移行することを示す診断モード移行信号と、前記ビットカウンタへの前記カウント値の書込みを許可する書込許可信号と、前記カウント値のカウントアップ又はカウントダウンの開始又は停止を指示するカウント指示信号とに基づき、複数の前記ビットを前記M個のグループに分割する、請求項1に記載のタイマ。
【請求項3】
前記分割許可信号、前記診断モード移行信号、前記書込許可信号、及び前記カウント指示信号を設定するレジスタと、前記分割位置設定信号を設定するレジスタと、前記境界検証信号を設定するレジスタとを備える、請求項2に記載のタイマ。
発明の詳細な説明
【技術分野】
【0001】
本開示は、タイマに関する。
続きを表示(約 1,900 文字)
【背景技術】
【0002】
安全機構に用いるタイマなどでは、実際にしようする前にタイマが正常に動作することを確認するため、特許文献1などに開示される技術は、ユーザが設定する設定時間をかけて、タイマの正常性を診断する。このとき、診断時間を短縮するため高速なクロックの切り替えを行うことが望ましい。
【先行技術文献】
【特許文献】
【0003】
特開平6-282353号公報
【発明の概要】
【発明が解決しようとする課題】
【0004】
ただし、タイマのbit幅が膨大になると、診断時間が長時間に及びうる。例えば32bitタイマで48MHzのクロックを用いて0から満了までカウントアップした場合、約89秒かかる。この対策としてクロックをより高速なもの、例えばクロック周波数が2倍のものに切り替えた場合でも、約45秒近くかかり、またカウントダウンの診断も行えば診断時間がより長時間に及ぶ。また、システムに組み込まれている最大周波数以上に診断時間を短縮したい場合、診断用に専用の発振回路を開発する必要があるため、開発工数が増加し得る。このように従来技術では、タイマの診断時に全てのビットカウンタのカウントアップ及びカウントダウンに要する時間をより短縮する上で、改善の余地がある。
【0005】
本開示は、上記の事情を踏まえ、クロック周波数を増やすことなくビットカウンタのカウントアップ及びカウントダウンに要する時間をより短縮するタイマを提供することを目的とする。
【課題を解決するための手段】
【0006】
上記課題を解決するため、本開示にかかるタイマは、複数のビットを含み、クロックに同期して複数の前記ビットのカウント値をカウントアップ又はカウントダウンするビットカウンタと、少なくとも、複数の前記ビットをM(Mは1以上の自然数)個のグループに分割することを許可する分割許可信号と、複数の前記ビットの内、前記M個のグループに分割する位置に対応するビットを設定する分割位置設定信号と、前記M個のグループ間の境界部分における前記カウント値のカウントアップ又はカウントダウンを検証する境界検証信号とに基づき、複数の前記ビットを前記M個のグループに分割する分割回路と、を備え、前記M個のグループは、互いに同じ数のビットを含み、前記ビットカウンタは、M個のグループのビットのカウント値を並行して、前記クロックに同期してカウントアップ又はカウントダウンする。
【図面の簡単な説明】
【0007】
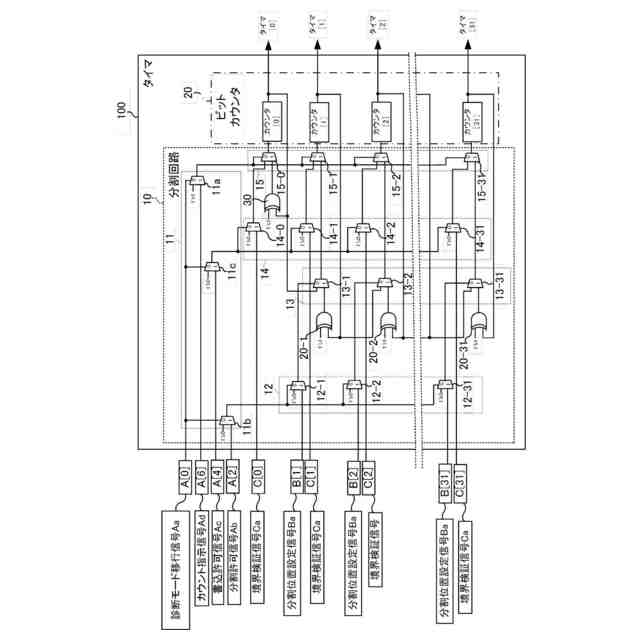
図1は本開示の実施形態にかかるタイマ100の構成図である。
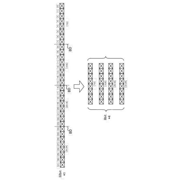
図2は診断モードレジスタA、タイマビット分割レジスタB、及びカウント値書込みレジスタCのそれぞれに設定する情報を説明するための図である。
図3は分割回路10の構成図である。
図4Aはタイマ100の動作を説明するための図である。
図4Bはタイマ100の動作を説明するための図である。
図4Cはタイマ100の動作を説明するための図である。
図5は比較例の動作を説明するための図である。
【発明を実施するための形態】
【0008】
以下、実施形態を図面に基づいて説明する。なお、同一の機能や構成には、同一又は類似の符号を付して、その説明を適宜省略する。
【0009】
(実施形態)
図1は本開示の実施形態にかかるタイマ100の構成図である。タイマ100は、ビットカウンタ20に含まれるビット(bit)を、2以上の任意の数に分割することで、ビットカウンタ20に含まれるビット数を、少なくとも2以上のグループに分け、それらのグループのカウント値を並列にインクリメントするタイマと解釈してよい。タイマ100は、診断モードレジスタA、タイマビット分割レジスタB、カウント値書込みレジスタC、分割回路10、及びビットカウンタ20を備えてよい。
【0010】
以下では、説明を簡単化するため、32ビットのビットカウンタ20に含まれるビットを分割する場合について説明するが、タイマ100が備えるビットカウンタ20のビット数は、32ビットに限定されるものではなく、例えば、2以上のビット、例えば8ビット、16ビット、64ビットなどでもよい。以下に説明する分割数は、一例であり、ビットカウンタ20に含まれるビットの分割数は2以上であればよい。
(【0011】以降は省略されています)
この特許をJ-PlatPat(特許庁公式サイト)で参照する
関連特許
ローム株式会社
RAM
11日前
ローム株式会社
RAM
11日前
ローム株式会社
発振回路
11日前
ローム株式会社
光センサ
5日前
ローム株式会社
電源装置
11日前
ローム株式会社
半導体装置
6日前
ローム株式会社
半導体装置
12日前
ローム株式会社
半導体装置
11日前
ローム株式会社
半導体装置
11日前
ローム株式会社
暗号化装置
12日前
ローム株式会社
半導体装置
12日前
ローム株式会社
テスト回路
12日前
ローム株式会社
半導体装置
11日前
ローム株式会社
半導体装置
11日前
ローム株式会社
半導体装置
5日前
ローム株式会社
半導体装置
5日前
ローム株式会社
半導体装置
11日前
ローム株式会社
半導体装置
12日前
ローム株式会社
無線通信装置
12日前
ローム株式会社
静電気保護素子
11日前
ローム株式会社
窒化物半導体装置
7日前
ローム株式会社
異常検知システム
11日前
ローム株式会社
自己診断システム
今日
ローム株式会社
検証装置及び検証方法
11日前
ローム株式会社
半導体装置及び補正方法
11日前
ローム株式会社
半導体装置及び半導体チップ
12日前
ローム株式会社
信号伝達装置、電子機器、車両
7日前
ローム株式会社
信号伝達装置、電子機器、車両
11日前
ローム株式会社
半導体装置及びレギュレータ装置
11日前
ローム株式会社
半導体装置、および通信システム
12日前
ローム株式会社
半導体装置、および通信システム
12日前
ローム株式会社
音波処理装置、ソナー装置及び車両
12日前
ローム株式会社
スイッチ装置及び負荷駆動システム
12日前
ローム株式会社
レギュレータ回路を備えた集積回路
11日前
ローム株式会社
映像処理装置および映像処理システム
11日前
ローム株式会社
過電流保護回路、半導体装置、電源装置
12日前
続きを見る
他の特許を見る