TOP
|
特許
|
意匠
|
商標
特許ウォッチ
Twitter
他の特許を見る
10個以上の画像は省略されています。
公開番号
2025125069
公報種別
公開特許公報(A)
公開日
2025-08-27
出願番号
2024020915
出願日
2024-02-15
発明の名称
カーテンレール構造
出願人
個人
代理人
主分類
A47H
1/04 20060101AFI20250820BHJP(家具;家庭用品または家庭用設備;コーヒーひき;香辛料ひき;真空掃除機一般)
要約
【課題】従来のカーテンレール構造は、単一のカーテンを特定のカーテンレールを使い、主レールより選択された副レールへ移動させ、同一カーテンを副レールから主レールへ戻すことに特化するため、複数のカーテンを連続して移動させるには不向きである。また、特定の形状のカーテンレールを使用するため、使用できる場所が限られ、更にレールの切り換えを行う際、どこの位置で切り替えるか分かりにくい構造である。
【解決手段】複数のカーテンを使用できるよう、各カーテンの先頭カーテンランナが切り換え位置を通過時のみ切換ストッパの固定が解除される構造とし、使用する場所やカーテンの設計に応じて、カーテンレールの種類を変更するように、基礎の架台にカーテンレールを取り付ける構造とする。また、レールの切り換え位置に先頭カーテンランナが到達時、先頭カーテンランナへ磁力による負荷を与え、一定速度以下の移動時にて進行を阻害する構造とする。
【選択図】図1
特許請求の範囲
【請求項1】
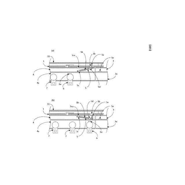
カーテンレールを通過するカーテンランナが、複数の方向へ行き先の選択を行い変更するための分岐を行い走行させる機能を持つカーテンレール構造において、主となる単一本の主レール、行き先が違う複数本の副レール、切り換えを可能とする1本の揺動レール、これらそれぞれのレールを取り付けるレール架台、レール架台を連結する連結プレートを有し、単一本の主レールを取り付けるレール架台と複数本の副レールを取り付けるレール架台は連結プレートに固定され、揺動レールを取り付ける架台は連結プレートに揺動軸と揺動軸を中心にした揺動角度内で揺動を可能として、主レールから揺動レール、揺動レールから副レールへカーテンレールが接続される機能を有し、架台に取り付けるカーテンレールを変更することで、種類が異なるカーテンレールに利用でき、複数のカーテンを連続で通過させる機能を備えたことを特徴とするカーテンレール機構。
続きを表示(約 990 文字)
【請求項2】
前記のレール架台は、主レールを取り付けるための主レール架台、複数の副レールを取り付けるための副レール架台、揺動レールを取り付けるための揺動レール架台からなり、揺動レール架台には、主レール側に連結プレートに固定する揺動軸を設け、副レール側に連結プレートの揺動角度で案内する揺動孔内を移動する揺動ピンを設け、連結プレートの揺動基準点磁石と揺動レール架台の揺動磁石の反発にて揺動ピンが揺動孔の端へ押し出され、選択されたいずれかの副レールに揺動された後、揺動レール架台内のロック機構内の押出磁石の反発により揺動レール架台と連結プレートの位置固定を行う切換ストッパを突出させ、連結プレートに揺動レール架台の副レール側を選択し固定するように構成され、揺動レール架台には選択されない副レールからカーテンランナが脱落しないよう脱落防止ストッパを備えた請求項1記載のカーテンレール構造。
【請求項3】
前記の揺動レール架台内のロック機構は、揺動レール架台に取り付けられた揺動レール内を通過するカーテンランナの先頭に取り付けられた切換誘導磁石がロック機構の位置に到達時、副レール架台に取り付けられた位置誘導磁石がカーテンランナを停止位置へ誘導し、ロック機構内の切換磁石をカーテンランナ側へ吸着させると同時に、切換ストッパを連結プレートへ突出させていた押出磁石の反発力を無効化し、切換ストッパを揺動レール架台へ引き込み、カーテンランナに取り付けられたカーテンを利用することで揺動レールの行き先を変更し、選択された副レールへカーテンランナを移動させる。移動することで、ロック機構の切換磁石とカーテンランナの先頭の切換誘導磁石の吸着状態が解除され、ロック機構の押出磁石の反発力が有効となり、その位置で切換ストッパが連結プレートへ突出されるよう構成された請求項2記載のカーテンレール構造。
【請求項4】
切り換えを行う揺動レールの切り換え位置に先頭カーテンランナが到達時、先頭カーテンランナの切換誘導磁石へカーテンランナ停止磁石の磁力による負荷を与えることで進行を阻害し、進行の阻害効果は先頭カーテンランナの一定速度以下の移動時にて有効な効果とし、切り換えが必要ない場合には、それ以上の速度でほとんど影響なく移動させることができるカーテンレール構造。
発明の詳細な説明
【技術分野】
【0001】
本発明は、病院のベッドの間仕切りや店舗の区画の間仕切り、更衣室や授乳室の使用領域の変更での間仕切りに使用されるカーテンを吊り下げることに適したカーテンレールの構造に関するものである。
続きを表示(約 2,900 文字)
【背景技術】
【0002】
従来の発明として、単一本の主レールから分岐部である揺動レールを介して複数本の副レールのいずれかに接続し、カーテンレール内を1つのカーテンの複数のカーテンランナが走行するカーテンレール構造が開示されている(特許文献1、特許文献2参照)。これらのカーテンレール構造は、カーテンランナを走行させる主レール、副レール、揺動レール、各レールを連結する連結プレートがあり、連結プレートには揺動軸を基点としてかつ揺動孔により揺動される角度を規制すると同時に、揺動レールを所望の位置に保持する磁着式(特許文献1参照)もしくは揺動レールを所望の位置に押し出す磁石反発式の保持機構(特許文献2参照)があり、主レールから複数の副レールへの切り換え接続を可能とする分岐部が設けられる。
【0003】
これらのカーテンレール構造は、共に同一の種類のカーテンレールを使用し、揺動レールの可動支点と可動範囲を規制する揺動孔により複数の副レールの位置へ切り換えることができ、揺動レールを所望の位置に保持する磁着式(特許文献1参照)のカーテンレール構造は揺動レールにてカーテンの行き先側の副レールを選択後、連結プレートの磁石と揺動レールの磁石の吸着力による選択方向との吸い付けにより揺動レールを固定し、カーテンランナがロック部材を通過時にカーテンランナの先頭の突部がロック部材の突起を押圧することで切換ストッパを副レールへ突出させ、揺動レールを副レールへ固定後にカーテンランナの先頭の突部はロック部材の突起を押し上げ副レールへ進入する。また、副レールから揺動レールへ移動することで、カーテンランナの先頭の突部がロック部材の突起を押圧し切換ストッパを揺動レールへ引き込み後にカーテンランナの先頭の突部はロック部材の突起を押し上げ揺動レールへ進入する。揺動レールを所望の位置に押し出す磁石反発式の保持機構(特許文献2参照)のカーテンレール構造は揺動レールにてカーテンの行き先側の副レールを選択後、連結プレートの磁石と揺動レールの磁石の反発力による選択方向への押し付けにより揺動レールを固定し、カーテンランナがロック部材を通過時にカーテンランナの先頭の突部がロック部材の突出側の突起を押圧することで切換ストッパを連結プレートへ突出させ、揺動レールと連結プレートを固定後にカーテンランナは副レールへ進入し固定を解除する。また、副レールから揺動レール内へ移動し、カーテンランナの先頭の突部がロック部材の突起を押圧し切換ストッパを揺動レールへ引き込みつつ揺動レールへ進入し固定を解除する。
【0004】
揺動レールを所望の位置に保持する磁着式(特許文献1参照)のカーテンレール構造と揺動レールを所望の位置に押し出す磁石反発式の保持機構(特許文献2参照)のカーテンレール構造は、基本的に1組のカーテンが行き来し、切り換えにてカーテンレール構造を使用することが前提となっている。
【先行技術文献】
【特許文献】
【0005】
特開2010-279614号公報
W02013/014815号公報
【発明の概要】
【発明が解決しようとする課題】
【0006】
揺動レールを所望の位置に保持する磁着式(特許文献1参照)のカーテンレール構造は揺動レールにてカーテンの行き先側の副レールを選択後、カーテンランナがロック部材を通過時にカーテンランナの先頭の突部がロック部材の突起を押圧することで切換ストッパを副レールへ突出させ、副レールに固定後にカーテンランナの先頭の突部はロック部材の突起を押し上げ副レールへ進入する。この通過時にカーテンランナの進入速度が高速であると、ロック部材の突起は副レールへ切換ストッパを突出させ固定させるだけの押圧を得られずにカーテンランナの先頭の突部がロック部材の突起を押し上げ副レールへ進入し、固定もしくは解除が不完全になる可能性がある。
【0007】
揺動レールを所望の位置に押し出す磁石反発式の保持機構(特許文献2参照)のカーテンレール構造は揺動レールにてカーテンの行き先側の副レールを選択後、カーテンランナがロック部材を通過時にカーテンランナの先頭の突部がロック部材の突出側の突起を押圧することで切換ストッパを連結プレートの固定孔へ突出させ、揺動レールと連結プレートを固定後にカーテンランナは副レールへ進入する。ロック部材は主レールから副レールへの進行時のみ切換ストッパを突出し、カーテンランナの先頭がロック部材の突出側の突起を押圧し切換ストッパを突出し固定したあとに接続先を別の副レールに選択し直す場合は、カーテンランナの先頭の突部が主レールの方向へ進行し、ロック部材の引き込み側の突起を押圧し切換ストッパを引き込み、カーテンランナの先頭が揺動レールのロック部材の突起に接触しない位置であることで揺動レールの接続先を変更するため、カーテンランナの先頭がロック部材の突起を押圧しているか分からず、また揺動レールのどの位置で接続先の切り換えができるか定かでないため、揺動レールの切り換え動作を行えない可能性がある。
【0008】
これらのカーテンレール構造(特許文献1、特許文献2参照)では、最初の1本のカーテンのカーテンランナの先頭のみがロック部材の突起を押圧し揺動レールを固定することからカーテンは単体でのみ利用となり、再度副レールを選択するために揺動レールを一度解除する必要がある複数のカーテンを利用することに適さない。また、ロック部材を通過する前に揺動レールの切り換えが必要であるが、揺動レールのロック部材の位置がカーテンを動かす人物より明確に確認できないため、揺動レールの切り換え動作を行う位置によっては切り換えできない可能性がある。
【0009】
前項のカーテンレール構造は、カーテンレールの形状が上下で2重の構造体となっており、この形状のカーテンレール以外に適さない。
【0010】
本発明の課題における第1の目的は、複数のカーテンを連続で利用でき、複数のカーテンの通過毎に揺動レールの切り換えを可能とするカーテンレール構造を提供することにある。本発明の課題における第2の目的は、カーテンが進行しロック部材の通過において固定方向と解除方向という指向性を無くすカーテンレール構造を提供することにある。本発明の課題における第3の目的は、カーテンレールを取り付けるレール架台と連結プレートにて、カーテンの進行方向の切り換え、ロック部材による固定と解除、揺動レール架台の選択固定の補助を行うカーテンレール構造を提供することにある。本発明の課題における第4の目的は、第3の目的によるレール架台と連結プレートにて一連の機能を提供することで、レール架台へカーテンレールを連結させるだけで容易にカーテンレールの種類を変更できるカーテンレール構造を提供することにある。
【課題を解決するための手段】
(【0011】以降は省略されています)
この特許をJ-PlatPat(特許庁公式サイト)で参照する
関連特許
個人
箸
4日前
個人
家具
3か月前
個人
椅子
1か月前
個人
掃除機
7か月前
個人
自助箸
5か月前
個人
体洗い具
9か月前
個人
掃除用具
2か月前
個人
ハンガー
6か月前
個人
掃除道具
7か月前
個人
耳拭き棒
10か月前
個人
屋外用箒
6か月前
個人
枕
4か月前
個人
枕
7か月前
個人
多用途紐
1日前
個人
ソファー
29日前
個人
開閉トング
5か月前
個人
掃除シート
8か月前
個人
物品
2か月前
個人
組立式棚板
6か月前
個人
エコ掃除機
11か月前
個人
省煙消臭器
7か月前
個人
片手代替具
10か月前
個人
ゴミ袋保持枠
6か月前
個人
中身のない枕
6か月前
個人
靴ベラ
1か月前
個人
転倒防止装置
4か月前
個人
バターナイフ
4日前
個人
シャワー装置
5か月前
個人
紙コップ 蓋
1か月前
個人
洗面台
9か月前
個人
受け皿
4か月前
個人
経典表示装置
3か月前
個人
矯正用枕
3か月前
個人
食事用具
11か月前
個人
汚水漏れ防止具
9か月前
個人
汚水汚れ防止具
9か月前
続きを見る
他の特許を見る