TOP
|
特許
|
意匠
|
商標
特許ウォッチ
Twitter
他の特許を見る
10個以上の画像は省略されています。
公開番号
2025123107
公報種別
公開特許公報(A)
公開日
2025-08-22
出願番号
2024018982
出願日
2024-02-09
発明の名称
開き扉の開閉装置
出願人
株式会社ベスト
代理人
個人
主分類
E05F
13/02 20060101AFI20250815BHJP(錠;鍵;窓または戸の付属品;金庫)
要約
【課題】 簡易な構造であり、簡単な操作により自開閉が可能となる開き扉の開閉装置を提供する。
【解決手段】
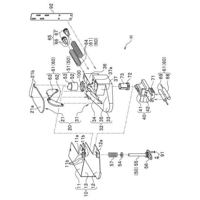
ペダル21と、ペダル支持体31と、ペダル21の動作と連動して、往復動作自在であるスライド体40と、端面カム体53と、下側部材回動手段60と、ドアパネルDに取り付けられ、端面カム体53の傾斜カム面53aに沿って従動する転動ローラ82と、を備え、下側部材回動手段60は、スライド体40の往復動作と連動して、端面カム体53を回動させることが可能となるとともに、ドアパネルDの荷重を支持するための荷重支持部材100が、端面カム体53を囲繞するように設けられている開き扉開閉装置Hとした。
【選択図】 図4
特許請求の範囲
【請求項1】
開き扉を開閉するための開き扉の開閉装置において、
足操作体と、
前記足操作体が移動自在となるように、前記足操作体を支持する足操作体支持部材と、
前記足操作体の動作と連動して、往復動作自在であるスライド体と、
傾斜カム面が周縁部に形成された端面カム体を備える下側部材と、
前記下側部材の回動手段と、
前記開き扉に取り付けられ、前記端面カム体の傾斜カム面に沿って従動する従動部材と、を備え、
前記下側部材における前記端面カム体は、前記傾斜カム面が上側となるようにして、回動自在に軸支されているとともに、
前記下側部材の回動手段は、前記スライド体の往復動作と連動して、前記下側部材を回動させることが可能となるように構成されており、
前記開き扉の荷重を支持するための荷重支持部材が、前記下側部材を囲繞するように設けられていること、を特徴とする開き扉の開閉装置。
続きを表示(約 390 文字)
【請求項2】
開き扉を開閉するための開き扉の開閉装置において、
足操作体と、
前記足操作体が移動自在となるように、前記足操作体を支持する足操作体支持部材と、
前記足操作体の動作と連動して、往復動作自在であるスライド体と、
第1ローラ体を備える下側部材と、
前記下側部材の回動手段と、
前記開き扉に取り付けられている第2ローラ体と、を備え、
前記第1ローラ体と前記第2ローラ体は、各々の回動軸を所定角度交差させて、摺動可能に配置されているとともに、
前記下側部材の回動手段は、前記スライド体の往復動作と連動して、前記下側部材を回動させることが可能となるように構成されており、
前記開き扉の荷重を支持するための荷重支持部材が、前記下側部材を囲繞するように設けられていること、を特徴とする開き扉の開閉装置。
発明の詳細な説明
【技術分野】
【0001】
本発明は、足踏み操作により開き扉の開閉が可能となる開き扉の開閉装置に関する。
続きを表示(約 1,900 文字)
【背景技術】
【0002】
出願人は、足操作体と、当該足操作体が移動自在となるように、足操作体を支持する足操作体支持部材と、足操作体の動作と連動して、往復動作自在であるスライド体と、傾斜カム面が周縁部に形成された端面カム体を備える下側部材と、下側部材の回動手段と、開き扉に取り付けられ、端面カム体の傾斜カム面に沿って従動する従動部材と、を備え、下側部材における端面カム体は、傾斜カム面が上側となるようにして、回動自在に軸支されているとともに、下側部材の回動手段は、スライド体の往復動作と連動して、下側部材を回動させることが可能となるように構成されている、開き扉の開閉装置を開発している(特許文献1)。
【先行技術文献】
【特許文献】
【0003】
特開2022-164553号公報
【発明の概要】
【発明が解決しようとする課題】
【0004】
従来の開き扉の開閉装置は、開き扉の戸尻側の下面に取付けられることになるが、開き扉の重量が重くなった場合には、戸先側に荷重が作用し、開き扉の上側、戸先側及び下側の各木口面に水平力が生じることにより、下側部材の回動手段の回動軸に回転力が発生する。そのため、鉛直方向の軸が傾斜してしまい、下側部材の円滑な回動動作が阻害され、開き扉の開閉動作に影響が生じてしまう場合があった。
【0005】
本発明は、上記問題点を解決するためになされたものであり、開き扉の重量が重くなった場合であっても、円滑に開閉動作が可能となる開き扉の開閉装置を提供することを目的としている。
【課題を解決するための手段】
【0006】
上記目的を達成するために、本発明は、開き扉を開閉するための開き扉の開閉装置において、足操作体と、上記足操作体が移動自在となるように、上記足操作体を支持する足操作体支持部材と、上記足操作体の動作と連動して、往復動作自在であるスライド体と、傾斜カム面が周縁部(近傍であればよい、以下同様)に形成された端面カム体を備える下側部材と、上記下側部材の回動手段と、上記開き扉に取り付けられ、上記端面カム体の傾斜カム面に沿って従動する従動部材と、を備え、上記下側部材における上記端面カム体は、上記傾斜カム面が上側となるようにして、回動自在に軸支されているとともに、上記下側部材の回動手段は、上記スライド体の往復動作と連動して、上記下側部材を所定角度回動させ、上記端面カム体における上記傾斜面の上側傾斜部に上部従動部材を位置させることが可能となるように構成されており、上記開き扉の荷重を支持するための荷重支持部材が、上記下側部材を囲繞するように設けられていること、を特徴としている。
【0007】
また、本発明は、開き扉を開閉するための開き扉の開閉装置において、足操作体と、上記足操作体が移動自在となるように、上記足操作体を支持する足操作体支持部材と、上記足操作体の動作と連動して、往復動作自在であるスライド体と、第1ローラ体を備える下側部材と、上記下側部材の回動手段と、上記開き扉に摺動可能に取り付けられている第2ローラ体と、を備え、上記第1ローラ体と上記第2ローラ体は、各々の回動軸を所定角度交差させて、摺動可能に配置されているとともに、上記下側部材の回動手段は、上記スライド体の往復動作と連動して、上記下側部材を回動させることが可能となるように構成されており、上記開き扉の荷重を支持するための荷重支持部材が、上記下側部材を囲繞するように設けられていること、を特徴としている。
【0008】
なお、荷重支持部材は、開き扉の荷重を安定的に開き扉の開閉装置に伝達するための部材であり、その材質、形状、形態等を問うものでなく、開き扉の開閉装置の他の構成要素と一体に形成されること、及び、別体の部材として形成されることのいずれであってもよい。
【0009】
また、本発明の開き扉の開閉装置(以下、「本開き扉の開閉装置」という場合がある。)において、上記従動部材は、上記端面カム体の上記傾斜カム面を摺動するローラ体とすることができる。
【0010】
また、本開き扉の開閉装置において、上記従動部材は、傾斜カム面が周縁部に形成された第2の端面カム体とするとともに、上記端面カム体と上記第2の端面カム体とは同一形状に形成され、上記端面カム体と上記第2の端面カム体とは、相互に上記傾斜カム面を対向させ、重ね合わせられた状態で回動自在に軸支されていることとすることができる。
(【0011】以降は省略されています)
この特許をJ-PlatPat(特許庁公式サイト)で参照する
関連特許
株式会社ベスト
軸釣装置
22日前
株式会社ベスト
軸釣装置の上吊り手段
14日前
個人
物品保管箱
3か月前
個人
防犯用ドア装置
3か月前
株式会社ベスト
軸釣装置
22日前
個人
ポスト機能付き手提げ金庫
2か月前
個人
二重ロック機能付小物入れ
3か月前
株式会社ソリック
ドア装置
1か月前
三協立山株式会社
開口部装置
3か月前
リョービ株式会社
ドアクローザ
4か月前
リョービ株式会社
ドアクローザ
4か月前
個人
無人貸金庫システム
2か月前
株式会社アルファ
電気錠
3か月前
有限会社シティング
引き戸
2か月前
トヨタ自動車株式会社
車両
1か月前
積水ハウス株式会社
引き戸
1か月前
株式会社ベスト
扉及び個室
1か月前
積水ハウス株式会社
引き戸
2か月前
株式会社セリュール
電子錠、電気錠装置
14日前
株式会社セリュール
電子錠、電気錠装置
14日前
株式会社ベスト
開き扉の開閉装置
3か月前
株式会社榮伸
カバン蓋の係止装置
3か月前
ミネベアショウワ株式会社
ドア装置
3か月前
美和ロック株式会社
IDキー
3か月前
コイト電工株式会社
蝶番の取付構造
1か月前
朝日電装株式会社
車両用ロック装置
6日前
スズキ株式会社
車両用乗員保護装置
2か月前
ミネベアショウワ株式会社
ドア装置
3か月前
株式会社アイシン
ドア支持装置
1か月前
株式会社ユニオン
ドアハンドル
2か月前
株式会社ベスト
軸釣装置の上吊り手段
14日前
株式会社LIXIL
建具
3か月前
株式会社LIXIL
建具
1か月前
株式会社LIXIL
建具
3か月前
株式会社ベスト
グレビティヒンジ
4か月前
株式会社アイシン
車両用ドア装置
1か月前
続きを見る
他の特許を見る