TOP
|
特許
|
意匠
|
商標
特許ウォッチ
Twitter
他の特許を見る
公開番号
2025122306
公報種別
公開特許公報(A)
公開日
2025-08-21
出願番号
2024017664
出願日
2024-02-08
発明の名称
時計用部品、時計および時計用部品の製造方法
出願人
セイコーエプソン株式会社
代理人
個人
,
個人
,
個人
主分類
G04B
19/06 20060101AFI20250814BHJP(時計)
要約
【課題】多様で審美性の高い時計用部品および時計を提供すること。
【解決手段】時計用部品である文字板は、導電性基材と、導電性基材に貼り合わされた非導電性基材とを備える。非導電性基材は、導電性基材に貼り合わされる裏面から表面まで貫通する貫通孔を有する。貫通孔に、電解めっきにより装飾層を形成する。このため、時計用部品である文字板の表面に露出する非導電性基材部分に、装飾層による金属加飾を追加でき、多様で審美性の高い時計用部品を提供できる。
【選択図】図2
特許請求の範囲
【請求項1】
導電性基材と、
前記導電性基材に貼り合わされた非導電性基材と、を備え、
前記非導電性基材は、前記導電性基材に貼り合わされる裏面から表面まで貫通する貫通孔を有し、
前記貫通孔には、電解めっきにより装飾層が形成されている時計用部品。
続きを表示(約 930 文字)
【請求項2】
請求項1に記載の時計用部品において、
前記装飾層は、前記導電性基材側から前記貫通孔の途中まで形成されている時計用部品。
【請求項3】
請求項1に記載の時計用部品において、
前記装飾層は、前記導電性基材側から前記非導電性基材の表面以上まで形成されている時計用部品。
【請求項4】
請求項1に記載の時計用部品において、
前記貫通孔の内周面は、段状または傾斜状に形成され、
前記貫通孔の表面側の開口面積が、前記貫通孔の裏面側の開口面積よりも大きくされている時計用部品。
【請求項5】
請求項1に記載の時計用部品において、
前記貫通孔の内周面は、段状または傾斜状に形成され、
前記貫通孔の裏面側の開口面積が、前記貫通孔の表面側の開口面積よりも大きくされている時計用部品。
【請求項6】
請求項1に記載の時計用部品において、
前記非導電性基材には、表面側の開口面積が異なる前記貫通孔が複数形成されている時計用部品。
【請求項7】
請求項1に記載の時計用文字板において、
前記非導電性基材は、マザー・オブ・パールで構成されている時計用部品。
【請求項8】
請求項1に記載の時計用部品において、
前記非導電性基材が表面側に配置された文字板を構成する時計用部品。
【請求項9】
請求項1に記載の時計用部品を備える時計。
【請求項10】
導電性基材と、非導電性基材とをそれぞれ用意する準備工程と、
前記導電性基材と前記非導電性基材とを貼り合わせる貼り合わせ工程と、
貼り合わせた前記非導電性基材の表面側から、少なくとも前記非導電性基材を貫通して前記導電性基材に達する貫通孔を形成する孔形成工程と、
前記導電性基材および前記非導電性基材を電解液に浸して前記導電性基材に電流を流し、前記非導電性基材の前記貫通孔に電解めっきを行う電解めっき工程と、
を有する時計用部品の製造方法。
(【請求項11】以降は省略されています)
発明の詳細な説明
【技術分野】
【0001】
本発明は、時計用部品、時計および時計用部品の製造方法に関する。
続きを表示(約 2,000 文字)
【背景技術】
【0002】
特許文献1には、支持体およびマザー・オブ・パール・シートを備える時計のダイアルが開示されている。マザー・オブ・パール・シートは、前面と、支持体に面し、パターンが印刷されている後面とを有する。マザー・オブ・パール・シートは、マザー・オブ・パール・シートの後面に印刷されたパターンが、通常の照明条件下でマザー・オブ・パールを通して透けて見えるような厚さ寸法で形成されている。
【先行技術文献】
【特許文献】
【0003】
特表2021-510820号公報
【発明の概要】
【発明が解決しようとする課題】
【0004】
特許文献1のダイアルは、マザー・オブ・パール・シートの模様を活かした文字板を実現できるが、文字板全体が同じようなデザインとなるため、さらに多様で審美性の高い時計用部品および時計が求められている。
【課題を解決するための手段】
【0005】
本開示の時計用部品は、導電性基材と、前記導電性基材に貼り合わされた非導電性基材と、を備え、前記非導電性基材は、前記導電性基材に貼り合わされる裏面から表面まで貫通する貫通孔を有し、前記貫通孔には、電解めっきにより装飾層が形成されている。
【0006】
本開示の時計は、前記時計用部品を備える。
【0007】
本開示の時計用部品の製造方法は、導電性基材と、非導電性基材とをそれぞれ用意する準備工程と、前記導電性基材と前記非導電性基材とを貼り合わせる貼り合わせ工程と、貼り合わせた前記非導電性基材の表面側から、少なくとも前記非導電性基材を貫通して前記導電性基材に達する貫通孔を形成する孔形成工程と、前記導電性基材および前記非導電性基材を電解液に浸して前記導電性基材に電流を流し、前記非導電性基材の前記貫通孔に電解めっきを行う電解めっき工程と、を有する。
【0008】
本開示の時計用部品の製造方法は、導電性基材と、非導電性基材とをそれぞれ用意する準備工程と、前記非導電性基材に貫通孔を形成する孔形成工程と、前記導電性基材と、前記貫通孔を形成した前記非導電性基材とを貼り合わせる貼り合わせ工程と、前記導電性基材および前記非導電性基材を電解液に浸して前記導電性基材に電流を流し、前記非導電性基材の前記貫通孔に電解めっきを行う電解めっき工程と、を有する。
【図面の簡単な説明】
【0009】
第1実施形態の時計用部品である文字板を有する時計を示す正面図である。
第1実施形態の文字板を示す断面図である。
第1実施形態の文字板の製造方法における貼り合わせ工程を説明する図である。
第1実施形態の文字板の製造方法における孔形成工程を説明する図である。
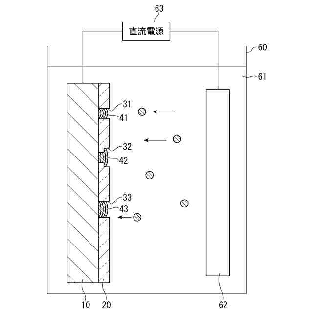
第1実施形態の文字板の製造方法における電解めっき工程を説明する図である。
第2実施形態の時計用部品である文字板を示す正面図である。
第2実施形態の文字板を示す断面図である。
第2実施形態の文字板の製造方法における孔形成工程を説明する図である。
第2実施形態の文字板の製造方法における貼り合わせ工程を説明する図である。
第2実施形態の文字板の製造方法における貼り合わせ工程を説明する図である。
変形例の装飾層を示す断面図である。
変形例の装飾層を示す断面図である。
変形例の装飾層を示す断面図である。
変形例の装飾層を示す断面図である。
実施例および比較例の条件および評価結果を示す図である。
【発明を実施するための形態】
【0010】
[第1実施形態]
図1は、第1実施形態の時計用部品である文字板3を有する時計1を示す正面図である。時計1は、ユーザーの手首に装着される腕時計であり、円筒状の外装ケース2を備え、外装ケース2の内周側に、文字板3が配置されている。外装ケース2の二つの開口のうち、表面側の開口は、カバーガラスで塞がれており、裏面側の開口は裏蓋で塞がれている。さらに、時計1は、外装ケース2内に収容された図示略のムーブメントと、時刻情報を指示する指針である時針4A、分針4B、秒針4Cと、文字板3に取り付けられるインデックス5と、りゅうず7とを備えている。本実施形態の時計1のインデックス5は、ローマ数字を用いたものであるが、アラビア数字を用いてもよいし、バーインデックスで構成してもよく、インデックスの種類はローマ数字に限定されない。
なお、以下の説明において、各部品の表面とはカバーガラス側の面を意味し、各部品の裏面とは裏蓋側の面を意味する。
(【0011】以降は省略されています)
この特許をJ-PlatPat(特許庁公式サイト)で参照する
関連特許
個人
砂時計
1か月前
個人
時刻同期システム
1か月前
セイコーウオッチ株式会社
時計
25日前
セイコーエプソン株式会社
電子時計
25日前
セイコーエプソン株式会社
電子時計
2か月前
ローム株式会社
時間測定回路
26日前
シチズン時計株式会社
腕時計
24日前
株式会社村田製作所
光学的パターン表示物品
1か月前
シチズン時計株式会社
電子時計
2か月前
セイコーエプソン株式会社
電子制御式機械時計
1か月前
シチズン時計株式会社
機械式時計
2か月前
カシオ計算機株式会社
装飾板及び時計
1か月前
カシオ計算機株式会社
制御装置、制御方法、及びプログラム
1か月前
セイコーエプソン株式会社
機械式時計
1か月前
セイコータイムクリエーション株式会社
からくり時計
1か月前
カシオ計算機株式会社
機器ケース及び時計
1か月前
カシオ計算機株式会社
機器ケース及び時計
3か月前
セイコーエプソン株式会社
時計および風防部材の製造方法
26日前
セイコーエプソン株式会社
インデックス、文字板、及び時計
1か月前
カシオ計算機株式会社
電子時計及び電子時計本体
1か月前
カシオ計算機株式会社
外装部品ユニット及び時計
1か月前
セイコーウオッチ株式会社
時計、音声再生方法およびプログラム
2か月前
カシオ計算機株式会社
電子時計、外装部材及びバンド
1か月前
セイコーエプソン株式会社
時計用部品、および、時計
2か月前
カシオ計算機株式会社
指針、時計、及び指針の製造方法
2か月前
東邦瓦斯株式会社
ウェアラブル機器用防熱カバー
2か月前
カシオ計算機株式会社
時計、表示制御方法及びプログラム
1か月前
カシオ計算機株式会社
外装部品、外装部品ユニット及び時計
1か月前
セイコーエプソン株式会社
時計用部品、時計および時計用部品の製造方法
2か月前
セイコーウオッチ株式会社
スイッチ機構、時計用ムーブメントおよび時計
25日前
カシオ計算機株式会社
電子時計、針位置検出方法及びプログラム
1か月前
ロレックス・ソシエテ・アノニム
時計制御装置
2か月前
シチズン時計株式会社
表示車、時計用ムーブメント及び時計
24日前
カシオ計算機株式会社
電子時計、電子時計の制御方法及びプログラム
2か月前
カシオ計算機株式会社
電子時計、電子時計の制御方法及びプログラム
1か月前
カシオ計算機株式会社
ケース機器、時計、及びケース機器の製造方法
2か月前
続きを見る
他の特許を見る