TOP
|
特許
|
意匠
|
商標
特許ウォッチ
Twitter
他の特許を見る
公開番号
2025144180
公報種別
公開特許公報(A)
公開日
2025-10-02
出願番号
2024043836
出願日
2024-03-19
発明の名称
制御装置、制御方法、及びプログラム
出願人
カシオ計算機株式会社
代理人
個人
,
個人
主分類
G04F
10/00 20060101AFI20250925BHJP(時計)
要約
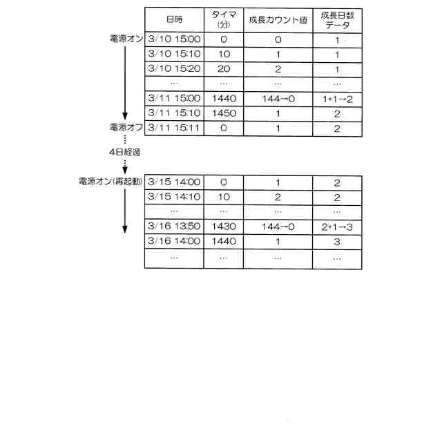
【課題】電源オフ期間があってもより自然な成長を表現可能とする。
【解決手段】処理部110は、電源オンにされると、起動時からの経過時間が10分経過する毎に、RTC111から取得したカレンダ日時から、所定の計算式を用いて算出した現在の日数カウント値Dnumと、前回の日数カウント値127とを比較し、双方が不一致であれば、疑似的な1日が経過したと判断し、成長日数データ126を更新(+1)する。電源オフにされると、処理部110は、電源オフ時点の日数カウント値127の値と成長日数データ126の値を保持し、その後、再起動されると、保持していた日数カウント値127の値及び成長日数データ126の値を起点として、現在の日数カウント値Dnumと前回の日数カウント値127との比較に基づいて、成長日数データ126の更新を再開する。
【選択図】図1
特許請求の範囲
【請求項1】
機器の起動時からの経過時間が所定の条件を満たすと、前記機器の疑似的な生後日数を更新し、
前記機器の電源がオフになると、その時点の前記疑似的な生後日数を保持し、
前記機器が再起動されると、前記保持していた疑似的な生後日数を起点として前記疑似的な生後日数の更新を再開する、
制御部を備えることを特徴とする制御装置。
続きを表示(約 1,000 文字)
【請求項2】
前記制御部は、
前記機器の電源がオン期間中、実際の日時情報に基づいて前記起動時からの経過時間に相応するカウント値を算出し、前記カウント値の変化に基づいて前記疑似的な生後日数を更新するタイミングに達したと判断されると、前記所定の条件が満たされたとして前記疑似的な生後日数を更新する、ことを特徴とする請求項1に記載の制御装置。
【請求項3】
前記制御部は、所定の時間前に算出されたカウント値と現時点で算出されたカウント値とを比較し、双方が不一致である場合に前記更新するタイミングに達したと判断する、ことを特徴とする請求項2に記載の制御装置。
【請求項4】
前記制御部は、前記機器が再起動されると、電源がオフにされた時点のカウント値と、再移動時のカウント値とを比較し、双方が不一致である場合には、日付を跨いだと判断し、その日数に関係なく前記疑似的な生後日数を更新し、双方が一致した場合には、日付を跨いでいないと判断して前記疑似的な生後日数を保持する、ことを特徴とする請求項3に記載の制御装置。
【請求項5】
前記制御部は、前記起動時からの経過時間を所定の時間間隔でカウントしたカウント値が所定の値に達したと判断されると、前記所定の条件が満たされたとして前記疑似的な生後日数を更新する、ことを特徴とする請求項1に記載の制御装置。
【請求項6】
機器の制御部による制御方法であって、
前記機器の起動時からの経過時間が所定の条件を満たすと、前記機器の疑似的な生後日数を更新するステップと、
前記機器の電源がオフになると、その時点の前記疑似的な生後日数を保持するステップと、
前記機器が再起動されると、前記保持していた疑似的な生後日数を起点として前記疑似的な生後日数の更新を再開するステップと、
を含むことを特徴とする制御方法。
【請求項7】
制御部を備える機器のコンピュータに、
機器の起動時からの経過時間が所定の条件を満たすと、前記機器の疑似的な生後日数を更新する更新機能、
前記機器の電源がオフになると、その時点の前記疑似的な生後日数を保持する保持機能、
前記機器が再起動されると、前記保持していた疑似的な生後日数を起点として前記疑似的な生後日数の更新を再開する再開機能、
を実現させることを特徴とするプログラム。
発明の詳細な説明
【技術分野】
【0001】
本発明は、制御装置、制御方法、及びプログラムに関する。
続きを表示(約 1,400 文字)
【背景技術】
【0002】
近年、ユーザとコミュニケーションを図ることを目的としたロボットが開発されている。このようなロボットでは、ロボットの疑似的な成長を表現するパラメータとして初回起動時からの経過時間が用いられることがある(例えば、特許文献1参照)。
【先行技術文献】
【特許文献】
【0003】
特開2003-285286号公報
【発明の概要】
【発明が解決しようとする課題】
【0004】
上述したロボットにおいては、主電源が長期間オフにされてしまう場合がある。特許文献1では、ロボットの主電源が長期間オフにされた場合であっても、内蔵時計によるカウントが継続されるため、ロボットの成長が進んでしまう。このため、ユーザは、再度、電源をオンにした際に、成長したロボットを見ることになり、非常に違和感を与えてしまうという問題があった。
【0005】
そこで本発明は、電源オフ期間があってもより自然な成長を表現することを目的とする。
【課題を解決するための手段】
【0006】
この発明に係る制御装置は、機器の起動時からの経過時間が所定の条件を満たすと、前記機器の疑似的な生後日数を更新し、前記機器の電源がオフになると、その時点の前記疑似的な生後日数を保持し、前記機器が再起動されると、前記保持していた疑似的な生後日数を起点として前記疑似的な生後日数の更新を再開する、制御部を備えることを特徴とする。
【0007】
この発明に係る制御方法は、機器の制御部による制御方法であって、前記機器の起動時からの経過時間が所定の条件を満たすと、前記機器の疑似的な生後日数を更新するステップと、前記機器の電源がオフになると、その時点の前記疑似的な生後日数を保持するステップと、前記機器が再起動されると、前記保持していた疑似的な生後日数を起点として前記疑似的な生後日数の更新を再開するステップと、を含むことを特徴とする。
【0008】
この発明に係るプログラムは、制御部を備える機器のコンピュータに、機器の起動時からの経過時間が所定の条件を満たすと、前記機器の疑似的な生後日数を更新する更新機能、前記機器の電源がオフになると、その時点の前記疑似的な生後日数を保持する保持機能、前記機器が再起動されると、前記保持していた疑似的な生後日数を起点として前記疑似的な生後日数の更新を再開する再開機能、を実現させることを特徴とする。
【発明の効果】
【0009】
この発明によれば、電源オフ期間があってもより自然な成長を表現することができる。
【図面の簡単な説明】
【0010】
本発明の第1実施形態によるロボットの機能構成を示すブロック図である。
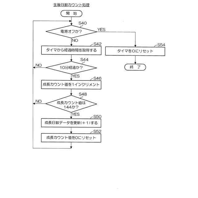
本第1実施形態によるロボットの生後日数カウント処理の動作を説明するためのフローチャートである。
本第1実施形態によるロボットの生後日数カウント処理の動作を説明するための状態遷移図である。
本発明の第2実施形態によるロボットの機能構成を示すブロック図である。
本第2実施形態によるロボットの生後日数カウント処理を説明するためのフローチャートである。
本第2実施形態によるロボットの生後日数カウント処理の動作を説明するための状態遷移図である。
【発明を実施するための形態】
(【0011】以降は省略されています)
この特許をJ-PlatPat(特許庁公式サイト)で参照する
関連特許
カシオ計算機株式会社
減音器具
1日前
カシオ計算機株式会社
減音器具
1日前
カシオ計算機株式会社
装飾板及び時計
今日
カシオ計算機株式会社
光源装置及び投影装置
1日前
カシオ計算機株式会社
光源装置及び投影装置
1日前
カシオ計算機株式会社
端末装置及びプログラム
1日前
カシオ計算機株式会社
補助バスマスタ回路及び電子機器
3日前
カシオ計算機株式会社
演奏装置、方法およびプログラム
1日前
カシオ計算機株式会社
演奏装置、方法およびプログラム
今日
カシオ計算機株式会社
制御装置、制御方法、及びプログラム
今日
カシオ計算機株式会社
情報提供装置、情報提供方法及びプログラム
1日前
カシオ計算機株式会社
投影装置、投影装置の調整方法及びプログラム
今日
カシオ計算機株式会社
投影装置、投影装置の調整方法及びプログラム
今日
カシオ計算機株式会社
情報処理装置、表示制御方法、及び、プログラム
1日前
カシオ計算機株式会社
情報処理装置、電子楽器、方法およびプログラム
今日
カシオ計算機株式会社
情報処理装置、電子楽器、発音制御方法及びプログラム
3日前
カシオ計算機株式会社
鍵盤楽器
2日前
カシオ計算機株式会社
投影制御装置、投影制御システム、投影制御方法及びプログラム
今日
カシオ計算機株式会社
情報処理装置、情報処理システム、情報処理方法及びプログラム
3日前
カシオ計算機株式会社
電子機器、電子機器の動作制御方法、プログラム及び情報処理システム
3日前
カシオ計算機株式会社
鍵盤楽器の製造方法及び鍵盤楽器
2日前
カシオ計算機株式会社
教師データ生成装置、学習装置、及び、領域検出装置、プログラム、教師データの生成方法、領域推定器の学習方法、領域検出方法
1日前
個人
砂時計
13日前
個人
目覚し時計
2か月前
個人
時刻同期システム
15日前
セイコーエプソン株式会社
時計
3か月前
個人
自照式の針により認視性を高めたアナログ式時計
2か月前
セイコーエプソン株式会社
電子時計
1か月前
セイコーエプソン株式会社
電子制御式機械時計
1日前
シチズン時計株式会社
電子時計
29日前
セイコーエプソン株式会社
電子制御式機械時計
3か月前
シチズン時計株式会社
機械式時計
2か月前
シチズン時計株式会社
機械式時計
2か月前
シチズン時計株式会社
機械式時計
1か月前
セイコーエプソン株式会社
ムーブメント及び時計
3か月前
カシオ計算機株式会社
装飾板及び時計
今日
続きを見る
他の特許を見る