TOP
|
特許
|
意匠
|
商標
特許ウォッチ
Twitter
他の特許を見る
公開番号
2025178645
公報種別
公開特許公報(A)
公開日
2025-12-09
出願番号
2024085377
出願日
2024-05-27
発明の名称
ショーケース
出願人
フクシマガリレイ株式会社
代理人
個人
主分類
A47F
3/04 20060101AFI20251202BHJP(家具;家庭用品または家庭用設備;コーヒーひき;香辛料ひき;真空掃除機一般)
要約
【課題】並設された単位ケース体どうしの相対位置を規定する位置合わせ構造が設けられているショーケースにおいて、外観の意匠性が低下することを防ぎながら、連結作業における位置合わせ構造の構築を、より簡単且つ確実に行うことができるようにする。
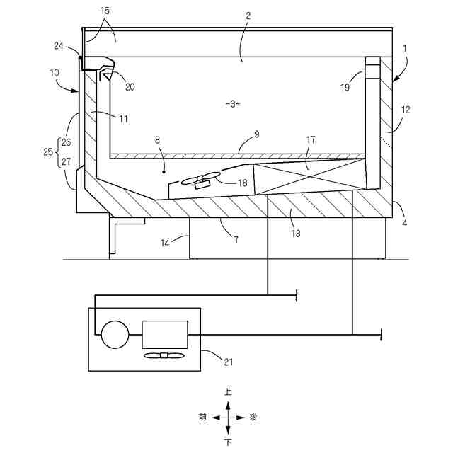
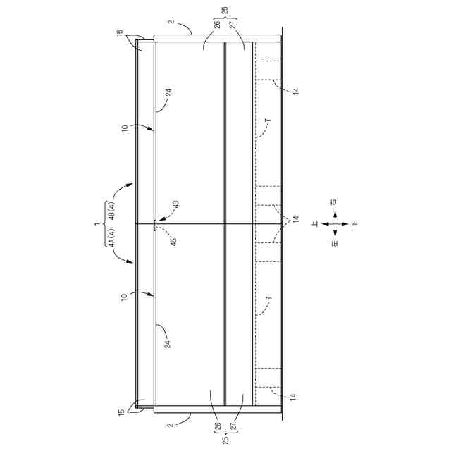
【解決手段】各単位ケース体4(4A・4B)は、前壁11を有する断熱箱体7と、左右端に亘って前壁11の前面を覆うように設けられる前外装10とを有する。隣接する単位ケース体4A・4Bの間に設けられる位置合わせ構造43は、前外装10の左右端にそれぞれ設けられる左右方向に形成されたレール状の嵌合部44と、隣接する単位ケース体4A・4Bの前外装10・10の内面側において、単位ケース体4A・4Bの嵌合部44・44に跨って嵌合装着される連結体45とで構成されている。前外装10に、連結体45の嵌合部44に対する左右方向の進入深さを規制する規制構造51が設けられている。
【選択図】図1
特許請求の範囲
【請求項1】
左右方向に並設された2以上の単位ケース体(4(4A・4B)を連結することで、陳列室(3)を備えるショーケース本体(1)が構築されるショーケースにおいて、
各単位ケース体(4(4A・4B))は、前壁(11)を有する断熱箱体(7)と、左右端に亘って前壁(11)の前面を覆うように設けられる前外装(10)とを有し、
隣接する単位ケース体(4A(4)・4B(4))の間には、単位ケース体(4A(4)・4B(4))どうしの前後方向および上下方向の相対位置を規定するための位置合わせ構造(43)が設けられており、
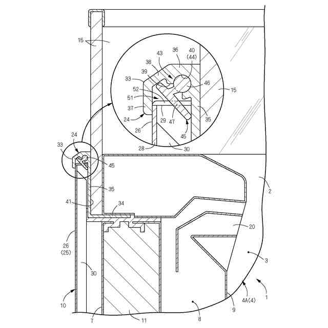
位置合わせ構造(43)は、前外装(10)の左右端にそれぞれ設けられる左右方向に形成されたレール状の嵌合部(44)と、隣接する単位ケース体(4A(4)・4B(4))の前外装(10・10)の内面側において、単位ケース体(4A(4)・4B(4))の嵌合部(44・44)に跨って嵌合装着される連結体(45)とで構成されており、
前外装(10)に、連結体(45)の嵌合部(44)に対する左右方向の進入深さを規制する規制構造(51)が設けられていることを特徴とするショーケース。
続きを表示(約 700 文字)
【請求項2】
嵌合部(44)は、スリット(39)を有する内周断面がC字形状に形成された左右方向に伸びる差込孔(40)で構成されており、
連結体(45)は、差込孔(40)に対して差し込み装着されて嵌合する、左右方向に長い丸ピン状の連結ピン(46)と、該連結ピン(46)の伸び方向と平行に伸びる規制片(47)とを含み、規制片(47)が差込孔(40)のスリット(39)を介して差込孔(40)の外部に導出されており、
規制構造(51)が、規制片(47)と、前外装(10)に形成されて、規制片(47)を受け止める当接部(52)とで構成されている請求項1に記載のショーケース。
【請求項3】
前外装(10)は、当該前外装(10)の上縁部を構成する上枠(24)と、当該上枠(24)よりも下側を構成する前パネル(25)とを含み、差込孔(40)が上枠(24)に設けられており、
上枠(24)が、断面形状が左右方向で一定の金属条材で形成されている請求項2に記載のショーケース。
【請求項4】
前外装(10)は、当該前外装(10)の上縁部を構成する上枠(24)と、当該上枠(24)よりも下側を構成する前パネル(25)とを含み、
前パネル(25)は、上枠(24)に連続するように配される垂直板からなる主壁(28)と、主壁(28)の左右方向の長さ寸法よりも短尺に設定されて、前パネル(25)の上端から後向きに折り曲げ形成される上壁(29)とを備えており、
上壁(29)の左右の端面が当接部(52)として構成されている請求項2に記載のショーケース。
発明の詳細な説明
【技術分野】
【0001】
本発明は、並設された2以上の単位ケース体を連結してなるショーケースに関する。
続きを表示(約 2,700 文字)
【背景技術】
【0002】
この種のショーケースにおいて、並設された単位ケース体どうしの相対位置を規定するための位置合わせ構造を設けることは公知である。例えば特許文献1には、挿入孔を有する連結部と、隣接するショーケース(単位ケース体)の挿入孔に跨って差し込まれる連結材とからなる位置合わせ構造が開示されている。連結部は、ショーケース前面の左右端に亘って設けられており、連結部の各端面に挿入孔が形成されている。連結材は、外郭形状が連結部の断面形状よりも僅かに大きい薄板状の主体と、この主体の各板面から左右方向に突出する一対の差込片とで構成されている。隣接配置されたショーケースどうしを連結する際には、まず一方のショーケースの挿入孔に一方の差込片を主体が連結部に接当するまで差し込み、次いで、残る他方の差込片と他方のショーケースの連結部とを位置合わせしたうえで、他方のショーケースの挿入孔内に他方の差込片を差し込みながら、他方のショーケースを一方のショーケースに向かって近接移動させる。以上より、位置合わせ構造が構築されるとともに、この状態で両ショーケースどうしを固定することにより、両ショーケースを連結することができる。
【0003】
位置合わせ構造を備えるショーケースは、特許文献2にも開示されている。特許文献2の位置合わせ構造は、ショーケース(単位ケース体)の前面の左右端にわたって設けられて、各端面に連結ピン収容部(以下「収容部」と記す。)を有するハンドレールと、隣接するショーケースの収容部に跨って挿入保持される断面円形の連結ピン(以下「ピン」と記す。)とで構成される。隣接するショーケースどうしを連結する際には、まず一方のショーケースの収容部内にピンをその中途部まで差し込み、次いで、ハンドレールの端面から突出するピンと他方のショーケースのハンドレールとを位置合わせしたうえで、収容部にピンを差し込みながら、他方のショーケースを一方のショーケースに近接移動させる。以上より、位置合わせ構造が構築されるとともに、この状態で両ショーケースどうしを固定することにより、両ショーケースを連結することができる。
【先行技術文献】
【特許文献】
【0004】
実願昭54-82717号(実開昭56-470号)のマイクロフィルム
特開2007-222307号公報
【発明の概要】
【発明が解決しようとする課題】
【0005】
特許文献1のショーケースでは、連結されたショーケースの連結部どうしの間から連結材の主体が現出されているため、ユーザーは当該主体を外部から視認できる。このため、連結部の左右方向の連続性が損なわれて、ショーケースの外観の意匠性が低下する不利がある。特許文献2のショーケースでは、ピンの全体が収容部内に収容されるため、ユーザーは外部からピンを視認することはできない。このため、連結されたショーケースのハンドレールどうしの連続性は保たれ、ショーケースの意匠性が低下する不利は生じない。しかし、ショーケースを連結する過程において、一方のショーケースのハンドレールから突出するピンを他方のショーケースの収容部に差し込む際に、当該他方のショーケースの移動によってハンドレールの端面でピンを収容部(一方のショーケースの収容部)内に押し込み、当該収容部内にピンを没入させるおそれがある。このように収容部内にピンが没入されると、位置合わせ構造の構築作業やショーケースの連結作業を継続することは不可能となり、一旦没入したピンを収容部から抜き出したうえで、再度構築作業や連結作業を行う必要があるため、ショーケースの連結に手間と時間を要する。
【0006】
本発明の目的は、並設された単位ケース体どうしの相対位置を規定する位置合わせ構造を備えるショーケースにおいて、外観の意匠性が低下することを防ぎながら、位置合わせ構造の構築を、より簡単且つ確実に行うことができるようにすることにある。
【課題を解決するための手段】
【0007】
本発明は、左右方向に並設された2以上の単位ケース体4(4A・4B)を連結することで、陳列室3を備えるショーケース本体1が構築されるショーケースを対象とする。各単位ケース体4(4A・4B)は、前壁11を有する断熱箱体7と、左右端に亘って前壁11の前面を覆うように設けられる前外装10とを有する。隣接する単位ケース体4A(4)・4B(4)の間には、単位ケース体4A(4)・4B(4)どうしの前後方向および上下方向の相対位置を規定するための位置合わせ構造43が設けられている。位置合わせ構造43は、前外装10の左右端にそれぞれ設けられる左右方向に形成されたレール状の嵌合部44と、隣接する単位ケース体4A(4)・4B(4)の前外装10・10の内面側において、単位ケース体4A(4)・4B(4)の嵌合部44・44に跨って嵌合装着される連結体45とで構成されている。そして、前外装10に、連結体45の嵌合部44に対する左右方向の進入深さを規制する規制構造51が設けられていることを特徴とする。
【0008】
嵌合部44は、スリット39を有する内周断面がC字形状に形成された左右方向に伸びる差込孔40で構成されている。連結体45は、差込孔40に対して差し込み装着されて嵌合する、左右方向に長い丸ピン状の連結ピン46と、連結ピン46の伸び方向と平行に伸びる規制片47とを含み、規制片47が差込孔40のスリット39を介して差込孔40の外部に導出されている。規制構造51は、規制片47と、前外装10に形成されて、規制片47を受け止める当接部52とで構成されている。
【0009】
前外装10は、当該前外装10の上縁部を構成する上枠24と、当該上枠24よりも下側を構成する前パネル25とを含み、差込孔40が上枠24に設けられている。上枠24は、断面形状が左右方向で一定の金属条材で形成されている。
【0010】
前外装10は、当該前外装10の上縁部を構成する上枠24と、当該上枠24よりも下側を構成する前パネル25とを含む。前パネル25は、上枠24に連続するように配される垂直板からなる主壁28と、主壁28の左右方向の長さ寸法よりも短尺に設定されて、前パネル25の上端から後向きに折り曲げ形成される上壁29とを備えており、上壁29の左右の端面が当接部52として構成されている。
【発明の効果】
(【0011】以降は省略されています)
この特許をJ-PlatPat(特許庁公式サイト)で参照する
関連特許
フクシマガリレイ株式会社
冷却貯蔵庫
1か月前
フクシマガリレイ株式会社
ショーケース
1日前
個人
箸
1か月前
個人
椅子
3か月前
個人
家具
5か月前
個人
掃除機
9か月前
個人
自助箸
7か月前
個人
多用途紐
1か月前
個人
耳拭き棒
11か月前
個人
屋外用箒
8か月前
個人
掃除用具
4か月前
個人
枕
6か月前
個人
掃除道具
9か月前
個人
枕
9か月前
個人
ハンガー
7か月前
個人
ソファー
2か月前
個人
体洗い具
11か月前
個人
組立式棚板
8か月前
個人
省煙消臭器
9か月前
個人
掃除シート
10か月前
個人
開閉トング
7か月前
個人
物品
3か月前
個人
片手代替具
12か月前
個人
転倒防止装置
5か月前
個人
靴ベラ
3か月前
個人
紙コップ 蓋
3か月前
個人
受け皿
6か月前
個人
洗面台
11か月前
個人
ゴミ袋保持枠
7か月前
個人
バターナイフ
1か月前
個人
シャワー装置
6か月前
個人
中身のない枕
8か月前
個人
経典表示装置
5か月前
個人
清掃用具
20日前
個人
掃除機用ノズル
13日前
個人
コーナーシール
10か月前
続きを見る
他の特許を見る