TOP
|
特許
|
意匠
|
商標
特許ウォッチ
Twitter
他の特許を見る
公開番号
2025178446
公報種別
公開特許公報(A)
公開日
2025-12-05
出願番号
2025165437,2023018326
出願日
2025-10-01,2023-02-09
発明の名称
電池モジュールの製造方法
出願人
株式会社AESCジャパン
代理人
個人
,
個人
主分類
H01M
50/50 20210101AFI20251128BHJP(基本的電気素子)
要約
【課題】電池モジュールの生産性を向上させる。
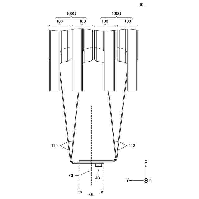
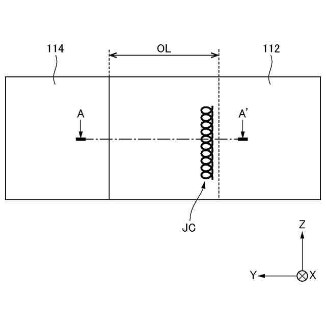
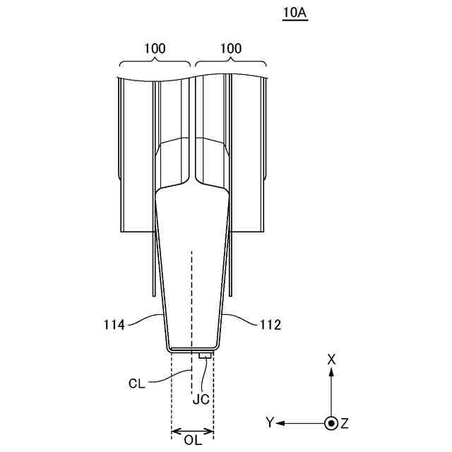
【解決手段】電池モジュール10は、正極タブ112及び負極タブ114を備えている。正極タブ112及び負極タブ114は、重なり部OL及び接合部JCを有している。重なり部OLでは、正極タブ112及び負極タブ114が重なり合っている。接合部JCは、重なり部OLに位置している。接合部JCにおいて、正極タブ112及び負極タブ114は接合されている。接合部JCは、重なり部OLの中心からずれて配置されている。
【選択図】図2
特許請求の範囲
【請求項1】
電池セルの少なくとも1つの正極タブ及び他の電池セルの少なくとも1つの負極タブにウォブリング溶接によって接合部を形成して、前記少なくとも1つの正極タブと前記少なくとも1つの負極タブを接合する工程と、
前記少なくとも1つの正極タブ及び前記少なくとも1つの負極タブにウォブリング溶接によって他の接合部を形成して、前記少なくとも1つの正極タブと前記少なくとも1つの負極タブを再度接合する工程と、
を備える、電池モジュールの製造方法。
続きを表示(約 940 文字)
【請求項2】
前記少なくとも1つの正極タブ及び前記少なくとも1つの負極タブの界面において、前記接合部と前記他の接合部のいずれの部分も互いに重ならなくする、請求項1に記載の電池モジュールの製造方法。
【請求項3】
前記少なくとも1つの正極タブ及び前記少なくとも1つの負極タブの界面において、前記接合部と前記他の接合部を近接させる、請求項2に記載の電池モジュールの製造方法。
【請求項4】
前記少なくとも1つの正極タブ及び前記少なくとも1つの負極タブの界面と異なる領域において、前記接合部及び前記他の接合部の一部分同士を重ねる、請求項1~3のいずれか一項に記載の電池モジュールの製造方法。
【請求項5】
電池セルの少なくとも1つの正極タブ及び他の電池セルの少なくとも1つの負極タブにウォブリング溶接によって接合部を形成して、前記少なくとも1つの正極タブと前記少なくとも1つの負極タブを接合する工程と、
前記少なくとも1つの正極タブ及び前記少なくとも1つの負極タブの接合強度を高めたい場合、前記少なくとも1つの正極タブ及び前記少なくとも1つの負極タブにウォブリング溶接によって他の接合部を形成して、前記少なくとも1つの正極タブと前記少なくとも1つの負極タブを再度接合する工程と、
を備える、電池モジュールの製造方法。
【請求項6】
前記他の接合部が形成される場合、前記少なくとも1つの正極タブ及び前記少なくとも1つの負極タブの界面において、前記接合部と前記他の接合部のいずれの部分も互いに重ならなくする、請求項5に記載の電池モジュールの製造方法。
【請求項7】
前記少なくとも1つの正極タブ及び前記少なくとも1つの負極タブの界面において、前記接合部と前記他の接合部を近接させる、請求項6に記載の電池モジュールの製造方法。
【請求項8】
前記他の接合部が形成される場合、前記少なくとも1つの正極タブ及び前記少なくとも1つの負極タブの界面と異なる領域において、前記接合部及び前記他の接合部の一部分同士を重ねる、請求項5~7のいずれか一項に記載の電池モジュールの製造方法。
発明の詳細な説明
【技術分野】
【0001】
本発明は、電池モジュールに関する。
続きを表示(約 1,700 文字)
【背景技術】
【0002】
近年、複数の電池セルを備える様々な電池モジュールが開発されている。各電池セルは、電池要素と、電池要素を封止する外装材と、外装材から引き出された正極タブ及び負極タブと、を備えている。
【0003】
特許文献1には、電池モジュールの一例について記載されている。この電池モジュールでは、単一の又は並列に接続された複数の電池セルの正極タブと、単一の又は並列に接続された複数の他の電池セルの負極タブと、がレーザ溶接によって接合されている。
【先行技術文献】
【特許文献】
【0004】
国際公開第2006/109610号
【発明の概要】
【発明が解決しようとする課題】
【0005】
例えば特許文献1に記載されているように、少なくとも1つの電池セルの正極タブと他の少なくとも1つの電池セルの負極タブとを接合させることがある。しかしながら、当該正極タブ及び当該負極タブを単に接合するだけでは、正極タブ及び負極タブの接合部が形成される領域の面積のロバスト性の向上が難しいことがある。このため、当該正極タブ及び当該負極タブを単に接合するだけでは、電池モジュールの生産性の向上が難しいことがある。
【0006】
本発明の目的の一例は、電池モジュールの生産性を向上させることにある。本発明の他の目的は、本明細書の記載から明らかになるであろう。
【課題を解決するための手段】
【0007】
本発明の一態様は、以下のとおりである。
[1]
少なくとも1つの正極タブと、
前記少なくとも1つの正極タブと重なる重なり部と、前記重なり部に位置し前記少なくとも1つの正極タブと接合された接合部と、を有する少なくとも1つの負極タブと、
を備え、
前記接合部が前記重なり部の中心からずれて配置されている、電池モジュール。
[2]
前記接合部がウォブリング溶接によって形成されている、[1]に記載の電池モジュール。
[3]
前記少なくとも1つの正極タブ及び前記少なくとも1つの負極タブは、前記接合部からずれて配置された他の接合部を有する、[1]又は[2]に記載の電池モジュール。
[4]
少なくとも1つの正極タブと、
前記少なくとも1つの正極タブと重なる重なり部と、前記重なり部に位置し前記少なくとも1つの正極タブと接合され互いにずれて配置された複数の接合部と、を有する少なくとも1つの負極タブと、
を備える電池モジュール。
[5]
前記少なくとも1つの正極タブ及び前記少なくとも1つの負極タブの界面において前記複数の接合部のいずれの部分も互いに重なっていない、[4]に記載の電池モジュール。
[6]
前記少なくとも1つの正極タブ及び前記少なくとも1つの負極タブの前記界面と異なる領域において前記複数の接合部の少なくとも一部分同士が互いに重なっている、[5]に記載の電池モジュール。
【発明の効果】
【0008】
本発明の上記態様によれば、電池モジュールの生産性を向上させることができる。
【図面の簡単な説明】
【0009】
実施形態に係る電池モジュールの斜視図である。
実施形態に係る電池モジュールの一部分の前方部分の上面図である。
実施形態に係る正極タブの先端部及び負極タブの先端部の前面図である。
図3のA-A´断面図である。
実施形態に係る接合部及び他の接合部を説明するための図である。
変形例に係る電池モジュールの一部分の前方部分の上面図である。
【発明を実施するための形態】
【0010】
以下、本発明の実施形態及び変形例について、図面を用いて説明する。すべての図面において、同様な構成要素には同様の符号を付し、適宜説明を省略する。
(【0011】以降は省略されています)
この特許をJ-PlatPat(特許庁公式サイト)で参照する
関連特許
東ソー株式会社
絶縁電線
1か月前
APB株式会社
蓄電セル
1か月前
日機装株式会社
加圧装置
今日
株式会社東芝
端子台
1か月前
日新イオン機器株式会社
イオン源
今日
ローム株式会社
半導体装置
1か月前
マクセル株式会社
電源装置
1か月前
株式会社ホロン
冷陰極電子源
1か月前
富士電機株式会社
電磁接触器
15日前
株式会社GSユアサ
蓄電装置
29日前
株式会社GSユアサ
蓄電装置
1か月前
株式会社GSユアサ
蓄電装置
1か月前
三菱電機株式会社
回路遮断器
23日前
株式会社GSユアサ
蓄電装置
15日前
トヨタ自動車株式会社
冷却構造
1か月前
個人
電源ボックス及び電子機器
今日
日本特殊陶業株式会社
保持装置
28日前
大電株式会社
電線又はケーブル
7日前
株式会社東芝
電子源
今日
トヨタ自動車株式会社
蓄電装置
1か月前
北道電設株式会社
配電具カバー
1か月前
ホシデン株式会社
複合コネクタ
9日前
日新イオン機器株式会社
基板処理装置
1か月前
日本特殊陶業株式会社
保持装置
1か月前
株式会社トクミ
ケーブル
1日前
トヨタ自動車株式会社
バッテリ
1か月前
トヨタ自動車株式会社
蓄電装置
7日前
株式会社トクヤマ
シリコンエッチング液
1か月前
日本無線株式会社
レーダアンテナ
1か月前
住友電装株式会社
コネクタ
15日前
ヒロセ電機株式会社
電気コネクタ
15日前
株式会社トクヤマ
シリコンエッチング液
1か月前
矢崎総業株式会社
コネクタ
15日前
ローム株式会社
半導体モジュール
16日前
トヨタ自動車株式会社
密閉型電池
1か月前
甲神電機株式会社
変流器及び零相変流器
1か月前
続きを見る
他の特許を見る