TOP
|
特許
|
意匠
|
商標
特許ウォッチ
Twitter
他の特許を見る
10個以上の画像は省略されています。
公開番号
2025178280
公報種別
公開特許公報(A)
公開日
2025-12-05
出願番号
2025151201,2024107449
出願日
2025-09-11,2016-03-02
発明の名称
コンテンツ保護処理方法
出願人
マクセル株式会社
代理人
弁理士法人筒井国際特許事務所
主分類
H04N
21/4367 20110101AFI20251128BHJP(電気通信技術)
要約
【課題】より付加価値の高い機能を実行可能なデジタル放送受信機を提供する。
【解決手段】デジタル放送受信装置は、デジタル放送の放送番組に関する符号化番組映像データと符号化番組映像データが輝度幅拡大に対応しているか否かを示すHDR情報とイベントスケジュール情報とを含む放送データを受信する放送受信部と、符号化番組映像データを復号して番組映像情報を再生する映像復号部と、イベントスケジュール情報に基づき作成した電子番組表情報と番組映像情報の一方を選択して映像情報として出力するか又は双方を重畳して映像情報として生成可能な提示処理部と、映像情報を表示する表示部と、制御部と、を備える。制御部は、HDR情報を参照し、符号化番組映像データが輝度幅拡大に対応している場合、電子番組表情報の符号化番組映像データに対応する位置に輝度幅拡大に対応した番組であることを示す記号、文字又は印を表示するように提示処理部を制御する。
【選択図】図7A
特許請求の範囲
【請求項1】
放送局側から放送番組コンテンツを伝送し、放送受信装置で前記放送番組コンテンツを受信する伝送システムにおけるコンテンツ保護処理方法であって、
前記伝送システムにおいて、前記放送局側から前記放送受信装置へ前記放送番組コンテンツを伝送する伝送ステップと、
前記伝送ステップで伝送された前記放送番組コンテンツを前記放送受信装置が受信する受信ステップと、
前記受信ステップで受信した前記放送番組コンテンツを前記放送受信装置が蓄積する蓄積ステップと、
前記受信ステップで受信した前記放送番組コンテンツを前記放送受信装置が出力する出力ステップと、
前記蓄積ステップで蓄積した前記放送番組コンテンツを前記放送受信装置がコピーするコピー処理ステップと、
前記蓄積ステップで蓄積した前記放送番組コンテンツを前記放送受信装置がムーブするムーブ処理ステップと、
を備え、
前記受信ステップで受信した前記放送番組コンテンツが前記伝送システムにおいて1世代のみコピー可の保護が指定され伝送されたコンテンツであるときには、前記蓄積ステップで蓄積した前記放送番組コンテンツについて前記放送受信装置のみで再生可能となるように暗号化した状態で前記放送番組コンテンツを蓄積することが可能であり、
前記蓄積ステップにおける前記放送番組コンテンツの蓄積は、前記放送受信装置に備えられるイーサネットに対応したハードウェアで構成されるIPインタフェースを介して当該IPインタフェースの出力先にある蓄積部において行うことが可能であり、
前記受信ステップで受信した前記放送番組コンテンツの解像度が水平1920画素×垂直1080画素以下のコンテンツについて、当該コンテンツの伝達特性情報が前記受信ステップで受信できた場合でも、当該コンテンツの伝達特性情報が前記受信ステップで受信できなかった場合でも、前記出力ステップにおける前記放送番組コンテンツの出力は、BT.709規格に準拠した伝達特性を示す伝達特性情報を有するコンテンツとして行うことが可能である、
コンテンツ保護処理方法。
発明の詳細な説明
【技術分野】
【0001】
本発明は、コンテンツ保護処理方法に関する。
続きを表示(約 4,100 文字)
【背景技術】
【0002】
デジタル放送サービスの拡張機能の1つに、放送波でデジタルデータを送信し、天気予報やニュース、おすすめ番組等の各種情報を表示するデータ放送がある。データ放送を受信可能なテレビ受信機は既に多数市販されており、また、データ放送受信に関する技術も下記特許文献1をはじめ多数が公表されている。
【先行技術文献】
【特許文献】
【0003】
特開2001-186486号公報
【発明の概要】
【発明が解決しようとする課題】
【0004】
近年のコンテンツ配信に関する環境変化に対して、テレビ受信機も様々な機能拡張を求められている。特にインターネット等のブロードバンドネットワーク環境を利用したコンテンツや連携アプリケーションの配信に対する要求、及び、映像コンテンツの高解像度化/高精細化に対する要求、等が多い。しかしながら、現行のテレビ受信機が備えるデータ放送受信機能等のみの流用、或いは、前記データ放送受信機能等の機能拡張のみでは、前記要求に応え得る高付加価値のテレビ受信機を提供することは難しい。
【0005】
本発明の目的は、より付加価値の高い機能を実行可能なコンテンツ保護処理方法を実現することである。
【課題を解決するための手段】
【0006】
前記課題を解決するための手段として、特許請求の範囲に記載の技術を用いる。
【0007】
一例を挙げるならば、放送局側から放送番組コンテンツを伝送し、放送受信装置で前記放送番組コンテンツを受信する伝送システムにおけるコンテンツ保護処理方法であって、前記伝送システムにおいて、前記放送局側から前記放送受信装置へ前記放送番組コンテンツを伝送する伝送ステップと、前記伝送ステップで伝送された前記放送番組コンテンツを前記放送受信装置が受信する受信ステップと、前記受信ステップで受信した前記放送番組コンテンツを前記放送受信装置が蓄積する蓄積ステップと、前記受信ステップで受信した前記放送番組コンテンツを前記放送受信装置が出力する出力ステップと、前記蓄積ステップで蓄積した前記放送番組コンテンツを前記放送受信装置がコピーするコピー処理ステップと、前記蓄積ステップで蓄積した前記放送番組コンテンツを前記放送受信装置がムーブするムーブ処理ステップと、を備え、前記受信ステップで受信した前記放送番組コンテンツが前記伝送システムにおいて1世代のみコピー可の保護が指定され伝送されたコンテンツであるときには、前記蓄積ステップで蓄積した前記放送番組コンテンツについて前記放送受信装置のみで再生可能となるように暗号化した状態で前記放送番組コンテンツを蓄積することが可能であり、前記蓄積ステップにおける前記放送番組コンテンツの蓄積は、前記放送受信装置に備えられるイーサネットに対応したハードウェアで構成されるIPインタフェースを介して当該IPインタフェースの出力先にある蓄積部において行うことが可能であり、前記受信ステップで受信した前記放送番組コンテンツの解像度が水平1920画素×垂直1080画素以下のコンテンツについて、当該コンテンツの伝達特性情報が前記受信ステップで受信できた場合でも、当該コンテンツの伝達特性情報が前記受信ステップで受信できなかった場合でも、前記出力ステップにおける前記放送番組コンテンツの出力は、BT.709規格に準拠した伝達特性を示す伝達特性情報を有するコンテンツとして行うことが可能である、コンテンツ保護処理方法を用いる。
【発明の効果】
【0008】
本発明の技術を用いることにより、より付加価値の高い機能を実行可能なコンテンツ保護処理方法を実現することができる。
【図面の簡単な説明】
【0009】
実施例1に係る放送受信装置を含む放送通信システムの一例を示すシステム構成図である。
MMTにおける符号化信号の概要の説明図である。
MMTにおけるMPUの構成図である。
MMTにおけるMMTPパケットの構成図である。
MMTを用いる放送システムのプロトコルスタックの概念図である。
放送システムで用いる制御情報の階層構成図である。
放送システムのTLV-SIで使用されるテーブルの一覧である。
放送システムのTLV-SIで使用される記述子の一覧である。
放送システムのMMT-SIで使用されるメッセージの一覧である。
放送システムのMMT-SIで使用されるテーブルの一覧である。
放送システムのMMT-SIで使用される記述子の一覧(その1)である。
放送システムのMMT-SIで使用される記述子の一覧(その2)である。
放送システムのデータ伝送と各テーブルの関係を示す図である。
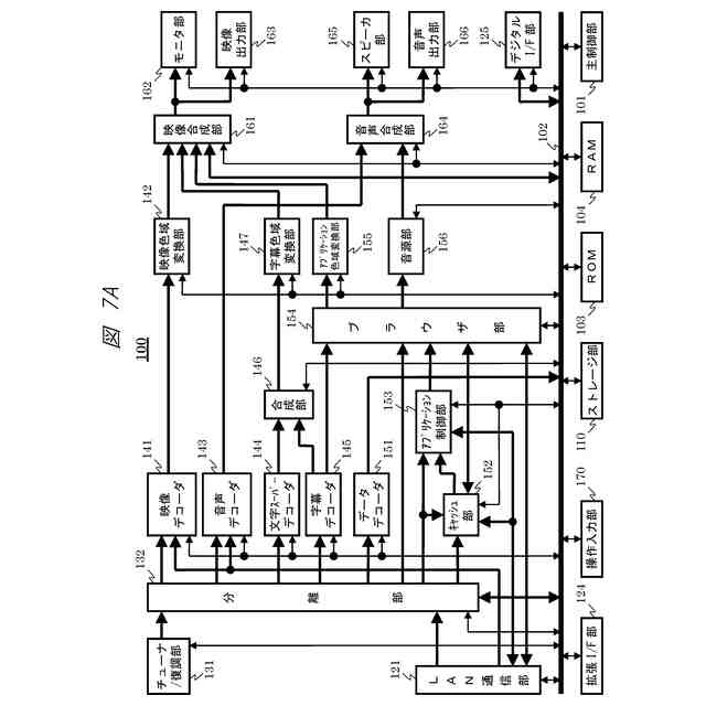
実施例1に係る放送受信装置のブロック図である。
実施例1に係る放送受信装置の提示機能の論理的プレーン構造の構成図である。
実施例1に係る放送受信装置のクロック同期/提示同期のシステム構成図である。
実施例1に係る放送受信装置のソフトウェア構成図である。
実施例1に係る放送局サーバのブロック図である。
実施例1に係るサービス事業者サーバのブロック図である。
実施例1に係る携帯情報端末のブロック図である。
実施例1に係る携帯情報端末のソフトウェア構成図である。
放送システムのMH-TOTのデータ構造を示す図である。
放送システムのJST_timeパラメータのフォーマットを示す図である。
実施例1に係る放送受信装置のMJDからの現在日付の算出方法を示す図である。
放送システムのNTP形式の構成を示す図である。
放送システムのMPUタイムスタンプ記述子のデータ構造を示す図である。
放送システムのTMCC拡張情報領域の時刻情報のデータ構造を示す図である。
実施例1に係る放送受信装置のチャンネルスキャン時の動作シーケンス図である。
放送システムのTLV-NITのデータ構造を示す図である。
放送システムの衛星分配システム記述子のデータ構造を示す図である。
放送システムのサービスリスト記述子のデータ構造を示す図である。
放送システムのAMTのデータ構造を示す図である。
実施例1に係る放送受信装置の選局時の動作シーケンス図である。
放送システムのMPTのデータ構造を示す図である。
放送システムのLCTのデータ構造を示す図である。
LCTに基づくレイアウト番号へのレイアウトの割当の例を示す図である。
LCTに基づくレイアウト番号へのレイアウトの割当の例を示す図である。
LCTに基づくレイアウト番号へのレイアウトの割当の例を示す図である。
LCTに基づくレイアウト番号へのレイアウトの割当の例を示す図である。
LCTに基づく画面レイアウト制御の例外処理の動作を説明する図である。
LCTに基づく画面レイアウト制御の例外処理の動作を説明する図である。
放送システムのMH-EITのデータ構造を示す図である。
実施例1に係る放送受信装置のEPG画面の画面表示図である。
実施例1に係る放送受信装置のEPG画面の画面表示図である。
実施例1に係る放送受信装置のEPG画面の画面表示図である。
実施例1に係る放送受信装置の緊急警報放送表示時の画面表示図である。
実施例2に係る放送受信装置のブロック図である。
放送サービス切り替え時の現在時刻表示の不整合を説明する図である。
実施例2に係る現在時刻情報参照元の選択制御の動作を説明する図である。
実施例2に係る現在時刻情報の更新処理の動作シーケンス図である。
実施例2に係る放送受信装置のEPG画面の画面表示図である。
実施例2に係る放送受信装置のEPG画面の画面表示図である。
実施例3に係る放送通信システムのシステム構成図である。
放送システムのコンテンツ情報記述子のデータ構造を示す図である。
放送システムのコンテンツ情報記述子におけるコンテンツタイプの意味を説明する図である。
放送システムのコンテンツ情報記述子におけるソース機器原色色度座標及びソース機器白色色度座標の意味を説明する図である。
放送システムのコンテンツ情報記述子におけるEOTF識別の意味を説明する図である。
実施例3に係る放送受信装置のEPG画面の画面表示図である。
ソース機器とモニタ装置の色域のずれを説明する図である。
実施例3に係る放送受信装置の色域変換処理を説明する図である。
実施例3に係る放送受信装置の色域変換処理を説明する図である。
実施例3に係る放送受信装置の画質調整項目を説明する図である。
実施例3に係る放送受信装置の輝度レベルの変換処理を説明する図である。
実施例3に係る放送受信装置の輝度レベルの変換処理を説明する図である。
実施例4に係る放送通信システムのシステム構成図である。
実施例4に係る放送受信装置のブロック図である。
実施例4に係る放送受信装置のソフトウェア構成図である。
実施例4に係る放送受信装置とモニタ装置のインタフェース構成図である。
実施例4に係る放送受信装置が出力するマスタリング情報を説明する図である。
【発明を実施するための形態】
【0010】
以下、本発明の実施形態の例を、図面を用いて説明する。
(実施例1)
(【0011】以降は省略されています)
この特許をJ-PlatPat(特許庁公式サイト)で参照する
関連特許
マクセル株式会社
光学システム
16日前
マクセル株式会社
映像表示装置
21日前
マクセル株式会社
空中浮遊映像表示装置
15日前
マクセル株式会社
空中浮遊映像表示装置
1か月前
マクセル株式会社
虚像方式映像表示装置
16日前
マクセル株式会社
粉体成型体の製造方法及び製造装置
23日前
マクセル株式会社
樹脂発泡糸の製造方法及びラム押出成形機
1か月前
マクセル株式会社
操作方法
23日前
マクセル株式会社
電気かみそりの外刃、電気かみそり、およびめっき積層体
今日
マクセル株式会社
表示装置
今日
マクセル株式会社
表示装置
今日
マクセル株式会社
情報処理端末
23日前
マクセル株式会社
伝送波の処理方法
21日前
マクセル株式会社
コンテンツ保護処理方法
今日
マクセル株式会社
コンテンツ保護処理方法
今日
マクセル株式会社
デジタル放送変調波の処理方法
7日前
マクセル株式会社
全固体二次電池およびその製造方法
23日前
マクセル株式会社
表示装置、ヘッドアップディスプレイ装置、およびデジタルサイネージ
7日前
個人
イヤーピース
28日前
個人
イヤーマフ
1か月前
個人
監視カメラシステム
1か月前
個人
スイッチシステム
1か月前
キーコム株式会社
光伝送線路
1か月前
サクサ株式会社
中継装置
1か月前
サクサ株式会社
中継装置
1か月前
個人
スキャン式車載用撮像装置
1か月前
WHISMR合同会社
収音装置
2か月前
キヤノン株式会社
撮像装置
7日前
キヤノン株式会社
撮像装置
今日
キヤノン株式会社
撮像装置
今日
アイホン株式会社
電気機器
2か月前
キヤノン株式会社
撮像装置
今日
キヤノン株式会社
撮像装置
3か月前
個人
ワイヤレスイヤホン対応耳掛け
2か月前
サクサ株式会社
無線システム
1か月前
サクサ株式会社
無線通信装置
1か月前
続きを見る
他の特許を見る