TOP
|
特許
|
意匠
|
商標
特許ウォッチ
Twitter
他の特許を見る
10個以上の画像は省略されています。
公開番号
2025178132
公報種別
公開特許公報(A)
公開日
2025-12-05
出願番号
2025066859
出願日
2025-04-15
発明の名称
モジュラー積層型磁気部品
出願人
台達電子工業股ふん有限公司
,
DELTA ELECTRONICS, INC.
代理人
SK弁理士法人
,
個人
,
個人
主分類
H01F
30/12 20060101AFI20251128BHJP(基本的電気素子)
要約
【課題】磁気コアの体積と損失を削減し、より良い磁束分布を実現するモジュラー積層型磁気部品を提供する。
【解決手段】モジュラー積層型磁気部品100は、N相のDC-DCコンバータ用であり、Nは1より大きい奇数である。N相において、n番目の相は、(n+1)番目の相を360/N度先行し、nは、N未満の正の整数であり、N番目の相は、第1の相を360/N度先行する。例えば、モジュラー積層型磁気部品は、複数の磁気コア11、12、13、磁気カバー10及び複数の巻線21、22、23を含む。各磁気コアは、垂直に順に積層される。磁気カバーは、複数の磁気コアの上に積層される。複数の巻線は、それぞれDC-DCコンバータの各相に接続され、各巻線は、対応する磁気コアの巻線コラムに巻かれ、一体化されたトランスおよびインダクタを形成する。隣接する任意の2つの巻線は、電流方向が互いに反対である。
【選択図】図1
特許請求の範囲
【請求項1】
N相のDC-DCコンバータ用のモジュラー積層型磁気部品であって、
Nは、1より大きい奇数であり、N相において、n番目の相は、(n+1)番目の相を360/N度先行し、nは、N未満の正の整数であり、N番目の相は、第1の相を360/N度先行し、
前記モジュラー積層型磁気部品は、
垂直方向に順に積層されたN個の磁気コアであって、前記N個の磁気コアのそれぞれはプレートと複数の巻線コラムを含み、前記複数の巻線コラムは前記プレート上に配置されている、N個の磁気コアと、
前記N個の磁気コアの上に積層された磁気カバーと、
DC-DCコンバータの前記N相にそれぞれ接続されたN個の巻線であって、前記N個の巻線のそれぞれは、前記N個の磁気コアの対応する磁気コアの前記複数の巻線コラムに巻かれ、一体化されたトランスおよびインダクタを形成する、N個の巻線と、を含み、
前記N個の巻線のうち、隣接する任意の2つの巻線は、電流方向が互いに反対である、モジュラー積層型磁気部品。
続きを表示(約 1,200 文字)
【請求項2】
前記N個の巻線のうち、隣接する任意の2つの巻線によって発生する2つの磁束は、前記2つの隣接する巻線の間のプレート上において少なくとも部分的に打ち消し合う、請求項1に記載のモジュラー積層型磁気部品。
【請求項3】
2つの磁束の位相差は、90度より大きく270度より小さい、請求項2に記載のモジュラー積層型磁気部品。
【請求項4】
前記2つの隣接する巻線の間のプレートの厚さは、前記磁気カバーの厚さ、または前記N個の磁気コアのうちのN番目の磁気コアのプレートの厚さ以下である、請求項3に記載のモジュラー積層型磁気部品。
【請求項5】
前記N個の磁気コアうちの隣接する任意の2つの磁気コアにおいて、一方の磁気コアの前記複数の巻線コラムと他方の磁気コアの前記プレートとの間に空隙がある、請求項1に記載のモジュラー積層型磁気部品。
【請求項6】
前記N個の巻線のそれぞれは、垂直方向に順に積層されたM層を含み、Mは2より大きい偶数であり、前記M層において、前記空隙にm番目に近い層は、前記空隙からm番目に遠い層と電気的に並列接続されて層セットを形成し、mは、M/2以下の正の整数であり、すべての前記層セットは電気的に直列接続される、請求項5に記載のモジュラー積層型磁気部品。
【請求項7】
前記N個の巻線のそれぞれは、垂直方向に順に積層されたM層を含み、
Mは2より大きい奇数であり、
前記M層において、前記空隙にm番目に近い層は、前記空隙からm番目に遠い層と電気的に並列接続されて層セットを形成し、
mは、(M-1)/2以下の正の整数であり、
((M+1)/2)番目の層とすべての前記層セットは、電気的に直列接続される、請求項5に記載のモジュラー積層型磁気部品。
【請求項8】
前記複数の巻線コラムは、インダクタ巻線コラムとトランス巻線コラムを含み、
前記N個の巻線のそれぞれは、インダクタ巻線とトランス巻線を含み、
前記インダクタ巻線は、前記インダクタ巻線コラムに巻かれており、
前記トランス巻線は、前記トランス巻線コラムに巻かれている、請求項5に記載のモジュラー積層型磁気部品。
【請求項9】
前記N個の磁気コアの隣接する任意の2つの磁気コアにおいて、
一方の磁気コアの前記インダクタ巻線コラムと他方の磁気コアの前記プレートとの間の前記空隙は、同じサイズを有し、
一方の磁気コアの前記トランス巻線コラムと他方の磁気コアの前記プレートとの間の前記空隙は同じサイズを有する、請求項8に記載のモジュラー積層型磁気部品。
【請求項10】
前記DC-DCコンバータは、N相インターリーブLLC回路を含む、請求項1に記載のモジュラー積層型磁気部品。
(【請求項11】以降は省略されています)
発明の詳細な説明
【技術分野】
【0001】
本開示は、磁気部品に関し、より詳細にはモジュラー積層型磁気部品に関する。
続きを表示(約 2,600 文字)
【背景技術】
【0002】
情報技術(IT)、特にクラウドコンピューティング、ビッグデータ、および人工知能(AI)の急速な発展に伴い、データセンターの消費電力は著しく増加している。各電源装置の電力レベルは、フットプリントを増加させることなく、大幅に増加させる必要がある。その結果、多相LLCは、低実効値およびピーク電流(RMS)、DCコンデンサの低電流リップル、およびより良い磁気統合と電力密度のため、データセンターアプリケーションの有力な候補の一つとなっている。しかしながら、高出力アプリケーションにおける多相トランスとインダクタの統合は、磁束集中、渦電流損失、次元共振、および物理的サイズ制限のために依然として課題である。
【0003】
したがって、従来の技術の欠点を克服するために、モジュラー積層型磁気部品を提供する必要がある。
【発明の概要】
【発明の概要】
解決しようとする課題
【0004】
本開示は、磁気コアの体積と損失を削減し、より良い磁束分布を実現することができるモジュラー積層型磁気部品を提供する。
【課題を解決するための手段】
【0005】
本開示の一態様によれば、モジュラー積層型磁気部品が提供される。モジュラー積層型磁気部品は、N相のDC-DCコンバータ用であり、Nは1より大きい奇数である。N相において、n番目の相は(n+1)番目の相を360/N度先行し、nはN未満の正の整数であり、N番目の相は第1の相を360/N度先行する。モジュラー積層型磁気部品は、N個の磁気コア、磁気カバー、およびN個の巻線を含む。N個の磁気コアは、垂直に順に積層され、各磁気コアは、プレートと複数の巻線コラムを含み、複数の巻線コラムは、プレート上に配置される。磁気カバーは、N個の磁気コアの上に積層される。N個の巻線はそれぞれDC-DCコンバータのN相に接続され、N個の巻線のそれぞれは、対応するN個の磁気コアの複数の巻線コラムに巻かれ、一体化されたトランスおよびインダクタを形成する。N個の巻線のうち、隣接する任意の2つの巻線は、互いに反対する電流方向を有する。
【0006】
本開示の別の態様によれば、モジュラー積層型磁気部品が提供される。モジュラー積層型磁気部品は、単相DC-DCコンバータ用である。モジュラー積層型磁気部品は、複数の磁気コア、磁気カバー、および複数の巻線を含む。複数の磁気コアは垂直に順に積層され、各磁気コアはプレートと少なくとも1つの巻線コラムを含み、少なくとも1つの巻線コラムはプレート上に配置される。磁気カバーは複数の磁気コアの上に積層される。各巻線は、複数の磁気コアのうち対応する磁気コアの少なくとも1つの巻線コラムに巻かれ、一体化されたトランスおよびインダクタ、トランス、またはインダクタを形成する。複数の巻線は同じ電流方向を有する。
【0007】
上記の開示内容は、以下の詳細な説明および添付図面を参照することにより、当業者にとってより容易に明らかになるであろう。
【図面の簡単な説明】
【0008】
本開示の一実施形態によるモジュラー積層型磁気部品を示す概略図である。
単相DC-DCコンバータに適用されたモジュラー積層型磁気部品を示す概略図である。
図2Aにおける磁束の関係を概略的に示す。
3相DC-DCコンバータに適用されたモジュラー積層型磁気部品を示す概略図である。
図3Aにおける磁束の関係を概略的に示す。
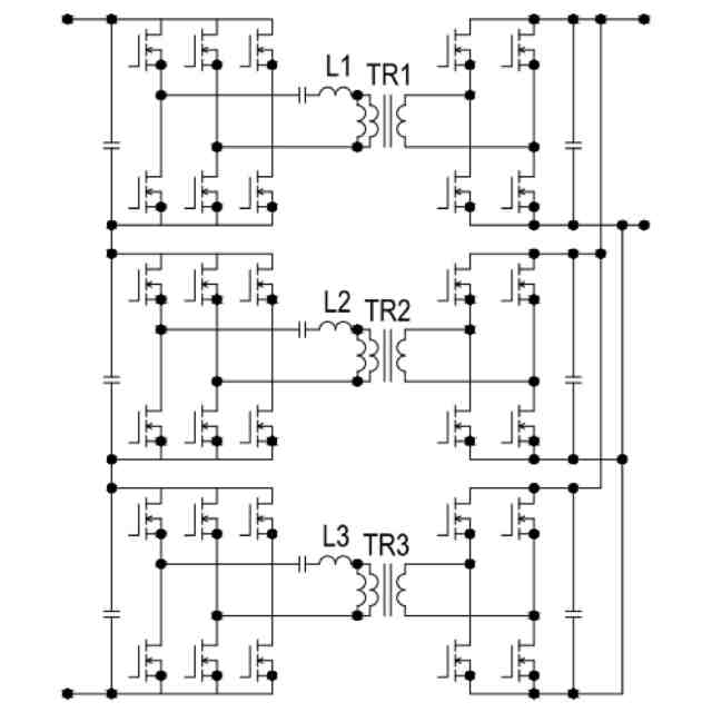
本開示のモジュラー積層型磁気部品によって形成された一体化されたトランスおよびインダクタを備えた3相DC-DCコンバータを示す概略回路図である。
軽負荷条件下で動作する図4の3相DC-DCコンバータに適用されたモジュラー積層型磁気部品を示す概略図である。
図5Aにおける磁束の関係を概略的に示す。
本開示のモジュラー積層型磁気部品によって形成された一体化されたトランスおよびインダクタを備えた別の3相DC-DCコンバータを示す概略回路図である。
異なるタイプの磁気コア及び巻線方法を例示する。
異なるタイプの磁気コア及び巻線方法を例示する。
異なるタイプの磁気コアと巻線方法を例示する。
図7Cのモジュラー積層型磁気部品の一例を示す概略斜視図である。
本開示の一実施形態による側部コラムのない磁気コアを含むモジュラー積層型磁気部品を示す概略斜視図である。
本開示の一実施形態による5相DC-DCコンバータに適用されたモジュラー積層型磁気部品を示す概略図である。
図10Aにおける磁束の関係を概略的に示す。
本開示の別の実施形態による5相DC-DCコンバータに適用されたモジュラー積層型磁気部品を示す概略図である。
図11Aにおける磁束の関係を概略的に示す。
図9の一体化されたトランスおよびインダクタのインダクタを形成する部分の2つの可能な実装例を概略的に示す。
図9の一体化されたトランスおよびインダクタのインダクタを形成する部分の2つの可能な実装例を概略的に示す。
【発明を実施するための形態】
【0009】
以下、本開示の実施形態をより具体的に説明する。ただし、以下に示す本開示の好ましい実施形態の説明は、例示および説明のみを目的として提示されるものであり、網羅的であること、または開示された正確な形態に限定されることを意図するものではないことに留意されたい。
【0010】
PCB巻線を備えた平面トランスは、高い信頼性で自動化製造プロセスを実現する上で有効であることが証明されている。しかしながら、Open Rack V3(ORV3)規格への統合、特に5kWを超える電源装置(PSU)に関しては、課題が生じる。主な問題は、フットプリントの大型化、z軸の最適化の妥協、およびz軸がPCBの平面に垂直な1ラックユニット(1U)設計における高さが十分に活用されていないことなどが挙げられる。
(【0011】以降は省略されています)
この特許をJ-PlatPat(特許庁公式サイト)で参照する
関連特許
台達電子工業股ふん有限公司
モジュラー積層型磁気部品
2日前
台達電子工業股ふん有限公司
軸方向磁束モータの固定子構造
10日前
台達電子工業股ふん有限公司
液体冷却装置およびそれを用いた放熱アセンブリ構造
9日前
APB株式会社
蓄電セル
1か月前
東ソー株式会社
絶縁電線
1か月前
日機装株式会社
加圧装置
2日前
日新イオン機器株式会社
イオン源
2日前
株式会社東芝
端子台
1か月前
マクセル株式会社
電源装置
1か月前
日新イオン機器株式会社
イオン源
1か月前
ローム株式会社
半導体装置
1か月前
富士電機株式会社
電磁接触器
17日前
株式会社GSユアサ
蓄電装置
1か月前
株式会社GSユアサ
蓄電装置
1か月前
三菱電機株式会社
回路遮断器
25日前
株式会社GSユアサ
蓄電設備
1か月前
株式会社GSユアサ
蓄電設備
1か月前
株式会社ホロン
冷陰極電子源
1か月前
株式会社GSユアサ
蓄電装置
17日前
株式会社GSユアサ
蓄電装置
1か月前
太陽誘電株式会社
コイル部品
1か月前
トヨタ自動車株式会社
冷却構造
1か月前
日本特殊陶業株式会社
保持装置
1か月前
株式会社東芝
電子源
2日前
日本特殊陶業株式会社
保持装置
1か月前
個人
電源ボックス及び電子機器
2日前
北道電設株式会社
配電具カバー
1か月前
トヨタ自動車株式会社
蓄電装置
9日前
トヨタ自動車株式会社
蓄電装置
1か月前
ホシデン株式会社
複合コネクタ
11日前
株式会社トクミ
ケーブル
3日前
大電株式会社
電線又はケーブル
9日前
トヨタ自動車株式会社
バッテリ
1か月前
日新イオン機器株式会社
基板処理装置
1か月前
日亜化学工業株式会社
半導体レーザ素子
1か月前
トヨタ自動車株式会社
密閉型電池
1か月前
続きを見る
他の特許を見る