TOP
|
特許
|
意匠
|
商標
特許ウォッチ
Twitter
他の特許を見る
10個以上の画像は省略されています。
公開番号
2025178125
公報種別
公開特許公報(A)
公開日
2025-12-05
出願番号
2025056048
出願日
2025-03-28
発明の名称
バッテリー過充電防止装置および方法、バッテリーパック
出願人
三星エスディアイ株式会社
,
SAMSUNG SDI Co., LTD.
代理人
弁理士法人谷・阿部特許事務所
主分類
H02J
7/00 20060101AFI20251128BHJP(電力の発電,変換,配電)
要約
【課題】並列連結された複数のバッテリーモジュール相互間でなされる充放電動作によって特定のバッテリーモジュールに引き起こされる過充電を防止し、それによる発火の危険を除去できるソリューションを提供する。
【解決手段】本開示はバッテリー過充電防止装置および方法、バッテリーパックに関する。本開示は並列連結された第1~第Nバッテリーモジュールに含まれる各バッテリーセルの電圧変化に基づいて異常バッテリーセルが存在する対象バッテリーモジュールを検出し、検出された対象バッテリーモジュールに引き入れられる電流をバイパス回路部を通じてバイパスさせる方式で対象バッテリーモジュールの過充電を防止する構成を提供する。
【選択図】図4
特許請求の範囲
【請求項1】
並列連結された第1~第Nバッテリーモジュールそれぞれに引き入れられる電流をバイパスさせるためのバイパス回路部であって(Nは2以上の自然数)、各バッテリーモジュールは直列連結された複数のバッテリーセルを含む、バイパス回路部と、
前記第1~第Nバッテリーモジュール相互間でなされる充放電によって引き起こされる過充電を防止するように構成されるプロセッサとを含み、
前記プロセッサは、
前記第1~第Nバッテリーモジュールに含まれる各バッテリーセルの電圧変化に基づいて異常バッテリーセルが存在する対象バッテリーモジュールを検出し、前記検出された対象バッテリーモジュールに引き入れられる電流を前記バイパス回路部を通じてバイパスさせる方式で前記対象バッテリーモジュールの過充電を防止することを特徴とする、バッテリー過充電防止装置。
続きを表示(約 1,400 文字)
【請求項2】
前記第1~第Nバッテリーモジュールはバッテリーパックを構成し、
前記プロセッサは、前記バッテリーパックから引き出される電流が予め設定された基準電流範囲以内である場合、前記異常バッテリーセルおよび前記対象バッテリーモジュールの検出動作を開始することを特徴とする、請求項1に記載のバッテリー過充電防止装置。
【請求項3】
前記プロセッサは、前記第1~第Nバッテリーモジュール相互間の電流の流れが発生した場合、前記異常バッテリーセルおよび前記対象バッテリーモジュールの検出動作を開始することを特徴とする、請求項1に記載のバッテリー過充電防止装置。
【請求項4】
前記プロセッサは、いずれか一つのバッテリーモジュールに含まれる複数のバッテリーセルに対して、その電圧が増加するバッテリーセルとその電圧が減少するバッテリーセルが存在するかどうかを判断する方式で前記対象バッテリーモジュールを検出することを特徴とする、請求項1に記載のバッテリー過充電防止装置。
【請求項5】
前記プロセッサは、第Mバッテリーモジュールを基準として、i)その電圧が予め設定された第1基準電圧以上に増加するバッテリーセルが存在する第1条件と、ii)その電圧が予め設定された第2基準電圧以下に減少するバッテリーセルが存在する第2条件の充足有無を判断する方式で前記対象バッテリーモジュールを検出することを特徴とする、請求項4に記載のバッテリー過充電防止装置(MはN以下の自然数)。
【請求項6】
前記プロセッサは、前記第1および第2条件がみたされた場合であって、前記第1条件を充足する複数のバッテリーセルそれぞれの単位時間当りの電圧変化量が予め設定された許容誤差範囲以内にある場合、前記第Mバッテリーモジュールを前記対象バッテリーモジュールとして検出することを特徴とする、請求項5に記載のバッテリー過充電防止装置。
【請求項7】
前記プロセッサは、前記第1および第2条件がみたされる状況が予め設定された基準回数以上繰り返される場合、前記第Mバッテリーモジュールを前記対象バッテリーモジュールとして検出することを特徴とする、請求項5に記載のバッテリー過充電防止装置。
【請求項8】
前記バイパス回路部は複数のサブバイパス回路を含み、
各サブバイパス回路は直列連結されたバイパススイッチおよびバイパス抵抗を含むことを特徴とする、請求項1に記載のバッテリー過充電防止装置。
【請求項9】
前記複数のサブバイパス回路は前記第1~第Nバッテリーモジュールにそれぞれ並列連結されて該当バッテリーモジュールに引き入れられる充電電流をバイパスさせるためのバイパス経路を形成し、
前記バイパス経路は前記該当バッテリーモジュールの最上端バッテリーセルへの電流引き入れノード、前記バイパススイッチ、前記バイパス抵抗および放電端子に連結される経路で構成されることを特徴とする、請求項8に記載のバッテリー過充電防止装置。
【請求項10】
前記プロセッサは、前記対象バッテリーモジュールに連結された前記サブバイパス回路の前記バイパススイッチを閉鎖して、前記対象バッテリーモジュールに引き入れられる充電電流を前記バイパス経路を通じてバイパスさせることを特徴とする、請求項9に記載のバッテリー過充電防止装置。
(【請求項11】以降は省略されています)
発明の詳細な説明
【技術分野】
【0001】
本開示はバッテリーの過充電を防止する技術に関する。
続きを表示(約 2,300 文字)
【背景技術】
【0002】
二次電池は充電が不可能な一次電池とは異なって充電および放電が可能な電池である。低容量の二次電池はスマートフォン、フィーチャーフォン、ノートパソコン、デジタルカメラおよびビデオカメラのように携帯が可能な小型電子機器に使われ、大容量の二次電池はハイブリッド自動車、電気自動車などのモータ駆動用電源および電力貯蔵用電池などで広く使われている。このような二次電池は正極および負極からなる電極組立体、これを収容するケース、電極組立体に連結される電極端子などを含む。
【0003】
このような発明の背景となる技術に開示された上述の情報は、本発明の背景に対する理解度を向上させるためのものであるだけで、よって、従来技術を構成しない情報を含む場合もある。
【発明の概要】
【発明が解決しようとする課題】
【0004】
本発明は、並列連結された複数のバッテリーモジュール相互間でなされる充放電動作によって特定のバッテリーモジュールに引き起こされる過充電を防止できる、バッテリー過充電防止装置および方法、そしてその機能が適用されたバッテリーパックを提供することにその目的がある。
【0005】
但し、本発明が解決しようとする技術的課題は、上述の課題に制限されるのではなく、言及されていない別の課題は、下記の発明の説明から当業者が明確に理解することができる。
【課題を解決するための手段】
【0006】
前記技術的課題を解決するための本発明の一実施形態に係るバッテリー過充電防止装置は、並列連結された第1~第Nバッテリーモジュールそれぞれに引き入れられる電流をバイパスさせるためのバイパス回路部であって(Nは2以上の自然数)、各バッテリーモジュールは直列連結された複数のバッテリーセルを含む、バイパス回路部と、第1~第Nバッテリーモジュール相互間でなされる充放電によって引き起こされる過充電を防止するように構成されるプロセッサとを含み、プロセッサは、第1~第Nバッテリーモジュールに含まれる各バッテリーセルの電圧変化に基づいて異常バッテリーセルが存在する対象バッテリーモジュールを検出し、検出された対象バッテリーモジュールに引き入れられる電流をバイパス回路部を通じてバイパスさせる方式で対象バッテリーモジュールの過充電を防止することを特徴とする。
【発明の効果】
【0007】
本発明によると、バッテリーセルの電圧挙動に基づいて短絡が発生した異常バッテリーセルと異常バッテリーセルが含まれた対象バッテリーモジュールを検出し、スイッチ素子および抵抗素子で構成されるバイパス回路を通じて対象バッテリーモジュールに引き入れられる充電電流をバイパスさせる構成を採用することによって、対象バッテリーモジュールの過充電現象を防止するとともに過充電によるバッテリーの発火および爆発による危険を除去することができる。
【0008】
但し、本発明を通じて得られる効果は、上述の効果に制限されるのではなく、言及されていない別の技術的な効果は、下記の発明の説明から当業者が明確に理解できるものと考える。
【図面の簡単な説明】
【0009】
本願に添付する次の図面は、本発明の好ましい実施例を例示するものであり、後述する発明の詳細な説明とともに本発明の技術思想をよりよく理解させる役割をするものであるため、本発明はこのような図面に記載されている事項だけに限定して解釈してはならない。
【0010】
本発明の一実施例に係るバッテリーモジュールを図示したものである。
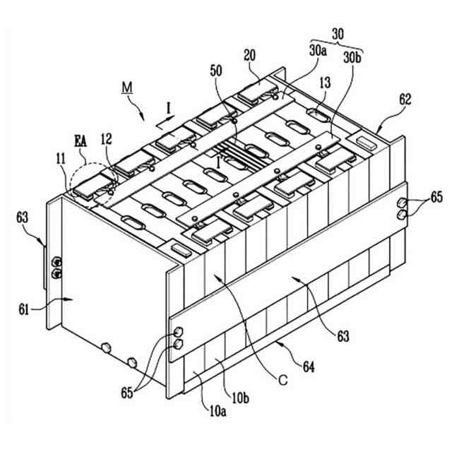
本発明の一実施例に係るバッテリーパックを図示したものである。
本発明の一実施例に係るバッテリーパックを図示したものである。
本発明の一実施例に係るバッテリーモジュールの並列連結構造を図示したものである。
本発明の一実施例に係るバッテリー過充電防止装置のブロック構成図を図示したものである。
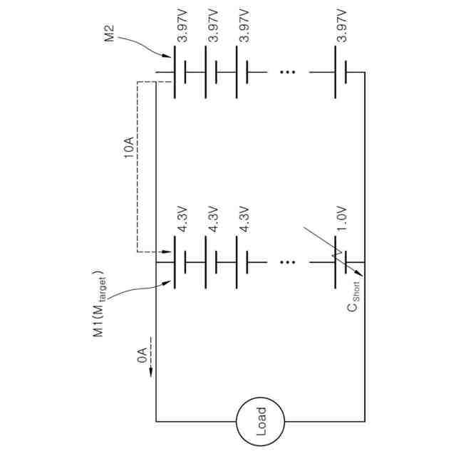
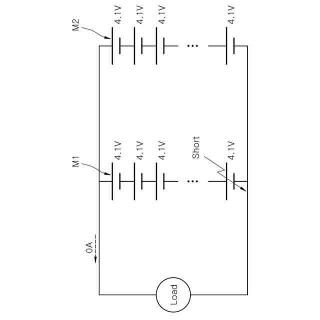
本発明の一実施例に係るバッテリー過充電防止装置で異常バッテリーセルを検出する過程の例示を図示したものである。
本発明の一実施例に係るバッテリー過充電防止装置で異常バッテリーセルを検出する過程の例示を図示したものである。
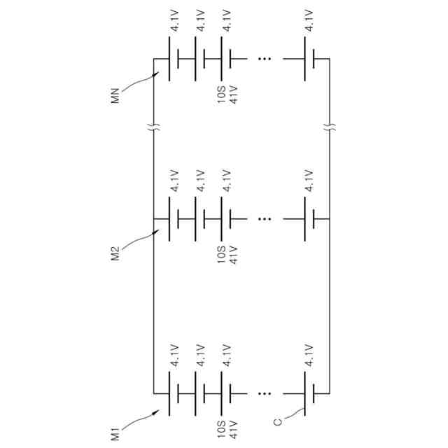
本発明の一実施例に係るバッテリー過充電防止装置でバイパス回路部を通じて充電電流をバイパスさせる過程の第1例示を図示したものである。
本発明の一実施例に係るバッテリー過充電防止装置でバイパス回路部を通じて充電電流をバイパスさせる過程の第1例示を図示したものである。
本発明の一実施例に係るバッテリー過充電防止装置でバイパス回路部を通じて充電電流をバイパスさせる過程の第2例示を図示したものである。
本発明の一実施例に係るバッテリー過充電防止装置でバイパス回路部を通じて充電電流をバイパスさせる過程の第2例示を図示したものである。
本発明の一実施例に係るバッテリー過充電防止装置でバイパス回路部を通じて充電電流をバイパスさせる過程の第2例示を図示したものである。
本発明の一実施例に係るバッテリー過充電防止装置でバイパス回路部を通じて充電電流をバイパスさせる過程の第2例示を図示したものである。
本発明の一実施例に係るバッテリー過充電防止方法のフローチャートを図示したものである。
【発明を実施するための形態】
(【0011】以降は省略されています)
この特許をJ-PlatPat(特許庁公式サイト)で参照する
関連特許
個人
高圧電気機器の開閉器
17日前
個人
電気を重力で発電装置
1か月前
キヤノン電子株式会社
モータ
29日前
キヤノン電子株式会社
モータ
1か月前
コーセル株式会社
電源装置
1か月前
日星電気株式会社
ケーブル組立体
1か月前
株式会社アイドゥス企画
減反モータ
17日前
トヨタ自動車株式会社
モータ
29日前
株式会社デンソー
端子台
10日前
株式会社デンソー
回転電機
1日前
個人
二次電池繰返パルス放電器用印刷基板
1か月前
株式会社ダイヘン
送配電装置
1日前
株式会社デンソー
電力変換装置
1か月前
富士電機株式会社
電力変換装置
1日前
株式会社不二越
空冷式油圧装置
1日前
富士電機株式会社
電力変換装置
1日前
ローム株式会社
半導体集積回路
8日前
本田技研工業株式会社
回転電機
3日前
株式会社TMEIC
制御装置
9日前
矢崎総業株式会社
給電装置
9日前
株式会社日立製作所
回転電機
8日前
矢崎総業株式会社
電源回路
16日前
トヨタ自動車株式会社
固定子の加熱装置
1か月前
株式会社デンソー
非接触受電装置
1か月前
個人
非対称鏡像力を有する4層PWB電荷搬送体
24日前
トヨタ自動車株式会社
ステータの製造装置
1か月前
日産自動車株式会社
ロータシャフト
24日前
大和ハウス工業株式会社
敷設用機器
9日前
山洋電気株式会社
モータ
1か月前
株式会社イノコンバンク
無線給電システム
1日前
ローム株式会社
モータドライバ回路
24日前
日産自動車株式会社
ロータシャフト
24日前
株式会社土井製作所
ケーブル保護管路
8日前
サンデン株式会社
モータ
2日前
株式会社明治ゴム化成
ワイヤレス給電用部品
1か月前
京商株式会社
模型用非接触電力供給システム
17日前
続きを見る
他の特許を見る