TOP
|
特許
|
意匠
|
商標
特許ウォッチ
Twitter
他の特許を見る
公開番号
2025176658
公報種別
公開特許公報(A)
公開日
2025-12-04
出願番号
2024119450
出願日
2024-07-25
発明の名称
水性エポキシ樹脂組成物、塗料及び物品
出願人
DIC株式会社
代理人
個人
,
個人
,
個人
主分類
C08G
59/40 20060101AFI20251127BHJP(有機高分子化合物;その製造または化学的加工;それに基づく組成物)
要約
【課題】 優れた保存安定性を有し、かつ、優れた防食性及び金属密着性を有する硬化塗膜を形成可能な水性エポキシ樹脂組成物、前記水性エポキシ樹脂組成物を含有する塗料、前記塗料の硬化塗膜を有する物品を提供すること。
【解決手段】 必須の反応原料としての、エポキシ樹脂(a1)、多塩基酸無水物(a2)、数平均分子量が1,000~6,000のポリアルキレングリコール(a3)を、〔(a2)+(a3)〕/(a1)で表される質量比が2~12の範囲で用いてなる水性樹脂(A)と、ビスフェノールA型エポキシ樹脂を含有するエポキシ樹脂(B)と、水性媒体(C)と、を含有し、前記水性樹脂(A)と前記エポキシ樹脂(B)との質量比[(B)/(A)]が10~30の範囲である水性エポキシ樹脂組成物を用いる。
【選択図】 なし
特許請求の範囲
【請求項1】
必須の反応原料としての、エポキシ樹脂(a1)、多塩基酸無水物(a2)、数平均分子量が1,000~6,000のポリアルキレングリコール(a3)を、
〔(a2)+(a3)〕/(a1)で表される質量比が2~12の範囲で用いてなる水性樹脂(A)と、
ビスフェノールA型エポキシ樹脂を含有するエポキシ樹脂(B)と、
水性媒体(C)と、を含有し、
前記水性樹脂(A)と前記エポキシ樹脂(B)との質量比[(B)/(A)]が10~30の範囲である水性エポキシ樹脂組成物。
続きを表示(約 510 文字)
【請求項2】
前記エポキシ樹脂(a1)が、ビスフェノールF型エポキシ樹脂を含むものである請求項1記載の水性エポキシ樹脂組成物。
【請求項3】
前記多塩基酸無水物(a2)が、ヘキサヒドロ無水フタル酸を含むものである請求項1記載の水性エポキシ樹脂組成物。
【請求項4】
前記水性樹脂(A)のエポキシ当量が、1,000~5,000g/eq.である請求項1記載の水性エポキシ樹脂組成物。
【請求項5】
前記エポキシ樹脂(B)が、更に、ゴム変性エポキシ樹脂、ジシクロペンタジエン型エポキシ樹脂、及びフェノールノボラック型エポキシ樹脂からなる群より選ばれる1種以上を含有するものである請求項1記載の水性エポキシ樹脂組成物。
【請求項6】
前記エポキシ樹脂(B)中に、前記ビスフェノールA型エポキシ樹脂を40質量%以上で含有する請求項1記載の水性エポキシ樹脂組成物。
【請求項7】
請求項1~6の何れか1項記載の水性エポキシ樹脂組成物と、硬化剤とを含有する塗料。
【請求項8】
請求項7記載の塗料の硬化塗膜を有する物品。
発明の詳細な説明
【技術分野】
【0001】
本発明は、水性エポキシ樹脂組成物、塗料及び物品に関する。
続きを表示(約 1,600 文字)
【背景技術】
【0002】
一般に、エポキシ樹脂組成物は機械的特性、電気的特性に優れ、接着性、耐溶剤性、耐水性、耐熱性等が良好な硬化物が得られることから、電気・電子部品の絶縁材料、接着剤、塗料、土木建築用等に広く用いられている。
【0003】
これらの各用途のなかでも特に塗料用途等においては、各種の有機溶剤を用いた溶剤希釈タイプが一般的であった。しかしながら、近年、大気汚染防止、作業環境改善等を含めた地球環境保全の観点から揮発性有機化合物(VOC)総量規制の実施の方向へ進んでおり、有機溶剤を使用しない水性エポキシ樹脂組成物が注目を浴びている。
【0004】
前記水性エポキシ樹脂組成物としては、例えば、ポリエチレングリコールとトリメリット酸無水物を先に反応させ、その後過剰のエポキシ樹脂と反応させることによって乳化剤を合成し、これをエポキシ樹脂に添加、水を加えることによって得る水性エポキシ樹脂組成物が知られている(例えば、特許文献1参照)。また、ポリエチレングリコールを酸無水物と先に反応させ、その後過剰のエポキシ樹脂と反応させることによって乳化剤を合成し取り出した後、エポキシ樹脂に改めて添加し、水を加えることによって得る水性エポキシ樹脂組成物が知られている(例えば、特許文献2参照)。
【先行技術文献】
【特許文献】
【0005】
中国特許出願公開第105801868号公報
中国特許出願公開第108503846号公報
【発明の概要】
【発明が解決しようとする課題】
【0006】
しかし、これらの水性エポキシ樹脂組成物は、保存安定性が不十分であることに加え、硬化物の諸物性(例えば、防食性、金属密着性)においても、昨今ますます高まる要求性能を満足させるために、改善の余地がある。
【0007】
本発明が解決しようとする課題は、優れた保存安定性を有し、かつ、優れた防食性及び金属密着性を有する硬化塗膜を形成可能な水性エポキシ樹脂組成物、前記水性エポキシ樹脂組成物を含有する塗料、前記塗料の硬化塗膜を有する物品を提供することである。
【課題を解決するための手段】
【0008】
本発明者らは、上記課題を解決するため鋭意検討を行った結果、エポキシ樹脂、多塩基酸無水物及びポリアルキレングリコールを特定割合で用いる水性樹脂と、ビスフェノールA型エポキシ樹脂を含有するエポキシ樹脂と、水性媒体とを、特定割合で含有する水性エポキシ樹脂組成物を用いることによって、上記課題を解決できることを見出し、本発明を完成させた。
【0009】
すなわち、本発明は、必須の反応原料としての、エポキシ樹脂(a1)、多塩基酸無水物(a2)、数平均分子量が1,000~6,000のポリアルキレングリコール(a3)を、
〔(a2)+(a3)〕/(a1)で表される質量比が2~12の範囲で用いてなる水性樹脂(A)と、
ビスフェノールA型エポキシ樹脂を含有するエポキシ樹脂(B)と、
水性媒体(C)と、を含有し、
前記水性樹脂(A)と前記エポキシ樹脂(B)との質量比[(B)/(A)]が10~30の範囲である水性エポキシ樹脂組成物とこれを用いる塗料、および前記塗料からなる塗膜を有する物品を提供するものである。
【発明の効果】
【0010】
本発明の水性エポキシ樹脂組成物は、優れた保存安定性を有するとともに、前記水性エポキシ樹脂組成物を含有する塗料は、優れた防食性及び金属密着性を有することから、特に防食塗料に好適に用いることができる。
【発明を実施するための形態】
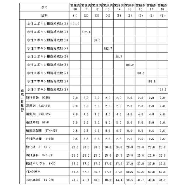
(【0011】以降は省略されています)
この特許をJ-PlatPat(特許庁公式サイト)で参照する
関連特許
DIC株式会社
積層体、包装材
5日前
DIC株式会社
吸音材及び吸音部品
1か月前
DIC株式会社
ネガ型感光性樹脂組成物
1か月前
DIC株式会社
アンカー剤、印刷物、包材
2か月前
DIC株式会社
色補正システム及び情報処理装置
2か月前
DIC株式会社
細胞賦活剤及び細胞賦活用組成物
1か月前
DIC株式会社
粘着剤組成物、粘着テープ及び物品
12日前
DIC株式会社
ポリアスパラギン酸誘導体の製造方法
13日前
DIC株式会社
ポリアスパラギン酸誘導体の製造方法
1か月前
DIC株式会社
水性エポキシ樹脂組成物、塗料及び物品
5日前
DIC株式会社
皮膚機能改善剤及び皮膚機能改善用組成物
1か月前
DIC株式会社
硬化性樹脂組成物およびギャップフィラー
5日前
DIC株式会社
繊維強化成形材料及びそれを用いた成形品
12日前
DIC株式会社
負極活物質及びその製造方法、並びに二次電池
2か月前
DIC株式会社
粘着テープおよびそれを用いた部品の製造方法
11日前
DIC株式会社
水性ウレタン樹脂組成物、コーティング剤及び物品
1か月前
DIC株式会社
ホットメルト型粘着剤組成物、粘着テープ及び物品
12日前
DIC株式会社
ホットメルト型粘着剤組成物、粘着テープ及び物品
12日前
大日精化工業株式会社
熱伝導性樹脂組成物及び成形体
1か月前
DIC株式会社
活性エネルギー線硬化性組成物、硬化塗膜及びフィルム
1か月前
DIC株式会社
樹脂物性値を予測する方法、情報処理装置、及びプログラム
2か月前
DIC株式会社
樹脂粒子、樹脂粒子の製造方法、インク及びインクの製造方法
1か月前
DIC株式会社
分離装置、炭化組成物製造装置、及び炭化組成物製造システム
1か月前
DIC株式会社
凹凸増幅用具
11日前
DIC株式会社
仮固定用テープ、及び該仮固定用テープを用いた部品の製造方法
11日前
DIC株式会社
仮固定用テープ、及び該仮固定用テープを用いた部品の製造方法
11日前
DIC株式会社
キナクリドン化合物
2か月前
DIC株式会社
ポジ型感光性樹脂組成物、レジスト膜、レジスト下層膜及びレジスト永久膜
1か月前
DIC株式会社
ポジ型感光性樹脂組成物、レジスト膜、レジスト下層膜及びレジスト永久膜
1か月前
DIC株式会社
硬化性樹脂組成物、硬化物および光導波路
11日前
DIC株式会社
負極活物質、負極活物質前駆体及びその製造方法、並びにかかる負極活物質を有する二次電池
1か月前
DIC株式会社
硬化性樹脂組成物、硬化性樹脂および硬化物
11日前
DIC株式会社
フェニルホスホン酸亜鉛錯体、樹脂組成物、及び湿気硬化性ホットメルトウレタン樹脂接着剤
2か月前
DIC株式会社
重合性不飽和基を有する樹脂の製造方法、重合性不飽和基を有する樹脂、硬化性樹脂組成物、硬化物
2か月前
DIC株式会社
セルロースエステル樹脂用改質剤、セルロースエステル樹脂組成物、成形体、光学フィルムおよび表示装置
1か月前
DIC株式会社
水生生物付着抑制用防汚剤、水生生物付着抑制用防汚剤組成物、水生生物付着抑制用防汚剤硬化物及び防汚塗膜
1か月前
続きを見る
他の特許を見る