TOP
|
特許
|
意匠
|
商標
特許ウォッチ
Twitter
他の特許を見る
10個以上の画像は省略されています。
公開番号
2025176460
公報種別
公開特許公報(A)
公開日
2025-12-04
出願番号
2024082634
出願日
2024-05-21
発明の名称
特装車
出願人
新明和工業株式会社
代理人
弁理士法人あーく事務所
主分類
B65F
3/00 20060101AFI20251127BHJP(運搬;包装;貯蔵;薄板状または線条材料の取扱い)
要約
【課題】四方弁の操作時の安心感を向上させるとともに、非常時対応の容易性を向上させることが可能な特装車を提供することを目的とする。
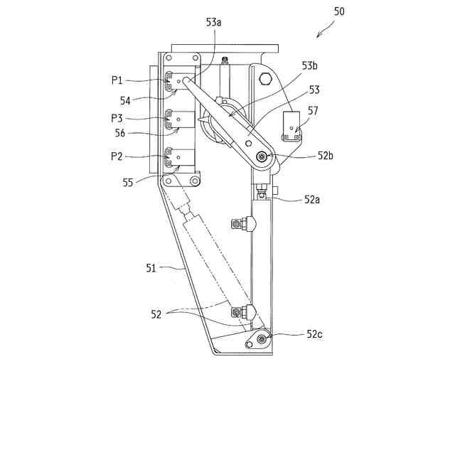
【解決手段】吸引車2は、レシーバタンク5、真空ポンプ25、真空ポンプ25によるエアの流れを切り換える四方弁24、四方弁24の弁体28の位置を切り換える切換装置50、真空ポンプ25および切換装置50の動作を制御する制御装置6、車両外部に配置されるととともに制御装置6に指示を与える操作パネル15を備える。切換装置50は、切換動作を行う油圧シリンダ52と、油圧シリンダ52の動きを四方弁24に伝えるアーム部53とを有し、アーム部53は、弁体28の位置を示すドグ53aを有し、ドグ53aは、弁体28の複数の切換位置のそれぞれに対応した複数の指定ドグ位置を指し示す。
【選択図】図10
特許請求の範囲
【請求項1】
積載対象物を積載するための車載タンクと、前記車載タンクに対する前記積載対象物の吸引または排出を行うための空気の流れを発生させるポンプと、前記ポンプによる空気の流れを切り換える四方弁と、前記四方弁の弁体の位置を切り換える切換装置と、前記ポンプおよび前記切換装置の動作を制御する制御部と、車両外部に配置されるとともに前記制御部に指示を与える操作盤と、を備えた特装車であって、
前記切換装置は、切換動作を行うシリンダと、前記シリンダの動きを前記四方弁に伝えるアーム部とを有し、
前記アーム部は、前記弁体の位置を示すドグを有し、前記ドグは、前記弁体の複数の切換位置のそれぞれに対応した複数の指定ドグ位置を指し示すように構成されたことを特徴とする特装車。
続きを表示(約 660 文字)
【請求項2】
請求項1に記載の特装車において、
前記シリンダは、油圧で作動する油圧シリンダであることを特徴とする特装車。
【請求項3】
請求項2に記載の特装車において、
前記ドグは、前記操作盤と車両左右方向の同じ向きに設置されていることを特徴とする特装車。
【請求項4】
請求項3に記載の特装車において、
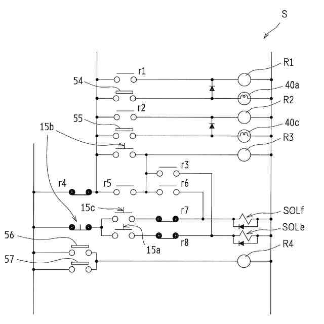
前記操作盤は、ドグ位置報知装置を備え、
前記複数の指定ドグ位置のそれぞれに対応して前記ドグを検知する位置センサが設けられており、前記ドグ位置報知装置は、前記位置センサで前記ドグを検知したときに対応する前記指定ドグ位置を報知することを特徴とする特装車。
【請求項5】
請求項4に記載の特装車において、
当該特装車は吸引車であって、
前記指定ドグ位置は、吸引位置、中正位置、および加圧位置を少なくとも含むことを特徴とする特装車。
【請求項6】
請求項1~5のいずれか1つに記載の特装車において、
前記アーム部は、前記操作盤の近傍に配設されるとともに、前記四方弁および前記シリンダのうち少なくとも1つに対して取り外し可能に装着されていることを特徴とする特装車。
【請求項7】
請求項6に記載の特装車において、
前記シリンダは、前記アーム部を介して前記四方弁を動かす作動位置から回動されて前記アーム部の可動範囲外に位置する退避位置に移動可能になっていることを特徴する特装車。
発明の詳細な説明
【技術分野】
【0001】
本発明は、例えば吸引車等の特装車に関する。
続きを表示(約 1,900 文字)
【背景技術】
【0002】
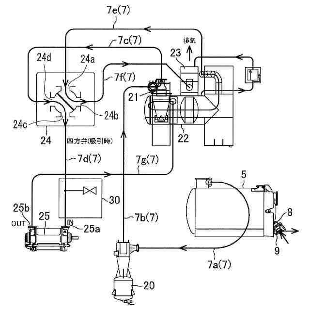
従来、一例として吸引車においては、汚泥、土砂、廃液等を吸引してタンク内に回収する吸引車が知られている(例えば特許文献1参照)。この種の吸引車は、吸引等を行うための空気の流れを発生させるポンプ、このポンプによる空気の流れを切り換える四方弁、この四方弁の弁体の位置を切り換える切換装置等を備えている。
【0003】
例えば特許文献1に記載の吸引車では、エア式の切換弁によって四方弁の弁体の位置を切り換えることで四方弁の遠隔操作を可能としている。しかし、切換弁の切り換えの際、エア配管で供給されたエアを外部に排出するので、エアタンクのエアが減ってしまい、エアの圧力が低下する。このため、車載のエアタンクから切換弁までのエア制御用配管の長さを短くすることによって、出力や効率を上げ、高性能化を図っていた。
【先行技術文献】
【特許文献】
【0004】
特開2022-154822号公報
【発明の概要】
【発明が解決しようとする課題】
【0005】
上述したような吸引車では、四方弁およびエア式の切換弁は、車幅方向中央部に設けられていた。このため、吸引対象物積載用のレシーバタンクへ吸引対象物を吸引するための吸引力を伝達する配管や四方弁を覆うエア駆動による切換装置に阻まれて、視認性が悪くなっていた。切換弁のメンテナンスや非常時の操作が困難となっていた。特に、中正位置は加圧位置および吸引位置の中間に位置させる必要があるため、目視しながらの操作が難しく、作業者にとって不安であった。また、車載の真空ポンプからレシーバタンクまでの配管や、車載のエアタンクから切換弁までのエア制御用配管を出力や効率のためにできるだけ短くする必要があったため、四方弁および切換弁の配置の自由度が低かった。このような問題点は吸引車以外の特装車(例えば粉粒体運搬車、散水車、高圧洗浄車等)においても同様に懸念される。
【0006】
本発明は、上述のような実情に鑑みてなされたものであって、四方弁の操作時の安心感を向上させるとともに、非常時対応の容易性を向上させることが可能な特装車を提供することを目的とする。
【課題を解決するための手段】
【0007】
本発明は、上述の課題を解決するための手段を以下のように構成している。すなわち、本発明は、積載対象物を積載するための車載タンクと、前記車載タンクに対する前記積載対象物の吸引または排出を行うための空気の流れを発生させるポンプと、前記ポンプによる空気の流れを切り換える四方弁と、前記四方弁の弁体の位置を切り換える切換装置と、前記ポンプおよび前記切換装置の動作を制御する制御部と、車両外部に配置されるとともに前記制御部に指示を与える操作盤と、を備えた特装車であって、前記切換装置は、切換動作を行うシリンダと、前記シリンダの動きを前記四方弁に伝えるアーム部とを有し、前記アーム部は、前記弁体の位置を示すドグを有し、前記ドグは、前記弁体の複数の切換位置のそれぞれに対応した複数の指定ドグ位置を指し示すように構成されたことを特徴とする。
【0008】
上記構成によれば、四方弁の操作時の安心感を向上させるとともに、非常時対応の容易性を向上させることができる。すなわち、四方弁付近に設けられた切換装置を目視して、アーム部のドグが指し示す指定ドグ位置を確認することで、四方弁の弁体がどの位置に切り換えられているのかを容易に認識することができるので、四方弁の操作時の安心感を向上させることができる。また、例えば切換装置を作動させる回路の故障時のような非常時、アーム部を作業者が手動で操作することによって、四方弁の弁体の位置を切り換えることができるので、ドグを視認しつつ非常時の対応を容易に行うことができる。
【0009】
上記構成の特装車において、前記シリンダは、油圧で作動する油圧シリンダであることが好ましい。
【0010】
上記構成によれば、作動時にエアを外部に排出するエア式の切換弁と異なり、油圧シリンダの場合、作動油をオイルリザーバへ戻す戻り配管を設けることになる。このように、油圧シリンダを用いることにより、エア式の切換弁を用いた場合に比べて、出力や効率のために油圧制御用配管の長さを短くする必要がない。これにより、四方弁および油圧シリンダの配置自由度を向上させることができる。
(【0011】以降は省略されています)
この特許をJ-PlatPat(特許庁公式サイト)で参照する
関連特許
新明和工業株式会社
特装車
今日
新明和工業株式会社
コンテナ脱着車
今日
新明和工業株式会社
コンテナ脱着車
29日前
新明和工業株式会社
荷受台昇降装置、特装車および荷受台昇降装置の物体検出システム
28日前
個人
収容箱
4か月前
個人
束ね具
23日前
個人
コンベア
6か月前
個人
段ボール箱
8か月前
個人
ゴミ収集器
8か月前
個人
容器
10か月前
個人
段ボール箱
8か月前
個人
バンド
3か月前
個人
宅配システム
8か月前
個人
テープ引出機
23日前
個人
楽ちんハンド
6か月前
個人
土嚢運搬器具
9か月前
個人
角筒状構造体
6か月前
個人
廃棄物収容容器
3か月前
個人
コード類収納具
9か月前
個人
棒状体収容容器
27日前
個人
閉塞装置
11か月前
個人
お薬の締結装置
7か月前
個人
包装容器
2か月前
株式会社和気
包装用箱
1か月前
個人
蓋閉止構造
5か月前
個人
蓋閉止構造
5か月前
個人
積み重ね用補助具
4か月前
個人
貯蔵サイロ
8か月前
株式会社和気
包装用箱
10か月前
個人
ゴミ処理機
10か月前
個人
把手付米袋
5か月前
株式会社バンダイ
物品
1か月前
株式会社コロナ
梱包材
6か月前
個人
袋入り即席麺
8か月前
株式会社KY7
封止装置
4か月前
個人
コード折り畳み器具
5か月前
続きを見る
他の特許を見る