TOP
|
特許
|
意匠
|
商標
特許ウォッチ
Twitter
他の特許を見る
10個以上の画像は省略されています。
公開番号
2025174634
公報種別
公開特許公報(A)
公開日
2025-11-28
出願番号
2024081113
出願日
2024-05-17
発明の名称
電池パック、アダプタ、及び電気機器
出願人
工機ホールディングス株式会社
代理人
個人
,
個人
主分類
H02J
7/00 20060101AFI20251120BHJP(電力の発電,変換,配電)
要約
【課題】通信の仕様が異なる複数の電気機器に対応可能な電池パック、当該電池パックを装着可能なアダプタ、及び、当該アダプタを介して前記電池パックを装着可能な電気機器を提供する。
【解決手段】電池パック100のV端子、LS端子、及びLD端子は、電池パック100が第1アダプタ200に装着された場合には電池パック100と第1アダプタ200との間の通信経路を構成し、電池パック100が第2アダプタ300に装着された場合には電池パック100と第2アダプタ300との間の通信経路を構成しない。電池パック100のT+端子及びD端子は、電池パック100が第1アダプタ200に装着された場合には電池パック100と第1アダプタ200との間の通信経路を構成せず、電池パック100が第2アダプタ300に装着された場合には電池パック100と第2アダプタ300との間の通信経路を構成する。
【選択図】図12
特許請求の範囲
【請求項1】
1つ又は複数の電池セルを有するセルユニットと、
第1電気機器の第1機器インタフェース、及び第2電気機器の第2機器インタフェースに択一的に接続可能な電池インタフェースと、
前記第1電気機器又は前記第2電気機器と通信可能に構成された制御部と、
を備える電池パックであって、
前記電池インタフェースは、
前記セルユニットに接続された電源端子と、
前記電池インタフェースが前記第1機器インタフェースに接続された場合には前記電池パックと前記第1電気機器との間の通信経路を構成し、前記電池インタフェースが前記第2機器インタフェースに接続された場合には前記電池パックと前記第2電気機器との間の通信経路を構成しない1つ又は複数の第1通信端子と、
前記電池インタフェースが前記第1機器インタフェースに接続された場合には前記電池パックと前記第1電気機器との間の通信経路を構成せず、前記電池インタフェースが前記第2機器インタフェースに接続された場合には前記電池パックと前記第2電気機器との間の通信経路を構成する1つ又は複数の第2通信端子と、
を有する、
ことを特徴とする電池パック。
続きを表示(約 1,600 文字)
【請求項2】
請求項1に記載の電池パックであって、
前記制御部は、
前記電池インタフェースに前記第1機器インタフェースが接続された状態で前記第1通信端子を介して前記第1電気機器と通信可能、かつ、前記電池インタフェースに前記第2機器インタフェースが接続されても前記第2電気機器と直接的に通信不能に構成された第1制御部と、
前記電池インタフェースに前記第2機器インタフェースが接続された状態で前記第2通信端子を介して前記第2電気機器と通信可能、かつ、前記電池インタフェースに前記第1機器インタフェースが接続されても前記第1電気機器と直接的に通信不能に構成された第2制御部と、
を有する、
ことを特徴とする電池パック。
【請求項3】
請求項2に記載の電池パックであって、
前記第1制御部は、前記電池インタフェースが前記第1機器インタフェースに接続された場合に対応する第1制御プログラムを有し、
前記第2制御部は、前記電池インタフェースが前記第2機器インタフェースに接続された場合に対応する第2制御プログラムを有する、
ことを特徴とする電池パック。
【請求項4】
請求項3に記載の電池パックであって、
前記第1制御部及び前記第2制御部はそれぞれ、前記電池インタフェースに前記第1機器インタフェース及び前記第2機器インタフェースのいずれが接続されているかにかかわらず前記第1制御プログラム及び前記第2制御プログラムを実行し、前記第1通信端子及び前記第2通信端子から通信信号を出力するよう構成される、
ことを特徴とする電池パック。
【請求項5】
請求項2に記載の電池パックであって、
前記第1制御部は、前記第2制御部と直接的に通信可能であり、前記第2制御部を介して間接的に前記第2電気機器と通信可能である、
ことを特徴とする電池パック。
【請求項6】
請求項2に記載の電池パックであって、
前記セルユニットは複数設けられ、
前記第1制御部は、前記複数のセルユニットの状態を直接的に監視するよう構成され、
前記第2制御部は、前記複数のセルユニットのうちの一つのセルユニットの状態を直接的に監視するよう構成される、
ことを特徴とする電池パック。
【請求項7】
請求項6に記載の電池パックであって、
前記第1制御部は、前記第2制御部と直接的に通信可能であり、
前記第2制御部は、前記一つのセルユニット以外のセルユニットの状態に関する情報を前記第1制御部から受信するよう構成される、
ことを特徴とする電池パック。
【請求項8】
請求項2に記載の電池パックであって、
前記第1制御部を搭載する第1基板と、
前記第2制御部を搭載し、前記第1基板と重なって配置される第2基板と、
を備える、
ことを特徴とする電池パック。
【請求項9】
請求項1に記載の電池パックであって、
前記制御部は、前記電池インタフェースに前記第1機器インタフェースが接続された状態で前記第1通信端子を介して前記第1電気機器と通信可能、かつ、前記電池インタフェースに前記第2機器インタフェースが接続された状態で前記第2通信端子を介して前記第2電気機器と通信可能に構成される、
ことを特徴とする電池パック。
【請求項10】
請求項9に記載の電池パックであって、
前記電池インタフェースが前記第1機器インタフェースに接続された場合に対応する第1制御プログラムと、
前記電池インタフェースが前記第2機器インタフェースに接続された場合に対応する第2制御プログラムと、を有する、
ことを特徴とする電池パック。
(【請求項11】以降は省略されています)
発明の詳細な説明
【技術分野】
【0001】
本発明は、電池パック、アダプタ、及び電気機器に関する。
続きを表示(約 3,600 文字)
【背景技術】
【0002】
特許文献1は、インタフェースの仕様が異なる電池パックと電気機器を接続するためのアダプタを開示する。特許文献2は、出力電圧を切替可能な電池パックと、その電池パックと電気機器の間に接続される延長用のアダプタを開示する。特許文献3は、一対の電源端子(充放電用端子33)と通信端子(温度検出用端子35、通信用端子36)を備えた電池パックを開示する。
【先行技術文献】
【特許文献】
【0003】
国際公開第2022/172776号
特許第7255252号公報
特開2001-143768号公報
【発明の概要】
【発明が解決しようとする課題】
【0004】
本発明の目的は、通信の仕様が異なる複数の電気機器に対応可能な電池パック、当該電池パックを装着可能なアダプタ、及び、当該アダプタを介して前記電池パックを装着可能な電気機器を提供することである。
【課題を解決するための手段】
【0005】
本発明のある態様は、
1つ又は複数の電池セルを有するセルユニットと、
第1電気機器の第1機器インタフェース、及び第2電気機器の第2機器インタフェースに択一的に接続可能な電池インタフェースと、
前記第1電気機器又は前記第2電気機器と通信可能に構成された制御部と、
を備える電池パックであって、
前記電池インタフェースは、
前記セルユニットに接続された電源端子と、
前記電池インタフェースが前記第1機器インタフェースに接続された場合には前記電池パックと前記第1電気機器との間の通信経路を構成し、前記電池インタフェースが前記第2機器インタフェースに接続された場合には前記電池パックと前記第2電気機器との間の通信経路を構成しない1つ又は複数の第1通信端子と、
前記電池インタフェースが前記第1機器インタフェースに接続された場合には前記電池パックと前記第1電気機器との間の通信経路を構成せず、前記電池インタフェースが前記第2機器インタフェースに接続された場合には前記電池パックと前記第2電気機器との間の通信経路を構成する1つ又は複数の第2通信端子と、
を有する、
ことを特徴とする電池パックである。
【0006】
本発明の別の態様は、
前記電池パックの前記電池インタフェースを接続可能な前記第1機器インタフェース又は前記第2機器インタフェースを備え、前記電池パックに直接接続できない第3電気機器又は第4電気機器と前記電池パックとの間に装着可能なアダプタであって、
前記電池パックの電源端子に接続される電池側電源端子と、
前記第3電気機器の第3機器電源端子に接続される第3機器側電源端子、又は、前記第4電機器の第4機器電源端子に接続される第4機器側電源端子と、
前記電池側電源端子と前記第3機器側電源端子とを接続する第1電源接続回路、又は、前記電池側電源端子と前記第4機器側電源端子とを接続する第2電源接続回路と、
前記第1通信端子に接続される第1電池側通信端子、又は、前記第2通信端子に接続される第2電池側通信端子と、
前記第3電気機器の第3機器通信端子に接続される第3機器側通信端子、又は、前記第4電気機器の第4機器通信端子に接続される第4機器側通信端子と、
前記第1電池側通信端子と前記第3機器側通信端子とを接続する第1通信接続回路、又は、前記第2電池側通信端子と前記第4機器側通信端子とを接続する第2通信接続回路と、
を備える、
ことを特徴とするアダプタである。
【0007】
本発明の別の態様は、
前記アダプタを介して前記電池パックを装着可能な電気機器であって、
前記第3機器電源端子又は前記第4機器電源端子と、
前記第3機器通信端子又は前記第4機器通信端子と、
前記第3機器通信端子又は前記第4機器通信端子を介して前記電池パックの前記制御部と通信可能に構成された機器制御部と、
前記第3機器電源端子又は前記第4機器電源端子に接続される負荷部と、
を備える、
ことを特徴とする電気機器である。
【発明の効果】
【0008】
本発明によれば、通信の仕様が異なる複数の電気機器に対応可能な電池パック、当該電池パックを装着可能なアダプタ、及び、当該アダプタを介して前記電池パックを装着可能な電気機器を提供することができる。
【図面の簡単な説明】
【0009】
実施形態に係るシステムの概要図。
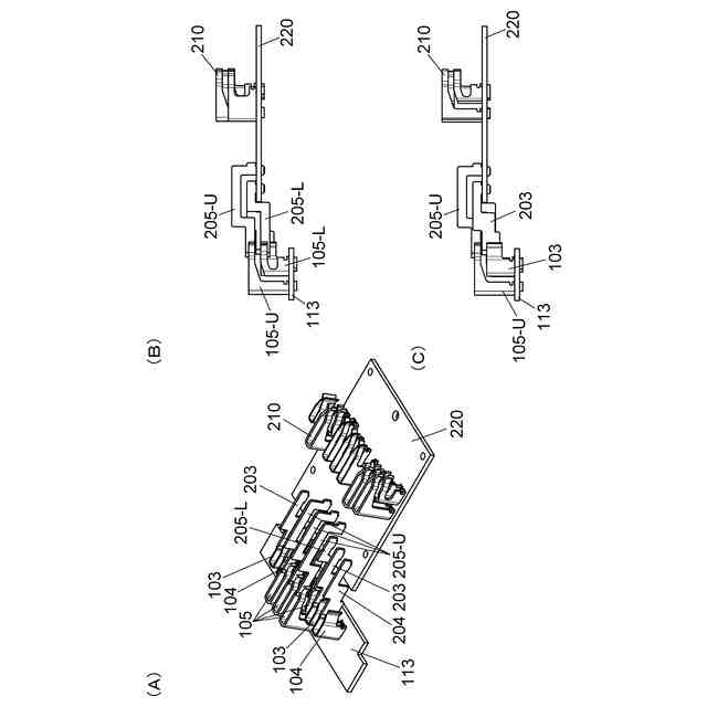
図1の電池パック100、第1アダプタ200、第2アダプタ300の相互分離状態の斜視図。
(A)は、電池パック100の斜視図。(B)は、電池ケース106を省略した電池パック100の斜視図。(C)は、電池ケース106を省略した電池パック100を図3(B)とは別方向から見た斜視図。(D)は、図3(B)の電池端子102の近傍を拡大した図。
(A)は、第1アダプタ200を上方から見た斜視図。(B)は、第1アダプタ200を下方から見た斜視図。(C)は、第1アダプタ200の背面図。(D)は、第1アダプタ200の背断面図であって、第1ラッチ部216の第1ラッチ操作部216aの位置で切断した背断面図。(E)は、第1アダプタ上ケース211aを省略した第1アダプタ200の平面図。
(A)は、第1アダプタ上ケース211aを省略した第1アダプタ200の斜視図。(B)は、第1アダプタ下ケース211bの斜視図。(C)は、第1アダプタ基板220、電池側端子206、及び機器側端子210の斜視図。(D)は、図5(C)に電池側端子支持部材235を追加した斜視図。(E)は、電池側端子支持部材235の組付け手順を示す斜視図。
(A)は、電池パック100と第1アダプタ200とを組み合わせた状態の斜視図。(B)は、同平面図。(C)は、図6(B)のG-G断面図。
(A)は、図6(C)のH-H断面図。(B)は、図6(C)のJ-J断面図。
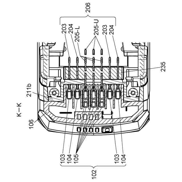
図6(C)のK-K断面図。
(A)は、電池パック100と第1アダプタ200の端子同士の接続を示す斜視図。(B)は、図9(A)の状態の右側断面図であって、図9(A)の右側の電源端子103、通信端子105の間で切断した右側断面図。(C)は、図9(A)の状態の右側断面図であって、図9(A)の右側の電源端子103、104の間で切断した右側断面図。
(A)は、第1アダプタ200を介して電池パック100と第3電気機器40とを接続した状態の側面図。(B)は、同側断面図。(C)は、同正面図。(D)は、第3電気機器40の下部の下方斜視図。(E)は、図8(B)のN-N断面図。
(A)は、第2アダプタ300を上方から見た斜視図。(B)は、第2アダプタ300を下方から見た斜視図。(C)は、上ケースを省略した第2アダプタ300の斜視図。(D)は、第2アダプタ300の接続先となる第4電気機器60の要部斜視図。
第1アダプタ200を介して電池パック100と第3電気機器40とを接続した状態の回路ブロック図。
第2アダプタ300を介して電池パック100と第4電気機器60とを接続した状態の回路ブロック図。
第1アダプタ200を介して電池パック100と第3電気機器30とを接続した状態の回路ブロック図。
第2アダプタ300を介して電池パック100と第4電気機器70とを接続した状態の回路ブロック図。
第1アダプタ200を介して電池パック100Aと第3電気機器40とを接続した状態の回路ブロック図。
第2アダプタ300を介して電池パック100Aと第4電気機器60とを接続した状態の回路ブロック図。
第1アダプタ200を介して電池パック100Aと第3電気機器30とを接続した状態の回路ブロック図。
第2アダプタ300を介して電池パック100Aと第4電気機器70とを接続した状態の回路ブロック図。
【発明を実施するための形態】
【0010】
本明細書において、インタフェースの仕様は、電池パック及び電気機器の相互接続に係るインタフェースの構成、例えば案内部の構成や端子構成等を特定するものである。電池パックと電気機器のインタフェースが共通の仕様で構成されている場合、これら電池パックと電気機器は互いに直接接続可能である。
(【0011】以降は省略されています)
この特許をJ-PlatPat(特許庁公式サイト)で参照する
関連特許
個人
高圧電気機器の開閉器
12日前
個人
電気を重力で発電装置
25日前
キヤノン電子株式会社
モータ
1か月前
キヤノン電子株式会社
モータ
24日前
コーセル株式会社
電源装置
1か月前
日星電気株式会社
ケーブル組立体
1か月前
トヨタ自動車株式会社
モータ
24日前
株式会社アイドゥス企画
減反モータ
12日前
株式会社デンソー
端子台
5日前
株式会社デンソー
回転機
1か月前
個人
二次電池繰返パルス放電器用印刷基板
1か月前
ローム株式会社
半導体集積回路
3日前
株式会社ミツバ
回転電機
1か月前
株式会社デンソー
電力変換装置
1か月前
矢崎総業株式会社
電源回路
11日前
株式会社日立製作所
回転電機
3日前
株式会社TMEIC
制御装置
4日前
株式会社デンソー
非接触受電装置
1か月前
矢崎総業株式会社
給電装置
4日前
トヨタ自動車株式会社
固定子の加熱装置
1か月前
大和ハウス工業株式会社
敷設用機器
4日前
トヨタ自動車株式会社
ステータの製造装置
25日前
日産自動車株式会社
ロータシャフト
19日前
山洋電気株式会社
モータ
1か月前
ローム株式会社
モータドライバ回路
19日前
個人
非対称鏡像力を有する4層PWB電荷搬送体
19日前
日産自動車株式会社
ロータシャフト
19日前
株式会社土井製作所
ケーブル保護管路
3日前
株式会社マキタ
電動作業機
1か月前
株式会社TMEIC
電力変換装置
1か月前
株式会社TMEIC
電力変換装置
4日前
個人
電線盗難防止方法及び電線盗難防止装置
1か月前
株式会社明治ゴム化成
ワイヤレス給電用部品
1か月前
トヨタ自動車株式会社
可変界磁ロータ
27日前
京商株式会社
模型用非接触電力供給システム
12日前
株式会社アイシン
電力変換装置
24日前
続きを見る
他の特許を見る