TOP
|
特許
|
意匠
|
商標
特許ウォッチ
Twitter
他の特許を見る
公開番号
2025174169
公報種別
公開特許公報(A)
公開日
2025-11-28
出願番号
2024080282
出願日
2024-05-16
発明の名称
電池モジュール
出願人
矢崎総業株式会社
代理人
弁理士法人虎ノ門知的財産事務所
主分類
H01M
50/298 20210101AFI20251120BHJP(基本的電気素子)
要約
【課題】板部材に対するケースの組み付け作業を効率化できる電池モジュールを提供する。
【解決手段】電池モジュール1は、並べて配置される複数の電池セル2に接続される配索材を収容するケース4と、複数の電池セルの端部に配置され、ケースを支持する板部材3と、を備え、板部材におけるケースと対向する側面31には、ロック穴32およびガイド穴33が並んで設けられており、ケースは、配索材を収容する本体40と、本体から突出している係合突起42およびガイド突起43と、を有し、係合突起は、ロック穴に挿入されて板部材と係合し、ガイド突起は、ガイド穴に挿入されて係合突起をロック穴に導き、かつ係合突起よりも長い。
【選択図】図6
特許請求の範囲
【請求項1】
並べて配置される複数の電池セルに接続される配索材を収容するケースと、
複数の前記電池セルの端部に配置され、前記ケースを支持する板部材と、
を備え、
前記板部材における前記ケースと対向する側面には、ロック穴およびガイド穴が並んで設けられており、
前記ケースは、前記配索材を収容する本体と、前記本体から突出している係合突起およびガイド突起と、を有し、
前記係合突起は、前記ロック穴に挿入されて前記板部材と係合し、
前記ガイド突起は、前記ガイド穴に挿入されて前記係合突起を前記ロック穴に導き、かつ前記係合突起よりも長い
ことを特徴とする電池モジュール。
続きを表示(約 310 文字)
【請求項2】
前記ガイド突起の先端部の形状は、前記本体から遠ざかるに従って細くなる先細り形状である
請求項1に記載の電池モジュール。
【請求項3】
前記ロック穴および前記ガイド穴は、前記板部材における上下方向に延在する前記側面に設けられ、かつ上下方向に並んでおり、
前記ロック穴は、前記ガイド穴に対して上側に位置し、
前記ケースは、前記電池セルにおける上下方向の側面と対向させて配置される
請求項1に記載の電池モジュール。
【請求項4】
前記ガイド突起の形状は、前記係合突起と対向する平面を有する形状である
請求項3に記載の電池モジュール。
発明の詳細な説明
【技術分野】
【0001】
本発明は、電池モジュールに関する。
続きを表示(約 1,700 文字)
【背景技術】
【0002】
従来、複数の電池を有するモジュールがある。特許文献1には、電池集合体と、この電池集合体の両側面に取り付けられる一対のバスバモジュールと、で構成される電源装置が開示されている。このバスバモジュールは、複数の電池を直列に接続する複数のバスバと、各バスバに接続される電圧検出用端子と、一対の電源用端子と、これらを収容するケースと、を備える。
【先行技術文献】
【特許文献】
【0003】
特開2014-093218号公報
【発明の概要】
【発明が解決しようとする課題】
【0004】
複数の電池セルの端部に配置される板部材に対してケースを固定する場合に、板部材に対するケースの組み付け作業を効率化できることが望ましい。
【0005】
本発明の目的は、板部材に対するケースの組み付け作業を効率化できる電池モジュールを提供することである。
【課題を解決するための手段】
【0006】
本発明の電池モジュールは、並べて配置される複数の電池セルに接続される配索材を収容するケースと、複数の前記電池セルの端部に配置され、前記ケースを支持する板部材と、を備え、前記板部材における前記ケースと対向する側面には、ロック穴およびガイド穴が並んで設けられており、前記ケースは、前記配索材を収容する本体と、前記本体から突出している係合突起およびガイド突起と、を有し、前記係合突起は、前記ロック穴に挿入されて前記板部材と係合し、前記ガイド突起は、前記ガイド穴に挿入されて前記係合突起を前記ロック穴に導き、かつ前記係合突起よりも長いことを特徴とする。
【発明の効果】
【0007】
本発明に係る電池モジュールにおいて、板部材におけるケースと対向する側面には、ロック穴およびガイド穴が並んで設けられており、ケースは、配索材を収容する本体と、本体から突出している係合突起およびガイド突起と、を有する。係合突起は、ロック穴に挿入されて板部材と係合し、ガイド突起は、ガイド穴に挿入されて係合突起をロック穴に導き、かつ係合突起よりも長い。本発明に係る電池モジュールによれば、ガイド穴に対するガイド突起の挿入が容易であり、板部材に対するケースの組み付け作業を効率化できるという効果を奏する。
【図面の簡単な説明】
【0008】
図1は、実施形態に係る電池モジュールおよび電池パックを示す図である。
図2は、実施形態に係る電池モジュールの斜視図である。
図3は、実施形態に係るケースの斜視図である。
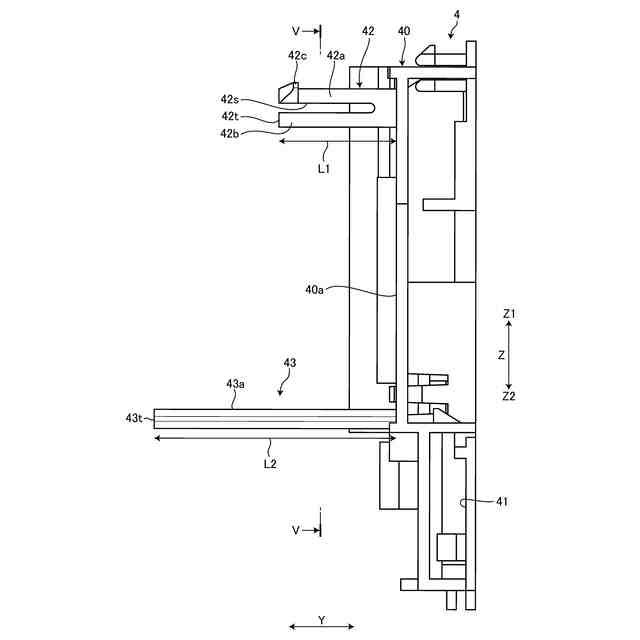
図4は、実施形態に係るケースの側面図である。
図5は、実施形態に係るケースの断面図である。
図6は、実施形態に係る電池モジュールの斜視図である。
図7は、実施形態に係る電池モジュールの側面図である。
図8は、実施形態に係るガイド突起の一例を示す図である。
【発明を実施するための形態】
【0009】
以下に、本発明の実施形態に係る電池モジュールにつき図面を参照しつつ詳細に説明する。なお、この実施形態によりこの発明が限定されるものではない。また、下記の実施形態における構成要素には、当業者が容易に想定できるものあるいは実質的に同一のものが含まれる。
【0010】
[実施形態]
図1から図8を参照して、実施形態について説明する。本実施形態は、電池モジュールに関する。図1は、実施形態に係る電池モジュールおよび電池パックを示す図、図2は、実施形態に係る電池モジュールの斜視図、図3は、実施形態に係るケースの斜視図、図4は、実施形態に係るケースの側面図、図5は、実施形態に係るケースの断面図、図6は、実施形態に係る電池モジュールの斜視図、図7は、実施形態に係る電池モジュールの側面図、図8は、実施形態に係るガイド突起の一例を示す図である。図5には、図4のV-V断面が示されている。
(【0011】以降は省略されています)
この特許をJ-PlatPat(特許庁公式サイト)で参照する
関連特許
矢崎総業株式会社
端子
1か月前
矢崎総業株式会社
端子
今日
矢崎総業株式会社
箱状体
24日前
矢崎総業株式会社
箱状体
24日前
矢崎総業株式会社
箱状体
24日前
矢崎総業株式会社
箱状体
1か月前
矢崎総業株式会社
箱状体
1か月前
矢崎総業株式会社
コネクタ
1か月前
矢崎総業株式会社
コネクタ
2か月前
矢崎総業株式会社
コネクタ
1か月前
矢崎総業株式会社
コネクタ
1か月前
矢崎総業株式会社
コネクタ
23日前
矢崎総業株式会社
接続構造
24日前
矢崎総業株式会社
電源回路
8日前
矢崎総業株式会社
照明装置
1か月前
矢崎総業株式会社
コネクタ
1か月前
矢崎総業株式会社
コネクタ
1か月前
矢崎総業株式会社
コネクタ
8日前
矢崎総業株式会社
コネクタ
1か月前
矢崎総業株式会社
コネクタ
9日前
矢崎総業株式会社
コネクタ
8日前
矢崎総業株式会社
コネクタ
1日前
矢崎総業株式会社
照明構造
1か月前
矢崎総業株式会社
コネクタ
1か月前
矢崎総業株式会社
コネクタ
1か月前
矢崎総業株式会社
報知装置
1か月前
矢崎総業株式会社
バスバー
1か月前
矢崎総業株式会社
コネクタ
1か月前
矢崎総業株式会社
コネクタ
今日
矢崎総業株式会社
コネクタ
今日
矢崎総業株式会社
照明装置
1か月前
矢崎総業株式会社
コネクタ
1か月前
矢崎総業株式会社
コネクタ
2か月前
矢崎総業株式会社
コネクタ
23日前
矢崎総業株式会社
コネクタ
1か月前
矢崎総業株式会社
照明装置
1か月前
続きを見る
他の特許を見る