TOP
|
特許
|
意匠
|
商標
特許ウォッチ
Twitter
他の特許を見る
10個以上の画像は省略されています。
公開番号
2025170176
公報種別
公開特許公報(A)
公開日
2025-11-14
出願番号
2025154366,2022025935
出願日
2025-09-17,2022-02-22
発明の名称
炊飯器
出願人
パナソニックIPマネジメント株式会社
代理人
個人
,
個人
主分類
A47J
27/00 20060101AFI20251107BHJP(家具;家庭用品または家庭用設備;コーヒーひき;香辛料ひき;真空掃除機一般)
要約
【課題】本開示は、米の食味を良好に維持することができる炊飯器を提供する。
【解決手段】本開示における炊飯器は、米及び水が収容される容器と、容器を加熱する加熱部と、容器に収容された水を容器に収容された米に吸水させる吸水工程、及び加熱部を制御して吸水工程において米に吸水されずに容器に残存する残水を沸騰させる沸騰維持工程を含む炊飯工程を行う制御部と、を備える。制御部は、米の素性を表す素性情報と、米の保管状態を表す保管情報とを取得し、沸騰維持工程の開始時における残水の残水量を容器に収容された米の量に応じて予め設定された設定範囲内とするための制御値を、容器に収容された米の量と、素性情報と、保管情報とに基づいて決定する。
【選択図】図5
特許請求の範囲
【請求項1】
米及び水が収容される容器と、
前記容器を加熱する加熱部と、
前記容器に収容された水を前記容器に収容された米に吸水させる吸水工程、及び前記加熱部を制御して前記吸水工程において米に吸水されずに前記容器に残存する残水を沸騰させる沸騰維持工程を含む炊飯工程を行う制御部と、を備え、
前記制御部は、
米の保管状態を表す保管情報を取得し、
前記沸騰維持工程の開始時における前記残水の残水量を前記容器に収容された米の量に応じて予め設定された設定範囲内とするための制御値を、前記容器に収容された米の量と、前記保管情報とに基づいて決定する炊飯器。
続きを表示(約 710 文字)
【請求項2】
前記制御値は、前記吸水工程の実行時間を含む請求項1に記載の炊飯器。
【請求項3】
前記保管情報は、米に含まれる水分の含量を含み、
前記制御部は、前記水分の含量が多いほど、前記吸水工程の前記実行時間を長くする請求項2に記載の炊飯器。
【請求項4】
前記保管情報は、米の銘柄に応じた水分の含量と、米の実際の水分の含量との差分含水量を含み、
前記制御部は、前記差分含水量が少ないほど、前記吸水工程の前記実行時間を長くする請求項2または3に記載の炊飯器。
【請求項5】
前記容器に収容された水の温度を検知する水温検知部を更に備え、
前記制御値は、前記吸水工程における前記容器に収容された水の水温を含み、
前記制御部は、前記吸水工程において、前記加熱部を制御して、前記容器に収容された水を前記水温とする請求項1または2に記載の炊飯器。
【請求項6】
前記保管情報は、米に含まれる水分の含量を含み、
前記制御部は、前記水分の含量が多いほど、前記水温を高くする請求項5に記載の炊飯器。
【請求項7】
前記保管情報は、米の銘柄に応じた水分の含量と、米の実際の水分の含量との差分含水量を含み、
前記制御部は、前記差分含水量が少ないほど、前記水温を高くする請求項5に記載の炊飯器。
【請求項8】
外部との通信機能を有する通信部を更に備え、
前記制御部は、前記炊飯器とは別体で計測された前記保管情報を、前記通信部を介して取得する請求項1から7のいずれか1項に記載の炊飯器。
発明の詳細な説明
【技術分野】
【0001】
本発明は、炊飯器に関する。
続きを表示(約 1,400 文字)
【背景技術】
【0002】
米に十分な吸水をさせることができず米飯に芯が残るという技術問題を解決するための炊飯器が、特許文献1に開示されている。特許文献1に開示された炊飯器では、吸水段階において、炊飯器内の米のアミロース含量が設定アミロース含量以下であり且つ蛋白質含量が設定蛋白質含量以下である場合、米が十分に吸水するように、第1設定加熱パワーで加熱するよう炊飯器の加熱体が制御される。これにより、前記の技術問題の解決が図られている。
【先行技術文献】
【特許文献】
【0003】
特許第6846358号公報
【発明の概要】
【発明が解決しようとする課題】
【0004】
本開示は、米の食味を良好に維持することができる炊飯器を提供することを目的とする。
【課題を解決するための手段】
【0005】
本開示の一態様の炊飯器は、
米及び水が収容される容器と、
前記容器を加熱する加熱部と、
前記容器に収容された水を前記容器に収容された米に吸水させる吸水工程、及び前記加熱部を制御して前記吸水工程において米に吸水されずに前記容器に残存する残水を沸騰させる沸騰維持工程を含む炊飯工程を行う制御部と、を備え、
前記制御部は、
米の素性を表す素性情報と、米の保管状態を表す保管情報とを取得し、
前記沸騰維持工程の開始時における前記残水の残水量を前記容器に収容された米の量に応じて予め設定された設定範囲内とするための制御値を、前記容器に収容された米の量と、前記素性情報と、前記保管情報とに基づいて決定する。
【発明の効果】
【0006】
本開示によれば、米の食味を良好に維持することができる。
【図面の簡単な説明】
【0007】
本開示に係る実施の形態1の炊飯器の斜視図。
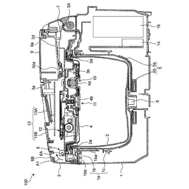
図1のA-A断面を示す模式断面図。
炊飯器のハードウェア構成を例示するブロック図。
補正用テーブルを模式的に示す図。
炊飯工程の一例を示すフローチャート。
炊飯工程における鍋内の温度、加熱部の電力量、鍋内の圧力、及び圧力弁の開閉状態の関係を示すグラフ。
米包装袋を模式的に示す図。
本開示に係る実施の形態2の炊飯器と米保管器とを模式的に示す図。
本開示に係る実施の形態2の炊飯器と米計量器とを模式的に示す図。
【発明を実施するための形態】
【0008】
(本開示に至った経緯)
米飯の食味を向上させる手段の一つは、吸水工程の終了時(次の工程である沸騰維持工程の開始時)において、容器内に残存する水量(米に吸水されていない水量)が適量とされることである。
【0009】
しかし、特許文献1に開示された炊飯器のように、米のアミロース含量及び蛋白質含量だけで米の吸水が十分であるか否かが判断される場合、以下に詳述するように、炊飯された米飯の食味向上効果が低くなるおそれがある。
【0010】
アミロース含量は、米の遺伝要素等によって変化する。蛋白質含量は、米に付与された肥料の量等によって変化する。つまり、アミロース含量及び蛋白質含量は、米の素性に由来する。しかし、米の吸水特性は、米の素性のみでなく、米の保管状態によっても変化する。
(【0011】以降は省略されています)
この特許をJ-PlatPat(特許庁公式サイト)で参照する
関連特許
個人
箸
1か月前
個人
椅子
2か月前
個人
家具
4か月前
個人
掃除機
8か月前
個人
自助箸
7か月前
個人
枕
8か月前
個人
掃除用具
3か月前
個人
ソファー
2か月前
個人
枕
5か月前
個人
屋外用箒
7か月前
個人
多用途紐
1か月前
個人
体洗い具
10か月前
個人
耳拭き棒
11か月前
個人
ハンガー
7か月前
個人
掃除道具
8か月前
個人
物品
3か月前
個人
片手代替具
11か月前
個人
掃除シート
9か月前
個人
開閉トング
6か月前
個人
組立式棚板
7か月前
個人
省煙消臭器
8か月前
個人
エコ掃除機
12か月前
個人
バターナイフ
1か月前
個人
洗面台
10か月前
個人
転倒防止装置
5か月前
個人
ゴミ袋保持枠
7か月前
個人
受け皿
5か月前
個人
紙コップ 蓋
2か月前
個人
シャワー装置
6か月前
個人
経典表示装置
4か月前
個人
靴ベラ
2か月前
個人
中身のない枕
7か月前
個人
首支持具
3か月前
個人
コーナーシール
9か月前
個人
矯正用枕
4か月前
個人
補助寝具
8か月前
続きを見る
他の特許を見る