TOP
|
特許
|
意匠
|
商標
特許ウォッチ
Twitter
他の特許を見る
公開番号
2025167928
公報種別
公開特許公報(A)
公開日
2025-11-07
出願番号
2024072950
出願日
2024-04-26
発明の名称
スパッタリングターゲット及びスパッタリングターゲット組立品
出願人
JX金属株式会社
代理人
アクシス国際弁理士法人
主分類
C23C
14/34 20060101AFI20251030BHJP(金属質材料への被覆;金属質材料による材料への被覆;化学的表面処理;金属質材料の拡散処理;真空蒸着,スパッタリング,イオン注入法,または化学蒸着による被覆一般;金属質材料の防食または鉱皮の抑制一般)
要約
【課題】製造工程におけるクラックや割れの発生を良好に抑制することができるスパッタリングターゲット及びスパッタリングターゲット組立品を提供する。
【解決手段】(1)Feと、(2)Ptと、(3)Ag、Au、B、Co、Cr、Cu、Ga、Ge、Mn、Mo、Nb、Ni、Pd、Re、Rh、Ru、Si、Sn、Ta、W、V、Znから選択されるいずれか一種以上の元素と、(4)残部と、を有し、
(1)Feと(2)Ptとの原子数比が34~55at%であり、
(1)Feと(2)Ptとの合計濃度が50mol%以上であり、
(3)の元素の含有率が合計で0.5~15mol%であり、
(4)の残部が酸化物であり、不純物を選択的に含んでもよく、酸化物の体積率が40vol.%以上であり、
曲げ強度が300MPa以上である、スパッタリングターゲット。
【選択図】なし
特許請求の範囲
【請求項1】
(1)Feと、(2)Ptと、(3)Ag、Au、B、Co、Cr、Cu、Ga、Ge、Mn、Mo、Nb、Ni、Pd、Re、Rh、Ru、Si、Sn、Ta、W、V、Znから選択されるいずれか一種以上の元素と、(4)残部と、を有し、
前記(1)Feと前記(2)Ptとの原子数比が34~55at%であり、
前記(1)Feと前記(2)Ptとの合計濃度が50mol%以上であり、
前記(3)の元素の含有率が合計で0.5~15mol%であり、
前記(4)の残部が酸化物であり、不純物を選択的に含んでもよく、前記酸化物の体積率が40vol.%以上であり、
曲げ強度が300MPa以上である、スパッタリングターゲット。
続きを表示(約 310 文字)
【請求項2】
前記酸化物がSiの酸化物を含有する、請求項1に記載のスパッタリングターゲット。
【請求項3】
前記酸化物が更にAl、B、Ba、Be、Ca、Ce、Cr、Dy、Er、Eu、Ga、Gd、Ho、Li、Mg、Mn、Nb、Nd、Pr、Sc、Sm、Sr、Ta、Tb、Ti、V、Y、Zn、Zrから選択される元素の酸化物をいずれか一種以上含有する、請求項2に記載のスパッタリングターゲット。
【請求項4】
請求項1~3のいずれか一項に記載のスパッタリングターゲットと、
前記スパッタリングターゲットに接合されたバッキングプレートと、
を備えた、スパッタリングターゲット組立品。
発明の詳細な説明
【技術分野】
【0001】
本発明はスパッタリングターゲット及びスパッタリングターゲット組立品に関するものであり、主に、HDDの膜の製造向けのスパッタリングターゲットに関するものである。
続きを表示(約 1,900 文字)
【背景技術】
【0002】
垂直磁気記録方式を採用するハードディスクドライブ(HDD)を構成する層には、例えば、強磁性金属であるCo、Fe、Niをベースとした材料が用いられており、記録層には、CoやFeを主成分とするCo-Cr系、Co-Pt系、Co-Cr-Pt系、Fe-Pt系などの強磁性合金と非磁性の無機材料からなる複合材料が多く用いられている。このようなハードディスクドライブなどの磁気記録媒体の薄膜は、生産性の高さから、上記の材料を成分とするスパッタリングターゲットをスパッタリングして作製されることが多い。
【0003】
スパッタリングターゲットの製造は、一般に、まず、原材料の粉末を粉砕し混合して得られた混合物を、ホットプレスすることにより焼結体を得る。この後、焼結体の密度向上のために、HIP(Hot Isostatic Pressing:熱間等方圧加圧)加工を施すことがある。このようにして得られた焼結体を旋盤により加工し、所定の形状のターゲットを製造している(特許文献1、2)。
【先行技術文献】
【特許文献】
【0004】
特許第6030271号公報
特許第6305881号公報
【発明の概要】
【発明が解決しようとする課題】
【0005】
上述のように、HDDの記録層としてFe-Pt系などの強磁性合金と非磁性の無機材料からなる複合材料が有用であることは上述した通りである。しかしながら、このような記録層の作製のために、スパッタリングターゲットとして、Fe及びPtを含む母材金属に酸化物が分散した組織を有する焼結体を製造する際、当該組成を有する焼結体は比較的脆く、製造工程でクラックや割れが発生する問題がある。
【0006】
そこで、本発明の実施形態は、製造工程におけるクラックや割れの発生を良好に抑制することができるスパッタリングターゲット及びスパッタリングターゲット組立品を提供することを課題とする。
【課題を解決するための手段】
【0007】
上記課題は、以下のように特定される本発明によって解決される。
1.(1)Feと、(2)Ptと、(3)Ag、Au、B、Co、Cr、Cu、Ga、Ge、Mn、Mo、Nb、Ni、Pd、Re、Rh、Ru、Si、Sn、Ta、W、V、Znから選択されるいずれか一種以上の元素と、(4)残部と、を有し、
前記(1)Feと前記(2)Ptとの原子数比が34~55at%であり、
前記(1)Feと前記(2)Ptとの合計濃度が50mol%以上であり、
前記(3)の元素の含有率が合計で0.5~15mol%であり、
前記(4)の残部が酸化物であり、不純物を選択的に含んでもよく、前記酸化物の体積率が40vol.%以上であり、
曲げ強度が300MPa以上である、スパッタリングターゲット。
2.前記酸化物がSiの酸化物を含有する、前記1に記載のスパッタリングターゲット。
3.前記酸化物が更にAl、B、Ba、Be、Ca、Ce、Cr、Dy、Er、Eu、Ga、Gd、Ho、Li、Mg、Mn、Nb、Nd、Pr、Sc、Sm、Sr、Ta、Tb、Ti、V、Y、Zn、Zrから選択される元素の酸化物をいずれか一種以上含有する、前記2に記載のスパッタリングターゲット。
4.前記1~3のいずれかに記載のスパッタリングターゲットと、
前記スパッタリングターゲットに接合されたバッキングプレートと、
を備えた、スパッタリングターゲット組立品。
【発明の効果】
【0008】
本発明の実施形態によれば、製造工程におけるクラックや割れの発生を良好に抑制することができるスパッタリングターゲット及びスパッタリングターゲット組立品を提供することができる。
【発明を実施するための形態】
【0009】
次に本発明を実施するための形態を詳細に説明する。本発明は以下の実施形態に限定されるものではなく、本発明の趣旨を逸脱しない範囲で、当業者の通常の知識に基づいて、適宜設計の変更、改良等が加えられることが理解されるべきである。
【0010】
<スパッタリングターゲット>
本発明の実施形態に係るスパッタリングターゲットの形状としては特に限定されないが、平板状(円盤状や矩形板状を含む)、円筒状であってもよく、その他、任意の形状であってもよい。
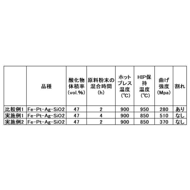
(【0011】以降は省略されています)
この特許をJ-PlatPat(特許庁公式サイト)で参照する
関連特許
JX金属株式会社
分配器及び分配装置
1か月前
JX金属株式会社
低α線酸化ビスマス
今日
JX金属株式会社
錫電解沈殿物の処理方法
15日前
JX金属株式会社
炭素被覆金属粉末及びペースト
23日前
JX金属株式会社
電着金属の搬送システム及び搬送方法
1か月前
JX金属株式会社
金属積層体、及び多層回路基板の製造方法
1か月前
JX金属株式会社
磁性材ターゲット及び磁性材ターゲット組立品
1か月前
JX金属株式会社
磁性材ターゲット及び磁性材ターゲット組立品
1か月前
JX金属株式会社
磁性材ターゲット及び磁性材ターゲット組立品
1か月前
JX金属株式会社
磁性材ターゲット及び磁性材ターゲット組立品
1か月前
JX金属株式会社
磁性材ターゲット及び磁性材ターゲット組立品
1か月前
JX金属株式会社
処理対象物の分配方法及び処理対象物の回収方法
1か月前
JX金属株式会社
リン化インジウム基板及び半導体エピタキシャルウエハ
1か月前
JX金属株式会社
スパッタリングターゲット及びスパッタリングターゲット組立品
28日前
JX金属株式会社
スパッタリングターゲット及びスパッタリングターゲット組立品
28日前
JX金属株式会社
スパッタリングターゲット及びスパッタリングターゲット組立品
28日前
JX金属株式会社
スパッタリングターゲット及びスパッタリングターゲット組立品
28日前
JX金属株式会社
銅粉、ペースト、低温同時焼成セラミックス基板を製造する方法及び、積層セラミックコンデンサを製造する方法
1か月前
個人
フッ素樹脂塗装鋼板の保管方法
4か月前
株式会社京都マテリアルズ
めっき部材
2か月前
株式会社カネカ
製膜装置
2か月前
株式会社カネカ
製膜装置
2か月前
トヨタ自動車株式会社
治具
1か月前
株式会社KSマテリアル
防錆組成物
4か月前
株式会社三愛工業所
アルミニウム材
6か月前
株式会社オプトラン
蒸着装置
7か月前
日本化学産業株式会社
複合めっき皮膜
4か月前
エドワーズ株式会社
真空排気システム
1か月前
中外炉工業株式会社
真空浸炭装置
8か月前
台灣晶技股ふん有限公司
無電解めっき法
3か月前
中外炉工業株式会社
真空浸炭装置
8か月前
東京エレクトロン株式会社
成膜方法
2か月前
日東電工株式会社
積層体の製造方法
6か月前
株式会社カネカ
気化装置及び製膜装置
1か月前
JFEスチール株式会社
鋼部品
4か月前
DOWAサーモテック株式会社
浸炭方法
7か月前
続きを見る
他の特許を見る