TOP
|
特許
|
意匠
|
商標
特許ウォッチ
Twitter
他の特許を見る
公開番号
2025161429
公報種別
公開特許公報(A)
公開日
2025-10-24
出願番号
2024064602
出願日
2024-04-12
発明の名称
電線温度推定装置
出願人
ダイハツ工業株式会社
代理人
弁理士法人酒井国際特許事務所
主分類
H02P
29/60 20160101AFI20251017BHJP(電力の発電,変換,配電)
要約
【課題】車両電源の起動時の電線温度を算出することにより、起動後の電線温度推定の精度を向上できる電線温度推定装置を提供することである。
【解決手段】電線温度推定装置は、例えば、車両電源の電流値に基づいて電線温度を推定する制御部を備え、制御部は、車両電源の停止時の電線温度と、車両電源の停止から起動までの経過時間と、を取得し、車両電源の停止時の電線温度と、経過時間を用いて算出される電線の放熱量と、に基づいて車両電源の起動時の電線温度を算出し、算出した算出温度を初期温度に設定し、初期温度に基づいて、車両電源の起動後の電線温度を推定する。
【選択図】図3
特許請求の範囲
【請求項1】
車両電源の電流値に基づいて電線温度を推定する制御部を備え、
前記制御部は、
前記車両電源の停止時の前記電線温度と、前記車両電源の停止から起動までの経過時間と、を取得し、
前記車両電源の停止時の前記電線温度と、前記経過時間を用いて算出される電線の放熱量と、に基づいて前記車両電源の起動時の前記電線温度を算出し、
算出した算出温度を初期温度に設定し、
前記初期温度に基づいて、前記車両電源の起動後の前記電線温度を推定する、
電線温度推定装置。
続きを表示(約 240 文字)
【請求項2】
前記制御部は、前記算出温度が所定温度未満の場合、前記所定温度を前記初期温度とする、
請求項1に記載の電線温度推定装置。
【請求項3】
前記放熱量は、前記電線の特性に応じて設定される、
請求項1に記載の電線温度推定装置。
【請求項4】
前記制御部は、前記算出温度が第2所定温度以上の場合、前記電線に流れる電流を所定時間が経過するまで所定値以下または停止させる、
請求項1に記載の電線温度推定装置。
発明の詳細な説明
【技術分野】
【0001】
本発明は、電線温度推定装置に関する。
続きを表示(約 1,300 文字)
【背景技術】
【0002】
従来、電線に流れる電流及び半導体ヒューズの推定温度により、電線に流れる電流が過電流であるか否かを推定し、過電流であると判定された場合、半導体ヒューズによって電流を制御するまたは遮断することが開示されている。
【先行技術文献】
【特許文献】
【0003】
特開2022-103897号公報
【発明の概要】
【発明が解決しようとする課題】
【0004】
しかしながら、電線に流れる電流及び半導体ヒューズの推定温度により判定を行うため、起動時の電線温度は考慮されていない。そのため、起動するタイミングによっては電線の実温度と推定温度との間に差が生じるため、温度判定時の電線の実温度と推定温度との乖離が発生する可能性がある。
【0005】
本発明の目的は、車両電源の起動時の電線の温度を算出することにより、車両電源の起動後の電線の温度推定の精度を向上できる電線温度推定装置を提供することである。
【課題を解決するための手段】
【0006】
上述の目的を達成するため、本発明に係る電線温度推定装置は、車両電源の電流値に基づいて電線温度を推定する制御部を備え、当該制御部は、車両電源の停止時の電線温度と、車両電源の停止から起動までの経過時間と、を取得し、車両電源の停止時の電線温度と、経過時間を用いて算出される電線の放熱量と、に基づいて車両電源の起動時の電線温度を算出し、算出した算出温度を初期温度に設定し、初期温度に基づいて、車両電源の起動後の電線温度を推定する。
【発明の効果】
【0007】
本発明によれば、電線温度を推定するときに、車両電源の起動時の初期温度を算出することができるため、車両電源の起動後の温度推定の精度を向上できる。
【図面の簡単な説明】
【0008】
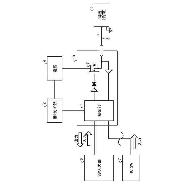
図1は、本発明の一実施形態に係る電線温度推定装置が適用される車両の構成の一例を示すブロック図である。
図2は、本発明の一実施形態に係る電線温度推定装置における制御処理の一例を説明するためのタイミングチャートである。
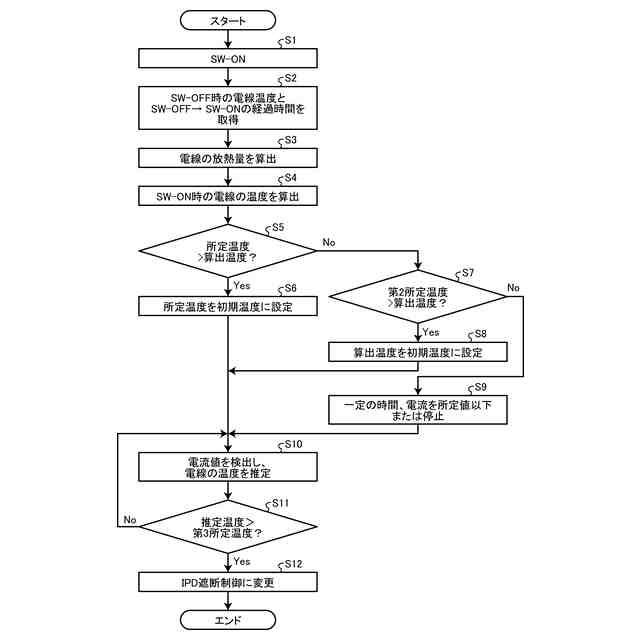
図3は、本発明の一実施形態に係る電線温度推定装置における制御処理の一例を説明するためのフローチャートである。
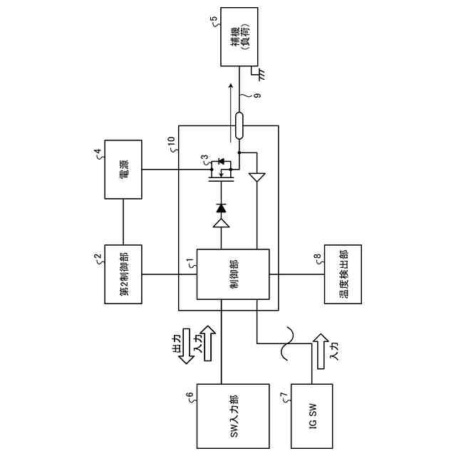
図4は、本発明の第2実施形態に係る電線温度推定装置が適用される車両の構成の一例を示すブロック図である。
【発明を実施するための形態】
【0009】
以下では、本発明の実施の形態について、添付図面を参照しつつ詳細に説明する。
【0010】
図1は、本発明の一実施形態に係る電線温度推定装置10が適用される車両の構成の一例を示すブロック図である。図1に示した様に、電線温度推定装置10は、制御部1と、第2制御部2と、IPD(Intelligent Power Device)3と、電源4と、補機(負荷)5と、SW(スイッチ)入力部6と、IG(イグニッション)スイッチ7及び、電線9等を備える。
(【0011】以降は省略されています)
この特許をJ-PlatPat(特許庁公式サイト)で参照する
関連特許
個人
高圧電気機器の開閉器
10日前
個人
電気を重力で発電装置
23日前
キヤノン電子株式会社
モータ
1か月前
キヤノン電子株式会社
モータ
22日前
日星電気株式会社
ケーブル組立体
1か月前
コーセル株式会社
電源装置
1か月前
株式会社アイドゥス企画
減反モータ
10日前
トヨタ自動車株式会社
モータ
22日前
株式会社デンソー
端子台
3日前
個人
二次電池繰返パルス放電器用印刷基板
1か月前
株式会社デンソー
電力変換装置
1か月前
ローム株式会社
半導体集積回路
1日前
株式会社ミツバ
回転電機
1か月前
矢崎総業株式会社
電源回路
9日前
株式会社デンソー
非接触受電装置
1か月前
トヨタ自動車株式会社
固定子の加熱装置
1か月前
矢崎総業株式会社
給電装置
2日前
株式会社日立製作所
回転電機
1日前
株式会社TMEIC
制御装置
2日前
日産自動車株式会社
ロータシャフト
17日前
日産自動車株式会社
ロータシャフト
17日前
トヨタ自動車株式会社
ステータの製造装置
23日前
個人
非対称鏡像力を有する4層PWB電荷搬送体
17日前
大和ハウス工業株式会社
敷設用機器
2日前
ローム株式会社
モータドライバ回路
17日前
山洋電気株式会社
モータ
1か月前
株式会社TMEIC
電力変換装置
1か月前
株式会社アイシン
電力変換装置
22日前
株式会社マキタ
電動作業機
1か月前
トヨタ自動車株式会社
可変界磁ロータ
25日前
株式会社明治ゴム化成
ワイヤレス給電用部品
1か月前
個人
電線盗難防止方法及び電線盗難防止装置
1か月前
トヨタ紡織株式会社
ロータの製造装置
1か月前
株式会社土井製作所
ケーブル保護管路
1日前
株式会社TMEIC
電力変換装置
2日前
京商株式会社
模型用非接触電力供給システム
10日前
続きを見る
他の特許を見る