TOP
|
特許
|
意匠
|
商標
特許ウォッチ
Twitter
他の特許を見る
10個以上の画像は省略されています。
公開番号
2025159578
公報種別
公開特許公報(A)
公開日
2025-10-21
出願番号
2024062261
出願日
2024-04-08
発明の名称
監視装置、情報処理装置が実行する監視方法
出願人
株式会社日立ハイテク
代理人
弁理士法人ウィルフォート国際特許事務所
主分類
G06F
11/30 20060101AFI20251014BHJP(計算;計数)
要約
【課題】 監視対象装置への監視コストを軽くするとともに、監視の結果として発報されるアラートと、監視対象装置による処理等の対象を関連付ける。
【解決手段】 変数値取得対象特定部1601は、監視対象装置180のアラート条件と、監視対象処理192の内容に基づいて、取得対象処理182と取得対象変数183を特定する。変数値取得部1801は、取得対象処理182が行われる際に、取得対象変数183の変数値1811を取得する。アラート条件成否判定部2001は、変数値取得部1801が取得した変数値1811に基づいて、アラート条件が成立するか否かを判定する。表示出力制御部2202は、監視対象処理192に基づいて出力される出力情報307と、アラート条件の成立の有無を示す情報を関連付けて、表示または出力するように制御を行う。
【選択図】 図1
特許請求の範囲
【請求項1】
演算処理装置と記憶装置を有する監視装置であって、
前記監視装置は、監視対象ソフトウェアを実行する監視対象装置を監視するためのものであり、
前記監視対象装置は、当該監視対象ソフトウェアを実行することにより、1つまたは複数の変数を用い、かつ、1つまたは複数の監視対象処理を実現するものであり、
前記監視装置は、変数値取得対象特定部と、変数値取得部と、アラート条件成否判定部と、表示出力制御部を有し、
前記変数値取得対象特定部は、前記監視対象装置に関してアラートが発報される条件であるアラート条件と、前記監視対象処理の内容に基づいて、前記監視対象処理のうち、前記変数の値である変数値が取得される対象である処理を示す取得対象処理と、当該取得対象処理が行われる際に前記変数値が取得される対象である前記変数を示す取得対象変数を特定するものであり、
前記変数値取得部は、前記取得対象処理が行われる際に、前記取得対象変数の前記変数値を取得するものであり、
前記アラート条件成否判定部は、前記変数値取得部が取得した前記変数値に基づいて、前記アラート条件が成立するか否かを判定するものであり、
前記表示出力制御部は、前記監視対象処理に基づいて出力される出力情報と、前記アラート条件成否判定部が判定した前記アラート条件の成立の有無を示す情報を関連付けて、表示または出力するように制御を行うものである、監視装置。
続きを表示(約 3,200 文字)
【請求項2】
請求項1に記載の監視装置であって、
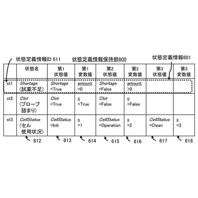
前記監視装置は、1つまたは複数のアラート条件情報を保持するアラート条件情報保持部と、1つまたは複数の状態定義情報を保持する状態定義情報保持部と、状態値生成部を有し、
前記状態定義情報は、前記監視対象装置の状態を定義する情報であって、前記状態の状態値のそれぞれを、1つまたは複数の前記変数値により定義する情報であり、
前記アラート条件情報は、前記監視対象装置に関する前記アラート条件を定義する情報であって、前記アラート条件を、1つまたは複数の前記状態値により定義する情報であり、
前記状態値生成部は、前記変数値取得部が取得した1つまたは複数の前記変数値と、前記状態定義情報に基づいて、1つまたは複数の前記状態値を生成するものであり、
前記アラート条件成否判定部は、前記状態値生成部が生成した1つまたは複数の前記状態値と、前記アラート条件情報に基づいて、前記アラート条件が成立したか否かを判定するものである、監視装置。
【請求項3】
請求項2に記載の監視装置であって、
前記変数値取得対象特定部は、状態特定部と、変数特定部と、コード解析部と、変数値取得対象特定情報生成部を有し、
前記状態特定部は、前記アラート条件情報を用いて、前記アラート条件の定義に含まれる前記状態値に対応する前記状態を特定するものであり、
前記変数特定部は、前記状態定義情報を用いて、前記状態特定部が特定する前記状態の前記状態値の定義に含まれる前記変数値に対応する前記取得対象変数を特定するものであり、
前記コード解析部は、前記監視対象ソフトウェアのコードを解析して、当該コード上の、前記変数特定部が特定した前記取得対象変数の前記変数値が書き換えられる可能性がある箇所を特定するものであり、
前記変数値取得対象特定情報生成部は、前記コード解析部が特定した前記箇所に対応する前記取得対象処理を示す取得対象処理識別情報と、前記変数特定部が特定した前記取得対象変数を示す取得対象変数識別情報を関連付けて変数値取得対象特定情報を生成するものである、監視装置。
【請求項4】
請求項2に記載の監視装置であって、
前記監視装置は、アラート条件管理部と状態管理部を有し、
前記アラート条件管理部は、アラート条件管理画面を表示するように制御するとともに、前記アラート条件管理画面を介して入力された情報に基づいて前記アラート条件情報を生成し、当該アラート条件情報を前記アラート条件情報保持部に格納するものであり、
前記アラート条件管理画面は、1つまたは複数の前記状態値を用いて新たな前記アラート条件を定義するためのユーザインターフェースを提供するものであり、
前記状態管理部は、状態定義管理画面を表示するように制御するとともに、前記状態定義管理画面を介して入力された情報に基づいて前記状態定義情報を生成し、当該状態定義情報を前記状態定義情報保持部に格納するものであり、
前記状態定義管理画面は、新たな状態の名称を設定するためのユーザインターフェースと、当該新たな状態のための前記状態値のそれぞれを定義する1つまたは複数の前記変数値を設定するためのユーザインターフェースを提供するものである、監視装置。
【請求項5】
請求項2に記載の監視装置であって、
前記監視装置は、状態遷移履歴情報を保持する状態遷移履歴情報保持部を有し、
前記状態遷移履歴情報は、前記監視対象装置について定義される1つまたは複数の前記状態のそれぞれの、前記状態値の時系列情報であり、
前記状態値生成部は、生成した1つまたは複数の前記状態値を前記状態遷移履歴情報保持部に格納するものであり、
前記アラート条件情報は、前記アラート条件の定義として、時系列上の前記状態値の順序関係を含むことが出来るものであり、
前記アラート条件成否判定部は、状態遷移検証部を有し、
前記状態遷移検証部は、前記アラート条件情報が示す前記アラート条件の定義に前記順序関係が含まれる場合に、前記状態遷移履歴情報保持部に格納される前記状態値の前記時系列情報を用いて、前記アラート条件の成立の有無を判定するものである、監視装置。
【請求項6】
請求項5に記載の監視装置であって、
前記表示出力制御部は、結果画面を表示するように制御するか、または、結果情報を出力するように制御するものであり、
前記結果画面または前記結果情報は、前記出力情報を示すものと、前記アラート条件の成立の有無を示すものを含むとともに、前記状態遷移履歴情報の少なくとも一部を示すものを含む、監視装置。
【請求項7】
請求項1に記載の監視装置であって、
前記監視装置は、変数値取得対象特定情報を保持する変数値取得対象特定情報保持部を有し、
前記変数値取得対象特定部は、前記取得対象処理を示す取得対象処理識別情報と、前記取得対象変数を示す取得対象変数識別情報を関連付けたものである前記変数値取得対象特定情報を生成し、当該変数値取得対象特定情報を前記変数値取得対象特定情報保持部に格納するものであり、
前記変数値取得部は、前記変数値取得対象特定情報を用いて前記監視対象処理を監視して前記変数値を取得するか、または、前記変数値取得対象特定情報を参照しつつ実行される前記監視対象処理が提供する前記変数値を取得するものである、監視装置。
【請求項8】
請求項1に記載の監視装置であって、
前記監視装置は、監視対象装置出力受信部と、アラート条件成否情報を保持するアラート条件成否情報保持部と、表示出力情報を保持する表示出力情報保持部を有し、
前記アラート条件成否判定部は、前記アラート条件が成立したか否かの判定結果を示す前記アラート条件成否情報を生成し、当該アラート条件成否情報を前記アラート条件成否情報保持部に格納するものであり、
前記監視対象装置出力受信部は、前記監視対象装置から出力される前記出力情報を受信し、受信した前記出力情報と、前記アラート条件成否情報保持部に保持される前記アラート条件成否情報の識別情報を関連付けた情報である前記表示出力情報を生成し、当該表示出力情報を前記表示出力情報保持部に格納するものであり、
前記表示出力制御部は、前記表示出力情報保持部が保持する前記表示出力情報に基づいて、表示または出力を行うように制御するものである、監視装置。
【請求項9】
請求項1に記載の監視装置であって、
前記監視装置は、1つまたは複数のアラート条件情報を保持するアラート条件情報保持部と、設定情報受信部を有し、
前記アラート条件情報は、前記監視対象装置に関する前記アラート条件を定義する情報であり、
前記設定情報受信部は、配信サーバから送信される前記アラート条件情報を受信し、受信した前記アラート条件情報を前記アラート条件情報保持部に格納するものであり、
前記アラート条件成否判定部は、前記アラート条件情報が示す前記アラート条件を用いるものである、監視装置。
【請求項10】
請求項2に記載の監視装置であって、
前記監視装置は、設定情報受信部を有し、
前記設定情報受信部は、配信サーバから送信される前記アラート条件情報と前記状態定義情報を受信し、受信した前記アラート条件情報を前記アラート条件情報保持部に格納し、受信した前記状態定義情報を前記状態定義情報保持部に格納するものである、監視装置。
(【請求項11】以降は省略されています)
発明の詳細な説明
【技術分野】
【0001】
本開示は、監視対象装置(例えば、組み込み装置や自動分析装置)の異常等を検知しアラート(警告)を発報する技術に関するものである。
続きを表示(約 1,900 文字)
【背景技術】
【0002】
監視(例えば、組み込み装置や自動分析装置)が何らかの異常等を有したとしても、当該装置の利用者にとって当該異常が明確には分からないことがある。その一方で、装置が果たす機能によっては、当該装置が異常等を有したままで動作を継続することは避けたい場合がある。このような事情により、従来から、装置に発生した異常等を検知しアラート(警告)を発報することが検討されていた。
【0003】
特許文献1は、装置に発生した異常等を検知しアラート(警告)を発報する先行技術を開示する文献の一つである。特許文献1には、装置(特許文献1では制御システム)が有するレジスタのレジスタ値を収集し、収集したレジスタ値とブラックリストと照合し、レジスタ値が許容範囲内の値でなければアラート(警告)を発報する技術が開示されている。
【先行技術文献】
【特許文献】
【0004】
国際公開第2022/249842号
【発明の概要】
【発明が解決しようとする課題】
【0005】
特許文献1に開示された先行技術は、レジスタ値が変化したか否かを監視し、変化があった場合にレジスタ値を収集する。つまり、当該先行技術は常時レジスタ値を監視することになる。そのため、当該先行技術はレジスタ値の監視を実現するためのコスト(例えばハードウェア的なコストや監視のための処理負荷)が重くなる恐れがある。
【0006】
また、組み込み装置や自動分析装置などの装置の種類によっては、当該装置による処理や分析の対象毎に、処理結果や分析結果を出力することがある。そのような装置においては、当該装置に生じた異常等が、どの処理結果(処理対象)や分析結果(分析対象)と関連付けられるものであるのかが分かれば、当該装置における異常等の解消のための対処が行いやすくなること期待出来る。また、どの処理対象や分析対象について、当該装置による処理や分析をやり直せばよいか分かることも期待出来る。
【0007】
しかしながら、特許文献1に開示された先行技術は、アラート(警告)を発報するに際して、装置に生じた異常等が、どの処理結果(処理対象)や分析結果(分析対象)と関連付けられるものであるのかを示すものとはなっていない。
【0008】
以上を踏まえて、装置(監視対象装置)への監視を実現するためのコストを軽くするとともに、監視の結果として発報されるアラートと、監視対象装置による処理等の対象を関連付けることを、本開示の目的の1つとしてよい。
【課題を解決するための手段】
【0009】
上記目的のうちの少なくとも1つを達成するために、本開示が備えうる特徴は、例えば次のとおりである。
本開示の一つは監視装置である。監視装置は、監視対象ソフトウェアを実行する監視対象装置を監視するためのものである。監視対象装置は、当該監視対象ソフトウェアを実行することにより、1つまたは複数の変数を用い、かつ、1つまたは複数の監視対象処理を実現するものである。
監視装置は、変数値取得対象特定部と、変数値取得部と、アラート条件成否判定部と、表示出力制御部を有する。
変数値取得対象特定部は、監視対象装置に関してアラートが発報される条件であるアラート条件と、監視対象処理の内容に基づいて、監視対象処理のうち、変数の値である変数値が取得される対象である処理を示す取得対象処理と、当該取得対象処理が行われる際に変数値が取得される対象である変数を示す取得対象変数を特定する。
変数値取得部は、取得対象処理が行われる際に、取得対象変数の変数値を取得する。
アラート条件成否判定部は、変数値取得部が取得した変数値に基づいて、アラート条件が成立するか否かを判定する。
表示出力制御部は、監視対象処理に基づいて出力される出力情報と、アラート条件成否判定部が判定したアラート条件の成立の有無を示す情報を関連付けて、表示または出力するように制御を行う。
【発明の効果】
【0010】
本開示の監視装置は、取得対象処理が行われる際に取得対象変数の変数値を取得する。
つまり、本開示の監視装置は、変数値を常時監視するようなことはしなくてよいので、監視対象装置への監視を実現するためのコストを軽くすることが出来る。
(【0011】以降は省略されています)
この特許をJ-PlatPat(特許庁公式サイト)で参照する
関連特許
株式会社日立ハイテク
真空処理装置
7日前
株式会社日立ハイテク
半導体処理装置
7日前
株式会社日立ハイテク
検体処理システム
7日前
株式会社日立ハイテク
診断装置および診断方法
1日前
株式会社日立ハイテク
監視装置、情報処理装置が実行する監視方法
10日前
株式会社日立ハイテク
画像処理装置、画像処理システムおよび方法
21日前
株式会社日立ハイテク
検体搬送装置、検体分析システム、及び検体前処理装置
7日前
株式会社日立ハイテク
ワークフロー管理装置、放射線治療装置及びワークフロー管理方法
10日前
株式会社日立ハイテク
半導体パターン評価方法、半導体製造プロセス管理システム、半導体パターン評価システム
16日前
株式会社日立ハイテク
T細胞受容体(TCR)またはB細胞受容体(BCR)レパトアおよび遺伝子発現の同時解析を可能にするNGSライブラリ調製方法
7日前
個人
詐欺保険
17日前
個人
縁伊達ポイン
17日前
個人
RFタグシート
4日前
個人
QRコードの彩色
21日前
個人
ペルソナ認証方式
1日前
個人
地球保全システム
1か月前
個人
自動調理装置
3日前
個人
冷凍食品輸出支援構造
1か月前
個人
為替ポイント伊達夢貯
1か月前
個人
表変換編集支援システム
1か月前
個人
残土処理システム
23日前
個人
農作物用途分配システム
16日前
個人
タッチパネル操作指代替具
10日前
個人
知的財産出願支援システム
24日前
個人
知財出願支援AIシステム
1か月前
個人
インターネットの利用構造
今日
個人
行動時間管理システム
1か月前
個人
パスワード管理支援システム
1か月前
個人
携帯端末障害問合せシステム
9日前
個人
スケジュール調整プログラム
9日前
個人
AIによる情報の売買の仲介
1か月前
個人
海外支援型農作物活用システム
1か月前
株式会社キーエンス
受発注システム
29日前
個人
エリアガイドナビAIシステム
1日前
株式会社キーエンス
受発注システム
29日前
個人
パスポートレス入出国システム
2か月前
続きを見る
他の特許を見る