TOP
|
特許
|
意匠
|
商標
特許ウォッチ
Twitter
他の特許を見る
10個以上の画像は省略されています。
公開番号
2025156079
公報種別
公開特許公報(A)
公開日
2025-10-14
出願番号
2025048500
出願日
2025-03-24
発明の名称
ローラスクリーン
出願人
株式会社栗本鐵工所
代理人
個人
,
個人
,
個人
,
個人
,
個人
主分類
B07B
1/14 20060101AFI20251002BHJP(固体相互の分離;仕分け)
要約
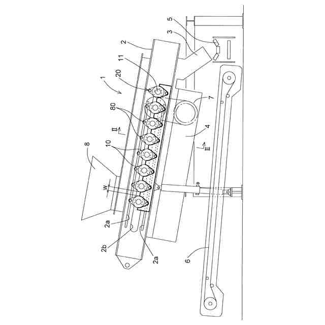
【課題】ローラスクリーンにおけるローラ間隙の調整を容易にする。
【解決手段】フレーム2と、フレーム2の一方向に沿って並列する複数のローラ10と、ローラ10をフレーム2に回転自在に支持する支持装置20と、支持装置20を一方向に沿ってスライド自在に案内するガイド手段と、支持装置20を一方向に対して所定位置に位置決めする位置決め手段と、支持装置20を所定位置に固定する固定手段とを備えているローラスクリーンとした。
【選択図】図3
特許請求の範囲
【請求項1】
フレーム(2)と、
前記フレーム(2)の一方向に沿って並列する複数のローラ(10)と、
前記ローラ(10)を前記フレーム(2)に回転自在に支持する支持装置(20)と、
前記支持装置(20)を前記一方向に沿ってスライド自在に案内するガイド手段と、
前記支持装置(20)を前記一方向に対して所定位置に位置決めする位置決め手段と、
前記支持装置(20)を前記所定位置に固定する固定手段とを備えているローラスクリーン。
続きを表示(約 1,100 文字)
【請求項2】
前記ガイド手段は、前記フレーム(2)に設けられた前記一方向への長孔(2b)、又は、前記フレーム(2)に沿って設けられた前記一方向への軸(2s)である請求項1に記載のローラスクリーン。
【請求項3】
前記固定手段はボルト(81,91)を備え、前記ガイド手段は、前記ボルト(81,91)が挿通されるとともに前記フレーム(2)に設けられた前記一方向への長孔(2a,2c)である請求項1に記載のローラスクリーン。
【請求項4】
前記位置決め手段は前記一方向に沿って複数の突部(32)を備える第一位置決め部材(30)であり、前記突部(32)が前記一方向へ隣り合う前記支持装置(20,20)間に入り込むことによって前記支持装置(20)を位置決めしている請求項1に記載のローラスクリーン。
【請求項5】
前記第一位置決め部材(30)は、接続部材(35)よって前記一方向へ連結されている請求項4に記載のローラスクリーン。
【請求項6】
前記位置決め手段は、前記一方向に沿って複数のネジ孔(42a)を備えた第二位置決め部材(40)であり、前記ボルト(81)が前記ネジ孔(42a)にねじ込まれることで前記支持装置(20)を位置決めしている請求項3に記載のローラスクリーン。
【請求項7】
前記位置決め手段は、前記一方向に沿って複数の貫通孔(102)を備えた第二位置決め部材(100)であり、前記ボルト(91)が前記支持装置(20)に設けられた前記ネジ孔(92)にねじ込まれることで前記支持装置(20)を位置決めしている請求項3に記載のローラスクリーン。
【請求項8】
前記位置決め手段は、前記一方向に沿って複数の貫通孔(112a)を備えた第二位置決め部材(110)であり、前記ボルト(81)がナット(113)にねじ込まれることで前記支持装置(20)を位置決めしている請求項3に記載のローラスクリーン。
【請求項9】
前記位置決め手段は、ブロック状の第三位置決め部材(50,60)であり、前記第三位置決め部材(50,60)が前記一方向へ隣り合う前記支持装置(20,20)間に配置されることによって前記支持装置(20)を位置決めしている請求項1に記載のローラスクリーン。
【請求項10】
前記位置決め手段は、ネジ軸(71)及びナット(72)を備えた第四位置決め部材(70)であり、前記ネジ軸(71)にねじこまれた前記ナット(72)が前記支持装置(20)に当接することによって前記支持装置(20)を位置決めしている請求項1に記載のローラスクリーン。
(【請求項11】以降は省略されています)
発明の詳細な説明
【技術分野】
【0001】
この発明は、ローラスクリーンに関するものである。
続きを表示(約 1,300 文字)
【背景技術】
【0002】
従来から土砂、砕石、鉱石、コークス等の石材、あるいは、その他の様々な塊状物、粒状物等からなる被処理物を分級するために、ローラスクリーンが用いられている。ローラスクリーンは、駆動力によって回転するローラを所定の間隔で複数並列して備えている。そのローラ上を被処理物がローラの並列方向に沿って移動する。ローラ間に設定された間隔より小さい被処理物はローラ間から篩落とされ、大きいものはローラ上を通過することで粒径に応じた篩分けが可能である。
【0003】
ローラスクリーンにおける隣り合うローラ間の隙間(以下、ローラ間隙と称する)は、取り扱う被処理物の種別や篩分けの粒径によって適宜調整される。従来のローラ間隙の調整方法は、大きく二つある。一つ目は、予めフレームに複数設けられたローラ軸受用取付孔の位置に基づいて、ローラ位置(ローラ間隙)を調整する方法である。二つ目は、異なる径のローラを複数用意し、ローラを交換することでローラ間隙を調整する方法である。
【0004】
しかしながら、一つ目の方法においては、調整範囲がローラ軸受用取付孔の位置に依存する。また、二つ目の方法においては、調整範囲が用意できるローラの種類に依存する。このため、いずれの方法も調整できるローラ間隙のバリエーションが少ないという問題がある。
【0005】
そこで、例えば、特許文献1では、各ローラの両端を軸受で回動自在に支持するとともに、軸受が長孔を介してフレームに固定されることで、ローラ間隙を無段階調整できるようにしている。
【先行技術文献】
【特許文献】
【0006】
特開平6-170337号公報(明細書段落0015等参照)
【発明の概要】
【発明が解決しようとする課題】
【0007】
特許文献1のローラスクリーンでは、ローラ間隙を無段階調整できるものの、各ローラを一本ずつ所定の位置に位置決めをした後、フレームに固定する必要がある。このため、ローラ間隙の調整に手間と時間を要するという問題がある。
【0008】
そこで、この発明の課題は、ローラスクリーンにおけるローラ間隙の調整を容易にすることである。
【課題を解決するための手段】
【0009】
上記の課題を解決するために、この発明は、
フレームと、
前記フレームの一方向に沿って並列する複数のローラと、
前記ローラを前記フレームに回転自在に支持する支持装置と、
前記支持装置を前記一方向に沿ってスライド自在に案内するガイド手段と、
前記支持装置を前記一方向に対して所定位置に位置決めする位置決め手段と、
前記支持装置を前記所定位置に固定する固定手段とを備えているローラスクリーンを採用した(構成1)。
【0010】
構成1において、
前記ガイド手段は、前記フレームに設けられた前記一方向への長孔、又は、前記フレームに沿って設けられた前記一方向への軸である構成を採用できる(構成2)。
(【0011】以降は省略されています)
この特許をJ-PlatPat(特許庁公式サイト)で参照する
関連特許
個人
ゴミ分別システム
3か月前
株式会社クボタ
豆類選別機
1か月前
株式会社クボタ
豆類選別機
1か月前
株式会社クボタ
豆類選別機
1か月前
近江度量衡株式会社
選別箱詰システム
28日前
川崎重工業株式会社
廃棄物処理システム
1か月前
シブヤ精機株式会社
農産物の集出荷装置
1か月前
コネクテッドロボティクス株式会社
処理方法
3か月前
キヤノン株式会社
分別装置及び分別方法
4か月前
アンリツ株式会社
物品検査装置
21日前
株式会社栗本鐵工所
ローラスクリーン
1か月前
株式会社シンセイ
砂乾燥選別装置
4か月前
株式会社クボタ
豆類選別機
1か月前
株式会社サタケ
測定装置および選別装置
1か月前
株式会社クボタ
豆類選別機
1か月前
株式会社クボタ
豆類選別機
1か月前
日本協同企画株式会社
果菜引継ぎ搬送装置及び果菜箱詰め装置
4か月前
TOPPANホールディングス株式会社
選果装置
今日
株式会社山本工作所
空気分散部材及び乾式分離装置
3か月前
株式会社 東京ウエルズ
ワーク分類装置、ワーク分類方法
3か月前
アンリツ株式会社
選別装置および物品検査装置
3か月前
株式会社ダルトン
振動ふるい装置及び振動ふるい方法
1か月前
三井金属計測機工株式会社
選果装置の排果システム
1か月前
アクセリア株式会社
情報提供システム、提供情報生成装置及び情報提供方法
1か月前
国立大学法人北海道大学
粒子の分離方法および粒子の分離装置
1か月前
日本製鉄株式会社
スクラップ選別装置およびそれを用いたスクラップの選別方法
今日
UBE三菱セメント株式会社
長尺物の篩い分け方法、焼却灰の処理方法、及び、振動篩機
3か月前
株式会社FUJI
異物除去方法
3か月前
アクセリア株式会社
情報提供システム及び情報提供方法
1か月前
日鉄エンジニアリング株式会社
異物分離装置及び異物分離方法
2か月前
個人
灰汁除去器具、灰汁除去器具の製造方法
1か月前
個人
複素環式THR-β受容体アゴニスト化合物ならびにその調製方法および使用
4か月前
リジェネックスバイオ インコーポレイテッド
完全ヒト翻訳後修飾抗体による治療剤
3か月前
他の特許を見る