TOP
|
特許
|
意匠
|
商標
特許ウォッチ
Twitter
他の特許を見る
10個以上の画像は省略されています。
公開番号
2025154813
公報種別
公開特許公報(A)
公開日
2025-10-10
出願番号
2024058011
出願日
2024-03-29
発明の名称
ヒートパイプ及び、ヒートパイプの製造方法
出願人
日本軽金属株式会社
,
日軽金アクト株式会社
代理人
弁理士法人磯野国際特許商標事務所
主分類
F28D
15/04 20060101AFI20251002BHJP(熱交換一般)
要約
【課題】端部にまで熱を拡散することが可能なヒートパイプ及びヒートパイプの製造方法を提供することを課題とする。
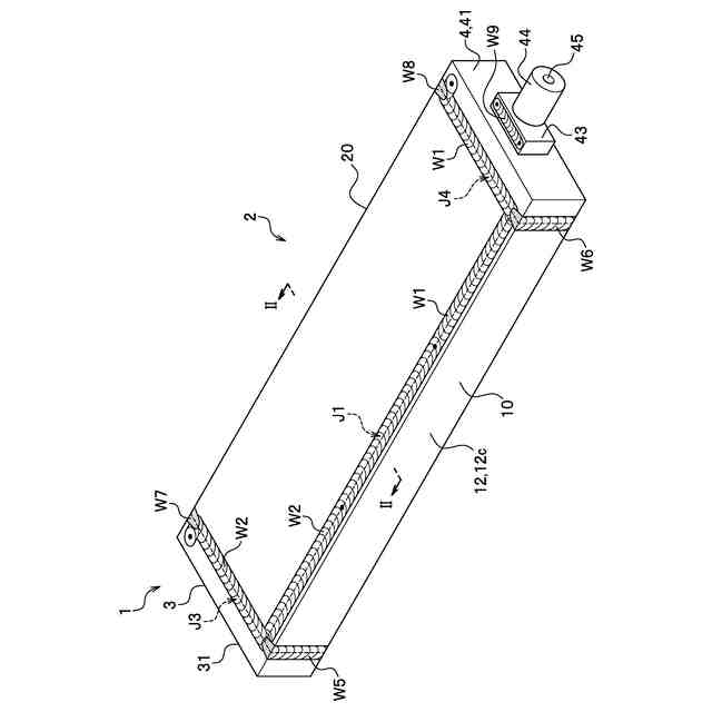
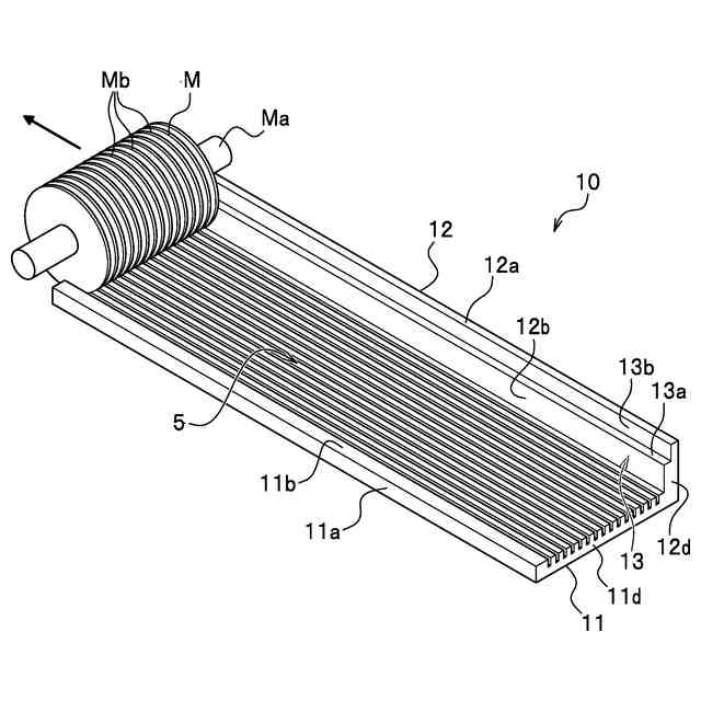
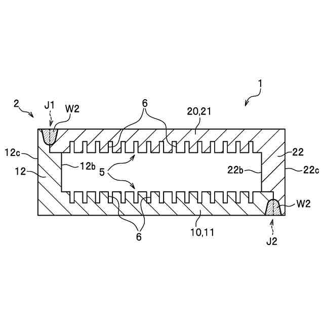
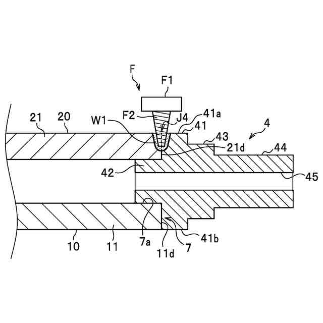
【解決手段】内壁面に囲まれる内部空間に作動液が封入され、ウィックとしての溝部5を内壁面(内壁面11b,内壁面21b)に有するヒートパイプ1であって、溝部5は、複数のマイクログルーブ6で構成されており、長手方向に溝部5を有する第一部材10及び第一部材10の長手方向に沿って配置される第二部材20を備え、筒状を呈する本体部2と、本体部2の長手方向の端部に配置される封止部材3,4と、を備え、第一部材10と第二部材20とが、溝部5を内部に向けた状態で長手方向に接合されているとともに、本体部2の端部と封止部材3,4とが接合されていることを特徴とする。
【選択図】図3
特許請求の範囲
【請求項1】
内壁面に囲まれる内部空間に作動液が封入され、ウィックとしての溝部を前記内壁面に有するヒートパイプであって、
前記溝部は、複数のマイクログルーブで構成されており、
長手方向に前記溝部を有する第一部材及び前記第一部材の長手方向に沿って配置される第二部材を備え、筒状を呈する本体部と、
前記本体部の長手方向の端部に配置される封止部材と、を備え、
前記第一部材と前記第二部材とが、前記溝部を内部に向けた状態で長手方向に接合されているとともに、前記本体部の端部と前記封止部材とが接合されている、
ことを特徴とするヒートパイプ。
続きを表示(約 840 文字)
【請求項2】
前記第一部材は、長手方向の端部を含む領域に前記溝部を有している、
請求項1に記載のヒートパイプ。
【請求項3】
前記第一部材は、長手方向の全体にわたって前記溝部を有している、
請求項1に記載のヒートパイプ。
【請求項4】
前記本体部は、前記内部空間を挟んで互いに対向して配置され外側が平面状である第一壁部及び第二壁部を備え、薄型筒状を呈し、
前記第一部材と前記第二部材との接合部は、前記第一壁部又は前記第二壁部に設けられている、
請求項1に記載のヒートパイプ。
【請求項5】
前記第一壁部は、前記溝部を内部に有しており、
前記第一壁部の外壁面を一方の主面とし、前記第二壁部の外壁面を他方の主面とする、
請求項4に記載のヒートパイプ。
【請求項6】
前記第二壁部は、ウィックとしての前記溝部を内部に有している、
請求項5に記載のヒートパイプ。
【請求項7】
前記第一壁部又は前記第二壁部に設けられた前記溝部と、前記封止部材に設けられた前記溝部とが交差する向きに配置されている、
請求項5に記載のヒートパイプ。
【請求項8】
前記第一壁部又は前記第二壁部に設けられた前記溝部のマイクログルーブと、前記封止部材に設けられた前記溝部のマイクログルーブとが、連続して配置されている、
請求項5に記載のヒートパイプ。
【請求項9】
前記第一壁部及び前記第二壁部に設けられた前記溝部のマイクログルーブと、前記封止部材に設けられた前記溝部のマイクログルーブとが、連続して配置されている、
請求項6に記載のヒートパイプ。
【請求項10】
前記封止部材は、ウィックを内壁面に有している、
請求項1に記載のヒートパイプ。
(【請求項11】以降は省略されています)
発明の詳細な説明
【技術分野】
【0001】
本発明は、ヒートパイプ及び、ヒートパイプの製造方法に関する。
続きを表示(約 1,300 文字)
【背景技術】
【0002】
減圧された容器内に作動液が封入されており、吸熱部での作動液の蒸発と、蒸発した作動液の放熱部への移動と、放熱部での作動液の凝集と、凝集した作動液の吸熱部への移動とを利用して、吸熱部から放熱部に熱を拡散させるヒートパイプが知られている。ヒートパイプは、容器内に溝状の毛細管構造(ウィック)を有しており、当該ウィックによって凝集した液体状の作動液を放熱部から吸熱部へと移動させる。
【0003】
特許文献1では、少なくも一方の板材に作動液の流路となる凹部を設けた二枚の板材を、摩擦攪拌接合法によって接合したヒートパイプ回路基板が開示されている。また、特許文献1では、少なくとも一方の板材に、作動液を作動液の流路へ注入する注入口が設けられている。板材同士が接合されたのちに、注入口から作動液が注入されて、注入口が封印され、真空状態にて作動流路が密封される。このようにして、特許文献1では、作動液が還流する内部空間を有するヒートパイプが製造される。
【先行技術文献】
【特許文献】
【0004】
特開2003-329379号公報
【発明の概要】
【発明が解決しようとする課題】
【0005】
特許文献1では、機械加工によって板材に凹部を形成して、二枚の金属板を接合している。板材の中央部に切削加工を施すことで、板材の底部と、注入口が設けられた壁部と、に囲まれる空間である凹部を形成することができる。この場合、凹部内にウィックとしての溝部を形成しようとする際に、壁部の近くには工具がアクセスしにくいため、凹部内の端部付近を含めた全体にわたって溝部を形成することが困難であった。凹部の端部付近に溝部が設けられていないことで、端部付近に凹部によって作動液を還流させることができず、ヒートパイプの端部への熱の拡散が不十分となるという問題がある。
【0006】
このような観点から、本発明は、端部にまで熱を拡散することが可能なヒートパイプを提供することを課題とする。
【課題を解決するための手段】
【0007】
すなわち、本発明の上記課題は、下記の構成により解決される。
【0008】
(1)内壁面に囲まれる内部空間に作動液が封入され、ウィックとしての溝部を前記内壁面に有するヒートパイプであって、前記溝部は、複数のマイクログルーブで構成されており、長手方向に前記溝部を有する第一部材及び前記第一部材の長手方向に沿って配置される第二部材を備え、筒状を呈する本体部と、前記本体部の長手方向の端部に配置される封止部材と、を備え、前記第一部材と前記第二部材とが、前記溝部を内部に向けた状態で長手方向に接合されているとともに、前記本体部の端部と前記封止部材とが接合されている、ことを特徴とするヒートパイプ。
【0009】
(2)前記第一部材は、長手方向の端部を含む領域に前記溝部を有している、(1)に記載のヒートパイプ。
【0010】
(3)前記第一部材は、長手方向の全体にわたって前記溝部を有している、(1)に記載のヒートパイプ。
(【0011】以降は省略されています)
この特許をJ-PlatPat(特許庁公式サイト)で参照する
関連特許
日本軽金属株式会社
遮音壁
1か月前
日本軽金属株式会社
接合方法
1か月前
日本軽金属株式会社
脱臭装置
1か月前
日本軽金属株式会社
外観ムラ抑制部材
1か月前
日本軽金属株式会社
外観ムラ抑制部材
1か月前
日本軽金属株式会社
蓋体及びその製造方法
1か月前
日本軽金属株式会社
撥液部材及びその製造方法
1か月前
日本軽金属株式会社
撥液部材及びその製造方法
1か月前
日本軽金属株式会社
めっき部材及びその製造方法
26日前
日本軽金属株式会社
脱臭制御システム及び脱臭制御方法
1か月前
日本軽金属株式会社
アルミニウム部材及びその製造方法
1か月前
日本軽金属株式会社
アルミニウム部材及びその製造方法
1か月前
日本軽金属株式会社
ヒートパイプ及び、ヒートパイプの製造方法
1か月前
日本軽金属株式会社
板状アルミナ粉末及びその製造方法、並びに塗料又は化粧品
1か月前
日本軽金属株式会社
分析用担体、イムノクロマトグラフィー用テストストリップ及び分析用担体の製造方法
1か月前
日本軽金属株式会社
分析用担体、イムノクロマトグラフィー用テストストリップ及び分析用担体の製造方法
1か月前
個人
排熱回収装置
3か月前
個人
冷却装置の蒸発器
17日前
個人
放射冷却装置
19日前
個人
熱交換装置
1か月前
個人
熱交換装置
5か月前
ホーコス株式会社
熱交換ユニット
9か月前
三恵技研工業株式会社
熱交換器
7か月前
三恵技研工業株式会社
熱交換器
7か月前
アンリツ株式会社
検査装置
6か月前
アンリツ株式会社
検査装置
6か月前
株式会社パイオラックス
熱交換器
9か月前
日産自動車株式会社
熱交換器
8か月前
株式会社ティラド
ラジエータ
9か月前
株式会社アイシン
水噴射冷却システム
9か月前
新光電気工業株式会社
蓄熱装置
2か月前
個人
熱交換器
12か月前
株式会社デンソー
熱交換器
5か月前
栗田工業株式会社
冷却塔システム
4か月前
株式会社デンソー
熱交換器
4か月前
株式会社デンソー
熱交換器
5か月前
続きを見る
他の特許を見る