TOP
|
特許
|
意匠
|
商標
特許ウォッチ
Twitter
他の特許を見る
10個以上の画像は省略されています。
公開番号
2025152981
公報種別
公開特許公報(A)
公開日
2025-10-10
出願番号
2024055202
出願日
2024-03-29
発明の名称
電力変換器、多脚トランス、充電装置及び車両
出願人
株式会社GSユアサ
代理人
個人
,
個人
主分類
H02M
3/28 20060101AFI20251002BHJP(電力の発電,変換,配電)
要約
【課題】複数のLLC共振コンバータがそれぞれ備える磁気部品を小型化できる電力変換器を提供する。
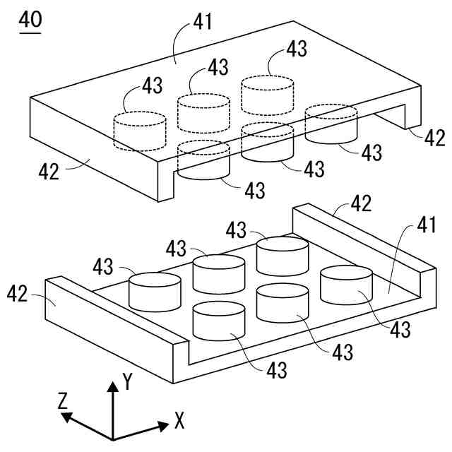
【解決手段】電力変換器は、トランスを有するLLC回路をN個(Nは2以上の自然数)備える。N個のLLC回路のトランスは、ギャップを有する中脚43がX方向及びZ方向にマトリックス状に配置された多脚トランス30に統合されている。多脚トランス30において、列方向に隣り合う中脚43には、発生する磁束の向きが逆になるようにトランスの一次巻線Pa
n
、一次巻線Pb
n
が巻かれている。
【選択図】図6
特許請求の範囲
【請求項1】
トランスを有するLLC共振コンバータをN個(Nは2以上の自然数)備えた電力変換器であって、
N個の前記LLC共振コンバータの前記トランスは、ギャップを有する中脚が行方向及び列方向にマトリックス状に配置された多脚トランスに統合され、
前記多脚トランスにおいて、前記行方向と前記列方向との少なくともいずれか一方に隣り合う前記中脚には、発生する磁束の向きが逆になるように前記トランスの一次巻線が巻かれている電力変換器。
続きを表示(約 960 文字)
【請求項2】
前記多脚トランスにおいて、前記行方向及び前記列方向に隣り合う前記中脚には、発生する磁束の向きが逆になるように前記トランスの一次巻線が巻かれている請求項1記載の電力変換器。
【請求項3】
トランスを有するLLC共振コンバータをN個(Nは2以上の自然数)備えた電力変換器であって、
N個の前記LLC共振コンバータの前記トランスは、ギャップを有する中脚が行方向及び列方向にマトリックス状に配置された多脚トランスに統合され、
前記トランスは、直列に接続された第1の一次巻線と第2の一次巻線とを備え、
前記多脚トランスにおいて、前記列方向に隣り合う前記中脚には、前記第1の一次巻線と前記第2の一次巻線とが発生する磁束の向きが逆になるように巻かれている電力変換器。
【請求項4】
N個の前記LLC共振コンバータを360°/Nの位相差を有するN相のマルチフェーズで動作させる制御部を備え、
前記多脚トランスは、N行及び2列にマトリックス状に配置された前記中脚を備え、
前記列方向に配置された2本の前記中脚には、同一相の前記第1の一次巻線と前記第2の一次巻線とが磁束発生の向きが逆になるように巻かれ、
前記行方向に配置されたN本の前記中脚には、異なる相の前記第1の一次巻線及び前記第2の一次巻線が巻かれている請求項3記載の電力変換器。
【請求項5】
蓄電池を充電する充電装置であって、
直流電圧を、前記蓄電池を充電する出力電圧に変換する請求項1に記載の電力変換器を備える充電装置。
【請求項6】
蓄電池が搭載された車両であって、
車外からの供給電力を、前記蓄電池を充電する出力電圧に変換する請求項1に記載の電力変換器を備える車両。
【請求項7】
ギャップを有する中脚が行方向及び列方向にマトリックス状に配置され、N個(Nは2以上の自然数)のLLC共振コンバータのそれぞれのトランスを統合した多脚トランスであって、
前記行方向と前記列方向との少なくともいずれか一方に隣り合う前記中脚には、発生する磁束の向きが逆になるように前記トランスの一次巻線が巻かれている多脚トランス。
発明の詳細な説明
【技術分野】
【0001】
本発明は、直流電圧を所望の出力電圧に変換する電力変換器に関する。
続きを表示(約 1,700 文字)
【背景技術】
【0002】
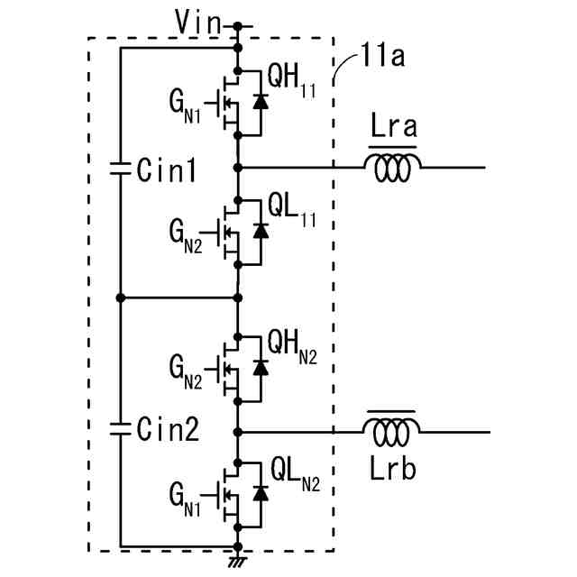
電気自動車等に搭載された蓄電池(バッテリー)を充電する充電装置は、大電力化が求められている。大電力化を実現する電力変換器は、相数(動作フェーズ数)のLLC共振コンバータを、位相をずらして駆動するマルチフェーズ型の電力変換器が知られている(例えば、特許文献1参照)。
【先行技術文献】
【特許文献】
【0003】
特許第6696617号公報
【発明の概要】
【発明が解決しようとする課題】
【0004】
LLC共振コンバータは、共振インダクタやトランスを磁気部品として備える。磁気部品は、他の部品に比べて損失割合や専有割合が大きく、複数のLLC共振コンバータを備える電力変換器の小型化を進める上で、阻害要因になっている。
【0005】
本発明の一態様は、複数のLLC共振コンバータがそれぞれ備える磁気部品を小型化できる電力変換器、多脚トランス、充電装置及び車両を提供することにある。
【課題を解決するための手段】
【0006】
本発明の一態様に係る電力変換器は、トランスを有するLLC共振コンバータをN個(Nは2以上の自然数)備える。N個のLLC共振コンバータのトランスは、ギャップを有する中脚が行方向及び列方向にマトリックス状に配置された多脚トランスに統合される。多脚トランスにおいて、行方向と列方向との少なくともいずれか一方に隣り合う中脚には、発生する磁束の向きが逆になるようにトランスの一次巻線が巻かれている。
本発明の一態様に係る電力変換器は、トランスを有するLLC共振コンバータをN個(Nは2以上の自然数)備える。N個のLLC共振コンバータのトランスは、ギャップを有する中脚が行方向及び列方向にマトリックス状に配置された多脚トランスに統合される。トランスは、直列に接続された第1の一次巻線と第2の一次巻線とを備える。多脚トランスにおいて、列方向に隣り合う中脚には、第1の一次巻線と第2の一次巻線とが発生する磁束の向きが逆になるように巻かれている。
本発明の一態様に係る多脚トランスは、ギャップを有する中脚が行方向及び列方向にマトリックス状に配置される。多脚トランスは、N個(Nは2以上の自然数)のLLC共振コンバータのそれぞれのトランスを統合する。行方向と列方向との少なくともいずれか一方に隣り合う中脚には、発生する磁束の向きが逆になるようにトランスの一次巻線が巻かれている。
【発明の効果】
【0007】
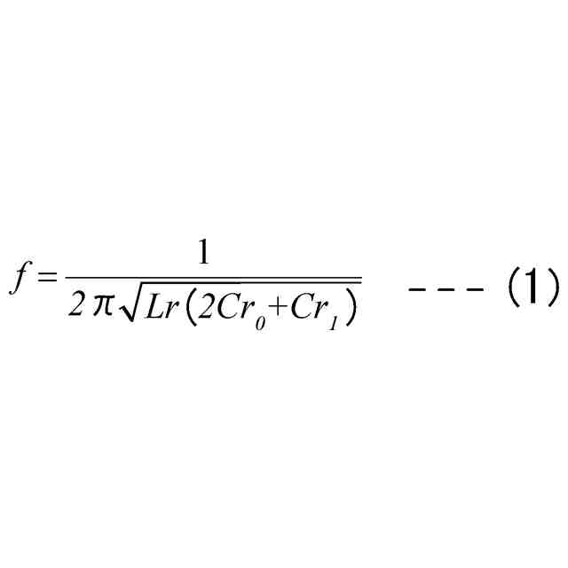
本発明の一態様によれば、複数のLLC共振コンバータがそれぞれ備えるトランスを多脚トランスとして統合し、多脚トランスの大きな漏れインダクタンスを共振インダクタとして用いることができるため、複数のLLC共振コンバータがそれぞれ備える磁気部品を小型化できる。
【図面の簡単な説明】
【0008】
電力変換器の充電装置としての使用例を示す図である。
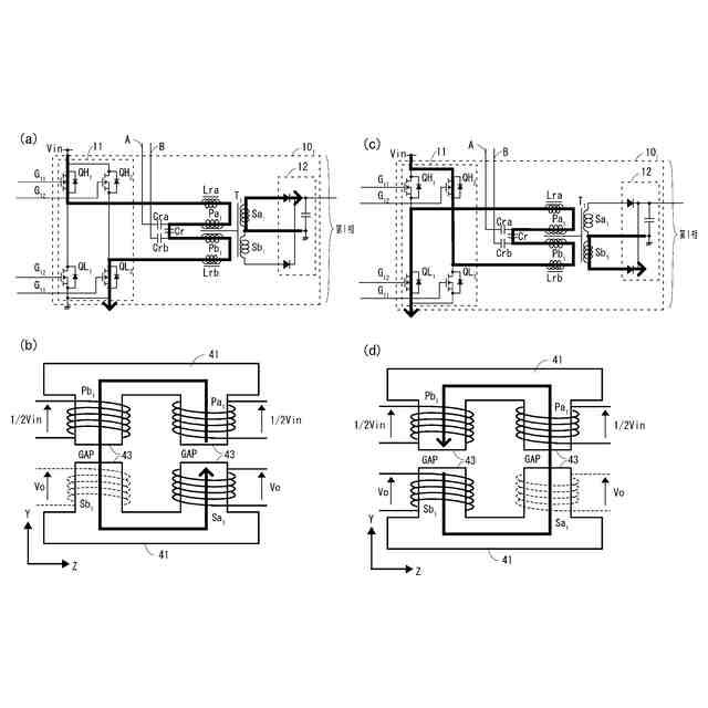
電力変換器の構成例を示す図である。
制御部が出力する駆動信号を示す図である。
HVDC入力対応のフルブリッジ回路の構成例を示す図である。
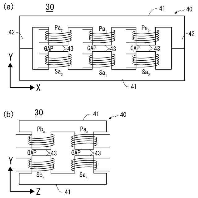
多脚トランスの磁気コアの構成例を示す図である。
多脚トランスの巻線配置を示す図である。
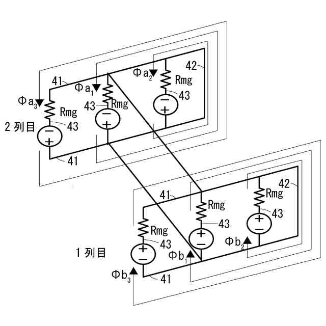
多脚トランスを簡略化した回路図である。
多脚トランスの動作を説明する図である。
電力変換器の他の構成例を示す図である。
電力変換器の他の構成例を示す図である。
電力変換器の他の構成例を示す図である。
図11に示す多脚トランスの鉄損削減効果を説明する図である。
【発明を実施するための形態】
【0009】
以下、図を参照して本発明の実施の形態を詳細に説明する。以下の実施の形態において、同様の機能を示す構成には、同一の符号を付して適宜説明を省略する。
【0010】
本実施の形態の電力変換器1は、図1を参照すると、電気自動車等の車両2に搭載された蓄電池3(バッテリー)を充電する充電装置として用いられる。
(【0011】以降は省略されています)
この特許をJ-PlatPat(特許庁公式サイト)で参照する
関連特許
個人
電気を重力で発電装置
1か月前
個人
高圧電気機器の開閉器
21日前
キヤノン電子株式会社
モータ
1か月前
キヤノン電子株式会社
モータ
1か月前
株式会社東光高岳
充電器
1日前
東洋アルミニウム株式会社
発電体
今日
コーセル株式会社
電源装置
1か月前
株式会社アイドゥス企画
減反モータ
21日前
トヨタ自動車株式会社
モータ
1か月前
株式会社デンソー
端子台
14日前
株式会社ダイヘン
充電装置
今日
株式会社デンソー
回転電機
5日前
株式会社ダイヘン
送配電装置
5日前
富士電機株式会社
電力変換装置
5日前
ローム株式会社
半導体集積回路
12日前
本田技研工業株式会社
回転電機
7日前
株式会社不二越
空冷式油圧装置
5日前
富士電機株式会社
電力変換装置
5日前
矢崎総業株式会社
電源回路
20日前
株式会社TMEIC
制御装置
13日前
トヨタ自動車株式会社
固定子の加熱装置
1か月前
矢崎総業株式会社
給電装置
13日前
株式会社東光高岳
充電対象切換システム
1日前
株式会社日立製作所
回転電機
12日前
株式会社イノコンバンク
無線給電システム
5日前
大和ハウス工業株式会社
敷設用機器
13日前
アズビル株式会社
タービン式流量制御装置
今日
個人
非対称鏡像力を有する4層PWB電荷搬送体
28日前
日産自動車株式会社
ロータシャフト
28日前
ローム株式会社
モータドライバ回路
28日前
トヨタ自動車株式会社
ステータの製造装置
1か月前
日産自動車株式会社
ロータシャフト
28日前
トヨタ自動車株式会社
可変界磁ロータ
1か月前
株式会社土井製作所
ケーブル保護管路
12日前
個人
電線盗難防止方法及び電線盗難防止装置
1か月前
株式会社アイシン
電力変換装置
1か月前
続きを見る
他の特許を見る