TOP
|
特許
|
意匠
|
商標
特許ウォッチ
Twitter
他の特許を見る
10個以上の画像は省略されています。
公開番号
2025151740
公報種別
公開特許公報(A)
公開日
2025-10-09
出願番号
2024053305
出願日
2024-03-28
発明の名称
画像形成装置
出願人
キヤノン株式会社
代理人
個人
,
個人
,
個人
,
個人
,
個人
主分類
G03G
21/16 20060101AFI20251002BHJP(写真;映画;光波以外の波を使用する類似技術;電子写真;ホログラフイ)
要約
【課題】 記録材をジャム処理する時にガイド部材がトナーで汚れるのを抑制する。
【解決手段】 定着ユニットが第1の位置に位置する時、移動部材は、回転軸線方向に見た時の定着ニップ部の記録材入り口側の端部とガイド部材の記録材搬送方向における上流側の端部とを結ぶ仮想線よりも第1の回転体の側に位置し、定着ユニットが第2の位置に位置する時、移動部材は、移動部材の少なくとも一部が仮想線よりも第2の回転体の側に突出する位置に位置する。
【選択図】 図11
特許請求の範囲
【請求項1】
記録材に未定着のトナー画像を転写する転写部を有する画像形成部と、
記録材に形成された未定着のトナー画像が接触する第1の回転体と、前記第1の回転体の外周面と接触して前記第1の回転体との間に定着ニップ部を形成する第2の回転体と、前記第2の回転体の回転軸線方向に見た時、前記第2の回転体よりも前記第1の回転体の側に配置されており記録材を前記定着ニップ部に案内するガイド部材と、を有し、前記定着ニップ部で記録材に形成された未定着のトナー画像を記録材に定着処理する定着ユニットと、
を有する画像形成装置において、
前記定着ニップ部で未定着のトナー画像を定着処理する時の第1の位置と、前記第1の位置よりも前記転写部から離れた第2の位置と、に前記定着ユニットを支持した状態で前記定着ユニットを移動可能な支持機構を有し、
前記支持機構には前記定着ユニットが前記第1の位置と前記第2の位置とに移動する時に前記ガイド部材に対して相対的に移動する移動部材が設けられており、
前記定着ユニットが前記第1の位置に位置する時、前記移動部材は、前記回転軸線方向に見た時の前記定着ニップ部の記録材入り口側の端部と前記ガイド部材の記録材搬送方向における上流側の端部とを結ぶ仮想線よりも前記第1の回転体の側に位置し、
前記定着ユニットが前記第2の位置に位置する時、前記移動部材は、前記移動部材の少なくとも一部が前記仮想線よりも前記第2の回転体の側に突出する位置に位置することを特徴とする画像形成装置。
続きを表示(約 390 文字)
【請求項2】
前記定着ユニットが前記第2の位置に位置する時、前記移動部材は、その全体が前記仮想線よりも前記第2の回転体の側に突出する位置に位置することを特徴とする請求項1に記載の画像形成装置。
【請求項3】
前記回転軸線方向における前記移動部材の長さは、前記画像形成装置で使用可能な最大の幅を有する記録材の前記幅以上の長さを有することを特徴とする請求項1に記載の画像形成装置。
【請求項4】
前記支持機構は、前記回転軸線方向における前記画像形成装置の一方の端部側と他方の端部側に設けられた二枚の支持部材を有し、前記移動部材は二枚の前記支持部材を繋ぐように二枚の支持部材に取り付けられていることを特徴とする請求項1に記載の画像形成装置。
【請求項5】
前記移動部材は金属製のロッドであることを特徴とする請求項4に記載の画像形成装置。
発明の詳細な説明
【技術分野】
【0001】
本発明は、電子写真記録技術を用いて記録材にトナー画像を形成するトナー画像形成装置に関するものである。
続きを表示(約 1,900 文字)
【背景技術】
【0002】
プリンタ、複写機、複合機等の電子写真記録技術を用いたトナー画像形成装置には、記録材に形成されたトナー画像を記録材に定着する定着ユニットが搭載されている。また、定着ユニットをプリント時の第1の位置から第2の位置へ移動させることで、画像形成装置の本体に対して定着ユニットを交換し易くすることも考えられている(特許文献1)。
【先行技術文献】
【特許文献】
【0003】
特開2012-47806号
【発明の概要】
【発明が解決しようとする課題】
【0004】
しかしながら、記録材のジャム処理のため、定着ユニットに記録材が挟まった状態で定着ユニットを第2の位置に移動した場合、記録材上の未定着のトナーが記録材を案内するガイド部材に接触して汚れることが考えられる。ガイド部材がトナーで汚れたまま定着ユニットを第1の位置に戻して印刷を再開すると、ガイド部材に付着したトナーで次の記録材を汚してしまう。
【0005】
本発明は、記録材をジャム処理する時にガイド部材がトナーで汚れるのを抑制することを目的とする。
【課題を解決するための手段】
【0006】
上述の課題を解決するための本発明は、記録材に未定着のトナー画像を転写する転写部を有する画像形成部と、記録材に形成された未定着のトナー画像が接触する第1の回転体と、前記第1の回転体の外周面と接触して前記第1の回転体との間に定着ニップ部を形成する第2の回転体と、前記第2の回転体の回転軸線方向に見た時、前記第2の回転体よりも前記第1の回転体の側に配置されており記録材を前記定着ニップ部に案内するガイド部材と、を有し、前記定着ニップ部で記録材に形成された未定着のトナー画像を記録材に定着処理する定着ユニットと、を有する画像形成装置において、前記定着ニップ部で未定着のトナー画像を定着処理する時の第1の位置と、前記第1の位置よりも前記転写部から離れた第2の位置と、に前記定着ユニットを支持した状態で前記定着ユニットを移動可能な支持機構を有し、前記支持機構には前記定着ユニットが前記第1の位置と前記第2の位置とに移動する時に前記ガイド部材に対して相対的に移動する移動部材が設けられており、前記定着ユニットが前記第1の位置に位置する時、前記移動部材は、前記回転軸線方向に見た時の前記定着ニップ部の記録材入り口側の端部と前記ガイド部材の記録材搬送方向における上流側の端部とを結ぶ仮想線よりも前記第1の回転体の側に位置し、前記定着ユニットが前記第2の位置に位置する時、前記移動部材は、前記移動部材の少なくとも一部が前記仮想線よりも前記第2の回転体の側に突出する位置に位置することを特徴とする。
【発明の効果】
【0007】
以上説明したように、本発明によれば、記録材をジャム処理する時にガイド部材がトナーで汚れるのを抑制できる。
【図面の簡単な説明】
【0008】
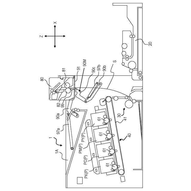
画像形成装置の断面図
定着ユニットが第2の位置に移動した状態を示す画像形成装置の断面図
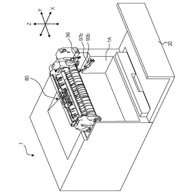
画像形成装置のドアを開いた状態を示す画像形成装置の斜視図
定着ユニットが第2の位置に移動した状態を示す画像形成装置の斜視図
定着ニップ部に記録材が噛んだまま定着ユニットが第2の位置に移動した状態を示す断面図
退避時ガイド部材の斜視図
定着ユニットが第1の位置に位置する時の断面図
定着ユニットが第2の位置に位置する時の断面図
ガイド部材の斜視図
ガイド部材の断面図。
退避時ガイド部材の位置を比較した図
【発明を実施するための形態】
【0009】
[実施例1]
(全体構成)
図1を用いて、画像形成装置としてのプリンタ1について説明する。図1は、本実施例に係るプリンタ1の全体構成を説明する図である。プリンタ1は、記録材としてのシートSにトナー画像を形成する電子写真方式のカラーレーザビームプリンタである。
【0010】
プリンタ1は、筐体1A、レーザスキャナ2、制御部3、筐体1Aに対して開閉可能なドア(開閉部材)20を有する。さらに、プリンタ1は、シート給送部30と、転写ユニット40と、トレイユニット(移動ユニット、支持ユニット)50と、定着ユニット80とを有する。
(【0011】以降は省略されています)
この特許をJ-PlatPat(特許庁公式サイト)で参照する
関連特許
個人
表示装置
3日前
個人
雨用レンズカバー
1日前
株式会社シグマ
絞りユニット
1か月前
日本精機株式会社
車両用投射装置
9日前
キヤノン株式会社
撮像装置
23日前
キヤノン株式会社
撮像装置
29日前
株式会社リコー
画像形成装置
19日前
キヤノン株式会社
トナー
10日前
キヤノン株式会社
トナー
15日前
株式会社オプトル
プロジェクタ
22日前
キヤノン株式会社
画像形成装置
4日前
キヤノン株式会社
レンズキャップ
2日前
キヤノン株式会社
現像装置
8日前
沖電気工業株式会社
画像形成装置
1日前
アイホン株式会社
カメラシステム
9日前
スタンレー電気株式会社
照明装置
11日前
ブラザー工業株式会社
画像形成装置
8日前
古野電気株式会社
装置
1日前
株式会社電気印刷研究所
静電印刷用積層体
15日前
ブラザー工業株式会社
画像形成装置
8日前
株式会社リコー
画像形成装置
19日前
キヤノン株式会社
画像形成装置
16日前
キヤノン株式会社
画像形成装置
16日前
コニカミノルタ株式会社
画像形成装置
1日前
キヤノン株式会社
画像形成装置
19日前
キヤノン株式会社
画像形成装置
29日前
アイホン株式会社
カメラ装置の保持構造
9日前
沖電気工業株式会社
画像形成装置
19日前
古野電気株式会社
監視装置
1日前
ニデックプレシジョン株式会社
カメラ装置
23日前
ブラザー工業株式会社
画像形成装置
10日前
ニデックプレシジョン株式会社
カメラ装置
23日前
ブラザー工業株式会社
画像形成装置
10日前
ブラザー工業株式会社
画像形成装置
10日前
株式会社リコー
定着装置及び画像形成装置
29日前
ブラザー工業株式会社
画像形成装置
10日前
続きを見る
他の特許を見る